Например TDA7294

Форум РадиоКот • Просмотр темы - Мелкие вопросы по теории
Форум РадиоКот
Здесь можно немножко помяукать :)

Текущее время: Вт мар 03, 2026 07:39:15

Часовой пояс: UTC + 3 часа


ПРЯМО СЕЙЧАС:



Начать новую тему Ответить на тему  [ Сообщений: 42002 ]     ... , , , 694, , , ...  
Автор Сообщение
 Заголовок сообщения: Re: Мелкие вопросы по теории
СообщениеДобавлено: Пт сен 06, 2013 14:30:41 
Собутыльник Кота
Аватар пользователя

Карма: 6
Рейтинг сообщений: 59
Зарегистрирован: Вт янв 12, 2010 21:11:22
Сообщений: 2602
Откуда: Волжский Волгоградской обл.
Рейтинг сообщения: 0
Медали: 1
Получил миской по аватаре (1)
А так не пробовали? http://yandex.ru/yandsearch?lr=38&oprnd ... 0%B8%D1%8F

_________________
Собрали и смело включайте, лишнее выгорит!


Вернуться наверх
 
 Заголовок сообщения: Re: Мелкие вопросы по теории
СообщениеДобавлено: Пт сен 06, 2013 14:52:41 
Мучитель микросхем

Зарегистрирован: Чт авг 09, 2012 08:57:20
Сообщений: 426
Рейтинг сообщения: 0
пробовал, вот что будет в моем случае по этой ссылке? http://radioprog.ru/?p=73


Вернуться наверх
 
 Заголовок сообщения: Re: Мелкие вопросы по теории
СообщениеДобавлено: Ср сен 11, 2013 20:09:44 
Открыл глаза
Аватар пользователя

Зарегистрирован: Пт янв 13, 2012 13:48:09
Сообщений: 57
Рейтинг сообщения: 0
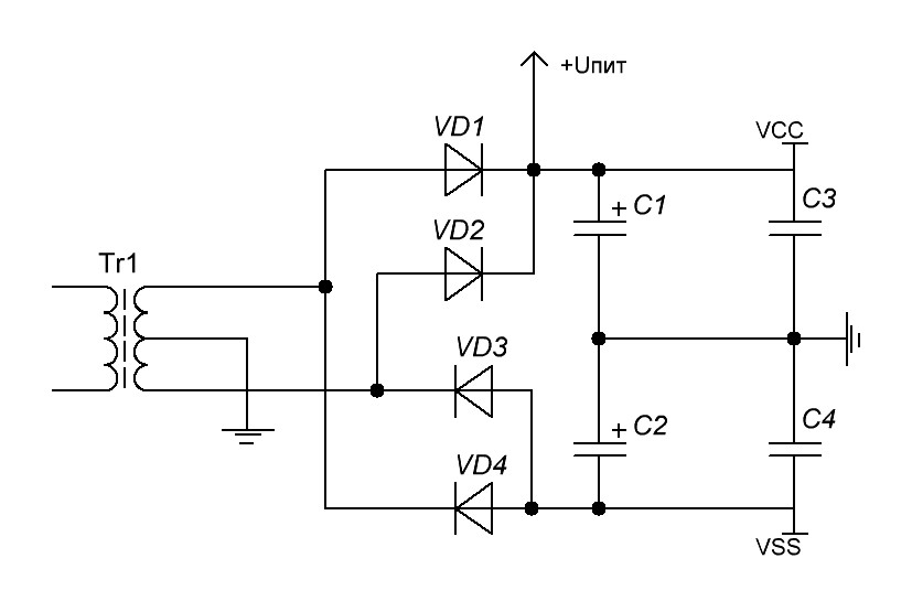
Доброй ночи всем))) Простите за столь не корректный вопрос))) Объясните мне пожалуйста принцип действия вот этого выпрямителя
Вложение:
В.JPG [35.63 KiB]
Скачиваний: 280
, чем подробней тем лучше))) Особенно почему C1 и C2 так включены в схему. Надеюсь я не очень нагло спрашиваю, если да, то простите и заранее спасибо))))

_________________
...а сейчас надо обязательно
дунуть, если не дунуть
никакого чуда не произойдет
© Амаяк Акопян
Не бойтесь браться за
незнакомое дело. И помните -
ковчег построил любитель,
профессионалы строили
"Титаник".


Вернуться наверх
 
 Заголовок сообщения: Re: Мелкие вопросы по теории
СообщениеДобавлено: Ср сен 11, 2013 20:44:45 
Друг Кота
Аватар пользователя

Карма: 175
Рейтинг сообщений: 7680
Зарегистрирован: Чт апр 04, 2013 12:46:59
Сообщений: 17234
Откуда: Тюмень
Рейтинг сообщения: 0
Стоит только немного пролистать назад эту ветку, в которую пишешь: http://radiokot.ru/forum/viewtopic.php?p=1740416#p1740416
Это два двуполупериодных выпрямителя со средней точкой. Один "плюсовой", другой "минусовой"...

_________________
Общением на форуме подпитываю свою эгоистичную, склонную к самолюбованию сущность.


Вернуться наверх
 
Эиком - электронные компоненты и радиодетали
 Заголовок сообщения: Re: Мелкие вопросы по теории
СообщениеДобавлено: Чт сен 12, 2013 17:19:41 
Открыл глаза
Аватар пользователя

Зарегистрирован: Пт янв 13, 2012 13:48:09
Сообщений: 57
Рейтинг сообщения: 0
Спасибо большое)

_________________
...а сейчас надо обязательно
дунуть, если не дунуть
никакого чуда не произойдет
© Амаяк Акопян
Не бойтесь браться за
незнакомое дело. И помните -
ковчег построил любитель,
профессионалы строили
"Титаник".


Вернуться наверх
 
 Заголовок сообщения: Re: Мелкие вопросы по теории
СообщениеДобавлено: Сб сен 14, 2013 15:25:54 
Прорезались зубы

Зарегистрирован: Вт мар 05, 2013 18:05:53
Сообщений: 242
Рейтинг сообщения: 0
Объясните пожалуйста, как заряжается автомобильный аккумулятор?


Вернуться наверх
 
 Заголовок сообщения: Re: Мелкие вопросы по теории
СообщениеДобавлено: Сб сен 14, 2013 16:18:20 
Модератор
Аватар пользователя

Карма: 162
Рейтинг сообщений: 2449
Зарегистрирован: Пн июл 07, 2008 10:46:09
Сообщений: 10739
Откуда: Россия
Рейтинг сообщения: 2
Читайте, здесь всё написано... и не только про автомобильные.

_________________
Если хотите, чтобы жизнь улыбалась вам, подарите ей своё хорошее настроение


Вернуться наверх
 
 Заголовок сообщения: Re: Мелкие вопросы по теории
СообщениеДобавлено: Сб сен 14, 2013 21:16:05 
Нашел транзистор. Понюхал.
Аватар пользователя

Зарегистрирован: Вс дек 09, 2012 12:14:44
Сообщений: 162
Рейтинг сообщения: 0
Может кто знает как разложить wav файл на список точек(амплитуд), чтобы потом построить график например? Через что его можно открыть для такой цели? Файл 8кГц 8бит.


Вернуться наверх
 
 Заголовок сообщения: Re: Мелкие вопросы по теории
СообщениеДобавлено: Вс сен 15, 2013 09:08:50 
Говорящий с текстолитом
Аватар пользователя

Карма: 11
Рейтинг сообщений: 143
Зарегистрирован: Пт дек 28, 2012 21:56:46
Сообщений: 1518
Откуда: St. Petersburg
Рейтинг сообщения: 0
Так там и так по сути заголовок идет а потом список этих амплитудных точек
https://ccrma.stanford.edu/courses/422/ ... aveFormat/

Если нужно получить другой формат вывода (например, данные в ascii в виде чисел через запятую), то можно набросать простую программку для этого на любом высокоуровневом языке.

_________________
Изображение only pure true norwegian blackx Изображение


Вернуться наверх
 
 Заголовок сообщения: Re: Мелкие вопросы по теории
СообщениеДобавлено: Вс сен 15, 2013 12:28:12 
Нашел транзистор. Понюхал.
Аватар пользователя

Зарегистрирован: Вс дек 09, 2012 12:14:44
Сообщений: 162
Рейтинг сообщения: 0
ага, все оказалось так как и думал)
но я уже нашел в маткаде readwav(), которая полностью устраивает))


Вернуться наверх
 
 Заголовок сообщения: Re: Мелкие вопросы по теории
СообщениеДобавлено: Пн сен 16, 2013 15:15:34 
Нашел транзистор. Понюхал.
Аватар пользователя

Зарегистрирован: Вс дек 09, 2012 12:14:44
Сообщений: 162
Рейтинг сообщения: 0
Вопрос к спецам по цос. такая задача-допустим есть эталонная выборка сигнала. существует исследуемый сигнал, который содержит в себе допустим 2 фрагмента схожих с эталоном. но мы этого положим не знаем, и нам нужно узнать сколько раз эталон встречается в образце.
я так понимаю, что необходимо использовать скользящее окно длиной в эталон и считать корреляционые функции, но как это делать до конца не понимаю.Помогите пожалуйста доступно написаной литературой по корреляц. анализу сигналов, аль советом каким.


Вернуться наверх
 
 Заголовок сообщения: Re: Мелкие вопросы по теории
СообщениеДобавлено: Пн сен 16, 2013 15:25:24 
Друг Кота
Аватар пользователя

Карма: 67
Рейтинг сообщений: 1071
Зарегистрирован: Чт сен 18, 2008 12:27:21
Сообщений: 20051
Откуда: Столица Мира Санкт-Петербург
Рейтинг сообщения: 0
Медали: 1
Получил миской по аватаре (1)
Ох, блин... Можно высчитать корреляционную функцию (кол-во отсчётов функции равно количеству точек исследуемого сигнала), дальше — считать кол-во максимумов функции.

_________________
[ Всё дело не столько в вашей глупости, сколько в моей гениальности ] [ Правильно заданный вопрос содержит в себе половину ответа ]


Вернуться наверх
 
 Заголовок сообщения: Re: Мелкие вопросы по теории
СообщениеДобавлено: Пн сен 16, 2013 17:59:49 
Нашел транзистор. Понюхал.
Аватар пользователя

Зарегистрирован: Вс дек 09, 2012 12:14:44
Сообщений: 162
Рейтинг сообщения: 0
Вот попробывал сделать следующее:

сделал wav файлы - 8кГц, 8бит, моно
etalon - 50 мс, 400 точек - собственно то, что надо найти
proba - 250 мс, 2000 точек - исследуемый сигнал, в который где-то чуть дальше 100-ой мс вставлен файл etalon.


Максимум корреляционной функции 1,006, а значит нормировка сделана неверно. Да и вообще все очень странно выглядит.
Маткадовский файл прикрепляю(маткад 14).


Ну а если маткада нету, то осторожно! Большааая картинка! :)
СпойлерИзображение


Вложения:
2.rar [50.44 KiB]
Скачиваний: 133
Вернуться наверх
 
 Заголовок сообщения: Re: Мелкие вопросы по теории
СообщениеДобавлено: Ср сен 18, 2013 10:09:10 
Сверлит текстолит когтями
Аватар пользователя

Карма: 11
Рейтинг сообщений: 17
Зарегистрирован: Вт авг 17, 2010 11:58:06
Сообщений: 1134
Откуда: Казань
Рейтинг сообщения: 0
Просветите меня вот в каком вопросе.Какое напряжение необходимо для нормального открывания оптотиристора ТО425-12.5 .Я поставил его вместо ТО124-12.5 (довожу до ума схему http://umup.ru/%D1%82%D0%B5%D1%80%D0%BC ... 0%BA%D0%B0 ,всё руки не доходят ).

Вот я и не понимаю,то ли напряжения не хватает для открытия,то ли я чего не догоняю.На вход оптотиристоров приходит при открытии транзистора примерно 4.5 В.Подключаю пока всё без нагрузки,встаю на выход мультиком в прозвонку диода,не пищит.На омах показывает примерно 390 Ом (вместе с лампочкой,у неё 90 Ом).

Если можно не мудрить с этими тиристорами (других из серии ТО у меня нет),то какую связку из МОС...+ВТ... поставить,чтобы нормально открывалось при указанном подаваемом напряжении?


Вернуться наверх
 
 Заголовок сообщения: Re: Мелкие вопросы по теории
СообщениеДобавлено: Ср сен 18, 2013 10:12:23 
Друг Кота
Аватар пользователя

Карма: 67
Рейтинг сообщений: 1071
Зарегистрирован: Чт сен 18, 2008 12:27:21
Сообщений: 20051
Откуда: Столица Мира Санкт-Петербург
Рейтинг сообщения: 0
Медали: 1
Получил миской по аватаре (1)
den2 писал(а):
встаю на выход мультиком в прозвонку диода,не пищит.

А нагрузку, хотя бы небольшую (в смысле, высокоомную), не хотите подключить на выход к 220?

_________________
[ Всё дело не столько в вашей глупости, сколько в моей гениальности ] [ Правильно заданный вопрос содержит в себе половину ответа ]


Вернуться наверх
 
 Заголовок сообщения: Re: Мелкие вопросы по теории
СообщениеДобавлено: Ср сен 18, 2013 10:21:02 
Сверлит текстолит когтями
Аватар пользователя

Карма: 11
Рейтинг сообщений: 17
Зарегистрирован: Вт авг 17, 2010 11:58:06
Сообщений: 1134
Откуда: Казань
Рейтинг сообщения: 0
Сейчас воткнул всё в сеть,толку ноль Кручу резистор,лампа не горит.Прозвонил все концы,всё верно распаял.Сравниваю с платой,которая коммутирует фазы (заводская плата от лифта,но там напряжение на него подаётся примерно 12 В).
Подключаю к ней (плате лифтовой) питание управляющее (24В,через кренку 12В),без нагрузки ,встаю на выход тестером,пищит.

Высокоомной нету под рукой.


Вернуться наверх
 
 Заголовок сообщения: Re: Мелкие вопросы по теории
СообщениеДобавлено: Ср сен 18, 2013 11:09:38 
Сверлит текстолит когтями
Аватар пользователя

Карма: 11
Рейтинг сообщений: 17
Зарегистрирован: Вт авг 17, 2010 11:58:06
Сообщений: 1134
Откуда: Казань
Рейтинг сообщения: 0
Нашёл паяльник (2.5кОм обмотка),тот же результат.Возьму тогда ТО-шку и поэкспериментирую с напряжением открытия через резистор.

Про MOC...+BT... вопрос открытый.Кто что посоветует,какую связку?


Вернуться наверх
 
 Заголовок сообщения: Re: Мелкие вопросы по теории
СообщениеДобавлено: Ср сен 18, 2013 11:18:24 
Собутыльник Кота
Аватар пользователя

Карма: 6
Рейтинг сообщений: 59
Зарегистрирован: Вт янв 12, 2010 21:11:22
Сообщений: 2602
Откуда: Волжский Волгоградской обл.
Рейтинг сообщения: 0
Медали: 1
Получил миской по аватаре (1)
1-е. Для ТО425-12,5 ток открывания 80-200 мА, в зависимости от температуры корпуса. Смотрим здесь http://hghltd.yandex.net/yandbtm?fmode= ... fb&keyno=0 или здесь http://www.energo2001.ru/production/pol ... _optyr.pdf
2-е я, чесно говоря такого тиристора ТО124-12.5 не знаю, знаю ТО125-12.5, так вот у него ток открывания от 80 до 100 мА.
Вы поймите, там внутри стоит светодиод, а для него первой и важной характеристикой является протекающий через него ток. Измерьте, какой ток идет через светодиод оптрона.

_________________
Собрали и смело включайте, лишнее выгорит!


Вернуться наверх
 
 Заголовок сообщения: Re: Мелкие вопросы по теории
СообщениеДобавлено: Ср сен 18, 2013 11:25:07 
Держит паяльник хвостом
Аватар пользователя

Карма: -1
Рейтинг сообщений: 120
Зарегистрирован: Пт май 20, 2011 10:14:14
Сообщений: 945
Откуда: Киев
Рейтинг сообщения: 0
Оптотиристор управляется, как и светодиод, током а не напряжением.
Подав 4,5 вольт на управление ты мог просто сжечь его. Посмотри http://cxem.net/house/1-99.php
там ТО125, но, думаю, разница небольшая.


Вернуться наверх
 
 Заголовок сообщения: Re: Мелкие вопросы по теории
СообщениеДобавлено: Ср сен 18, 2013 11:40:35 
Сверлит текстолит когтями
Аватар пользователя

Карма: 11
Рейтинг сообщений: 17
Зарегистрирован: Вт авг 17, 2010 11:58:06
Сообщений: 1134
Откуда: Казань
Рейтинг сообщения: 0
Так говорю же,делаю по схеме (ту что привёл) ,тут http://cxem.net/house/1-99.php схема включения такая же (т.е. у меня 2 оптика стоит).

Про ток,спасибо что сказали,измерю.Не подумал сразу.Видимо автор ошибся,когда писал обозначение на схеме.
Чтобы пока не задалбывать никого.Пойду поэкспериментирую,да позамеряю .


Вернуться наверх
 
Показать сообщения за:  Сортировать по:  Вернуться наверх
Начать новую тему Ответить на тему  [ Сообщений: 42002 ]     ... , , , 694, , , ...  

Часовой пояс: UTC + 3 часа


Вы не можете начинать темы
Вы не можете отвечать на сообщения
Вы не можете редактировать свои сообщения
Вы не можете удалять свои сообщения
Вы не можете добавлять вложения

Найти:
Перейти:  


Powered by phpBB © 2000, 2002, 2005, 2007 phpBB Group
Русская поддержка phpBB
Extended by Karma MOD © 2007—2012 m157y
Extended by Topic Tags MOD © 2012 m157y