Например TDA7294

Форум РадиоКот • Просмотр темы - Всё про операционный усилитель.
Форум РадиоКот
Здесь можно немножко помяукать :)

Текущее время: Пт окт 10, 2025 18:37:58

Часовой пояс: UTC + 3 часа


ПРЯМО СЕЙЧАС:



Начать новую тему Ответить на тему  [ Сообщений: 1581 ]     ... , , , 8, , , ...  
Автор Сообщение
Не в сети
 Заголовок сообщения: Re: Калибровочные входы ОУ
СообщениеДобавлено: Пт мар 21, 2014 14:00:36 
Нашел транзистор. Понюхал.
Аватар пользователя

Зарегистрирован: Пт июн 29, 2012 23:48:11
Сообщений: 175
Рейтинг сообщения: 0
простите меня за глупости, все работает. положительный вход на землю и все нормально калибруется.


Вернуться наверх
 
Не в сети
 Заголовок сообщения: Re: Всё про операционные усилители и компараторы
СообщениеДобавлено: Чт мар 27, 2014 20:10:04 
Опытный кот
Аватар пользователя

Карма: 1
Рейтинг сообщений: 22
Зарегистрирован: Ср ноя 18, 2009 12:50:31
Сообщений: 775
Откуда: ковров
Рейтинг сообщения: 0
Котята, у меня уже что то мозги закипели... никак не соображу что мне надо...
Вобщем задумка такая:
Есть ОУ LM324, куча рассыпухи, питание однополярное 12V;
Надо из этого сделать такое устройство, которое будет напряжение на выходе линейно менять от напряжения на входе:
при напряжении на входе 11 V будет выдавать на выходе 0 V, а при напряжении входа 14,5 V - на выходе 5V. ВНИМАНИЕ: напряжение на входе больше питающего.

_________________
R5VCH
Хотелки:
СпойлерАналоговый осциллограф С1-112, С1-118, другие
не/рабочие модули от комплекса ОДА-102
всё что касается AVR, arduino, raspberry
всё что касается КВ-УКВ-радиосвязи
Деньги webmoney, kivi, сбербанк


Вернуться наверх
 
Не в сети
 Заголовок сообщения: Re: Всё про операционные усилители и компараторы
СообщениеДобавлено: Чт мар 27, 2014 22:19:12 
Опытный кот
Аватар пользователя

Карма: 1
Рейтинг сообщений: 22
Зарегистрирован: Ср ноя 18, 2009 12:50:31
Сообщений: 775
Откуда: ковров
Рейтинг сообщения: 0
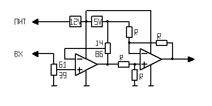
Вроде насоображал что-то... около подстроечных резисторов цифрами указано соотношение сопротивлений в %, резисторы второго каскада все по 10к.
Изображение
В протеусе вроде работает...
Хотелось бы попроще...


Вложения:
10.rar [13.05 KiB]
Скачиваний: 214

_________________
R5VCH
Хотелки:
СпойлерАналоговый осциллограф С1-112, С1-118, другие
не/рабочие модули от комплекса ОДА-102
всё что касается AVR, arduino, raspberry
всё что касается КВ-УКВ-радиосвязи
Деньги webmoney, kivi, сбербанк
Вернуться наверх
 
Не в сети
 Заголовок сообщения: Re: Всё про операционные усилители и компараторы
СообщениеДобавлено: Пт мар 28, 2014 09:35:36 
Друг Кота
Аватар пользователя

Карма: 67
Рейтинг сообщений: 1062
Зарегистрирован: Чт сен 18, 2008 12:27:21
Сообщений: 19856
Откуда: Столица Мира Санкт-Петербург
Рейтинг сообщения: 0
Медали: 1
Получил миской по аватаре (1)
xkp писал(а):
Хотелось бы попроще...

Смотрим схему:
Изображение
Смотрим формулу:
Изображение
Как раз то, что вам надо — вычесть и усилить (V1 будет опорное напряжение, V2 — входное).

_________________
[ Всё дело не столько в вашей глупости, сколько в моей гениальности ] [ Правильно заданный вопрос содержит в себе половину ответа ]
Измерить нннада?


Вернуться наверх
 
Не в сети
 Заголовок сообщения: Re: Всё про операционные усилители и компараторы
СообщениеДобавлено: Пт мар 28, 2014 17:13:04 
Опытный кот
Аватар пользователя

Карма: 1
Рейтинг сообщений: 22
Зарегистрирован: Ср ноя 18, 2009 12:50:31
Сообщений: 775
Откуда: ковров
Рейтинг сообщения: 0
НУ это второй каскад моей схемы. Просто вчера недодумал маленько.
Эм... меня осенило... Все равно у меня же выход с ОУ пойдет на МК... Так сразу на МК программно и сделать все это без ОУ...

_________________
R5VCH
Хотелки:
СпойлерАналоговый осциллограф С1-112, С1-118, другие
не/рабочие модули от комплекса ОДА-102
всё что касается AVR, arduino, raspberry
всё что касается КВ-УКВ-радиосвязи
Деньги webmoney, kivi, сбербанк


Вернуться наверх
 
Не в сети
 Заголовок сообщения: Re: Мелкие вопросы по теории
СообщениеДобавлено: Чт апр 03, 2014 01:12:46 
Первый раз сказал Мяу!

Зарегистрирован: Сб сен 28, 2013 14:33:57
Сообщений: 24
Рейтинг сообщения: 0
Кликабельно:
Изображение

Судя по статье (http://the-livingstone.livejournal.com/204166.html) у меня должна быть полуволна c бОльшим напряжением, а не эта ерунда..


Сюда перенес.
aen


Вернуться наверх
 
Не в сети
 Заголовок сообщения: Re: Мелкие вопросы по теории
СообщениеДобавлено: Чт апр 03, 2014 02:46:06 
Поставщик валерьянки для Кота
Аватар пользователя

Карма: 29
Рейтинг сообщений: 354
Зарегистрирован: Вс июл 11, 2010 14:39:04
Сообщений: 2458
Откуда: Россия.
Рейтинг сообщения: 0
Только там в статье на вход подают напряжение 0,5 мв
А вы сколько подали?


Вернуться наверх
 
Не в сети
 Заголовок сообщения: Re: Мелкие вопросы по теории
СообщениеДобавлено: Чт апр 03, 2014 07:27:53 
Первый раз сказал Мяу!

Зарегистрирован: Сб сен 28, 2013 14:33:57
Сообщений: 24
Рейтинг сообщения: 0
0.5mV :) На картинке написано же :)


Вернуться наверх
 
Не в сети
 Заголовок сообщения: Re: Мелкие вопросы по теории
СообщениеДобавлено: Чт апр 03, 2014 07:45:15 
Друг Кота
Аватар пользователя

Карма: 175
Рейтинг сообщений: 7680
Зарегистрирован: Чт апр 04, 2013 12:46:59
Сообщений: 17234
Откуда: Тюмень
Рейтинг сообщения: 0
В каком месте 5 мВ? 1. Вы неправильно подключили ОУ. 2. Вы запутались в интерпретации ваших же показаний. 3. Упорствуете в п.2

_________________
Общением на форуме подпитываю свою эгоистичную, склонную к самолюбованию сущность.


Вернуться наверх
 
Не в сети
 Заголовок сообщения: Re: Мелкие вопросы по теории
СообщениеДобавлено: Чт апр 03, 2014 08:31:56 
Первый раз сказал Мяу!

Зарегистрирован: Сб сен 28, 2013 14:33:57
Сообщений: 24
Рейтинг сообщения: 0
Прошу прощения за свою глупость :( Но даже если и 0.05В - почему не было полуволны?


Вернуться наверх
 
Не в сети
 Заголовок сообщения: Re: Мелкие вопросы по теории
СообщениеДобавлено: Чт апр 03, 2014 09:39:23 
Друг Кота
Аватар пользователя

Карма: 175
Рейтинг сообщений: 7680
Зарегистрирован: Чт апр 04, 2013 12:46:59
Сообщений: 17234
Откуда: Тюмень
Рейтинг сообщения: 0
См.п.1 - Неправильное включение ОУ.
а) Либо делайте двуполярное питание, либо смещайте входы, чтобы потенциалы на них не выходили за рамки допустимых.
б) Без ООС тоже ничего хорошего не будет - необходимо обеспечить.

_________________
Общением на форуме подпитываю свою эгоистичную, склонную к самолюбованию сущность.


Вернуться наверх
 
Не в сети
 Заголовок сообщения: Re: Мелкие вопросы по теории
СообщениеДобавлено: Чт апр 03, 2014 13:14:04 
Друг Кота
Аватар пользователя

Карма: 67
Рейтинг сообщений: 1062
Зарегистрирован: Чт сен 18, 2008 12:27:21
Сообщений: 19856
Откуда: Столица Мира Санкт-Петербург
Рейтинг сообщения: 0
Медали: 1
Получил миской по аватаре (1)
YND писал(а):
почему такое простое -- и то неправильно работает

Оно более неправильное, чем простое.

_________________
[ Всё дело не столько в вашей глупости, сколько в моей гениальности ] [ Правильно заданный вопрос содержит в себе половину ответа ]
Измерить нннада?


Вернуться наверх
 
Не в сети
 Заголовок сообщения: Re: Все про операционный усилитель.
СообщениеДобавлено: Вт апр 08, 2014 13:48:17 
Родился

Зарегистрирован: Вс июл 29, 2007 23:35:33
Сообщений: 6
Откуда: Сбор
Рейтинг сообщения: 0
добрый день!
я что-то совсем в непонятках. Есть операционник OP467. Подаю двуполярное питание +/- 5В, потребление получается 5 мА. То есть, все как положено. Затем, все неинвертирующие входы замыкаю на землю. Потребление возрастает до 40-50 мА, операционник греется. В чем может быть дело?


Вернуться наверх
 
Не в сети
 Заголовок сообщения: Re: Все про операционный усилитель.
СообщениеДобавлено: Вт апр 08, 2014 14:14:56 
Друг Кота
Аватар пользователя

Карма: 67
Рейтинг сообщений: 1062
Зарегистрирован: Чт сен 18, 2008 12:27:21
Сообщений: 19856
Откуда: Столица Мира Санкт-Петербург
Рейтинг сообщения: 0
Медали: 1
Получил миской по аватаре (1)
Схему в студию.

_________________
[ Всё дело не столько в вашей глупости, сколько в моей гениальности ] [ Правильно заданный вопрос содержит в себе половину ответа ]
Измерить нннада?


Вернуться наверх
 
Не в сети
 Заголовок сообщения: Re: Все про операционный усилитель.
СообщениеДобавлено: Ср апр 09, 2014 03:30:33 
Первый раз сказал Мяу!

Зарегистрирован: Пн ноя 12, 2012 16:04:00
Сообщений: 25
Рейтинг сообщения: 0
Собрал схемку http://radiokot.ru/circuit/power/charger/23/017.gif
Без кренки - сразу 18 вольт с тл494 на питание ОУ. Напряжение гуляет в пределах 18,6 -18,66 В.
Диод+элетролит на выходе тоже убрал - но лучше не стало.

Когда на входе 0 мВ или около 0,5мВ - на выходе ОУ 90 мВ.
Почему не уходит в 0 на выходе? даже если я корочу 180 Ом на массу возле 2 ножки.
Нужно сделать компенсацию ? делителем на втором входе - 3 ножка ?
Нелинейность на токе до 5 А порядка 300мВ. Калибрую на 4,8А подстроечником усиление. Сбрасываю ток до 2А - показывает 1,7.

Реально улучшить показометр?


Вернуться наверх
 
Не в сети
 Заголовок сообщения: Re: Все про операционный усилитель.
СообщениеДобавлено: Ср апр 09, 2014 10:00:28 
Друг Кота
Аватар пользователя

Карма: 67
Рейтинг сообщений: 1062
Зарегистрирован: Чт сен 18, 2008 12:27:21
Сообщений: 19856
Откуда: Столица Мира Санкт-Петербург
Рейтинг сообщения: 0
Медали: 1
Получил миской по аватаре (1)
alexuresp писал(а):
Когда на входе 0 мВ или около 0,5мВ - на выходе ОУ 90 мВ.
Почему не уходит в 0 на выходе? даже если я корочу 180 Ом на массу возле 2 ножки.

Что ж вы хотите при однополярном питании? :)
alexuresp писал(а):
Реально улучшить показометр?

Поробовать добавить отрицательное питание для ОУ.

_________________
[ Всё дело не столько в вашей глупости, сколько в моей гениальности ] [ Правильно заданный вопрос содержит в себе половину ответа ]
Измерить нннада?


Вернуться наверх
 
Не в сети
 Заголовок сообщения: Re: Все про операционный усилитель.
СообщениеДобавлено: Ср апр 09, 2014 10:05:02 
Друг Кота
Аватар пользователя

Карма: 175
Рейтинг сообщений: 7680
Зарегистрирован: Чт апр 04, 2013 12:46:59
Сообщений: 17234
Откуда: Тюмень
Рейтинг сообщения: 0
alexuresp писал(а):
Реально улучшить показометр?
1. ОС забирайте не с выхода ОУ, а с катода диода.
2. С катода диода также киньте хотя бы килоом десять на землю.
3. Возможные оставшиеся пару миливольт компенсировать будет тяжело, т.к. они вызваны напряжением смещения ОУ. Для компенсации этого нужно либо вводить компенсирующие цепи на входе, либо использовать совсем другой ОУ...

_________________
Общением на форуме подпитываю свою эгоистичную, склонную к самолюбованию сущность.


Вернуться наверх
 
Не в сети
 Заголовок сообщения: Re: Все про операционный усилитель.
СообщениеДобавлено: Ср апр 09, 2014 17:22:47 
Первый раз сказал Мяу!

Зарегистрирован: Пн ноя 12, 2012 16:04:00
Сообщений: 25
Рейтинг сообщения: 0
Попробовал предложенные пункты - на точность измерений никак особо не влияет, всегда есть на концах диапазона (1А-5А) разброс -+400мА. На максимальном токе на втором входе ОУ появляется напряжение 4 мВ.
С диодом в нули выгоняется -но там чисто падение на самом диоде, если ОС перенести за диод - теже 100мВ вместо нулей.
Пока свернул эксперимент, как показометр в пределах +-ампер можно применять .


Вернуться наверх
 
Не в сети
 Заголовок сообщения: Re: Все про операционный усилитель.
СообщениеДобавлено: Ср апр 09, 2014 18:27:46 
Друг Кота
Аватар пользователя

Карма: 175
Рейтинг сообщений: 7680
Зарегистрирован: Чт апр 04, 2013 12:46:59
Сообщений: 17234
Откуда: Тюмень
Рейтинг сообщения: 0
там не "чисто" падение на диоде. Процесс сложнее. Ваши остаточные милливольты - следствие некомпенсированного смещения. Нелинейность на этом ОУ с такой схемотехникой - закономерность.

В общем, правьте схему...

_________________
Общением на форуме подпитываю свою эгоистичную, склонную к самолюбованию сущность.


Вернуться наверх
 
Не в сети
 Заголовок сообщения: Re: Все про операционный усилитель.
СообщениеДобавлено: Пт апр 11, 2014 17:52:39 
Родился

Зарегистрирован: Пт мар 21, 2014 10:43:27
Сообщений: 4
Рейтинг сообщения: 0
Здравствуйте!
У меня глупый вопрос :?

Есть ОУ с двуполярным питанием (допустим +15В и -15В). Что будет если подать питание 15В и 0В?


Вернуться наверх
 
Показать сообщения за:  Сортировать по:  Вернуться наверх
Начать новую тему Ответить на тему  [ Сообщений: 1581 ]     ... , , , 8, , , ...  

Часовой пояс: UTC + 3 часа


Кто сейчас на форуме

Сейчас этот форум просматривают: нет зарегистрированных пользователей и гости: 24


Вы не можете начинать темы
Вы не можете отвечать на сообщения
Вы не можете редактировать свои сообщения
Вы не можете удалять свои сообщения
Вы не можете добавлять вложения

Найти:
Перейти:  


Powered by phpBB © 2000, 2002, 2005, 2007 phpBB Group
Русская поддержка phpBB
Extended by Karma MOD © 2007—2012 m157y
Extended by Topic Tags MOD © 2012 m157y