Например TDA7294

Форум РадиоКот • Просмотр темы - Самостоятельное изучение электроники
Форум РадиоКот
Здесь можно немножко помяукать :)

Текущее время: Чт фев 12, 2026 21:23:00

Часовой пояс: UTC + 3 часа


ПРЯМО СЕЙЧАС:



Начать новую тему Эта тема закрыта, Вы не можете редактировать и оставлять сообщения в ней.  [ Сообщений: 1716 ]     ... , , , 80, , , ...  
Автор Сообщение
Не в сети
 Заголовок сообщения: Re: Самостоятельное изучение электроники
СообщениеДобавлено: Пн окт 20, 2025 21:35:34 
Друг Кота

Карма: -48
Рейтинг сообщений: -321
Зарегистрирован: Ср ноя 21, 2018 17:16:52
Сообщений: 3982
Рейтинг сообщения: 0
Что такое индуктивность L1?
Цитата КРАМа, от розетки до заземления хрен знает какое расстояние и провод представляет из себя индуктивность.
Чего там делает С1?
Цитата Николай_С, там где индуктивность там должна быть ёмкость.

_________________
=


Вернуться наверх
 
В сети
 Заголовок сообщения: Re: Самостоятельное изучение электроники
СообщениеДобавлено: Пн окт 20, 2025 21:50:39 
Друг Кота
Аватар пользователя

Карма: 59
Рейтинг сообщений: 695
Зарегистрирован: Вт сен 25, 2012 23:13:41
Сообщений: 5733
Откуда: г.Дзержинск Нижегородской обл.
Рейтинг сообщения: 0
Чего там делает С1?
Цитата Николай_С, там где индуктивность там должна быть ёмкость.
Да, но я же не говорил, что эта ёмкость должна быть включена последовательно с индуктивностью.

_________________
Спасение утопающих дело рук самих утопающих.


Вернуться наверх
 
Не в сети
 Заголовок сообщения: Re: Самостоятельное изучение электроники
СообщениеДобавлено: Пн окт 20, 2025 21:51:57 
Друг Кота

Карма: -48
Рейтинг сообщений: -321
Зарегистрирован: Ср ноя 21, 2018 17:16:52
Сообщений: 3982
Рейтинг сообщения: 0
Да и не говорил что параллельно. Я подкинул монету.

_________________
=


Вернуться наверх
 
В сети
 Заголовок сообщения: Re: Самостоятельное изучение электроники
СообщениеДобавлено: Пн окт 20, 2025 21:54:55 
Друг Кота
Аватар пользователя

Карма: 59
Рейтинг сообщений: 695
Зарегистрирован: Вт сен 25, 2012 23:13:41
Сообщений: 5733
Откуда: г.Дзержинск Нижегородской обл.
Рейтинг сообщения: 0
Почему-то с Угадайкой Вам в последнее время не везёт. :(
Может хватит уже гадать и пора включить голову?

Ладно не будем тянуть кота за хвост и приступим к определению номиналов компонентов схемы.
По нормам СНиП активное сопротивление заземления не должно превышать 4 Ома. Предлагаю взять примерно такую же величину в качестве активного сопротивления потерь шлейфа. Вы не против?
Осталось найти в ТТХ провода, из которого изготовлен шлейф, погонную индуктивность и ёмкость. Если найти не получится, их придётся измерить.

_________________
Спасение утопающих дело рук самих утопающих.


Вернуться наверх
 
Эиком - электронные компоненты и радиодетали
Не в сети
 Заголовок сообщения: Re: Самостоятельное изучение электроники
СообщениеДобавлено: Пн окт 20, 2025 22:06:06 
Друг Кота

Карма: -48
Рейтинг сообщений: -321
Зарегистрирован: Ср ноя 21, 2018 17:16:52
Сообщений: 3982
Рейтинг сообщения: 0
Внимание история.
Сижу значит делаю удлинитель, всё собрал включаю лампу не гори...
Проверил всё прикручено, включаю, не горит...
Твоюж мать обрыв провода где-то внутри...
Беру индикаторную отвёртку, фаза горит...
Ткнул в ноль, горит, глаза вылезли на лоб, как так-то ?
Перва мысль в квартиру заходит две фазы??? Да ну нафиг...
Оказалось провод оборван... Тока щас до меня дошла суть провод длинный, и между ними попёр ёмкотный ток и по этому горела две фазы.
Вопрос а если удлинитель была бы короткой горело бы две фазы?

_________________
=


Последний раз редактировалось Express Пн окт 20, 2025 22:09:43, всего редактировалось 1 раз.

Вернуться наверх
 
В сети
 Заголовок сообщения: Re: Самостоятельное изучение электроники
СообщениеДобавлено: Пн окт 20, 2025 22:09:39 
Друг Кота
Аватар пользователя

Карма: 59
Рейтинг сообщений: 695
Зарегистрирован: Вт сен 25, 2012 23:13:41
Сообщений: 5733
Откуда: г.Дзержинск Нижегородской обл.
Рейтинг сообщения: 0
Вопрос а если переноска была бы короткой горело бы две фазы?
А если бы в этой конструкции использовались три провода (не знаю зачем, но вдруг...), то Вы бы решили, что используете трёхфазную сеть? :)))

На предложенной мной схеме мысленно отключите горизонтальный провод от заземления. А теперь подумайте какая часть схемы останется под фазовым потенциалом.

_________________
Спасение утопающих дело рук самих утопающих.


Вернуться наверх
 
Не в сети
 Заголовок сообщения: Re: Самостоятельное изучение электроники
СообщениеДобавлено: Пн окт 20, 2025 22:13:08 
Друг Кота
Аватар пользователя

Карма: 107
Рейтинг сообщений: 3835
Зарегистрирован: Пн фев 09, 2009 22:19:49
Сообщений: 24974
Откуда: Когда-то был прекрасный город для людей
Рейтинг сообщения: 0
Горело бы. Потому как самая большая ёмкость осталась бы присутствовать...

Поскольку самая большая ёмкость здесь - это ты сам.


Вернуться наверх
 
Не в сети
 Заголовок сообщения: Re: Самостоятельное изучение электроники
СообщениеДобавлено: Пн окт 20, 2025 22:14:18 
Друг Кота

Карма: -48
Рейтинг сообщений: -321
Зарегистрирован: Ср ноя 21, 2018 17:16:52
Сообщений: 3982
Рейтинг сообщения: 0
Тут два варианта...
1. Длинна ни причём ибо один хрен от нуля до заземления дохера расстояния.
2. У удлинителя провода находятся близко а как известно ёмкость зависит от расстояния между пластинами и на коротком бы сработало две фазы.
Какой верный?

_________________
=


Вернуться наверх
 
В сети
 Заголовок сообщения: Re: Самостоятельное изучение электроники
СообщениеДобавлено: Пн окт 20, 2025 22:16:59 
Друг Кота
Аватар пользователя

Карма: 59
Рейтинг сообщений: 695
Зарегистрирован: Вт сен 25, 2012 23:13:41
Сообщений: 5733
Откуда: г.Дзержинск Нижегородской обл.
Рейтинг сообщения: 0
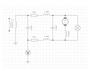
Изображение
Спрошу проще: что покажет вольтметр?

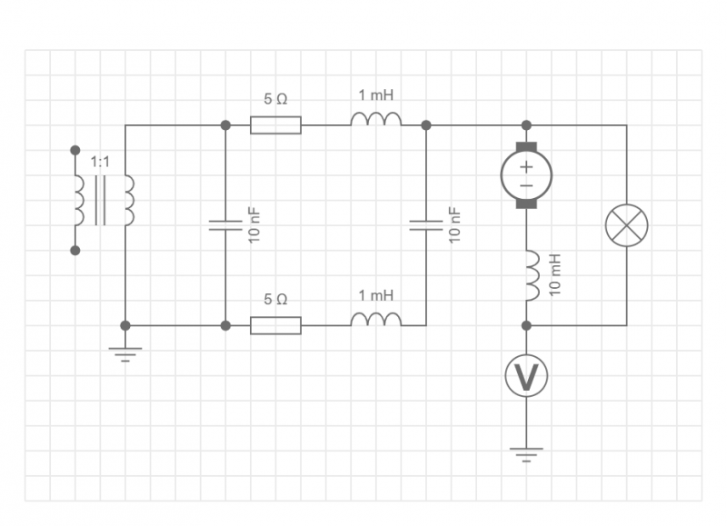
Изображение
А теперь что он покажет?

_________________
Спасение утопающих дело рук самих утопающих.


Вернуться наверх
 
Не в сети
 Заголовок сообщения: Re: Самостоятельное изучение электроники
СообщениеДобавлено: Пн окт 20, 2025 22:23:28 
Друг Кота

Карма: -48
Рейтинг сообщений: -321
Зарегистрирован: Ср ноя 21, 2018 17:16:52
Сообщений: 3982
Рейтинг сообщения: 0
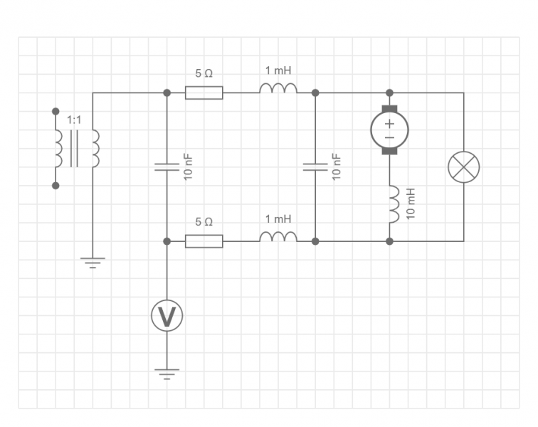
Изображение
Спрошу проще: что покажет вольтметр?


230, через лампу пойдёт ток ибо вольтметр заземлён...

Добавлено after 2 minutes 42 seconds:
Изображение
Спрошу проще: что покажет вольтметр?

Изображение
А теперь что он покажет?


Тоже самое, 10nF слишком большое сопротивления для 50Гц

_________________
=


Вернуться наверх
 
В сети
 Заголовок сообщения: Re: Самостоятельное изучение электроники
СообщениеДобавлено: Пн окт 20, 2025 22:29:33 
Друг Кота
Аватар пользователя

Карма: 59
Рейтинг сообщений: 695
Зарегистрирован: Вт сен 25, 2012 23:13:41
Сообщений: 5733
Откуда: г.Дзержинск Нижегородской обл.
Рейтинг сообщения: 0
Ну вот же! Можете когда хотите.
Теперь вместо вольтметра представьте неоновую лампочку, а вместо заземления своё собственное тело.

_________________
Спасение утопающих дело рук самих утопающих.


Вернуться наверх
 
Не в сети
 Заголовок сообщения: Re: Самостоятельное изучение электроники
СообщениеДобавлено: Пн окт 20, 2025 22:39:09 
Друг Кота

Карма: -48
Рейтинг сообщений: -321
Зарегистрирован: Ср ноя 21, 2018 17:16:52
Сообщений: 3982
Рейтинг сообщения: 0
Это к какому вопросу к удлинителю?

Ток пойдёт, фаза, лампочка, неонка, большое сопротивление ну что зачет большое не настолько что бы не пропускать ток, пол стены ковёр кот рядом дом в целом сваи всё это конденсатор и заземление цепь замкнута и неонка горит... А лампа не горит ибо малый ток...

Но это всё фигня возваращаемся к вопросу синфаза, пока не понятно откуда в розетке одинаковый потенциал???

_________________
=


Вернуться наверх
 
В сети
 Заголовок сообщения: Re: Самостоятельное изучение электроники
СообщениеДобавлено: Пн окт 20, 2025 23:07:37 
Друг Кота
Аватар пользователя

Карма: 59
Рейтинг сообщений: 695
Зарегистрирован: Вт сен 25, 2012 23:13:41
Сообщений: 5733
Откуда: г.Дзержинск Нижегородской обл.
Рейтинг сообщения: 0
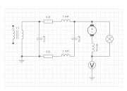
Не-е-ет, отвлекаться не будем, возвращаемся к нашей схеме со шлейфом питания.
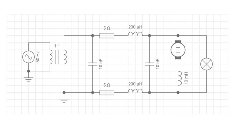
Пока Вы там раздумывали над неонкой, я нашёл ТТХ осветительного кабеля Провод ШВВП 2х2,5. Ну как нашел... Нашёл где их можно посчитать. Он-лайн калькуляторы ёмкости и индуктивности. Для простоты расчётов предположим, что длина нашего шлейфа 100 метров.
Теперь наша схема с реальными номиналами будет выглядеть вот так:
Изображение

А посчитайте-ка нам какое напряжение будет на лампочке (это наша нагрузка, включённая в розетку) с НЕ включённым соседским перфоратором.

_________________
Спасение утопающих дело рук самих утопающих.


Вернуться наверх
 
Не в сети
 Заголовок сообщения: Re: Самостоятельное изучение электроники
СообщениеДобавлено: Пн окт 20, 2025 23:12:32 
Друг Кота

Карма: -48
Рейтинг сообщений: -321
Зарегистрирован: Ср ноя 21, 2018 17:16:52
Сообщений: 3982
Рейтинг сообщения: 0
5 ом ерунда практически ни чо там не упадёт, вялотекущие 50гц практически как постоянка а она легко пролетает через индуктивность, да тоже самое 230 и будут...

_________________
=


Вернуться наверх
 
В сети
 Заголовок сообщения: Re: Самостоятельное изучение электроники
СообщениеДобавлено: Пн окт 20, 2025 23:47:14 
Друг Кота
Аватар пользователя

Карма: 59
Рейтинг сообщений: 695
Зарегистрирован: Вт сен 25, 2012 23:13:41
Сообщений: 5733
Откуда: г.Дзержинск Нижегородской обл.
Рейтинг сообщения: 0
Ну, не совсем. Потом, мне нужны не рассуждения, а рабочая методика расчётов. Потому что следующим этапом мы включим перфоратор.

Добавлено after 28 minutes 33 seconds:
А чего мы приуныли? Забыли о существовании симуляторов?
Ладно, чтобы не затягивать время ещё разок выручу Вас и дам ссылку на эту схему в симуляторе EveryCircuit. Он работает во всех современных браузерах.
Ну и как Вам осциллограммы? Правда ведь красиво смотрятся после включения перфоратора?

_________________
Спасение утопающих дело рук самих утопающих.


Вернуться наверх
 
Не в сети
 Заголовок сообщения: Re: Самостоятельное изучение электроники
СообщениеДобавлено: Вт окт 21, 2025 00:20:19 
Друг Кота

Карма: -48
Рейтинг сообщений: -321
Зарегистрирован: Ср ноя 21, 2018 17:16:52
Сообщений: 3982
Рейтинг сообщения: 0
200мкГ при 50Гц 75 Ом

75+5+880 =960

230/960=0,2

5*0,2 =1
75*0,2=15
880*0,2=176

Итого 192????
Где косячу?

Добавлено after 3 minutes 53 seconds:
Я тут в напряге щитаю а там уже перфоратор!?

Добавлено after 3 minutes:
Стоп, я ваще не понял механики сего действия????

Добавлено after 16 minutes 16 seconds:
Откуда там генератор взялся?

Добавлено after 1 minute 8 seconds:
И вообще почему лампочка моргает, почему частота упала?

Добавлено after 1 minute 42 seconds:
Красиво то красиво но нифига непонятно...

_________________
=


Вернуться наверх
 
Не в сети
 Заголовок сообщения: Re: Самостоятельное изучение электроники
СообщениеДобавлено: Вт окт 21, 2025 06:14:54 
Собутыльник Кота
Аватар пользователя

Карма: -19
Рейтинг сообщений: -171
Зарегистрирован: Пт янв 03, 2025 16:26:44
Сообщений: 2690
Рейтинг сообщения: 0
Если вправду как писали 10 или уже 15 страниц что обсуждается? Не слежу, уже нить потерял. Как синфвзный дроссель работает? И для того навороченная схема? Так я проще приводил.
Вложение:
100.jpg [12.68 KiB]
Скачиваний: 47

И чтобы не возиться с тем, что один провод фаза а другой 0, считайте что введены 2 фазы 380 В для симметрии, а условный 0 сам собой образуется.

Там правда начала/концы обмоток не обозначены, так это задачка на общее развитие.

_________________
Нет смысла перечислять игнорируемых, пускай догадываются сами по отсутствию ответов. Да и не по фэнь-шую называть их недоброжелателями, это просто глупые люди, число которых, увы, растет.


Вернуться наверх
 
Не в сети
 Заголовок сообщения: Re: Самостоятельное изучение электроники
СообщениеДобавлено: Вт окт 21, 2025 07:45:21 
Друг Кота

Карма: -48
Рейтинг сообщений: -321
Зарегистрирован: Ср ноя 21, 2018 17:16:52
Сообщений: 3982
Рейтинг сообщения: 0
Нифига так не понятно, отодвигаем в сторону схему...
На повестке дня два вопроса.
1. Почему конденсатор заряжается до 312в
2. С чего у него полярность меняется.

В розетку втыкам активную нагрузку резистор, чайник...
Чо говорит теория.
В розетке мгновенное значение напряжения 312в в следствии тепловых потерь через нагрузку оно падает до 220
Формулировка конечно та ещё кривая и непонятная капец.
Терь конденсатор внутри у него диэлектрик чтобы поляризовать диэлектрик на это тратится энергия, этож и есть тепловые потери почему не до 220 заряжается?

_________________
=


Вернуться наверх
 
Не в сети
 Заголовок сообщения: Re: Самостоятельное изучение электроники
СообщениеДобавлено: Вт окт 21, 2025 07:56:12 
Собутыльник Кота
Аватар пользователя

Карма: -19
Рейтинг сообщений: -171
Зарегистрирован: Пт янв 03, 2025 16:26:44
Сообщений: 2690
Рейтинг сообщения: -7
Терь конденсатор внутри у него диэлектрик чтобы поляризовать диэлектрик на это тратится энергия, этож и есть тепловые потери почему не до 220 заряжается?

Энергия не тратится она накапливается, хранится вечно в идеальном конденсаторе

никакое тепло при заряде не выделяется

выделяется при разряде на резистор

при разряде на индуктивность рассеивается в пространстве в виде электромагнитных волн, при наличии антенны

без антенны вечно перекачивается между катушкой и конденсатором, но узнать про то нельзя, наблюдение есть процесс потребления энергии

почему не до 220 спроси у Алисы, поди знает, и ссылки даст на графики
по секрету скажу что без конденсатора на выходе может быть и 99 В

_________________
Нет смысла перечислять игнорируемых, пускай догадываются сами по отсутствию ответов. Да и не по фэнь-шую называть их недоброжелателями, это просто глупые люди, число которых, увы, растет.


Вернуться наверх
 
Не в сети
 Заголовок сообщения: Re: Самостоятельное изучение электроники
СообщениеДобавлено: Вт окт 21, 2025 08:09:10 
Друг Кота

Карма: -48
Рейтинг сообщений: -321
Зарегистрирован: Ср ноя 21, 2018 17:16:52
Сообщений: 3982
Рейтинг сообщения: 0
Ещё раз повторяю вопрос, что бы оттянуть электрон от ядра, электрону над сообщить энергию что бы он перепрыгнул на следующую орбиту так появляться поляризация разность потенциалов между ядром и электронном...

Аналоги, растяним резинку телу прёдля затратить энергию в калориях что бы преодолеть сопротивление резинки...

Так понятней звучит?

_________________
=


Вернуться наверх
 
Показать сообщения за:  Сортировать по:  Вернуться наверх
Начать новую тему Эта тема закрыта, Вы не можете редактировать и оставлять сообщения в ней.  [ Сообщений: 1716 ]     ... , , , 80, , , ...  

Часовой пояс: UTC + 3 часа


Кто сейчас на форуме

Сейчас этот форум просматривают: нет зарегистрированных пользователей и гости: 25


Вы не можете начинать темы
Вы не можете отвечать на сообщения
Вы не можете редактировать свои сообщения
Вы не можете удалять свои сообщения
Вы не можете добавлять вложения

Найти:
Перейти:  


Powered by phpBB © 2000, 2002, 2005, 2007 phpBB Group
Русская поддержка phpBB
Extended by Karma MOD © 2007—2012 m157y
Extended by Topic Tags MOD © 2012 m157y