Например TDA7294

Форум РадиоКот • Просмотр темы - Самостоятельное изучение электроники
Форум РадиоКот
Здесь можно немножко помяукать :)

Текущее время: Вт янв 27, 2026 15:29:22

Часовой пояс: UTC + 3 часа


ПРЯМО СЕЙЧАС:



Начать новую тему Эта тема закрыта, Вы не можете редактировать и оставлять сообщения в ней.  [ Сообщений: 1716 ]     ... , , , 84, ,  
Автор Сообщение
Не в сети
 Заголовок сообщения: Re: Самостоятельное изучение электроники
СообщениеДобавлено: Вт окт 21, 2025 18:03:22 
Друг Кота
Аватар пользователя

Карма: 116
Рейтинг сообщений: 4518
Зарегистрирован: Пт мар 30, 2012 05:17:29
Сообщений: 16164
Откуда: Екатеринбург
Рейтинг сообщения: 0
А девочек-блогеров, собирающих миллионы, и у нас полно. Взять к примеру техноблогера Наташку+: и умница, и симпатичная
Кто, Наташка??? Да ну нафиг.

_________________
И хрюкотали зелюки,
Как мюмзики в мове.


Вернуться наверх
 
Не в сети
 Заголовок сообщения: Re: Самостоятельное изучение электроники
СообщениеДобавлено: Вт окт 21, 2025 18:12:26 
Друг Кота
Аватар пользователя

Карма: 107
Рейтинг сообщений: 3816
Зарегистрирован: Пн фев 09, 2009 22:19:49
Сообщений: 24714
Откуда: Когда-то был прекрасный город для людей
Рейтинг сообщения: 0
Ни черта вы объяснять не умеете... Все издалека, из электричества...
А синфазность она вокруг нас везде.
Вот например, украл кот рыбу, со стола прыгает, а тут ему пендель как раз ещё и ускорение придает... Вот это и полетит, в совпадающей фазе !


Вернуться наверх
 
Не в сети
 Заголовок сообщения: Re: Самостоятельное изучение электроники
СообщениеДобавлено: Вт окт 21, 2025 18:34:03 
Друг Кота
Аватар пользователя

Карма: 59
Рейтинг сообщений: 686
Зарегистрирован: Вт сен 25, 2012 23:13:41
Сообщений: 5565
Откуда: г.Дзержинск Нижегородской обл.
Рейтинг сообщения: 0
Кто, Наташка??? Да ну нафиг.
Всё познаётся в сравнении. Кому не нравится Наташка+, тот смотрит Инстасамку. Лично я смотрю Полигон-98. Наташка вряд-ли когда-нибудь купит МАЗ-537 и полезет его ремонтировать. А из девушек смотрю Непоходницу.

_________________
Спасение утопающих дело рук самих утопающих.


Вернуться наверх
 
Не в сети
 Заголовок сообщения: Re: Самостоятельное изучение электроники
СообщениеДобавлено: Вт окт 21, 2025 19:26:44 
Друг Кота
Аватар пользователя

Карма: 116
Рейтинг сообщений: 4518
Зарегистрирован: Пт мар 30, 2012 05:17:29
Сообщений: 16164
Откуда: Екатеринбург
Рейтинг сообщения: 0
Инстасамка - да ну её в жопу. Непоходница неплоха, когда накрашена, а так - ну сойдёт... Хотя свои путешествия показывает интересно. Что за Полигон-98, я не знаю.

_________________
И хрюкотали зелюки,
Как мюмзики в мове.


Вернуться наверх
 
Эиком - электронные компоненты и радиодетали
Не в сети
 Заголовок сообщения: Re: Самостоятельное изучение электроники
СообщениеДобавлено: Вт окт 21, 2025 19:38:01 
Друг Кота
Аватар пользователя

Карма: 26
Рейтинг сообщений: 831
Зарегистрирован: Сб янв 28, 2006 22:47:24
Сообщений: 5842
Рейтинг сообщения: 0
Наташка, Инстасамка, Непоходница... Я же говорю - ну ее нафик эту лектронику, лучше в общагу с сумкой портвейна.

Express, мотай на ус и действуй пока годы позволяют. Потом поздно будет.

_________________
Астролябия-сама меряет, было бы что мерять!!!


Вернуться наверх
 
Не в сети
 Заголовок сообщения: Re: Самостоятельное изучение электроники
СообщениеДобавлено: Вт окт 21, 2025 21:12:12 
Друг Кота

Карма: -48
Рейтинг сообщений: -321
Зарегистрирован: Ср ноя 21, 2018 17:16:52
Сообщений: 3982
Рейтинг сообщения: 0
Ну чо вы истерику то закатили? Всё нормально...
Никаких конских дифференциальных уравнений не надо.
Всопинаем вышку, львиную долю дифф. уравнений математики переришали и привели к элементарной математике...

Вколачиваем в нашу схему примерные значения не нарушающих принципов и логики и фсё...

Сдвинулись мы точно знаем когда конденсатор зарядится а зарядится он на малую величину ну условно скажим на 10в ну хрен с ним 31в десятая часть, ибо ёмкость для 50гц мала...

И будет чо, на фазе 311 на нуле 31 и на конденсаторе 31 ?

С этим все согласны?

_________________
=


Вернуться наверх
 
Не в сети
 Заголовок сообщения: Re: Самостоятельное изучение электроники
СообщениеДобавлено: Ср окт 22, 2025 11:51:56 
Друг Кота
Аватар пользователя

Карма: 59
Рейтинг сообщений: 686
Зарегистрирован: Вт сен 25, 2012 23:13:41
Сообщений: 5565
Откуда: г.Дзержинск Нижегородской обл.
Рейтинг сообщения: 0
... и тишина повисла в воздухе...

_________________
Спасение утопающих дело рук самих утопающих.


Вернуться наверх
 
Не в сети
 Заголовок сообщения: Re: Самостоятельное изучение электроники
СообщениеДобавлено: Ср окт 22, 2025 12:00:53 
Собутыльник Кота
Аватар пользователя

Карма: -19
Рейтинг сообщений: -171
Зарегистрирован: Пт янв 03, 2025 16:26:44
Сообщений: 2690
Рейтинг сообщения: 0
... и тишина повисла в воздухе...

нарушу тишину, точно ведь за интегралами и решением дифуров в справочники лезем
Численно любой интеграл в экселе, я кста спец. программ не лю, эксель универсальнее если надо разово что исследовать, больше понимания чем получить готовый результат

чего к парню привязались, что неправильно амплитуду 220 В написал, это у него корень из 2 равен 1,42. Он его экспериментально нашел, построил треугольник и линейкой гипотенузу и катет измерил. Ошибка меньше 1%, чисто инженерное решение. Математики древности так число пи находили, тоже обмером диаметра и окружности бочки, и все сходилось целую 1000 лет.

_________________
Нет смысла перечислять игнорируемых, пускай догадываются сами по отсутствию ответов. Да и не по фэнь-шую называть их недоброжелателями, это просто глупые люди, число которых, увы, растет.


Вернуться наверх
 
Не в сети
 Заголовок сообщения: Re: Самостоятельное изучение электроники
СообщениеДобавлено: Ср окт 22, 2025 12:18:32 
Друг Кота
Аватар пользователя

Карма: 59
Рейтинг сообщений: 686
Зарегистрирован: Вт сен 25, 2012 23:13:41
Сообщений: 5565
Откуда: г.Дзержинск Нижегородской обл.
Рейтинг сообщения: 0
Coyote2025, Express, как справедливо заметил Муркиз, сложные физические формулы нужно понимать и уметь применять. При чем, никто не предлагает пользоваться этими формулами для расчётов - для этого теперь есть компьютер - ими пользуются инженеры для понимания сути взаимодействия физических величин.

Например, Вы устроились на работу к техноблогеру, который испытывает автомобили. Он вам ставит задачу: вдвое сократить время разгона автомобиля на определённом отрезке пути. Во сколько раз нужно увеличить мощность двигателя? Давайте прикинем. Из школьного курса Физики все помнят формулу:
a = S / (t^2)
Если считать, что ускорение разгона пропорционально связано с мощностью двигателя, то придётся её увеличить в 4 раза. А если бы понадобилось втрое сократить время разгона, то в 9 раз и т.д. - зависимость ведь квадратичная.

Именно поэтому предлагаю не заниматься расчётами напряжения на конденсаторе, а уловить суть взаимодействия его ёмкости с частотой среза фильтра, куда он установлен. Coyote2025, теперь Ваш выход.

_________________
Спасение утопающих дело рук самих утопающих.


Последний раз редактировалось Николай_С Ср окт 22, 2025 12:20:29, всего редактировалось 1 раз.

Вернуться наверх
 
Не в сети
 Заголовок сообщения: Re: Самостоятельное изучение электроники
СообщениеДобавлено: Ср окт 22, 2025 12:18:48 
Друг Кота

Карма: -48
Рейтинг сообщений: -321
Зарегистрирован: Ср ноя 21, 2018 17:16:52
Сообщений: 3982
Рейтинг сообщения: 0
Вопрс есть ответа нет...

_________________
=


Вернуться наверх
 
Не в сети
 Заголовок сообщения: Re: Самостоятельное изучение электроники
СообщениеДобавлено: Ср окт 22, 2025 12:27:19 
Собутыльник Кота
Аватар пользователя

Карма: -19
Рейтинг сообщений: -171
Зарегистрирован: Пт янв 03, 2025 16:26:44
Сообщений: 2690
Рейтинг сообщения: 0
На какую-то хрень дядя предлагает ответить. Ты мне кто, егешник?
Речь и шла о качественном понимании формул при отсутствии явных аналитических способностей. От мну что требуется, помедитировать на тему прямой и обратной пропорциональности? А еще степенной, и переходу от линейного к лог. отображению? Все есть в уроках, на уровне понимания.

Ты явно не своим делом занялся. А я чужими никогда и не занимался.

_________________
Нет смысла перечислять игнорируемых, пускай догадываются сами по отсутствию ответов. Да и не по фэнь-шую называть их недоброжелателями, это просто глупые люди, число которых, увы, растет.


Вернуться наверх
 
Не в сети
 Заголовок сообщения: Re: Самостоятельное изучение электроники
СообщениеДобавлено: Ср окт 22, 2025 12:44:56 
Друг Кота
Аватар пользователя

Карма: 59
Рейтинг сообщений: 686
Зарегистрирован: Вт сен 25, 2012 23:13:41
Сообщений: 5565
Откуда: г.Дзержинск Нижегородской обл.
Рейтинг сообщения: 1
Все есть в уроках, на уровне понимания. Ты явно не своим делом занялся. А я чужими никогда и не занимался.
Вот мы сейчас это и выясним: сможет ли Coyote2025 по своим курсам (или без них) объяснить ученику с клиповым мышлением (для коих и предназначался курс) то, что он просит.

Заварил кофейку и насыпал попкорн. Жду... :tea:

Добавлено after 7 minutes 46 seconds:
Чет ничего не происходит. Coyote2025, похоже ученик не собирается читать Ваш курс. (Что и не удивительно.) С этим нужно что-то делать. Может песенку спеть или сплясать? А лучше снять видосик. Молодёжь теперь по риалсам тащится. :)

_________________
Спасение утопающих дело рук самих утопающих.


Последний раз редактировалось Николай_С Ср окт 22, 2025 12:48:28, всего редактировалось 1 раз.

Вернуться наверх
 
Не в сети
 Заголовок сообщения: Re: Самостоятельное изучение электроники
СообщениеДобавлено: Ср окт 22, 2025 12:48:06 
Друг Кота

Карма: -48
Рейтинг сообщений: -321
Зарегистрирован: Ср ноя 21, 2018 17:16:52
Сообщений: 3982
Рейтинг сообщения: 0
Бляяя...
Мы выесняем суть а не точные инженерные расчёты с применением вышки...
Об чом говорить то что конденсатор зарядился на десять процентов?
Об том что на данной частоте он имеет большое сопротивление, фсё этого достаточно это и есть суть.
Я понятно объяснил суть?
Ещё раз повторяю вопрос...

на фазе 311 на нуле 31 и на конденсаторе 31 ?

Это так?

_________________
=


Вернуться наверх
 
Не в сети
 Заголовок сообщения: Re: Самостоятельное изучение электроники
СообщениеДобавлено: Ср окт 22, 2025 12:55:21 
Друг Кота
Аватар пользователя

Карма: 59
Рейтинг сообщений: 686
Зарегистрирован: Вт сен 25, 2012 23:13:41
Сообщений: 5565
Откуда: г.Дзержинск Нижегородской обл.
Рейтинг сообщения: 0
Об чом говорить то что конденсатор зарядился на десять процентов?
Об том что на данной частоте он имеет большое сопротивление, фсё этого достаточно это и есть суть.
Я понятно объяснил суть?
Вообще-то непонятно. Пока Coyote2025 собирается с мыслями, постарайтесь объяснить каким образом напряжение до которого зарядился конденсатор связано с частотой среза фильтра, где он установлен.
Или Вам это нужно знать для чего-то другого? Расскажите поподробней для чего именно. Тогда, быть может, мы проникнемся вашей идеей.

_________________
Спасение утопающих дело рук самих утопающих.


Вернуться наверх
 
Не в сети
 Заголовок сообщения: Re: Самостоятельное изучение электроники
СообщениеДобавлено: Ср окт 22, 2025 13:04:16 
Друг Кота

Карма: -48
Рейтинг сообщений: -321
Зарегистрирован: Ср ноя 21, 2018 17:16:52
Сообщений: 3982
Рейтинг сообщения: 0
Об чом говорить то что конденсатор зарядился на десять процентов?
Об том что на данной частоте он имеет большое сопротивление, фсё этого достаточно это и есть суть.
Я понятно объяснил суть?
Вообще-то непонятно. Пока Coyote2025 собирается с мыслями, постарайтесь объяснить каким образом напряжение до которого зарядился конденсатор связано с частотой среза фильтра, где он установлен.


Имеем схему розетка, параллельно конденсатор, параллельно лампа.

расчлени синусоиду на десять частей.

Теперь говорим конденсатор зарядился на десять процентов лампа не горит..
А теперь говорим конденсатор зарядился на 67 процентов лампа горит..

В первом пункте КЗ бля весь ток шуршит через конденсатор лампе нихрена не достаётся, пааанятно???

_________________
=


Вернуться наверх
 
Не в сети
 Заголовок сообщения: Re: Самостоятельное изучение электроники
СообщениеДобавлено: Ср окт 22, 2025 13:15:19 
Друг Кота
Аватар пользователя

Карма: 59
Рейтинг сообщений: 686
Зарегистрирован: Вт сен 25, 2012 23:13:41
Сообщений: 5565
Откуда: г.Дзержинск Нижегородской обл.
Рейтинг сообщения: 0
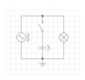
Ну вот же совсем другое дело! Давно бы так.

Перевожу с програмистского языка на технический:
Имеется принципиальная схема:
Изображение

А вот симуляция её работы. Изучайте.

Добавлено after 1 minute 5 seconds:
Только объясните мне потом чего кому не достаётся и почему оно не горит.

_________________
Спасение утопающих дело рук самих утопающих.


Вернуться наверх
 
Не в сети
 Заголовок сообщения: Re: Самостоятельное изучение электроники
СообщениеДобавлено: Ср окт 22, 2025 13:19:38 
Собутыльник Кота
Аватар пользователя

Карма: -19
Рейтинг сообщений: -171
Зарегистрирован: Пт янв 03, 2025 16:26:44
Сообщений: 2690
Рейтинг сообщения: 0
Таращился так и не понял, что в схеме лишнее, конденсатор или лампа.
Николай, на хрена тебе этот базар?

_________________
Нет смысла перечислять игнорируемых, пускай догадываются сами по отсутствию ответов. Да и не по фэнь-шую называть их недоброжелателями, это просто глупые люди, число которых, увы, растет.


Вернуться наверх
 
Не в сети
 Заголовок сообщения: Re: Самостоятельное изучение электроники
СообщениеДобавлено: Ср окт 22, 2025 13:24:08 
Друг Кота

Карма: -48
Рейтинг сообщений: -321
Зарегистрирован: Ср ноя 21, 2018 17:16:52
Сообщений: 3982
Рейтинг сообщения: 0
Изучил уже при 1мФ ток весь ломится через кондёр...

Изображение

_________________
=


Вернуться наверх
 
Не в сети
 Заголовок сообщения: Re: Самостоятельное изучение электроники
СообщениеДобавлено: Ср окт 22, 2025 13:26:47 
Друг Кота
Аватар пользователя

Карма: 59
Рейтинг сообщений: 686
Зарегистрирован: Вт сен 25, 2012 23:13:41
Сообщений: 5565
Откуда: г.Дзержинск Нижегородской обл.
Рейтинг сообщения: 0
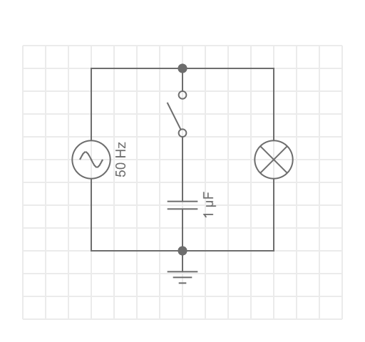
Глупости!

Для удобства пользования немного усложним схему:
Изображение

А теперь пощёлкаем выключателем и поглядим меняется ли что-нибудь на лампе.
Ничего не меняется. Во засада!!!

Coyote2025, пытаюсь понять как в современных реалиях передать свои знания молодёжи.

_________________
Спасение утопающих дело рук самих утопающих.


Вернуться наверх
 
Не в сети
 Заголовок сообщения: Re: Самостоятельное изучение электроники
СообщениеДобавлено: Ср окт 22, 2025 13:31:57 
Друг Кота

Карма: -48
Рейтинг сообщений: -321
Зарегистрирован: Ср ноя 21, 2018 17:16:52
Сообщений: 3982
Рейтинг сообщения: 0
Яж уже объяснил весь ток ломится через конденсатор лампа не горит

Добавлено after 2 minutes 44 seconds:
Выключатель!?

Добавлено after 54 seconds:
А если один Фарад поставить?

_________________
=


Вернуться наверх
 
Показать сообщения за:  Сортировать по:  Вернуться наверх
Начать новую тему Эта тема закрыта, Вы не можете редактировать и оставлять сообщения в ней.  [ Сообщений: 1716 ]     ... , , , 84, ,  

Часовой пояс: UTC + 3 часа


Кто сейчас на форуме

Сейчас этот форум просматривают: нет зарегистрированных пользователей и гости: 29


Вы не можете начинать темы
Вы не можете отвечать на сообщения
Вы не можете редактировать свои сообщения
Вы не можете удалять свои сообщения
Вы не можете добавлять вложения

Найти:
Перейти:  


Powered by phpBB © 2000, 2002, 2005, 2007 phpBB Group
Русская поддержка phpBB
Extended by Karma MOD © 2007—2012 m157y
Extended by Topic Tags MOD © 2012 m157y