Например TDA7294

Форум РадиоКот • Просмотр темы - Варикап кв109
Форум РадиоКот
Здесь можно немножко помяукать :)

Текущее время: Ср мар 18, 2026 02:00:40

Часовой пояс: UTC + 3 часа


ПРЯМО СЕЙЧАС:



Начать новую тему Ответить на тему  [ Сообщений: 372 ]     ... , , , 12, , , ...  
Автор Сообщение
 Заголовок сообщения: Re: Варикап кв109
СообщениеДобавлено: Вс ноя 30, 2025 22:42:07 
Нашел транзистор. Понюхал.

Зарегистрирован: Ср апр 17, 2024 20:24:19
Сообщений: 196
Откуда: Курская область,
Рейтинг сообщения: 0
нашел у себя обломок платы магнитолы на TA7358P и LA1260 запустил в режиме укв работает, но хуже чем TA2003 Решил пересобрать на новой плате и поэксперементировать. После удаления не относящегося к УКВ получилась такая схема, но не знаю правильно ли удалил и будет ли LA1260 в таком виде работать?

Изображение


Вложения:
Безымянныйййй.jpg [62.28 KiB]
Скачиваний: 83
Вернуться наверх
 
 Заголовок сообщения: Re: Варикап кв109
СообщениеДобавлено: Пт дек 05, 2025 21:21:35 
Нашел транзистор. Понюхал.

Зарегистрирован: Ср апр 17, 2024 20:24:19
Сообщений: 196
Откуда: Курская область,
Рейтинг сообщения: 0
Изображение
делать буду по этой схеме


Вложения:
7335.JPG [125.6 KiB]
Скачиваний: 79


Последний раз редактировалось Александр 62 Сб дек 06, 2025 12:35:48, всего редактировалось 1 раз.
Вернуться наверх
 
 Заголовок сообщения: Re: Варикап кв109
СообщениеДобавлено: Пт дек 05, 2025 22:42:11 
Друг Кота
Аватар пользователя

Карма: 26
Рейтинг сообщений: 839
Зарегистрирован: Сб янв 28, 2006 22:47:24
Сообщений: 6021
Рейтинг сообщения: 1
Смущает колебательный контур преселектора. Боюсь, при таком включении добротность его окажется настолько низкой, что его как будто и не будет вовсе. Полоса пропускания растянется от единиц МГц до сотен, и никакого толку от него кроме потерь не будет. Подобрать бы отводы от катушечки L1 на базу транзистора УВЧ.

_________________
Астролябия-сама меряет, было бы что мерять!!!


Вернуться наверх
 
 Заголовок сообщения: Re: Варикап кв109
СообщениеДобавлено: Сб дек 06, 2025 11:37:57 
Нашел транзистор. Понюхал.

Зарегистрирован: Ср апр 17, 2024 20:24:19
Сообщений: 196
Откуда: Курская область,
Рейтинг сообщения: 0
Подобрать бы отводы от катушечки L1 на базу транзистора УВЧ.


Изображение

Я правильно понял?


Вернуться наверх
 
Эиком - электронные компоненты и радиодетали
 Заголовок сообщения: Re: Варикап кв109
СообщениеДобавлено: Сб дек 06, 2025 12:59:00 
Друг Кота
Аватар пользователя

Карма: 26
Рейтинг сообщений: 839
Зарегистрирован: Сб янв 28, 2006 22:47:24
Сообщений: 6021
Рейтинг сообщения: 1
Да, можно и так. Но конденсаторы C37, C36 надо будет подбирать по максимальному уровню сигнала на выходе УВЧ. Подобрать нужное соотношение, при том сохраняя общую емкость необходимую для резонанса на частоте 98 МГц.

Сам я зачищал от эмали "дорожку" на витках катушки, и по ней гонял отвод к базе транзистора находя нужное положение.

_________________
Астролябия-сама меряет, было бы что мерять!!!


Вернуться наверх
 
 Заголовок сообщения: Re: Варикап кв109
СообщениеДобавлено: Сб дек 06, 2025 14:03:33 
Друг Кота

Карма: 1
Рейтинг сообщений: 91
Зарегистрирован: Вт мар 13, 2012 12:16:13
Сообщений: 9048
Откуда: .ru
Рейтинг сообщения: 1
1.
в нормальных приёмниках питание на все блоки подаётся через фильтры по питанию...
УВЧ... смеситель... УПЧ... детектор...
2.
питание на варикапы надо подавать через фильтр...
3.
АПЧ нужна... без неё плохо будет... надо будет постоянно подстраивать приёмник точно...
и пре переключении станций без АПЧ дополнительные шумы...
4.
на варикапы обычно тоже ставят резисторы 100 кОм.
5.
а УВЧ с общей базой работает всё таки лучше (чувствительность максимальная).
да... при полном включении контура полоса пропускания шире...
но обычно на частотах 88...108 мгц помех мало... поэтому широкая полоса обычно не критично))

Изображение

но в целом работать будет))
:tea:
у меня один фильтр и из-за этого слышно мощные станции за полосой пропускания фильтра...
да... с двумя фильтрами однозначно лучше... просто у меня щас нет второго фильтра... надо ещё что-нить разобрать на деталльки))
:tea:


Вложения:
1.jpg [33.24 KiB]
Скачиваний: 324
Вернуться наверх
 
 Заголовок сообщения: Re: Варикап кв109
СообщениеДобавлено: Сб дек 06, 2025 14:58:41 
Друг Кота
Аватар пользователя

Карма: 26
Рейтинг сообщений: 839
Зарегистрирован: Сб янв 28, 2006 22:47:24
Сообщений: 6021
Рейтинг сообщения: 0
да... при полном включении контура полоса пропускания шире...
но обычно на частотах 88...108 мгц помех мало... поэтому широкая полоса обычно не критично))

Полное включение контура оправдано при подключении к входам однокрисстальных тюнеров с входным импедансом 200-300 Ом. Там как раз получается нужная полоса пропускания приблизительно 88-108 по уровню 0,7. У УВЧ на одном транзисторе с ОЭ входной импеданс получается что-то около 20-40 Ом. Задушенный таким низким сопротивлением контур вовсе не будет выполнять своих функций, резонанс будет невнятный при полосе пропускания (если ее можно будет так назвать) под сотню мегагерц.

_________________
Астролябия-сама меряет, было бы что мерять!!!


Вернуться наверх
 
 Заголовок сообщения: Re: Варикап кв109
СообщениеДобавлено: Сб дек 06, 2025 15:13:37 
Встал на лапы
Аватар пользователя

Карма: 2
Рейтинг сообщений: 19
Зарегистрирован: Пт авг 15, 2025 08:28:19
Сообщений: 124
Рейтинг сообщения: 0
У УВЧ на одном транзисторе с ОЭ входной импеданс получается что-то около 20-40 Ом

Поделитесь методом рассчёта.
Тут https://vpayaem.ru/inf_transistor_oe.html выходит много больше.


Вернуться наверх
 
 Заголовок сообщения: Re: Варикап кв109
СообщениеДобавлено: Сб дек 06, 2025 15:18:18 
Друг Кота
Аватар пользователя

Карма: 26
Рейтинг сообщений: 839
Зарегистрирован: Сб янв 28, 2006 22:47:24
Сообщений: 6021
Рейтинг сообщения: 0
Я не считал, на макетах оценивал методом замещения усилителя резисторами.

Если же желаете посчитать, считать нужно в чем-то вроде AWR Microwave Office, с учетом всех паразитных составляющих. А не в калькуляторе для режимов по постоянному току.

_________________
Астролябия-сама меряет, было бы что мерять!!!


Вернуться наверх
 
 Заголовок сообщения: Re: Варикап кв109
СообщениеДобавлено: Сб дек 06, 2025 17:24:49 
Нашел транзистор. Понюхал.

Зарегистрирован: Ср апр 17, 2024 20:24:19
Сообщений: 196
Откуда: Курская область,
Рейтинг сообщения: 0
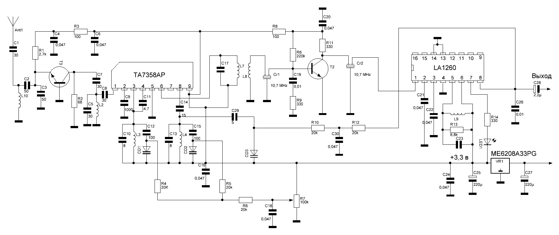
С учетом замечаний уважаемых мной котов получилась такая схема сомнение вызывает усилитель с общей базой и автоматическая подстройка частоты поправьте если что не так

Изображение


Вложения:
7335222проба.jpg [205.66 KiB]
Скачиваний: 77


Последний раз редактировалось Александр 62 Сб дек 06, 2025 18:39:30, всего редактировалось 1 раз.
Вернуться наверх
 
 Заголовок сообщения: Re: Варикап кв109
СообщениеДобавлено: Сб дек 06, 2025 17:28:52 
Друг Кота
Аватар пользователя

Карма: 26
Рейтинг сообщений: 839
Зарегистрирован: Сб янв 28, 2006 22:47:24
Сообщений: 6021
Рейтинг сообщения: 0
Каскад усиления ПЧ не согласован с пьезокерамическими фильтрами. Будет кривая АЧХ по промежуточной частоте. Надо 1,5-2 кОм на входе и выходе фильтра. Посмотрите как эти ПКФ включены в советских транзисторных радиоприемниках и магнитолах, оттуда и заимствуйте каскад усиления ПЧ со всеми номиналами. Там порой не гнушались включить последовательно со входом и выходом резисторы, несмотря на потери. Зато фильтры правильно нагружены по входам-выходам.

_________________
Астролябия-сама меряет, было бы что мерять!!!


Последний раз редактировалось Asmodey Сб дек 06, 2025 17:32:10, всего редактировалось 1 раз.

Вернуться наверх
 
 Заголовок сообщения: Re: Варикап кв109
СообщениеДобавлено: Сб дек 06, 2025 17:32:10 
Нашел транзистор. Понюхал.

Зарегистрирован: Ср апр 17, 2024 20:24:19
Сообщений: 196
Откуда: Курская область,
Рейтинг сообщения: 0
Каскад усиления ПЧ не согласован с пьезокерамическими фильтрами. Будет кривая АЧХ по промежуточной частоте. Надо 1,5-2 кОм на входе и выходе фильтра. Посмотрите как эти ПКФ включены в советских транзисторных радиоприемниках и магнитолах, оттуда и заимствуйте каскад усиления ПЧ со всеми номиналами.


Схема упч из музыкального центра JVC


Вернуться наверх
 
 Заголовок сообщения: Re: Варикап кв109
СообщениеДобавлено: Сб дек 06, 2025 17:33:41 
Друг Кота
Аватар пользователя

Карма: 26
Рейтинг сообщений: 839
Зарегистрирован: Сб янв 28, 2006 22:47:24
Сообщений: 6021
Рейтинг сообщения: 1
Возможно у JVC какие-то особенные ПКФ были. А широко распространенным фильтрам надо не менее 1 кОм на входе и выходе (точнее смотрим в даташитах на ПКФ). Но, если итоговое качество звука вас устраивает, тогда можно оставить все как есть.

_________________
Астролябия-сама меряет, было бы что мерять!!!


Вернуться наверх
 
 Заголовок сообщения: Re: Варикап кв109
СообщениеДобавлено: Сб дек 06, 2025 17:42:51 
Нашел транзистор. Понюхал.

Зарегистрирован: Ср апр 17, 2024 20:24:19
Сообщений: 196
Откуда: Курская область,
Рейтинг сообщения: 0
Но, если итоговое качество звука вас устраивает, тогда можно оставить все как есть.


Итоговое качество будет сюрпризом, поэтому все критические замечания принимаю.


Вернуться наверх
 
 Заголовок сообщения: Re: Варикап кв109
СообщениеДобавлено: Сб дек 06, 2025 17:44:43 
Мудрый кот

Карма: 25
Рейтинг сообщений: 499
Зарегистрирован: Сб май 05, 2012 20:24:52
Сообщений: 1877
Откуда: KN34PC, Болгария
Рейтинг сообщения: 1
ПКФ напр. Murata 10,7 MHz, 250..350 Ом, там схема ОК.
Для базы R9C19 не нужные. Импеданс входа OE низкий, становится еще меньше.

LA1260 - хорошая ИС. Если оригинальным. Мне также нравится CA/μA3089. Input Limiting Voltage напр. 12µV.

Изображение


Последний раз редактировалось veso74 Сб дек 06, 2025 17:52:53, всего редактировалось 1 раз.

Вернуться наверх
 
 Заголовок сообщения: Re: Варикап кв109
СообщениеДобавлено: Сб дек 06, 2025 17:59:11 
Нашел транзистор. Понюхал.

Зарегистрирован: Ср апр 17, 2024 20:24:19
Сообщений: 196
Откуда: Курская область,
Рейтинг сообщения: 0
LA1260 - хорошая ИС. Если оригинальным.


Выпаяна из остатков магнитолы sanyo. Сколько у неё на выходе милливольт, а то английский совсем не читаю (изучал французский).


Вернуться наверх
 
 Заголовок сообщения: Re: Варикап кв109
СообщениеДобавлено: Сб дек 06, 2025 17:59:58 
Мудрый кот

Карма: 25
Рейтинг сообщений: 499
Зарегистрирован: Сб май 05, 2012 20:24:52
Сообщений: 1877
Откуда: KN34PC, Болгария
Рейтинг сообщения: 0
Зачем отпаяли? :) Достаточно было отрезать модуль ЧМ из платы :). LC-контура (10,7 MHz) взяли с платы?. Хотя, если есть L/C-метр, все очень и очень просто. Раньше ничего не было. На слух, собств. генераторами и диодными измерителями, по уровню сигнала, другими своими методами ... Но было интересно.


Вернуться наверх
 
 Заголовок сообщения: Re: Варикап кв109
СообщениеДобавлено: Сб дек 06, 2025 18:18:16 
Нашел транзистор. Понюхал.

Зарегистрирован: Ср апр 17, 2024 20:24:19
Сообщений: 196
Откуда: Курская область,
Рейтинг сообщения: 0
Зачем отпаяли? :) Достаточно было отрезать модуль ЧМ из платы :). LC-контура (10,7 MHz) взяли с платы?. Хотя, если есть L/C-метр, все очень и очень просто. Раньше ничего не было. На слух, собств. генераторами и диодными измерителями, по уровню сигнала, другими своими методами ... Но было интересно.

На слух и настраиваю. Еще не выпаивал , как разведу новую плату и вытравлю буду выпаивать и сразу ставить на новую плату.


Вернуться наверх
 
 Заголовок сообщения: Re: Варикап кв109
СообщениеДобавлено: Сб дек 06, 2025 18:23:44 
Мудрый кот

Карма: 25
Рейтинг сообщений: 499
Зарегистрирован: Сб май 05, 2012 20:24:52
Сообщений: 1877
Откуда: KN34PC, Болгария
Рейтинг сообщения: 1
Совет: попробуйте схему на куске печатной платы, непротравленная, с медью сверху, выводами ИС вверх, объемной монтаж, "дохлый жук". В этом форме все работает - и на ВЧ, и на СВЧ. Будете дорабатывать, добавлять, убирать ел. компоненты. Чтобы создать работающую конструкцию от начала до конца, нужно откуда-то ее взять 1:1 (не интересно!). Если уж "изобретать", то лучше сделать это в тестовом варианте. А потом уже делать платы.


Вернуться наверх
 
 Заголовок сообщения: Re: Варикап кв109
СообщениеДобавлено: Сб дек 06, 2025 18:36:43 
Нашел транзистор. Понюхал.

Зарегистрирован: Ср апр 17, 2024 20:24:19
Сообщений: 196
Откуда: Курская область,
Рейтинг сообщения: 0
Совет: попробуйте схему на куске печатной платы, непротравленная, с медью сверху, выводами ИС вверх, объемной монтаж, "дохлый жук". В этом форме все работает - и на ВЧ, и на СВЧ. Будете дорабатывать, добавлять, убирать ел. компоненты. Чтобы создать работающую конструкцию от начала до конца, нужно откуда-то ее взять 1:1 (не интересно!). Если уж "изобретать", то лучше сделать это в тестовом варианте. А потом уже делать платы.


Так уж сложилось - если делаю навесным монтажом или на макетной плате конструкция не работает, а вот если на печатке всё работает. Да и схема довольно большая, что бы сделать её "дохлым жуком"


Вернуться наверх
 
Показать сообщения за:  Сортировать по:  Вернуться наверх
Начать новую тему Ответить на тему  [ Сообщений: 372 ]     ... , , , 12, , , ...  

Часовой пояс: UTC + 3 часа


Вы не можете начинать темы
Вы не можете отвечать на сообщения
Вы не можете редактировать свои сообщения
Вы не можете удалять свои сообщения
Вы не можете добавлять вложения

Найти:
Перейти:  


Powered by phpBB © 2000, 2002, 2005, 2007 phpBB Group
Русская поддержка phpBB
Extended by Karma MOD © 2007—2012 m157y
Extended by Topic Tags MOD © 2012 m157y