Например TDA7294

Форум РадиоКот • Просмотр темы - Мелкие вопросы по теории
Форум РадиоКот
Здесь можно немножко помяукать :)

Текущее время: Чт янв 29, 2026 17:36:27

Часовой пояс: UTC + 3 часа


ПРЯМО СЕЙЧАС:



Начать новую тему Ответить на тему  [ Сообщений: 41952 ]     ... , , , 2093, , , ...  
Автор Сообщение
Не в сети
 Заголовок сообщения: Re: Мелкие вопросы по теории
СообщениеДобавлено: Вс окт 26, 2025 18:32:06 
Нашел транзистор. Понюхал.
Аватар пользователя

Зарегистрирован: Сб авг 15, 2020 14:07:38
Сообщений: 180
Рейтинг сообщения: 0
Приветствую! Попался мне блок atx под переделку в регулируемый. В нем стояла какая-то ноунеймовская ШИМка est7502c на кою нет ни одного даташита. Пожтому сразу на выброс и установка tl494. Но возникло сразу два вопроса к вам: у трансформатора нет "косы" - это ни на что не повлияет?
Неоткуда запитать tl494. Из диода, который стоит возле большого (диода дежурки) выдает около 7ми Вольт, вместо ожидаемых примерно 17 В, а ШИМке нужно хотя бы 12, насколько я помню


Вернуться наверх
 
В сети
 Заголовок сообщения: Re: Мелкие вопросы по теории
СообщениеДобавлено: Вс окт 26, 2025 18:53:54 
Сверлит текстолит когтями
Аватар пользователя

Карма: 6
Рейтинг сообщений: 225
Зарегистрирован: Пн ноя 08, 2021 13:12:57
Сообщений: 1196
Откуда: 58С 58В
Рейтинг сообщения: 1
Васо, ---что мониторит процессор в этой схеме?---
Напряжение на двигателе , только. :wink:

_________________
Свежий взгляд из прошлого тысячелетия.


Вернуться наверх
 
Не в сети
 Заголовок сообщения: Re: Мелкие вопросы по теории
СообщениеДобавлено: Вс окт 26, 2025 19:34:24 
Нашел транзистор. Понюхал.
Аватар пользователя

Зарегистрирован: Вс фев 11, 2018 07:12:47
Сообщений: 190
Рейтинг сообщения: 0
Динозавр, Спасибо! Сейчас проверил на практике, увеличив резистор 10к по схемке - обороты увеличились. А я в дебри полез, думал МК импульсы противоэдс считает)


Вернуться наверх
 
Не в сети
 Заголовок сообщения: Re: Мелкие вопросы по теории
СообщениеДобавлено: Вт окт 28, 2025 19:36:13 
Родился

Зарегистрирован: Вт окт 28, 2025 19:19:44
Сообщений: 1
Рейтинг сообщения: 0
Доброго времени суток. Хочу сделать сувенир, бокал который поёт при наливании в него жидкость. Музыкальные модули с записью продаются готовые . Вопрос как сделать так чтобы он срабатывал при наливании воды?


Вернуться наверх
 
Эиком - электронные компоненты и радиодетали
Не в сети
 Заголовок сообщения: Re: Мелкие вопросы по теории
СообщениеДобавлено: Вт окт 28, 2025 22:00:28 
Друг Кота
Аватар пользователя

Карма: 31
Рейтинг сообщений: 919
Зарегистрирован: Пт сен 10, 2021 15:19:36
Сообщений: 6303
Откуда: Протвино
Рейтинг сообщения: 0
Радмир, на выбор:
в порядке адекватности на мой скромный:
A емкостной датчк (2 электрода из самоклеящейся фольги на внешней поверхности)
B гальванический датчик (2 электрода например напылить на внутр поверхность или вварить или вклеить в отверстия в стекло маленькие штырьки из серебра или нержавейки)
С оптический (оптопара)
D ультразвуковая пара
E звуковой сенсор (микрофон + dsp фильтр-детектор)
F поплавковый датчик (с герконом например) , как в унитазе :)))


Вернуться наверх
 
Не в сети
 Заголовок сообщения: Re: Мелкие вопросы по теории
СообщениеДобавлено: Чт окт 30, 2025 17:09:21 
Сверлит текстолит когтями
Аватар пользователя

Зарегистрирован: Пт авг 05, 2016 04:47:49
Сообщений: 1142
Рейтинг сообщения: 0
есть такие индуктивности смд которые переводят энергию вч шума в тепло они ещё бывают как просто трубка на проволке на плате
где их эфективнее всего ставить ?
перед LC фильтром или после LC фильтра но перед стабилизатором ?


Вернуться наверх
 
Не в сети
 Заголовок сообщения: Re: Мелкие вопросы по теории
СообщениеДобавлено: Пн ноя 03, 2025 10:50:01 
Друг Кота

Карма: 46
Рейтинг сообщений: 396
Зарегистрирован: Вт фев 21, 2012 13:51:55
Сообщений: 5285
Откуда: Начинающий
Рейтинг сообщения: 0
Вот как Вам ответить, чтоб не вопросом на вопрос ..
Вы знаете, что такое упомянутые Вами LC фильтры ?
Вот Вы написали мeѳодицей "смд" - это smd форм-фактор и способ монтажа на p.c.b.
Индуктивность чаще всего обозначают латинской буквой "L"
( a ёмкость "C" )
Bы таким образом получите что по Вашему ?
LLC фильтр и LCL фильтр что ли ? :shock:
Какой у Вас "стабилизатор ?
Что по Вашему означает "эфективнее всего ставить" ?
Каков примерный спектр этого Вашего "в.-ч. шума ?
Вряд ли кто либо будет пытаться ответить на Ваши толком не сформулированные вопросы.
Уточните подробнее, что у Вас там, а пока что это безпредметный разговор.

_________________
< виртуальная "кнопочка" >--( WWW ) <- Убедительная просьба интересующимся старыми компьютерами типа РК86 - не пишите в теме в барахолке, пишите Ваши вопросы в ( лс ) пожалуйста


Вернуться наверх
 
Не в сети
 Заголовок сообщения: Re: Мелкие вопросы по теории
СообщениеДобавлено: Вт ноя 04, 2025 13:01:04 
Собутыльник Кота
Аватар пользователя

Карма: 55
Рейтинг сообщений: 1883
Зарегистрирован: Ср ноя 20, 2013 22:57:36
Сообщений: 2924
Откуда: Краснодар
Рейтинг сообщения: 0
Медали: 1
Получил миской по аватаре (1)
бывают как просто трубка на проволке на плате
где их эфективнее всего ставить ?
перед LC фильтром или после LC фильтра но перед стабилизатором ?

Трубка на проволоке - это ферритовое кольцо по сути, если я правильно понимаю. Ставить можно куда угодно, часто встречается на выводах транзисторов, диодов и просто на перемычках.

_________________
Прости нам, господи, благодеяния наши.
Пренебрежение правилами ТБ улучшает генофонд человечества.


Вернуться наверх
 
Не в сети
 Заголовок сообщения: Re: Мелкие вопросы по теории
СообщениеДобавлено: Ср ноя 12, 2025 08:18:06 
Сверлит текстолит когтями
Аватар пользователя

Карма: 11
Рейтинг сообщений: 17
Зарегистрирован: Вт авг 17, 2010 11:58:06
Сообщений: 1129
Откуда: Казань
Рейтинг сообщения: 0
Приветствую.
Если можно,прошу подсказать.
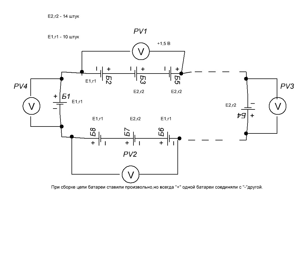
Имеется задачка школьная с данными:
Источников питания Е1 - 10 шт,Е2 - 14 штук,напряжение на V1 - 1.5 В
Определить ,что покажут с учётом знака остальные вольтметры.

Рисунок

Изображение


Вернуться наверх
 
Не в сети
 Заголовок сообщения: Re: Мелкие вопросы по теории
СообщениеДобавлено: Ср ноя 12, 2025 08:36:53 
Друг Кота
Аватар пользователя

Карма: 116
Рейтинг сообщений: 4518
Зарегистрирован: Пт мар 30, 2012 05:17:29
Сообщений: 16165
Откуда: Екатеринбург
Рейтинг сообщения: 0
Для понимания рекомендую перерисовать схему: нарисовать внутренние сопротивления в явном виде.
Далее всё просто. Единственный контур с одним и тем же током, который считается как результат деления суммы ЭДС источников на сумму их внутренних сопротивлений. Потом, выбрав начальную точку, обходите контур и в каждой точке расписываете потенциалы. В начальной точке принимаете его нулевым, далее так: встречаете ЭДС - прибавляете её, встречаете резистор - отнимаете из него I*R. Если не ошибётесь нигде, получите ноль. придя в начальную точку. А потом, имея потенциалы, уже считаете, что показывают вольтметры.

_________________
И хрюкотали зелюки,
Как мюмзики в мове.


Вернуться наверх
 
Не в сети
 Заголовок сообщения: Re: Мелкие вопросы по теории
СообщениеДобавлено: Ср ноя 12, 2025 08:51:17 
Сверлит текстолит когтями
Аватар пользователя

Карма: 11
Рейтинг сообщений: 17
Зарегистрирован: Вт авг 17, 2010 11:58:06
Сообщений: 1129
Откуда: Казань
Рейтинг сообщения: 0
mickbell,
и как это сделать ?если ни внутренних сопротивлений ни напряжения источников Е1 и Е2 неизвестно ?

Добавлено after 11 minutes 4 seconds:
Я сначала подумал,что если V1 показывает 1.5 Вольта,в цепи стоит 3 источника,то на каждом должно быть по полвольта.Но нет)


Вернуться наверх
 
Не в сети
 Заголовок сообщения: Re: Мелкие вопросы по теории
СообщениеДобавлено: Ср ноя 12, 2025 09:06:59 
Друг Кота

Карма: 46
Рейтинг сообщений: 396
Зарегистрирован: Вт фев 21, 2012 13:51:55
Сообщений: 5285
Откуда: Начинающий
Рейтинг сообщения: 0
.. как это сделать ?если ни внутренних сопротивлений ни напряжения источников Е1 и Е2 неизвестно ? ..

A Bы попробуйте необязательно в числах, а так прям "E1","E2","r1","r2" и пишите - y Bac получится что ? - ypaвнение !
И ecть подозрение, что не очень сложно решаемое .. ( иначе навряд ли бы дали задание, хотя .. )

_________________
< виртуальная "кнопочка" >--( WWW ) <- Убедительная просьба интересующимся старыми компьютерами типа РК86 - не пишите в теме в барахолке, пишите Ваши вопросы в ( лс ) пожалуйста


Вернуться наверх
 
Не в сети
 Заголовок сообщения: Re: Мелкие вопросы по теории
СообщениеДобавлено: Ср ноя 12, 2025 09:22:52 
Сверлит текстолит когтями
Аватар пользователя

Карма: 11
Рейтинг сообщений: 17
Зарегистрирован: Вт авг 17, 2010 11:58:06
Сообщений: 1129
Откуда: Казань
Рейтинг сообщения: 0
petrenko, я с этими уравнениями/формулами сталкивался лет 20 назад.
я просто хочу примерно понять как не имея ничего,кроме показаний в 1.5 В определить на остальных.


Вернуться наверх
 
Не в сети
 Заголовок сообщения: Re: Мелкие вопросы по теории
СообщениеДобавлено: Ср ноя 12, 2025 11:38:39 
Друг Кота
Аватар пользователя

Карма: 116
Рейтинг сообщений: 4518
Зарегистрирован: Пт мар 30, 2012 05:17:29
Сообщений: 16165
Откуда: Екатеринбург
Рейтинг сообщения: 0
как не имея ничего,кроме показаний в 1.5 В определить на остальных.
Никак. Система уравнений, где неизвестных больше, чем уравнений, не решается. Принципиально. А это именно ваш случай.

_________________
И хрюкотали зелюки,
Как мюмзики в мове.


Вернуться наверх
 
Не в сети
 Заголовок сообщения: Re: Мелкие вопросы по теории
СообщениеДобавлено: Ср ноя 12, 2025 13:06:58 
Сверлит текстолит когтями
Аватар пользователя

Карма: 11
Рейтинг сообщений: 17
Зарегистрирован: Вт авг 17, 2010 11:58:06
Сообщений: 1129
Откуда: Казань
Рейтинг сообщения: 0
mickbell,
самое интересное,что и ответ есть на данную задачу.Я ,если не против, в ЛС скину вам потом,так как реально не понял,как не имея ничего её решить.

Добавлено after 17 minutes 8 seconds:
Radio_novice, скинул в ЛС даташит на 7502
Если не выкинули ещё,вертайте взад её.Это супервизер совмещённый с контроллером PWM


Вернуться наверх
 
Не в сети
 Заголовок сообщения: Re: Мелкие вопросы по теории
СообщениеДобавлено: Ср ноя 12, 2025 13:17:07 
Друг Кота
Аватар пользователя

Карма: 107
Рейтинг сообщений: 3815
Зарегистрирован: Пн фев 09, 2009 22:19:49
Сообщений: 24745
Откуда: Когда-то был прекрасный город для людей
Рейтинг сообщения: 0
Чего, чего... Лужицу щелочи они покажут. По прошествии некоторого времени...


Вернуться наверх
 
Не в сети
 Заголовок сообщения: Re: Мелкие вопросы по теории
СообщениеДобавлено: Ср ноя 12, 2025 16:43:12 
Вымогатель припоя

Карма: 2
Рейтинг сообщений: -5
Зарегистрирован: Сб авг 09, 2025 22:08:28
Сообщений: 598
Рейтинг сообщения: 0
это если щелочные батарейки.

den2, ответов множество. упрощённо говоря, необходимо решать 1,5 = x + 2y. Берёте любое x - получаете какой-то y и показания на других вольтметрах. Полагаю, упущено одно условие - показание нижнего вольтметра PV2. Тогда будет обычная система из двух уравнений. Возможно.


Вернуться наверх
 
Не в сети
 Заголовок сообщения: Re: Мелкие вопросы по теории
СообщениеДобавлено: Ср ноя 12, 2025 17:05:17 
Друг Кота
Аватар пользователя

Карма: 116
Рейтинг сообщений: 4518
Зарегистрирован: Пт мар 30, 2012 05:17:29
Сообщений: 16165
Откуда: Екатеринбург
Рейтинг сообщения: 0
самое интересное,что и ответ есть на данную задачу.Я ,если не против, в ЛС скину вам потом,так как реально не понял,как не имея ничего её решить.
Можете в ЛС, можете сюда, как хотите.

_________________
И хрюкотали зелюки,
Как мюмзики в мове.


Вернуться наверх
 
Не в сети
 Заголовок сообщения: Re: Мелкие вопросы по теории
СообщениеДобавлено: Ср ноя 12, 2025 17:21:19 
Собутыльник Кота
Аватар пользователя

Карма: -19
Рейтинг сообщений: -171
Зарегистрирован: Пт янв 03, 2025 16:26:44
Сообщений: 2690
Рейтинг сообщения: 0
это вообще не задача тем более школьная
бред какой-то
нужен скан задачи и источник
и уровень кому предлагается

_________________
Нет смысла перечислять игнорируемых, пускай догадываются сами по отсутствию ответов. Да и не по фэнь-шую называть их недоброжелателями, это просто глупые люди, число которых, увы, растет.


Вернуться наверх
 
Не в сети
 Заголовок сообщения: Re: Мелкие вопросы по теории
СообщениеДобавлено: Ср ноя 12, 2025 17:32:53 
Сверлит текстолит когтями
Аватар пользователя

Карма: 11
Рейтинг сообщений: 17
Зарегистрирован: Вт авг 17, 2010 11:58:06
Сообщений: 1129
Откуда: Казань
Рейтинг сообщения: 0
mickbell, Отправил в ЛС.


Вернуться наверх
 
Показать сообщения за:  Сортировать по:  Вернуться наверх
Начать новую тему Ответить на тему  [ Сообщений: 41952 ]     ... , , , 2093, , , ...  

Часовой пояс: UTC + 3 часа


Кто сейчас на форуме

Сейчас этот форум просматривают: goga1978 и гости: 37


Вы не можете начинать темы
Вы не можете отвечать на сообщения
Вы не можете редактировать свои сообщения
Вы не можете удалять свои сообщения
Вы не можете добавлять вложения

Найти:
Перейти:  


Powered by phpBB © 2000, 2002, 2005, 2007 phpBB Group
Русская поддержка phpBB
Extended by Karma MOD © 2007—2012 m157y
Extended by Topic Tags MOD © 2012 m157y