Например TDA7294

Форум РадиоКот • Просмотр темы - Регулятор оборотов с ОС по току
Форум РадиоКот
Здесь можно немножко помяукать :)

Текущее время: Пт янв 02, 2026 07:39:29

Часовой пояс: UTC + 3 часа


ПРЯМО СЕЙЧАС:



Начать новую тему Ответить на тему  [ Сообщений: 19 ] 
Автор Сообщение
Не в сети
 Заголовок сообщения: Регулятор оборотов с ОС по току
СообщениеДобавлено: Пн июл 13, 2015 08:08:50 
Нашел транзистор. Понюхал.

Карма: 3
Рейтинг сообщений: 8
Зарегистрирован: Ср авг 28, 2013 10:57:02
Сообщений: 181
Рейтинг сообщения: 0
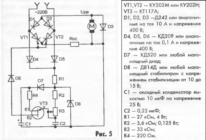
Не добившись желаемого результата от U2010B, собрал на макетке такую схему, из РиС №1 за 2000 год, только с заменой КУ-202 на Т-112-10, КТ117А на КТ117б.

И не работает. Напряжение на стабилитроне 12.5 В, R1 греется, как полагается - расчетный ток там около 8мА - для открывания тиристоров должно же хватать? Тиристоры при замыкании управляющего электрода через резистор 3кОм на анод, открываются, также открываются при замыкании управляющих через резистор на катоды D4 и D5, т.е., исправны.
Прочие детали тоже проверены, кроме КТ117 - шут его знает, как проверять, но он-то новый.
Куда смотреть, подскажите, кто знает...


Изображение


Вложения:
схема.jpg [50.6 KiB]
Скачиваний: 26883
Вернуться наверх
 
Не в сети
 Заголовок сообщения: Re: Регулятор оборотов с ОС по току
СообщениеДобавлено: Пн июл 13, 2015 15:37:54 
Друг Кота
Аватар пользователя

Карма: 55
Рейтинг сообщений: 669
Зарегистрирован: Вт сен 25, 2012 23:13:41
Сообщений: 5456
Откуда: г.Дзержинск Нижегородской обл.
Рейтинг сообщения: 0
Смотреть надо осциллом на вывод Б2 транзистора VT3 относительно минуса С1.
Там д.б. импульсы напряжения. Если их там нет, значит что-то не то с транзистором.

_________________
Спасение утопающих дело рук самих утопающих.


Вернуться наверх
 
Не в сети
 Заголовок сообщения: Re: Регулятор оборотов с ОС по току
СообщениеДобавлено: Пн июл 13, 2015 16:43:50 
Друг Кота
Аватар пользователя

Карма: 52
Рейтинг сообщений: 846
Зарегистрирован: Вт сен 07, 2010 03:01:06
Сообщений: 16545
Откуда: Moscow-Izmaylovo
Рейтинг сообщения: 0
ЧТо за кривоногий рисовал эту схему?
Бумаги что ли не хватило?

Не забываем, что оцил подсоединеяемый к сехеме, схема не развязхана, так что фейерверк будет приличным.

_________________
Лечу лечить WWWашу покалеченную технику.


Вернуться наверх
 
Не в сети
 Заголовок сообщения: Re: Регулятор оборотов с ОС по току
СообщениеДобавлено: Вт июл 14, 2015 03:36:29 
Нашел транзистор. Понюхал.

Карма: 3
Рейтинг сообщений: 8
Зарегистрирован: Ср авг 28, 2013 10:57:02
Сообщений: 181
Рейтинг сообщения: 0
Да посмотрел, глухо там, как в танке после взрыва, шумы только, импульсов нет.
Попробую отдельно собрать кусок схемы на макетке и запитать от ЛБП.
Попробовал замкнуть управляющие на "выход" R1, т.е., на катод стабилитрона - тиристоры не открываются, а напряжение на стабилитроне падает почти до нуля... Получается, просто недостаточно тока для открывания? Хотя, насколько понимаю, на открывание должны идти импульсы с С2 и средний ток потребления не важен?


Вернуться наверх
 
Эиком - электронные компоненты и радиодетали
Не в сети
 Заголовок сообщения: Re: Регулятор оборотов с ОС по току
СообщениеДобавлено: Ср июл 15, 2015 07:47:10 
Нашел транзистор. Понюхал.

Карма: 3
Рейтинг сообщений: 8
Зарегистрирован: Ср авг 28, 2013 10:57:02
Сообщений: 181
Рейтинг сообщения: 0
Попробовал вместо тиристоров поставить резистор на несколько килоом и посмотрел, что будет. Импульсов так и нет, только постоянное напряжение, меняющееся в р-не 1.8-3.6В в зав-ти от положения регулятора, примерно то же, что и на С2. Получается, нерабочий КТ117? Точнее, два, уже пробовал менять. Или же КТ117Б не может заменить КТ117а? вроде, параметры похожи.


Вернуться наверх
 
Не в сети
 Заголовок сообщения: Re: Регулятор оборотов с ОС по току
СообщениеДобавлено: Чт июл 16, 2015 07:53:47 
Друг Кота
Аватар пользователя

Карма: 55
Рейтинг сообщений: 669
Зарегистрирован: Вт сен 25, 2012 23:13:41
Сообщений: 5456
Откуда: г.Дзержинск Нижегородской обл.
Рейтинг сообщения: 0
Почитайте теорию по работе однопереходного транзистора и релаксационных генераторов, постороенных на их основе.
Практическим пособием может слущить вот эта схема (сводку открывать в браузере Chrome):
Изображение
Правда в симуляторе нет однопереходного транзистора и он был заменен анологом, составленным из двух биполярных. Но на иллюстрации работы схемы это никак не сказывается.

_________________
Спасение утопающих дело рук самих утопающих.


Вернуться наверх
 
Не в сети
 Заголовок сообщения: Re: Регулятор оборотов с ОС по току
СообщениеДобавлено: Чт июл 16, 2015 08:30:07 
Нашел транзистор. Понюхал.

Карма: 3
Рейтинг сообщений: 8
Зарегистрирован: Ср авг 28, 2013 10:57:02
Сообщений: 181
Рейтинг сообщения: 0
Да в том-то и беда, что более-менее уже разобрался, что должно быть. Генератор импульсов, запускающийся от пульсирующего напряжения питания. В зав-ти от регулировки, момент запуска должен сдвигаться относительно появления напряжения питания. Именно для этого стоит D7, чтобы были пульсации на "входе".
Пульсирующее напряжение на стабилитроне есть, а вот генератор не работает. Мало того, по идее, он должен или выдавать импульсы с частотой 100Гц, или не работать вообще, а в реальности на выходе есть постоянное напряжение, меняющееся в р-не 2-6 вольт при изменении R3...


Вернуться наверх
 
Не в сети
 Заголовок сообщения: Re: Регулятор оборотов с ОС по току
СообщениеДобавлено: Сб июл 18, 2015 14:53:12 
Друг Кота
Аватар пользователя

Карма: 55
Рейтинг сообщений: 669
Зарегистрирован: Вт сен 25, 2012 23:13:41
Сообщений: 5456
Откуда: г.Дзержинск Нижегородской обл.
Рейтинг сообщения: 0
Подробное фото конструкции в хорошем разрешении можно увидеть?

_________________
Спасение утопающих дело рук самих утопающих.


Вернуться наверх
 
Не в сети
 Заголовок сообщения: Re: Регулятор оборотов с ОС по току
СообщениеДобавлено: Вс июл 19, 2015 14:17:45 
Нашел транзистор. Понюхал.

Карма: 3
Рейтинг сообщений: 8
Зарегистрирован: Ср авг 28, 2013 10:57:02
Сообщений: 181
Рейтинг сообщения: 0
Да конструкция на макетной плате, к тому же уже перепаянная в поисках истины, даже разводил раздельно высоковольтную и низковольтную части.

Ну а причина, почему не работала схема, оказалась проста - в схеме у автора перепутаны база 1 и база 2... Притом, в журнале ещё одна схема, с оптронами, там тоже перепутаны эти выводы. Сейчас буду подбирать сопротивление шунта и ёмкость конденсатора, чтобы получить компенсацию нагрузки, авось, в этом автор не ошибся.


Вернуться наверх
 
Не в сети
 Заголовок сообщения: Re: Регулятор оборотов с ОС по току
СообщениеДобавлено: Пт июл 24, 2015 08:19:27 
Нашел транзистор. Понюхал.

Карма: 3
Рейтинг сообщений: 8
Зарегистрирован: Ср авг 28, 2013 10:57:02
Сообщений: 181
Рейтинг сообщения: 0
В-общем, закончил. Схема работает уже не в принципе, а в корпусе.
Сделана для использования Dremel 300 в роли дрели. Т.к. двигатель сериесный, то когда обороты встроенным регулятором устанавливаются на минимум, крутящий момент стремится к нулю, сверло просто останавливается. А на высоких при сверлении металла сверло "горит".
С данным стабилизатором под нагрузкой, конечно, проседают обороты, но к примеру, напряжение на выходе возрастает с 80 до 120 вольт, чего вполне достаточно для комфортного сверления металла маленьким сверлом. Для резки и шлифовки просто переключается напрямую тумблером. Сам Dremel не переделывался, встроенный симисторный регулятор, выставленный на максимум, не мешает.

Как уже писал, па авторской схеме перепутаны база 1 и база 2. Резистор регулятора для R2 3,6 кОм и нужных мне пределов регулировки - 47кОм. Более - работает уже нестабильно на малых оборотах. Возможно, уменьшив R2 можно расширить диапазон регулировки в сторону максимальных, но мне как раз это не нужно было.
Конденсатор C2 увеличил до 0,47мкФ для увеличения длины открывающего импульса. И параллельно нагрузке добавлен конденсатор для удержания тиристоров открытыми при прерывистом токе - опять-таки, особенность сериесного двигателя, с шунтовым такого не было бы. Возможно, для другого двигателя понадобится большей ёмкости, для Дремель хватило первого попавшегося неполярного 0,47мкФ.
Номинал Rос в моем случае 5,1Ом - исходя из расчётного тока в 0,5А.


P.S. А вот U2010B, хорошо работавшая с шунтовым, с этим двигателем так и не удалось заставить работать нормально.


Вернуться наверх
 
Не в сети
 Заголовок сообщения: Re: Регулятор оборотов с ОС по току
СообщениеДобавлено: Вт дек 14, 2021 11:13:05 
Грызет канифоль

Зарегистрирован: Сб янв 03, 2015 21:03:24
Сообщений: 266
Рейтинг сообщения: 0
Не добившись желаемого результата от U2010B

привет. а что не так с 2010 ?
тяжело настроить или что?

Добавлено after 5 minutes 37 seconds:
Сделана для использования Dremel 300 в роли дрели. Т.к. двигатель сериесный, то когда обороты встроенным регулятором устанавливаются на минимум, крутящий момент стремится к нулю, сверло просто останавливается. А на высоких при сверлении металла сверло "горит".

привет та же проблема плюс работаю с пластиком и вместо резки его плавит.. плюс иногда надо чуть подшлифовать подполировать пластик дерево

подскажите плиз с помощью какой платы/схемы можно получить максимум мощности на минимуме оборотов для дремеля ?


Вернуться наверх
 
Не в сети
 Заголовок сообщения: Re: Регулятор оборотов с ОС по току
СообщениеДобавлено: Ср дек 15, 2021 04:38:53 
Нашел транзистор. Понюхал.

Карма: 3
Рейтинг сообщений: 8
Зарегистрирован: Ср авг 28, 2013 10:57:02
Сообщений: 181
Рейтинг сообщения: 0
Как позже выяснил, 2010 давно не выпускаются, а их китайские подобия работают... или не работают. Поэтому найти стабильно работающую можно, только выпаяв откуда-то.
Максимум мощности не получишь - т.к. мощность, грубо говоря, это сила на валу (крутящий момент), умноженная на обороты. Вот поддерживать обороты, увеличивая ток и крутящий момент - это и даёт ощущение "мощности". Но увы, для двигателя последовательного возбуждения реально стабилизировать обороты можно только с тахогенератором. Люди делают как-то, но я удовлетворился простенькой схемой из этой темы, хотя обороты плавают, но все равно гораздо лучше.


Вернуться наверх
 
Не в сети
 Заголовок сообщения: Re: Регулятор оборотов с ОС по току
СообщениеДобавлено: Ср дек 15, 2021 11:39:57 
Грызет канифоль

Зарегистрирован: Сб янв 03, 2015 21:03:24
Сообщений: 266
Рейтинг сообщения: 0
uh9lab, то что обороты плавают не беда, главно для меня чтоб под нагрузкой ток /напряжение/крутящий момент увеличивались на максимум возможностей двигателя... вот например на u2010b как я понял к примеру когда на двигатель подают 50 вольт под нагрузкой увеличивается у некоторых до 70 вольт а у большинства только на 10% идёт компенсация.. мне этого мало ... хотелось бы схему с большей компенсацией на малых оборотах.

схема из этой темы даёт больше прирост чем 2010?


Вернуться наверх
 
Не в сети
 Заголовок сообщения: Re: Регулятор оборотов с ОС по току
СообщениеДобавлено: Ср дек 15, 2021 15:13:22 
Друг Кота
Аватар пользователя

Карма: 123
Рейтинг сообщений: 7959
Зарегистрирован: Сб сен 13, 2014 16:27:32
Сообщений: 39199
Откуда: СпиртоГонск созвездия Омега
Рейтинг сообщения: 0
все схемы на2010 имеют токовый датчик вот онего и зависит глубина компенсации
в общем случае можно даж перекомпенсацию сделать чтоб медлено работающий на ХХ мотор сам разгонялся под нагрузуой
подобное можно дажев дрель встнроит вместо штатной кнопы кстати 2010 ка раз расчитана на сериесники.. на ней даже паялники делают с компенсацией
+

_________________
ZМудрость(Опыт и выдержка) приходит с годами.
Все Ваши беды и проблемы, от недостатка знаний.
Умный и у дурака научится, а дураку и ..
Алберт Ейнштейн не поможет и ВВП не спасет.и МЧС опаздает


Вернуться наверх
 
Не в сети
 Заголовок сообщения: Re: Регулятор оборотов с ОС по току
СообщениеДобавлено: Ср дек 15, 2021 18:26:00 
Грызет канифоль

Зарегистрирован: Сб янв 03, 2015 21:03:24
Сообщений: 266
Рейтинг сообщения: 0
musor, за токовый датчик отвечает R11 ?
Изображение

так что на 2010 можно получить большую компенсацию чем по схеме из топика ? даже не смотря на то что двигатель на гравере от 10 тыщ до 30 обороты. 160ватт ?


Вернуться наверх
 
Не в сети
 Заголовок сообщения: Re: Регулятор оборотов с ОС по току
СообщениеДобавлено: Чт дек 16, 2021 07:04:12 
Нашел транзистор. Понюхал.

Карма: 3
Рейтинг сообщений: 8
Зарегистрирован: Ср авг 28, 2013 10:57:02
Сообщений: 181
Рейтинг сообщения: 0
R6 - токовый датчик. R11 - ограничение максимального тока.
Только, как уже написал выше, шанс найти нормальную U2010b минимальный, у Microchip/Atmel они давно obsolete, т.е. новые на рынке 100% подделки или китайские поделки. Хорошо, если 1 из 5 работает, а могут вообще быть все мусором.


Вернуться наверх
 
Не в сети
 Заголовок сообщения: Re: Регулятор оборотов с ОС по току
СообщениеДобавлено: Чт дек 16, 2021 20:42:53 
Грызет канифоль

Зарегистрирован: Сб янв 03, 2015 21:03:24
Сообщений: 266
Рейтинг сообщения: 0
uh9lab, а есть чтото современное на замену похожее ?


Вернуться наверх
 
Не в сети
 Заголовок сообщения: Re: Регулятор оборотов с ОС по току
СообщениеДобавлено: Чт дек 16, 2021 22:39:51 
Потрогал лапой паяльник

Карма: 6
Рейтинг сообщений: 56
Зарегистрирован: Вт апр 21, 2009 18:56:53
Сообщений: 389
Откуда: замкадье
Рейтинг сообщения: 0
Просто микросхемы регуляторов с токовым шунтом завышают холостые обороты, особенно на моторах с низкой мощностью и по хорошему минималку надо выставлять с нагрузкой. Выход только один, колхозить таходатчик и использовать U211B например.


Вернуться наверх
 
Не в сети
 Заголовок сообщения: Re: Регулятор оборотов с ОС по току
СообщениеДобавлено: Вт май 14, 2024 09:33:30 
Первый раз сказал Мяу!

Зарегистрирован: Сб апр 03, 2010 18:44:08
Сообщений: 20
Рейтинг сообщения: 0
Сам не собирал. Описано весьма подробно.
https://www.chipmaker.ru/topic/219378/? ... nt-4154469


Вернуться наверх
 
Показать сообщения за:  Сортировать по:  Вернуться наверх
Начать новую тему Ответить на тему  [ Сообщений: 19 ] 

Часовой пояс: UTC + 3 часа


Кто сейчас на форуме

Сейчас этот форум просматривают: нет зарегистрированных пользователей и гости: 19


Вы не можете начинать темы
Вы не можете отвечать на сообщения
Вы не можете редактировать свои сообщения
Вы не можете удалять свои сообщения
Вы не можете добавлять вложения

Найти:
Перейти:  


Powered by phpBB © 2000, 2002, 2005, 2007 phpBB Group
Русская поддержка phpBB
Extended by Karma MOD © 2007—2012 m157y
Extended by Topic Tags MOD © 2012 m157y