Например TDA7294

Форум РадиоКот • Просмотр темы - Помогите опознать девайс.
Форум РадиоКот
Здесь можно немножко помяукать :)

Текущее время: Чт янв 29, 2026 10:47:43

Часовой пояс: UTC + 3 часа


ПРЯМО СЕЙЧАС:



Начать новую тему Ответить на тему  [ Сообщений: 3551 ]     ... , , , 54, , , ...  
Автор Сообщение
Не в сети
 Заголовок сообщения: Re: Помогите опознать девайс.
СообщениеДобавлено: Пт июл 22, 2016 21:16:12 
Друг Кота
Аватар пользователя

Карма: 123
Рейтинг сообщений: 7959
Зарегистрирован: Сб сен 13, 2014 16:27:32
Сообщений: 39199
Откуда: СпиртоГонск созвездия Омега
Рейтинг сообщения: 0
Albert_V писал(а):
.
Схемы в сети есть.
надеюсь нас вопрошающий просветит..если найдет и ссыль прикрепит.....
чисто спортивный интерес..

_________________
ZМудрость(Опыт и выдержка) приходит с годами.
Все Ваши беды и проблемы, от недостатка знаний.
Умный и у дурака научится, а дураку и ..
Алберт Ейнштейн не поможет и ВВП не спасет.и МЧС опаздает


Вернуться наверх
 
Не в сети
 Заголовок сообщения: Re: Помогите опознать девайс.
СообщениеДобавлено: Пт июл 22, 2016 21:20:49 
Друг Кота
Аватар пользователя

Карма: 90
Рейтинг сообщений: 1859
Зарегистрирован: Чт сен 12, 2013 00:54:12
Сообщений: 4119
Откуда: ЗаМКАДье. Там, где ЦУП
Рейтинг сообщения: 0
Медали: 5
Получил миской по аватаре (5)
А что её искать-то?
В яндексе набираете "схема плафона освещения салона газель" и в картинках она первая.
Вот насколько она соответствует именно этой плате - это уже к вопрошающему...
Если нет - надо искать по другим авто.


Вернуться наверх
 
Не в сети
 Заголовок сообщения: Re: Помогите опознать девайс.
СообщениеДобавлено: Пт июл 22, 2016 21:43:46 
Нашел транзистор. Понюхал.
Аватар пользователя

Карма: 8
Рейтинг сообщений: 3
Зарегистрирован: Вт сен 15, 2015 21:54:34
Сообщений: 180
Откуда: РФ Курск
Рейтинг сообщения: 0
Albert_V писал(а):
Схемы в сети есть.

Подскажите как ее искать.....те схемы плафонов что нашел на волгофоруме на еу1,а на рассыпухе только миниатюра в гуголкартинках доступна......Если до воскресенья не удастся отыскать схему тогда срисую с платы и выложу с просьбой подсказать формулы для расчета :beer:


Вернуться наверх
 
Не в сети
 Заголовок сообщения: Re: Помогите опознать девайс.
СообщениеДобавлено: Пт июл 22, 2016 21:52:17 
Нашел транзистор. Понюхал.
Аватар пользователя

Карма: 8
Рейтинг сообщений: 3
Зарегистрирован: Вт сен 15, 2015 21:54:34
Сообщений: 180
Откуда: РФ Курск
Рейтинг сообщения: 0
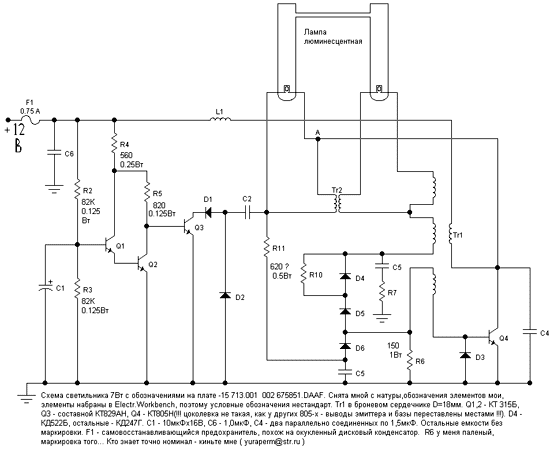
Нашел и эти резисторы R7 и R11....11 вроде вопрос в схеме стоит после номинала,как это понимать? А 7 вообще не имеет номинала :facepalm: Подскажите как их расчитать?


Вложения:
схема плафона.gif [20.22 KiB]
Скачиваний: 357
Вернуться наверх
 
Эиком - электронные компоненты и радиодетали
Не в сети
 Заголовок сообщения: Re: Помогите опознать девайс.
СообщениеДобавлено: Пт июл 22, 2016 21:53:19 
Друг Кота
Аватар пользователя

Карма: 90
Рейтинг сообщений: 1859
Зарегистрирован: Чт сен 12, 2013 00:54:12
Сообщений: 4119
Откуда: ЗаМКАДье. Там, где ЦУП
Рейтинг сообщения: 4
Медали: 5
Получил миской по аватаре (5)
Вечный ученик писал(а):
Подскажите как ее искать.....

СпойлерИзображение

Изображение


----------

Вечный ученик писал(а):
Нашел и эти резисторы R7 и R11....11.....

Вначале, срисуйте схему с вашей платы и сравните с той, которую нашли.
Если не совпадает - или ищите другую, или выкладывайте вашу.


Вернуться наверх
 
Не в сети
 Заголовок сообщения: Re: Помогите опознать девайс.
СообщениеДобавлено: Пт июл 22, 2016 22:27:40 
Нашел транзистор. Понюхал.
Аватар пользователя

Карма: 8
Рейтинг сообщений: 3
Зарегистрирован: Вт сен 15, 2015 21:54:34
Сообщений: 180
Откуда: РФ Курск
Рейтинг сообщения: 0
Albert_V писал(а):
Если не совпадает.

Совпадает,сравнил схему с платой,даже транзистор также с обратной распиновкой как написано под схемой,да и цифры платы одинаковые,только серия и номер местами поменяны


Вернуться наверх
 
Не в сети
 Заголовок сообщения: Re: Помогите опознать девайс.
СообщениеДобавлено: Пт июл 22, 2016 22:31:19 
Друг Кота
Аватар пользователя

Карма: 90
Рейтинг сообщений: 1859
Зарегистрирован: Чт сен 12, 2013 00:54:12
Сообщений: 4119
Откуда: ЗаМКАДье. Там, где ЦУП
Рейтинг сообщения: 1
Медали: 5
Получил миской по аватаре (5)
Вечный ученик писал(а):
Совпадает...

По большому счёту, это уже оффтоп, но что сгорело?
/Если будете ремонтировать, будет лучше, если перенесёте свой вопрос в раздел ремонта/.


Вернуться наверх
 
Не в сети
 Заголовок сообщения: Re: Помогите опознать девайс.
СообщениеДобавлено: Пт июл 22, 2016 23:12:55 
Нашел транзистор. Понюхал.
Аватар пользователя

Карма: 8
Рейтинг сообщений: 3
Зарегистрирован: Вт сен 15, 2015 21:54:34
Сообщений: 180
Откуда: РФ Курск
Рейтинг сообщения: 0
Albert_V писал(а):
/Если будете ремонтировать, будет лучше, если перенесёте свой вопрос в раздел ремонта/.

Сгорели похоже только два резистора,транзисторы и диоды целы,конденсаторы еще не проверял...может коротнули выходные провода к лампам,хз....Думаю с ремонтом проблем не возникнет,но если будут то создам тему в ремонте...Большое Вам спасибо! :beer:


Вернуться наверх
 
Не в сети
 Заголовок сообщения: Re: Помогите опознать девайс
СообщениеДобавлено: Сб июл 23, 2016 07:01:42 
Сверлит текстолит когтями
Аватар пользователя

Карма: 39
Рейтинг сообщений: 1148
Зарегистрирован: Пн июн 15, 2015 10:01:37
Сообщений: 1102
Рейтинг сообщения: 11
Parafinn писал(а):
На резисторе написано 43R. На сколько мне известно R=мкФ.

:facepalm: 43R- 43 ОМ. В микрофарадах измеряется емкость у конденсаторов.

Чтобы не было глупых вопросов с маркировкой , поясняю:
-если например на резисторе стоит после цифры стоит R, то это обозначается омы, например 43R то сопротивление составляет 43 Ом.
также бывает , стоит просто цифра и все. В таком случае пишется номинал в омах.
-перед цифрой стоит К, например К20, то сопротивление -200 Ом
- 15К - соответственно 15 килоом
-М18- 180килоом
-1М-мегаом.


Вернуться наверх
 
Не в сети
 Заголовок сообщения: Re: Помогите опознать девайс.
СообщениеДобавлено: Сб июл 23, 2016 10:17:01 
Друг Кота
Аватар пользователя

Карма: 233
Рейтинг сообщений: 11338
Зарегистрирован: Чт авг 30, 2012 20:24:40
Сообщений: 37346
Откуда: Нижний Новгород
Рейтинг сообщения: 0
Ещё нужно объяснить про особенности маркировки SMD-компонетнов, и про цветовую кодировку.


Вернуться наверх
 
Не в сети
 Заголовок сообщения: Re: Помогите опознать девайс.
СообщениеДобавлено: Сб июл 23, 2016 11:39:53 
Друг Кота
Аватар пользователя

Карма: 123
Рейтинг сообщений: 7959
Зарегистрирован: Сб сен 13, 2014 16:27:32
Сообщений: 39199
Откуда: СпиртоГонск созвездия Омега
Рейтинг сообщения: 5
зачем все это 100500 раз расписано и с картинками просто линкните туда почемучку...
даже в сундуке кота по моему видел

_________________
ZМудрость(Опыт и выдержка) приходит с годами.
Все Ваши беды и проблемы, от недостатка знаний.
Умный и у дурака научится, а дураку и ..
Алберт Ейнштейн не поможет и ВВП не спасет.и МЧС опаздает


Вернуться наверх
 
Не в сети
 Заголовок сообщения: Re: Помогите опознать девайс.
СообщениеДобавлено: Сб июл 23, 2016 12:12:40 
Вымогатель припоя
Аватар пользователя

Карма: 2
Рейтинг сообщений: 60
Зарегистрирован: Чт сен 03, 2015 13:22:36
Сообщений: 580
Откуда: Москва
Рейтинг сообщения: 0
>если например на резисторе стоит после цифры стоит R

Еще буква Е может быть: 1Е0, 1Е2, 1Е5, 2Е0, 10Е, 11Е, 12Е, 13Е, 15Е...

_________________
Да, нам говорили в институте, что многие единицы измерений названы в честь ученых. Да, знаю, что были такие ученые - например: Ампер, Вольт и Децибел (с), одна знакомая девушка.


Вернуться наверх
 
Не в сети
 Заголовок сообщения: Re: Помогите опознать девайс.
СообщениеДобавлено: Сб июл 23, 2016 12:20:31 
Друг Кота
Аватар пользователя

Карма: 123
Рейтинг сообщений: 7959
Зарегистрирован: Сб сен 13, 2014 16:27:32
Сообщений: 39199
Откуда: СпиртоГонск созвездия Омега
Рейтинг сообщения: 5
господа не вносите сумятицы
есть 2 стандарта ГОСТ и МЭК
наприер резистор 1к5и и 1k5j это 1,5ком 5% а 36ЕС и 36RK '=36ом10%
потом пощел цветокод из негож вытек и метод для СМД (при 4) первые 1,2-номинал 3множитель
при 5 -1,2,3номинал 4 множитель последняя допуск и иногда ткс(у smd последнее не указано)
может кто обьяснит зачем в димере китайпылесоса стоит МК sn8p2501bpb :dont_know:
управляет триаком от резистора ползунковава 47к и клапана какогото давления
обычный димер кроме триака имет дв3 и пару кондеров и резисторов...

_________________
ZМудрость(Опыт и выдержка) приходит с годами.
Все Ваши беды и проблемы, от недостатка знаний.
Умный и у дурака научится, а дураку и ..
Алберт Ейнштейн не поможет и ВВП не спасет.и МЧС опаздает


Вернуться наверх
 
Не в сети
 Заголовок сообщения: Re: Помогите опознать девайс.
СообщениеДобавлено: Сб июл 23, 2016 14:30:45 
Сверлит текстолит когтями
Аватар пользователя

Карма: 39
Рейтинг сообщений: 1148
Зарегистрирован: Пн июн 15, 2015 10:01:37
Сообщений: 1102
Рейтинг сообщения: 9
Деркатер писал(а):
Еще буква Е может быть: 1Е0, 1Е2, 1Е5, 2Е0, 10Е, 11Е, 12Е, 13Е, 15Е...

Е - тоже омы, 1Е0 - 1Ом 1Е5- 1,5Ом. Ну и так далее.
Если все равно непонятна маркировка- берем омметр ( любой мультиметр в режиме измерения сопротивления), и измеряем.
----------
Цветовая маркировка-тоже очень просто.
Первые две полоски - номинал, третья- множитель, четвертая - допустимое отклонение от номинала.
СпойлерИзображение


Маркировка SMD
СпойлерИзображение
Изображение
Изображение


Вернуться наверх
 
Не в сети
 Заголовок сообщения: Re: Помогите опознать девайс.
СообщениеДобавлено: Сб июл 23, 2016 20:45:26 
Поставщик валерьянки для Кота

Карма: 34
Рейтинг сообщений: 313
Зарегистрирован: Вс ноя 15, 2009 23:13:59
Сообщений: 2140
Откуда: Харьков
Рейтинг сообщения: 0
У SMD резисторов бывает довольно редкий принцип маркировки буквой и двумя цифрами, подробности уже не помню.

_________________
Иногда мой питомец уходит в такую спячку, что разбудить его можно только щелчком по первой ноге...


Вернуться наверх
 
Не в сети
 Заголовок сообщения: Re: Помогите опознать девайс.
СообщениеДобавлено: Сб июл 23, 2016 21:17:21 
Вымогатель припоя
Аватар пользователя

Карма: 2
Рейтинг сообщений: 60
Зарегистрирован: Чт сен 03, 2015 13:22:36
Сообщений: 580
Откуда: Москва
Рейтинг сообщения: 0
>Первые две полоски - номинал, третья- множитель, четвертая - допустимое отклонение от номинала.

Еще маркировка из 5 полосок может быть :)))

_________________
Да, нам говорили в институте, что многие единицы измерений названы в честь ученых. Да, знаю, что были такие ученые - например: Ампер, Вольт и Децибел (с), одна знакомая девушка.


Вернуться наверх
 
Не в сети
 Заголовок сообщения: Re: Помогите опознать девайс.
СообщениеДобавлено: Сб июл 23, 2016 22:30:20 
Друг Кота
Аватар пользователя

Карма: 233
Рейтинг сообщений: 11338
Зарегистрирован: Чт авг 30, 2012 20:24:40
Сообщений: 37346
Откуда: Нижний Новгород
Рейтинг сообщения: 7
Деркатер писал(а):
Еще маркировка из 5 полосок может быть
Может.

Вот поэтому и для четырёх, и для пяти полосок - придумали чудесную "определялку":
Калькулятор цветовой маркировки резисторов.
Только точки проставить рядом с цветами - и ответ высветится сам собою.

Также можно наискать в сети в виде standalone application (если неохота каждый раз лазить в интернеты).


Вернуться наверх
 
Не в сети
 Заголовок сообщения: Re: Помогите опознать девайс.
СообщениеДобавлено: Вс июл 24, 2016 10:01:16 
Друг Кота
Аватар пользователя

Карма: 123
Рейтинг сообщений: 7959
Зарегистрирован: Сб сен 13, 2014 16:27:32
Сообщений: 39199
Откуда: СпиртоГонск созвездия Омега
Рейтинг сообщения: 0
и правда работает но я гдето встречал автономку под дроид -уж подзабыл где прям в смарте можно вычислять даже без сети

_________________
ZМудрость(Опыт и выдержка) приходит с годами.
Все Ваши беды и проблемы, от недостатка знаний.
Умный и у дурака научится, а дураку и ..
Алберт Ейнштейн не поможет и ВВП не спасет.и МЧС опаздает


Вернуться наверх
 
Не в сети
 Заголовок сообщения: Re: Помогите опознать девайс.
СообщениеДобавлено: Вс июл 24, 2016 11:00:49 
Друг Кота
Аватар пользователя

Карма: 233
Рейтинг сообщений: 11338
Зарегистрирован: Чт авг 30, 2012 20:24:40
Сообщений: 37346
Откуда: Нижний Новгород
Рейтинг сообщения: 0
musor писал(а):
встречал автономку под дроид
ElectroDroid_4.0.1.apk
Кто знает файлообменник - могу закинуть APK.


Вернуться наверх
 
Не в сети
 Заголовок сообщения: Re: Помогите опознать девайс.
СообщениеДобавлено: Вс июл 24, 2016 21:18:22 
Нашел транзистор. Понюхал.
Аватар пользователя

Карма: 8
Рейтинг сообщений: 3
Зарегистрирован: Вт сен 15, 2015 21:54:34
Сообщений: 180
Откуда: РФ Курск
Рейтинг сообщения: 0
Андрей Бедов писал(а):
Кто знает файлообменник - могу закинуть APK.

В сундуке кота есть :wink:





https://sunduk.radiokot.ru/loadfile/?load_id=1316977180


Вернуться наверх
 
Показать сообщения за:  Сортировать по:  Вернуться наверх
Начать новую тему Ответить на тему  [ Сообщений: 3551 ]     ... , , , 54, , , ...  

Часовой пояс: UTC + 3 часа


Кто сейчас на форуме

Сейчас этот форум просматривают: нет зарегистрированных пользователей и гости: 26


Вы не можете начинать темы
Вы не можете отвечать на сообщения
Вы не можете редактировать свои сообщения
Вы не можете удалять свои сообщения
Вы не можете добавлять вложения

Найти:
Перейти:  


Powered by phpBB © 2000, 2002, 2005, 2007 phpBB Group
Русская поддержка phpBB
Extended by Karma MOD © 2007—2012 m157y
Extended by Topic Tags MOD © 2012 m157y