Например TDA7294

Форум РадиоКот • Просмотр темы - Фотореле
Форум РадиоКот
Здесь можно немножко помяукать :)

Текущее время: Сб дек 20, 2025 00:51:11

Часовой пояс: UTC + 3 часа


ПРЯМО СЕЙЧАС:



Начать новую тему Ответить на тему  [ Сообщений: 253 ]     ... , , , 10, , ,  
Автор Сообщение
Не в сети
 Заголовок сообщения: Re: Фотореле
СообщениеДобавлено: Ср апр 29, 2015 18:35:33 
Модератор
Аватар пользователя

Карма: 158
Рейтинг сообщений: 1600
Зарегистрирован: Пт апр 28, 2006 15:26:07
Сообщений: 11940
Откуда: Россия.
Рейтинг сообщения: 0
Медали: 2
Мявтор 3-й степени (1) Лучший человек Форума 2017 (1)
elektromen писал(а):
1. собрал схему (низковольтную часть) -
Схема с грубыми ошибками.

Изображение

Сравните с оригиналом, что вам давали на предыдущей странице.
viewtopic.php?p=2188117#p2188117

Изображение


Вложения:
1.JPG [7.2 KiB]
Скачиваний: 4250
Вернуться наверх
 
Не в сети
 Заголовок сообщения: Re: Фотореле
СообщениеДобавлено: Вс май 03, 2015 08:36:29 
Встал на лапы
Аватар пользователя

Карма: 5
Рейтинг сообщений: 0
Зарегистрирован: Вт мар 19, 2013 08:01:13
Сообщений: 90
Откуда: Сибирь
Рейтинг сообщения: 0
Приветствую народ! Есть вопрос. Мне на днях отдали целый мешок старых транзисторов. Вот их маркировка: МП21Г,Д,Е, МП25 и МП25Б,А, МП26 и МП26Б, МП35, МП36А, МП37 и МП37, МП38, МП40 и МП40А, МП42А. КТ608Б, КТ801Б, КТ802А, КТ808А, КТ812Б, КТ903Б. ГТ309А, ГТ328Б. КП303Е. П215. И еще маленькие оранжевые на них А 09 81 и В 09 81 (вроде как КТ315 и КТ315Б). Так вот из этого всего добра хочу сделать фотореле в подъезд. За основу хочу взять китайскую светодиодную лампочку (так как в ней уже есть простейший преобразователь из 220 в 12 и очень маленькая мощность самой лампы, всего 1 ватт.) Вместо фоторезистора хочу использовать МП40 со спиленной крышкой. Подскажите пожалуйста простую и надежную схему с данными транзисторами.


Вернуться наверх
 
Не в сети
 Заголовок сообщения: прошу подсказки по фотодатчику
СообщениеДобавлено: Сб июн 13, 2015 13:08:41 
Родился

Зарегистрирован: Сб июн 13, 2015 12:44:38
Сообщений: 5
Откуда: Черкассы
Рейтинг сообщения: 0
Всем привет .
решил собрать сумеречный датчик(фотореле) перепробовал 3 модели в том числе и на 555 . не понравились . 1 в то время когда солнце за горизонтом а на улице уже светло все они практически не реагируют . 2.дребезг в момент включения или выключения .

нашёл очень достойную схему на CA3130 проверил все работает очень хорошие пределы регулировок реагирует на освещение очень хорошо регулировки очень приятные.

но при подключении коммутации соответственно через транзистор дребезг есть .

долго мучался с дребезгом .. и решил пойти по пути задержки включения и отключения .

не могу найти схему ..


Сюда перенес.
aen


Вложения:
1000mk_image370.jpg [31.67 KiB]
Скачиваний: 1335


Последний раз редактировалось aen Сб июн 13, 2015 15:57:38, всего редактировалось 2 раз(а).
Вернуться наверх
 
Не в сети
 Заголовок сообщения: Re: прошу подсказки по фотодатчику
СообщениеДобавлено: Сб июн 13, 2015 15:44:20 
Друг Кота

Карма: 68
Рейтинг сообщений: 1408
Зарегистрирован: Сб янв 29, 2011 00:28:48
Сообщений: 7774
Рейтинг сообщения: 2
в твоих схемах нет гистерезиса (разницы порогов вкл-выкл), поэтому дребезг...
Изображение
Первый операционник просто повторитель, а второй - триггер Шмитта...


Вернуться наверх
 
Эиком - электронные компоненты и радиодетали
Не в сети
 Заголовок сообщения: Re: прошу подсказки по фотодатчику
СообщениеДобавлено: Сб июн 13, 2015 15:48:51 
Друг Кота
Аватар пользователя

Карма: 142
Рейтинг сообщений: 5961
Зарегистрирован: Чт авг 09, 2012 01:09:39
Сообщений: 6642
Откуда: Ливны
Рейтинг сообщения: 0
Вариант "б" с гистерезисом.

_________________
Большой опыт, порой, не даёт находить/видеть нам простые и очевидные решения. :(
Всегда с уважением, Александр.


Вернуться наверх
 
Не в сети
 Заголовок сообщения: Re: прошу подсказки по фотодатчику
СообщениеДобавлено: Сб июн 13, 2015 15:54:30 
Друг Кота

Карма: 68
Рейтинг сообщений: 1408
Зарегистрирован: Сб янв 29, 2011 00:28:48
Сообщений: 7774
Рейтинг сообщения: 0
да, но видимо, разница порогов большая и не устраивает...


Вернуться наверх
 
Не в сети
 Заголовок сообщения: Re: Фотореле
СообщениеДобавлено: Сб июн 13, 2015 16:05:21 
Друг Кота
Аватар пользователя

Карма: 142
Рейтинг сообщений: 5961
Зарегистрирован: Чт авг 09, 2012 01:09:39
Сообщений: 6642
Откуда: Ливны
Рейтинг сообщения: 0
Ширину гистерезиса, при желании, легко можно уменьшить введением ООС (резистора с выхода на вход триггера Шмитта). Резистор подобрать по желаемой ширине гистерезиса.

_________________
Большой опыт, порой, не даёт находить/видеть нам простые и очевидные решения. :(
Всегда с уважением, Александр.


Вернуться наверх
 
Не в сети
 Заголовок сообщения: Re: Фотореле
СообщениеДобавлено: Сб июн 13, 2015 17:00:35 
Родился

Зарегистрирован: Сб июн 13, 2015 12:44:38
Сообщений: 5
Откуда: Черкассы
Рейтинг сообщения: 0
использую схему а) .очень хорошие показатели при минимальной освещенности (особенно при подключении двух фототранзисторов в параллель . но вот выход ОУ хочу завести на таймер который бы делал задержку от 1 до 5 минут (как на включение так и на отключение) для того что бы избежать дребезга


Вернуться наверх
 
Не в сети
 Заголовок сообщения: Re: Фотореле
СообщениеДобавлено: Сб июн 13, 2015 17:08:32 
Друг Кота
Аватар пользователя

Карма: 142
Рейтинг сообщений: 5961
Зарегистрирован: Чт авг 09, 2012 01:09:39
Сообщений: 6642
Откуда: Ливны
Рейтинг сообщения: 3
olma-top писал(а):
использую схему а)
В этой схеме добавьте резистор ПОС (в выхода 6 на вход 3) создающий гистерезис. Сопротивление будет зависеть от выставленного сопротивления R3 и необходимой ширины гистерезиса.

_________________
Большой опыт, порой, не даёт находить/видеть нам простые и очевидные решения. :(
Всегда с уважением, Александр.


Вернуться наверх
 
Не в сети
 Заголовок сообщения: Re: Фотореле
СообщениеДобавлено: Сб июн 13, 2015 17:23:30 
Родился

Зарегистрирован: Сб июн 13, 2015 12:44:38
Сообщений: 5
Откуда: Черкассы
Рейтинг сообщения: 0
Вложение:
ristin7.jpg [42.43 KiB]
Скачиваний: 1080


а если так ?


Вернуться наверх
 
Не в сети
 Заголовок сообщения: Re: Фотореле
СообщениеДобавлено: Сб июн 13, 2015 17:29:45 
Друг Кота
Аватар пользователя

Карма: 142
Рейтинг сообщений: 5961
Зарегистрирован: Чт авг 09, 2012 01:09:39
Сообщений: 6642
Откуда: Ливны
Рейтинг сообщения: 0
olma-top писал(а):
а если так ?
:shock: Зачем? Просто добавьте один резистор ~10МОм. между выв.3 и выв.6 в свою исходную схему.

_________________
Большой опыт, порой, не даёт находить/видеть нам простые и очевидные решения. :(
Всегда с уважением, Александр.


Вернуться наверх
 
Не в сети
 Заголовок сообщения: Re: Фотореле
СообщениеДобавлено: Сб июн 13, 2015 18:00:31 
Родился

Зарегистрирован: Сб июн 13, 2015 12:44:38
Сообщений: 5
Откуда: Черкассы
Рейтинг сообщения: 0
считаю что все равно на некоторых значениях петли гистерезиса будет дребезг . нужно просто сделать задержку и это решит проблему координально


Вернуться наверх
 
Не в сети
 Заголовок сообщения: Re: Фотореле
СообщениеДобавлено: Сб июн 13, 2015 22:52:19 
Родился

Зарегистрирован: Сб июн 13, 2015 12:44:38
Сообщений: 5
Откуда: Черкассы
Рейтинг сообщения: 0
знал но проверил специально . как я и говорил дребезг остался .


Последний раз редактировалось aen Сб июн 13, 2015 23:12:29, всего редактировалось 1 раз.
Нарушение Правил форума п. 2.2


Вернуться наверх
 
Не в сети
 Заголовок сообщения: Re: Фотореле
СообщениеДобавлено: Пн июн 22, 2015 00:17:05 
Друг Кота

Карма: 68
Рейтинг сообщений: 1408
Зарегистрирован: Сб янв 29, 2011 00:28:48
Сообщений: 7774
Рейтинг сообщения: 0
Проверил своё фотореле, никакого зудения реле нет, если фоторезистор на плате....Если на метровом неэкранированном проводе, то да - дребезжит, но при увеличении 100n до 1 мкФ дребезг исчезает....
(наверное, и гистерезисом можно добиться чёткого срабатывания и экранированным проводом)...


Вернуться наверх
 
Не в сети
 Заголовок сообщения: Помогите со схемой фотореле
СообщениеДобавлено: Вт авг 04, 2015 13:16:26 
Опытный кот
Аватар пользователя

Зарегистрирован: Пн янв 21, 2013 05:34:19
Сообщений: 705
Откуда: Сахалин
Рейтинг сообщения: 0
Доброго времени суток, уважаемые! Нужна ваша помошь со схемой фотореле.
Основные требования, напряжение питания 5-12 вольт (5 предпочтительнее), регулировка чуствительности на включение и выключение, защита от ложного срабатывания.
Есть датчик , фоторезистор, маркировку не знаю, но очень похож на датчики, которые раньше стояли в видеоплеерах (такой как из черного стекла, с одной стороны линза).
При проверке (на улице посмурно, в помещении включен свет) сопротивление показало около 57кОм, закрываю датчик черной тканью, показывает обрыв (больше мегаома). Есть ОУ ТЛ071...
Может кто собирал что то подобное или схемка есть...
Можно и на транзисторах, главное что бы можно было регулировать чувствительность.
Схемка будет работать на освещение аквариума, и датчик планируется выносной (на окно).
В общем заранее большое спасибо за помощь.


Сюда перенес, что бы не повторять то, что уже писали.
aen


Вернуться наверх
 
В сети
 Заголовок сообщения: Re: Помогите со схемой фотореле
СообщениеДобавлено: Вт авг 04, 2015 13:23:35 
Друг Кота
Аватар пользователя

Карма: 197
Рейтинг сообщений: 8593
Зарегистрирован: Пн ноя 30, 2009 03:00:01
Сообщений: 43120
Откуда: Нерезиновая
Рейтинг сообщения: 3
NikolayZ писал(а):
Нужна ваша помошь со схемой фотореле.

Есть датчик , фоторезистор, маркировку не знаю, но очень похож на датчики, которые раньше стояли в видеоплеерах (такой как из черного стекла, с одной стороны линза).
При проверке (на улице посмурно, в помещении включен свет) сопротивление показало около 57кОм, закрываю датчик черной тканью, показывает обрыв (больше мегаома). .
А внешний вид датчика можно увидеть?
Просто обычно "из чёрного стекла" - это фотоприёмники ИНФРАКРАСНОГО излучения, кроме того ТРЁХНОГИЕ фотоприёмники- это ещё и усилители- формирователи..

а так- на ОУ можно сделать КОМПАРАТОР, и даже КОМПАРАТОР с ГИСТЕРЕЗИСОМ, и, добавив ещё транзистор и реле- включать/выключать подсветку аквариума в зависимости от уличного освещения..


Вернуться наверх
 
Не в сети
 Заголовок сообщения: Re: Фотореле
СообщениеДобавлено: Вт авг 04, 2015 14:10:14 
Опытный кот
Аватар пользователя

Зарегистрирован: Пн янв 21, 2013 05:34:19
Сообщений: 705
Откуда: Сахалин
Рейтинг сообщения: 0
Завтра, завтра покажу, датчик на работе остался. Он к стати, двуногий :) Я не сильно разбираюсь в электронике, наверно глупый вопрос сейчас задам, но даже если он и не фоторезистор, на свет то реагирует, почему его не использовать?
Вот фото датчика
Вложение:
Датчик.jpg [255.97 KiB]
Скачиваний: 743

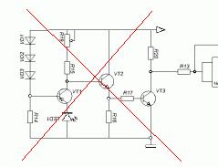
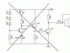
В поисках схемы на ОУ нашел вот такую (к стати на этом форуме)
Изображение
и вот такую
Изображение
Расскажите пожалуйста, какая предпочтительнее? И можно ли их собрать на TL 072/082?
Оказывается фотореле можно сделать и на 555 таймере :oops:
Вот что нашел Изображение
Скажите, а на чем лучше всего делать фотореле, их делают и на ОУ и на транзисторах и на NE555 и т.д.... На чем все таки предпочтительнее изготавливать? Или все зависит от условий?


Вернуться наверх
 
Не в сети
 Заголовок сообщения: Re: Фотореле
СообщениеДобавлено: Чт авг 06, 2015 05:02:33 
Опытный кот
Аватар пользователя

Зарегистрирован: Пн янв 21, 2013 05:34:19
Сообщений: 705
Откуда: Сахалин
Рейтинг сообщения: 0
Еще раз доброго времени суток! В общем в поисках схем фотореле, остановился на 2-х.
1- взята от сюда :http://cxem.net/house/1-315.php
Изображение
2-я. Источник не помню, поэтому только схема
Изображение
обе схемы на 24 вольта.
Посмотрите пожалуйста, какая схема предпочтительнее и надежнее?
И еще вопрос, по 2-й схеме, подскажите что нужно изменить при питании от 12Вольт? Можно поставить TL072 вместо LM358?
Вот схемка, Изображениеподправленная в паинте, как хотелось бы, нодскажите что нужно изменить/заменить что бы работала?
Спасибо!


Вернуться наверх
 
Не в сети
 Заголовок сообщения: Re: Фотореле
СообщениеДобавлено: Чт авг 06, 2015 05:16:48 
Друг Кота

Карма: 68
Рейтинг сообщений: 1408
Зарегистрирован: Сб янв 29, 2011 00:28:48
Сообщений: 7774
Рейтинг сообщения: 0
Наверное, можно и TL072....и питание 12 В... ничего менять не просится...
NikolayZ писал(а):
2-я. Источник не помню

Источник - пан сам склэпав....)))))))
=========
Картинки, выходящие за пределы экрана, надо прятать (spoiler)....


Последний раз редактировалось Enman Чт авг 06, 2015 05:20:37, всего редактировалось 1 раз.

Вернуться наверх
 
Не в сети
 Заголовок сообщения: Re: Фотореле
СообщениеДобавлено: Чт авг 06, 2015 06:14:11 
Опытный кот
Аватар пользователя

Зарегистрирован: Пн янв 21, 2013 05:34:19
Сообщений: 705
Откуда: Сахалин
Рейтинг сообщения: 0
Enman, а по стабильности и надежности хорошая схемка?
И еще, а как регулировать чуствительность? Ни как не могу найти ту статью с этой схемой...


Вернуться наверх
 
Показать сообщения за:  Сортировать по:  Вернуться наверх
Начать новую тему Ответить на тему  [ Сообщений: 253 ]     ... , , , 10, , ,  

Часовой пояс: UTC + 3 часа


Кто сейчас на форуме

Сейчас этот форум просматривают: нет зарегистрированных пользователей и гости: 23


Вы не можете начинать темы
Вы не можете отвечать на сообщения
Вы не можете редактировать свои сообщения
Вы не можете удалять свои сообщения
Вы не можете добавлять вложения

Найти:
Перейти:  


Powered by phpBB © 2000, 2002, 2005, 2007 phpBB Group
Русская поддержка phpBB
Extended by Karma MOD © 2007—2012 m157y
Extended by Topic Tags MOD © 2012 m157y