Например TDA7294

Форум РадиоКот • Просмотр темы - Качественная информация про планки ФМ на ВЭФ
Форум РадиоКот
Здесь можно немножко помяукать :)

Текущее время: Вс дек 28, 2025 01:50:59

Часовой пояс: UTC + 3 часа


ПРЯМО СЕЙЧАС:



Начать новую тему Ответить на тему  [ Сообщений: 303 ]     ... , , , 14, ,  
Автор Сообщение
Не в сети
 Заголовок сообщения: Re: Качественная информация про планки ФМ на ВЭФ
СообщениеДобавлено: Пн ноя 15, 2021 22:05:39 
Мучитель микросхем
Аватар пользователя

Карма: 8
Рейтинг сообщений: 135
Зарегистрирован: Пн янв 01, 2018 17:00:18
Сообщений: 482
Откуда: Россия
Рейтинг сообщения: 0
они меня не заинтересовали. равно как и других. Если нужно, отправлю и Вам...

Спасибо, просто хотел узнать ваше мнение.


Вернуться наверх
 
Не в сети
 Заголовок сообщения: Re: Качественная информация про планки ФМ на ВЭФ
СообщениеДобавлено: Ср мар 30, 2022 10:54:41 
Первый раз сказал Мяу!

Зарегистрирован: Ср дек 10, 2008 13:27:44
Сообщений: 23
Рейтинг сообщения: 0
Видео-видео-видео, а схему этого чуда посмотреть можно?


Вернуться наверх
 
Не в сети
 Заголовок сообщения: Re: Качественная информация про планки ФМ на ВЭФ
СообщениеДобавлено: Ср мар 30, 2022 11:12:02 
Собутыльник Кота

Карма: 14
Рейтинг сообщений: 472
Зарегистрирован: Вс фев 02, 2020 09:12:37
Сообщений: 2804
Рейтинг сообщения: 0
Талгат7174 же попросил писать в личку.............и какой конкретно вариант под какую модель тоже надо указывать....


Вернуться наверх
 
Не в сети
 Заголовок сообщения: Re: Качественная информация про планки ФМ на ВЭФ
СообщениеДобавлено: Чт май 26, 2022 11:05:23 
Родился

Зарегистрирован: Сб янв 29, 2022 22:23:54
Сообщений: 6
Рейтинг сообщения: 0
Доброго Вам времени, интересует перестройка стерео плеера томь 209 , схема есть опыта нет, можно -ли к вам обратиться с таким аппаратом, на форуме да и вообще толковую информацию не нашел. спасибо. с уважением Александр.


Вернуться наверх
 
Эиком - электронные компоненты и радиодетали
Не в сети
 Заголовок сообщения: Re: Качественная информация про планки ФМ на ВЭФ
СообщениеДобавлено: Чт май 26, 2022 11:52:20 
Это не хвост, это антенна
Аватар пользователя

Карма: 17
Рейтинг сообщений: 536
Зарегистрирован: Вс ноя 30, 2014 14:37:01
Сообщений: 1444
Рейтинг сообщения: 0
Александр742011, ответил в личку


Вернуться наверх
 
Не в сети
 Заголовок сообщения: Re: Качественная информация про планки ФМ на ВЭФ
СообщениеДобавлено: Пн май 15, 2023 12:17:51 
Родился

Зарегистрирован: Пн май 15, 2023 09:39:20
Сообщений: 1
Рейтинг сообщения: 0
Добрый день. Не могу написать Вам в личку. Как купить планку на Океан 214?


Вернуться наверх
 
Не в сети
 Заголовок сообщения: Re: Качественная информация про планки ФМ на ВЭФ
СообщениеДобавлено: Пн июл 10, 2023 08:12:51 
Это не хвост, это антенна
Аватар пользователя

Карма: 17
Рейтинг сообщений: 536
Зарегистрирован: Вс ноя 30, 2014 14:37:01
Сообщений: 1444
Рейтинг сообщения: 0
Планка ФМ за городом. Вполне годится для "оживления" блоков ИП2, Ип2А и т.д. ... https://www.youtube.com/watch?v=AQH7n64Yyp8


Вернуться наверх
 
Не в сети
 Заголовок сообщения: Re: Качественная информация про планки ФМ на ВЭФ
СообщениеДобавлено: Ср окт 04, 2023 19:21:53 
Родился

Зарегистрирован: Ср мар 14, 2018 18:24:14
Сообщений: 11
Рейтинг сообщения: 0
Здравствуйте , поделитесь пожалуйста материалом, которые предоставляет Талгат, у меня приемник веф и океан. Спасибо.


Вернуться наверх
 
Не в сети
 Заголовок сообщения: Re: Качественная информация про планки ФМ на ВЭФ
СообщениеДобавлено: Сб ноя 11, 2023 14:51:59 
Опытный кот

Карма: 6
Рейтинг сообщений: 11
Зарегистрирован: Пн дек 29, 2014 11:48:22
Сообщений: 811
Рейтинг сообщения: 0
Медали: 1
Получил миской по аватаре (1)
Добрый день, Талгат! Прочитал несколько страниц, но так и не понял - если я хочу планку для Риги-103, чтоб частота менялась не резистором, а штатным КПЕ - то подойдёт ли KT0936B9? На авито увидел такую планку, но как КПЕ приделать, не пойму. Ведь микроконтроллеры ёмкость 10-400пФ не могут измерять, чтоб управлять KT0936B9?


Вернуться наверх
 
Не в сети
 Заголовок сообщения: Re: Качественная информация про планки ФМ на ВЭФ
СообщениеДобавлено: Сб ноя 11, 2023 18:47:09 
Это не хвост, это антенна
Аватар пользователя

Карма: 17
Рейтинг сообщений: 536
Зарегистрирован: Вс ноя 30, 2014 14:37:01
Сообщений: 1444
Рейтинг сообщения: 0
А чем Вас конкретно резистор не устраивает ? Он на Риге 103 прекрасно работает. https://youtu.be/JAIITui67GM?feature=shared Ничего в раритете не курочится. Настройка осуществляется по феншую - ручкой настройки УКВ. В отличие от варианта с КПЕ, где крутится ручка АМ настройки, что не "кошерно"
https://youtu.be/PkobiGCTE_g?feature=shared


Вернуться наверх
 
Не в сети
 Заголовок сообщения: Re: Качественная информация про планки ФМ на ВЭФ
СообщениеДобавлено: Сб ноя 11, 2023 18:58:26 
Опытный кот

Карма: 6
Рейтинг сообщений: 11
Зарегистрирован: Пн дек 29, 2014 11:48:22
Сообщений: 811
Рейтинг сообщения: 0
Медали: 1
Получил миской по аватаре (1)
И правда. А нельзя ли сделать "пароход" так, чтоб его надевать сверху кожуха? всё-таки было бы более красиво.
Почём продаёте планку, шкив и "пароход"?


Вернуться наверх
 
Не в сети
 Заголовок сообщения: Re: Качественная информация про планки ФМ на ВЭФ
СообщениеДобавлено: Сб ноя 11, 2023 19:42:21 
Это не хвост, это антенна
Аватар пользователя

Карма: 17
Рейтинг сообщений: 536
Зарегистрирован: Вс ноя 30, 2014 14:37:01
Сообщений: 1444
Рейтинг сообщения: 0
Здесь не торговая площадка, иначе нарушение правил форума. Я не инициирую продажи и интереса в этом нет. Обратитесь к тем, кто в этом заинтересован.


Вернуться наверх
 
Не в сети
 Заголовок сообщения: Re: Качественная информация про планки ФМ на ВЭФ
СообщениеДобавлено: Вт апр 02, 2024 06:51:25 
Родился

Зарегистрирован: Чт мар 28, 2024 07:10:33
Сообщений: 1
Рейтинг сообщения: 0
А можно мне на почту ziprak83@gmail.com печатку платы и схемы? К сожалению не могу написать в ЛС (не хватает рейтинга)


Вернуться наверх
 
Не в сети
 Заголовок сообщения: Re: Качественная информация про планки ФМ на ВЭФ
СообщениеДобавлено: Ср апр 03, 2024 01:31:47 
Это не хвост, это антенна
Аватар пользователя

Карма: 17
Рейтинг сообщений: 536
Зарегистрирован: Вс ноя 30, 2014 14:37:01
Сообщений: 1444
Рейтинг сообщения: 0
Выполнено.


Вернуться наверх
 
Не в сети
 Заголовок сообщения: Re: Качественная информация про планки ФМ на ВЭФ
СообщениеДобавлено: Ср апр 17, 2024 21:00:37 
Нашел транзистор. Понюхал.

Зарегистрирован: Ср апр 17, 2024 20:24:19
Сообщений: 171
Откуда: Курская область,
Рейтинг сообщения: 0
Доброго времени суток! Подскажите пожалуйста, как избавиться от искажений. Собрано по прилагаемой схеме. Дискриминатор и фильтры взяты от музыкального центра JVC


Вернуться наверх
 
Не в сети
 Заголовок сообщения: Re: Качественная информация про планки ФМ на ВЭФ
СообщениеДобавлено: Чт апр 18, 2024 08:36:18 
Это не хвост, это антенна
Аватар пользователя

Карма: 17
Рейтинг сообщений: 536
Зарегистрирован: Вс ноя 30, 2014 14:37:01
Сообщений: 1444
Рейтинг сообщения: 0
Маркировка фильтров и дискриминатора совпадает с рекомендованными в даташите микросхемы?

Вот к примеру на одном их форумов писали " Заменил дискриминатор на "правильный" с такой же маркировкой как у трёхногих (их не менял), хрипы пропали."

Я бы замерил ток потребления, если повышенный, то это уже не к фильтрам...


Вернуться наверх
 
Не в сети
 Заголовок сообщения: Re: Качественная информация про планки ФМ на ВЭФ
СообщениеДобавлено: Чт апр 18, 2024 19:37:21 
Нашел транзистор. Понюхал.

Зарегистрирован: Ср апр 17, 2024 20:24:19
Сообщений: 171
Откуда: Курская область,
Рейтинг сообщения: 0
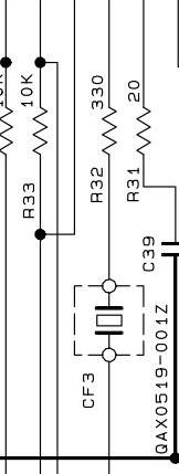
Вложение:
Фильтры.jpg [80.09 KiB]
Скачиваний: 143
Вложение:
Дискриминатор.jpg [30.74 KiB]
Скачиваний: 127
Фильтры и дискриминатор изображены на прилагаемых схемах


Вернуться наверх
 
Не в сети
 Заголовок сообщения: Re: Качественная информация про планки ФМ на ВЭФ
СообщениеДобавлено: Чт апр 18, 2024 21:05:27 
Это не хвост, это антенна
Аватар пользователя

Карма: 17
Рейтинг сообщений: 536
Зарегистрирован: Вс ноя 30, 2014 14:37:01
Сообщений: 1444
Рейтинг сообщения: 0
Это ни о чем.... Я же писал Вам: открывайте даташит микросхемы и устанавливайте соответствие факту.


Вернуться наверх
 
Не в сети
 Заголовок сообщения: Re: Качественная информация про планки ФМ на ВЭФ
СообщениеДобавлено: Пт апр 19, 2024 21:49:53 
Нашел транзистор. Понюхал.

Зарегистрирован: Ср апр 17, 2024 20:24:19
Сообщений: 171
Откуда: Курская область,
Рейтинг сообщения: 0
Вложение:
170463113563233517.jpg [38.19 KiB]
Скачиваний: 115
схема такая по даташиту микросхемы TEA5710 надо ставить фильтры и дискриминатор фирмы Murata. Фактически имеются в наличии фильтры L10,7A и дискриминаторы J10,7 и еще фильтры SKM3N фирмы TOKO и дискриминатор d107m tdk


Вернуться наверх
 
Не в сети
 Заголовок сообщения: Re: Качественная информация про планки ФМ на ВЭФ
СообщениеДобавлено: Сб май 11, 2024 13:58:20 
Нашел транзистор. Понюхал.

Зарегистрирован: Ср апр 17, 2024 20:24:19
Сообщений: 171
Откуда: Курская область,
Рейтинг сообщения: 0
Получилось победить искажения при установке в качестве дискриминатора фильтра L10,7A , включив крайние контакты последовательно с сопротивлением 180 ом.


Вернуться наверх
 
Показать сообщения за:  Сортировать по:  Вернуться наверх
Начать новую тему Ответить на тему  [ Сообщений: 303 ]     ... , , , 14, ,  

Часовой пояс: UTC + 3 часа


Кто сейчас на форуме

Сейчас этот форум просматривают: ncbelov и гости: 28


Вы не можете начинать темы
Вы не можете отвечать на сообщения
Вы не можете редактировать свои сообщения
Вы не можете удалять свои сообщения
Вы не можете добавлять вложения

Найти:
Перейти:  


Powered by phpBB © 2000, 2002, 2005, 2007 phpBB Group
Русская поддержка phpBB
Extended by Karma MOD © 2007—2012 m157y
Extended by Topic Tags MOD © 2012 m157y