Например TDA7294

Форум РадиоКот • Просмотр темы - Звуковой пробник, нужно переделать в SMD.
Форум РадиоКот
Здесь можно немножко помяукать :)

Текущее время: Сб янв 24, 2026 00:09:41

Часовой пояс: UTC + 3 часа


ПРЯМО СЕЙЧАС:



Начать новую тему Ответить на тему  [ Сообщений: 56 ]    , , 3
Автор Сообщение
Не в сети
 Заголовок сообщения: Re: Звуковой пробник, нужно переделать в SMD.
СообщениеДобавлено: Сб мар 24, 2012 21:58:41 
Друг Кота
Аватар пользователя

Карма: 52
Рейтинг сообщений: 846
Зарегистрирован: Вт сен 07, 2010 03:01:06
Сообщений: 16545
Откуда: Moscow-Izmaylovo
Рейтинг сообщения: 0
бери MY-65 не ошибёшься
http://forum.mirmasterov.com/viewtopic.php?f=41&t=350

_________________
Лечу лечить WWWашу покалеченную технику.


Вернуться наверх
 
Не в сети
 Заголовок сообщения: Re: Звуковой пробник, нужно переделать в SMD.
СообщениеДобавлено: Вс мар 25, 2012 10:35:23 
Вымогатель припоя

Карма: 9
Рейтинг сообщений: 5
Зарегистрирован: Вт авг 17, 2010 20:28:14
Сообщений: 656
Рейтинг сообщения: 0
Сегодня собираюсь покупать маркер для рисования дорожек на печатных платах. Выбираю из 2 моделей: обычный МАРКЕР CD-DVD VS ЧЕРНЫЙ стоит 16.00 руб и R-TECK ДЛЯ ПЕЧАТНЫХ ПЛАТ 58.00 руб. Есть ли у последнего какие то преимущества или он сделан по типу обычного перманентного маркера ? Кто нибудь пользовался R-TECK маркером, как результаты ? Хотелось бы услышать отзывы в течении часа - двух, так как через 2 часа пойду в магазин, желательно к тому времени определиться, что брать.


Вернуться наверх
 
Не в сети
 Заголовок сообщения: Re: Звуковой пробник, нужно переделать в SMD.
СообщениеДобавлено: Вс мар 25, 2012 10:46:10 
Собутыльник Кота
Аватар пользователя

Карма: 6
Рейтинг сообщений: 59
Зарегистрирован: Вт янв 12, 2010 21:11:22
Сообщений: 2602
Откуда: Волжский Волгоградской обл.
Рейтинг сообщения: 0
Медали: 1
Получил миской по аватаре (1)
Конкретно за фирму не скажу, но покупал когдато и пробовал, не понравилось. Стоит дороговато, а эффект... :cry: Проще купить обычный перманентный, и дешевле и както получше. Хотя не факт, может мне такой попался. А самый лучший вариант это ЛУТ, и качественней и красивей. Осваивайте ЛУТ это просто, не надо бояться.

_________________
Собрали и смело включайте, лишнее выгорит!


Вернуться наверх
 
Не в сети
 Заголовок сообщения: Re: Звуковой пробник, нужно переделать в SMD.
СообщениеДобавлено: Вс мар 25, 2012 11:05:53 
Вымогатель припоя

Карма: 9
Рейтинг сообщений: 5
Зарегистрирован: Вт авг 17, 2010 20:28:14
Сообщений: 656
Рейтинг сообщения: 0
Маркеры для надписи на CD дисках они все перманентные идут ? Скорей всего тогда его и куплю, заходил неделю назад смотрел пишущий кончик маркера вроде тонкий, подходящий. А насчёт ЛУТа принтер обошелся дорого,
хотя и б\у, да и найти сейчас принтер чтобы без счетчика листов (не сбрасывать), и не залоченный трудно. А мой ХП лазерджет 1000 и в заправке дешёвый и без этих недостатков, поэтому рисковать, какую попало бумагу в принтер толкать не хочу. Были случаи, люди рассказвали рекламками убили печку. Мне проще полчаса - час потратить и нарисовать маркером.
Хотя некоторые писали дорожки шириной в 1-1.5 мм получали и на обычной бумаге, на ней обязательно попробую. Ещё прочитал про способ аппликации изоленты на фольгированный текстолит, для СМД мелких плат этот способ наверное неплох, или под изолентой подтравливается ?


Вернуться наверх
 
Эиком - электронные компоненты и радиодетали
Не в сети
 Заголовок сообщения: Re: Звуковой пробник, нужно переделать в SMD.
СообщениеДобавлено: Вс мар 25, 2012 14:42:30 
Собутыльник Кота
Аватар пользователя

Карма: 6
Рейтинг сообщений: 59
Зарегистрирован: Вт янв 12, 2010 21:11:22
Сообщений: 2602
Откуда: Волжский Волгоградской обл.
Рейтинг сообщения: 0
Медали: 1
Получил миской по аватаре (1)
По идее должны быть перманентные.
Я незнаю что вы так трясетесь над принтером. У меня Кэнон LBP2900 отдаю за заправку 200р и не думаю, какое там обнуление, я про такое на лазерниках не слышал, на струйниках есть такое. Ну бывает, что бумажка журнальная застревает, и что!? Вытянул и дальше. А вот если вы будете печать на простой бумаге, то боюсь у вас ничего не получиться. Ибо я понимаю под простой бумагой, обычную белую, а на ней порошок при прохождении через печку будет спекаться и оооочень малое количество достанется для платы. А вот глянцевая бумага не дает порошку в нее въедаться и поэтому большая его часть переходит на текстолит. Это мое личное мнение, на котором я не настаиваю и не коим образом вас не принуждаю. :)
Что касается изоленты, думаю дюже геморойно, да и клеиться она должна очень хорошо, а под раствором может отклеиться. Но по идее под ней не должно подтравлиться, во всяком случае не больше чем с каим либо другим методом. Сам не пробовал, а лишь описал свои мысли.

_________________
Собрали и смело включайте, лишнее выгорит!


Вернуться наверх
 
Не в сети
 Заголовок сообщения: Re: Звуковой пробник, нужно переделать в SMD.
СообщениеДобавлено: Вс мар 25, 2012 16:45:25 
Вымогатель припоя

Карма: 9
Рейтинг сообщений: 5
Зарегистрирован: Вт авг 17, 2010 20:28:14
Сообщений: 656
Рейтинг сообщения: 0
Маркер купил для CD за 16 рублей, написано перманент, кончик тонкий, пишет, проверял, насыщенно, не подсохший. Возможно рискну, с принтером, попробую, я понимаю, что риск есть, но он минимальный, сотни человек на форуме пользуются ЛУТом и только 1 случай порчи принтера. У человека, у которого на принтере запоролась печка, была бумага тонкая, похожая наверное как от рекламок типа Теле 2, она скомкалась и забилась в печке, я скорей всего буду искать журнальную глянцевую, по плотности и толщине примерно равную офисной. Но это когда возникнет надобность делать такую печатку, которую будет сложно нарисовать маркером.
Нашёл у себя купленный по случаю нейтральный паяльный жир, открыл посмотрел, он густой, примерно как свечка парафиновая или мыло. Я выше писал, собирался попробовать сделать самодельную паяльную пасту для пайки СМД, какое примерно соотношение припоя-стружки и жира должно быть ? 50%*50 %? Или стружки припоя больше ? Получившаяся паста, ведь должна быть вязкая, чтобы её удобнее было перемешивать и наносить, т.е. чем можно развести паяльный жир ?


Вернуться наверх
 
Не в сети
 Заголовок сообщения: Re: Звуковой пробник, нужно переделать в SMD.
СообщениеДобавлено: Вс мар 25, 2012 19:56:01 
Вымогатель припоя

Карма: 9
Рейтинг сообщений: 5
Зарегистрирован: Вт авг 17, 2010 20:28:14
Сообщений: 656
Рейтинг сообщения: 0
Разобрал радиотелефон Siemens, иногда не срабатывали штук 6 кнопок. Контакты на плате и на кнопках протер спиртом, сейчас сохнет. Пока не собрал что нибудь еще можно сделать, чтобы улучшить срабатывание кнопок, грязи на контактах видно не было, возможно стерся проводящий слой ?


Вернуться наверх
 
Не в сети
 Заголовок сообщения: Re: Звуковой пробник, нужно переделать в SMD.
СообщениеДобавлено: Вс мар 25, 2012 20:06:50 
Друг Кота

Карма: 28
Рейтинг сообщений: 568
Зарегистрирован: Чт май 05, 2011 21:26:34
Сообщений: 4550
Откуда: Украина, Славутич
Рейтинг сообщения: 0
В таких случаях на кнопки капают токопроводящим клеем. Поидее, протирка спиртом должна помочь, иногда плата пачкается выделениями из самой резинки.


Вернуться наверх
 
Не в сети
 Заголовок сообщения: Re: Звуковой пробник, нужно переделать в SMD.
СообщениеДобавлено: Вс мар 25, 2012 20:13:50 
Вымогатель припоя

Карма: 9
Рейтинг сообщений: 5
Зарегистрирован: Вт авг 17, 2010 20:28:14
Сообщений: 656
Рейтинг сообщения: 0
По моей проблеме с кнопками писали на другом сайте:

"На МОЁМ телефоне поверхность проблемных шайб имела сопротивление 8-10 кОм, стали – 0,5-1 кОм (2 кОм и менее – уже нормально работают). При измерении сопротивления к щупам (контактам) омметра усилия почти не прикладывал (было грамм 50 (усилие))."

Реально ли так определить которые кнопки совсем умерли которые еще более менее (прикоснувшись омметром к краям шайб) ?


Вернуться наверх
 
Не в сети
 Заголовок сообщения: Re: Звуковой пробник, нужно переделать в SMD.
СообщениеДобавлено: Вс мар 25, 2012 20:18:10 
Собутыльник Кота
Аватар пользователя

Карма: 6
Рейтинг сообщений: 59
Зарегистрирован: Вт янв 12, 2010 21:11:22
Сообщений: 2602
Откуда: Волжский Волгоградской обл.
Рейтинг сообщения: 0
Медали: 1
Получил миской по аватаре (1)
По паяльным пастам - просмотрите эти ссылки, думаю поможет, НО, изготовить конечно можно (сам не делал, пользую готовую и то два раза) но сложновато с дозировкой(состав подобрать).
http://www.smtservice.ru/pasta/
http://microsin.ru/content/view/1235/
http://hobbyhandmade.com/materialyi/pri ... astyi.html
Все найдено поиском -"Паяльная паста".
По телефону. Если промывка не помогла, тогда устанавливать ремкомплект. Состоит он из круглых резинок и силиконового клея. Этот набор обычно позиционируют для ремонта пультов дистанционного управления. Скажу сразу, не скупитесь и покупайте вместе с клеем, ибо я по неопытности и жадности (лет 15 назад) купил одни резинки без клея и как показала практика держиться все это только на родном клее, на всем остальном отваливается. Еще обратите внимание на толщину этих резинок(они бывают по тоще и потоньше), ибо это влияет на расстояние от резинки до контаков на плате. Были случаи самопроизвольного замыкания или очень чуствительные кнопки получались. Иногда это плюс, а иногда нет.
.... шустрые вы...
Просто протираю и пробую, если нормально работает, то отлично, просто собираю, а если есть малейший сбой, сразу клею рем. комплект на проблемные места(те которые часто используются).

_________________
Собрали и смело включайте, лишнее выгорит!


Вернуться наверх
 
Не в сети
 Заголовок сообщения: Re: Звуковой пробник, нужно переделать в SMD.
СообщениеДобавлено: Вс мар 25, 2012 20:47:59 
Вымогатель припоя

Карма: 9
Рейтинг сообщений: 5
Зарегистрирован: Вт авг 17, 2010 20:28:14
Сообщений: 656
Рейтинг сообщения: 0
Только что собрал, никакого результата :( . А сколько примерно стоит ремкомплект вместе с клеем ? Может выгоднее купить саму новую резиновую клавиатуру в сервисном центре или спросить в радиомагазине ? Сами контакты на плате они не изнашиваются ?


Вернуться наверх
 
Не в сети
 Заголовок сообщения: Re: Звуковой пробник, нужно переделать в SMD.
СообщениеДобавлено: Вс мар 25, 2012 20:59:13 
Собутыльник Кота
Аватар пользователя

Карма: 6
Рейтинг сообщений: 59
Зарегистрирован: Вт янв 12, 2010 21:11:22
Сообщений: 2602
Откуда: Волжский Волгоградской обл.
Рейтинг сообщения: 0
Медали: 1
Получил миской по аватаре (1)
У нас, если память не изменяет порядка 150-180р. Резинок в комплекте штук 50. Сколько это будет стоить в ваших краях :dont_know: Мне даже неизвестно где вы живете. Насчет покупки клавиатуры, тоже не уверен. Вообще у мня не складывается общение в сервисных центрах, не любят они нашего брата. Им выгоднее самим сделать и заработать. Но попытка не пытка.
Износа контактов на платах никогда невстречал. Контакты тверже резинки.

_________________
Собрали и смело включайте, лишнее выгорит!


Вернуться наверх
 
Не в сети
 Заголовок сообщения: Re: Звуковой пробник, нужно переделать в SMD.
СообщениеДобавлено: Пн мар 26, 2012 00:02:01 
Друг Кота
Аватар пользователя

Карма: 52
Рейтинг сообщений: 846
Зарегистрирован: Вт сен 07, 2010 03:01:06
Сообщений: 16545
Откуда: Moscow-Izmaylovo
Рейтинг сообщения: 0
Изображение

_________________
Лечу лечить WWWашу покалеченную технику.


Вернуться наверх
 
Не в сети
 Заголовок сообщения: Re: Звуковой пробник, нужно переделать в SMD.
СообщениеДобавлено: Вт мар 27, 2012 17:35:05 
Вымогатель припоя

Карма: 9
Рейтинг сообщений: 5
Зарегистрирован: Вт авг 17, 2010 20:28:14
Сообщений: 656
Рейтинг сообщения: 0
MAVr 34, вы отвечали в теме про усилитель на TDA1558Q-1557Q, понимаю что это лучше в раздел Усилители УНЧ, но хотелось бы услышать ответ от вас. Я писал ранее, но тогда так и не собрал:
"Нашел схему усилителя на TDA 1557Q(2x22вт),
Есть две однополосных колонки 8 вт 8 ом. Платы на транзисторах делал неоднократно, путем прорезания канавок в фольгированном текстолите. Можно ли таким путём сделать плату этого усилителя ? Хотелось бы, чтобы это можно было сделать, добавив минимум деталей. Достаточно ли просто прикрутить радиатор к микросхеме на винты применив КПТ -8 ? Как я понимаю, что если на мои колонки (8вт 8ом) подать 22 вт максимальную мощность, то они тут же сгорят ? Как можно ограничить выходную мощность ? Собираюсь подключать этот усилитель к компу, нет ли риска , что сгорит звуковая карта от каких нибудь помех или скачков напряжения ? Соединять звук. карту и входы усилителя, как я понимаю нужно экранированным кабелем, причем экран. оплётку кабеля нужно соединить с GND ?"

Кабель собираюсь купить от сидирома к звуковой карте, им соединить от гнезда джека 3.5 до входа потенциометра, (он будет не впаян в плату, а прикреплен к корпусу ) и таким же кабелем снимать со среднего контакта потенциометров и подавать дальше на R1-R4, R2-R3. Эта схема (правая на рисунке) на Радиокоте взята из даташита и 100 % рабочая ? Как лучше осуществить регулировку громкости с использованием минимума деталей, как я сделал в прикрепленном файле или как то по другому ? Темброблок не нужен, сдвоенные потенциометры в нашем городе дорогие. Потенциометр собираюсь ставить СП3-400 или СП3-500. В аппаратуре питающей эти колонки (старой советской) стоял большой трансформатор со здоровыми диодами на радиаторах (по моему), обязательно ли ставить их или у них большой запас по мощности и можно что нибудь намного меньшее по размерам ? Особенно интересует нет ли риска для компа или звуковой карты (карта хорошая, Креатив) от этой самопальной схемы ?
Ремкомплект с клеем купил, и не так дорого 80 рублей всего, завтра думаю наклею.
Изображение


Вложения:
совмещенная схема тда 1557.jpg [44.99 KiB]
Скачиваний: 484
Вернуться наверх
 
Не в сети
 Заголовок сообщения: Re: Звуковой пробник, нужно переделать в SMD.
СообщениеДобавлено: Вт мар 27, 2012 20:36:59 
Вымогатель припоя

Карма: 9
Рейтинг сообщений: 5
Зарегистрирован: Вт авг 17, 2010 20:28:14
Сообщений: 656
Рейтинг сообщения: 0
Нашел рисунок по схеме вроде соответствует по даташиту:
Изображение
Схема из даташита:
Изображение
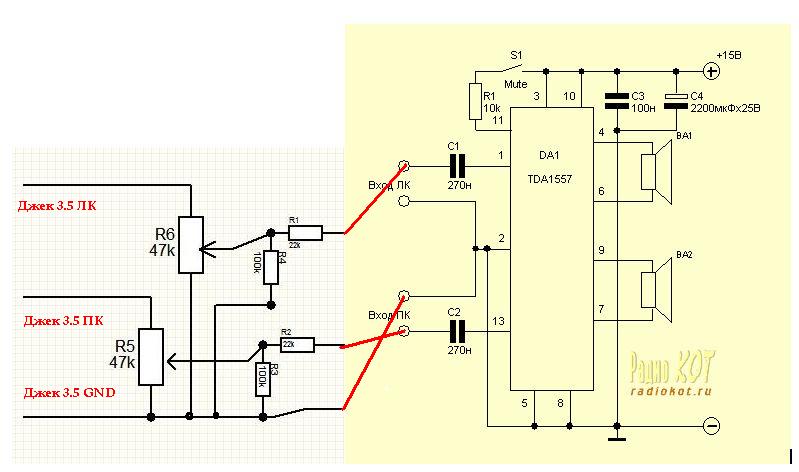
Также нашел печатку, проверил на соответствие схеме, прикреплена ниже, только она на TDA8560Q, но там вроде цоколевка одинаковая ? В печатке посмотрел, пропущен кондёр 100 нф параллельно электролиту, но место на плате есть, поставлю изменив печатку, сделаю с перемычкой. В схеме из даташита масса сигнала не соединена с минусом питания, а на печатке соединена, как будет правильно ? Нужен ли резистор 10 ком последовательно с переключателем MUTE ? В теме где обсуждался этот усилитель говорили, что лучше делать по даташиту. Можно ли сделать как на печатке, т.е. проще, чем на моей добавке к схеме выше, изменить на эту (изображено на рисунке ниже, номиналы резисторов 10 ком, потенциометра 50 ком, кондеров 330 нф) ?
Изображение
270 нф кондеров нет, но есть вроде пленочные на 330 нф, можно ли поставить их ? На какую минимальную мощность нужно делать БП, чтобы пользоваться хотя бы не на полную мощность-громкость ?


Вложения:
TDA8560Q.lay [44.18 KiB]
Скачиваний: 374
Вернуться наверх
 
Не в сети
 Заголовок сообщения: Re: Звуковой пробник, нужно переделать в SMD.
СообщениеДобавлено: Вт мар 27, 2012 20:42:39 
Друг Кота

Карма: 28
Рейтинг сообщений: 568
Зарегистрирован: Чт май 05, 2011 21:26:34
Сообщений: 4550
Откуда: Украина, Славутич
Рейтинг сообщения: 0
Мощность ограничить подачей меньшего напряжения на усилитель.

А насчет подключения - ни в коем случае не используй экранированный кабель, это может стать причиной проникновения помех на вход. Или экранировать, но оплетку не использовать для подсоединения общего провода - подключить оплетку только с одной стороны. Иначе, сама оплетка примет на себя все помехи, и если он используется в качестве общего провода - помеха пойдет в оба канала.

Чесно говоря, использую ОБЫЧНЫЙ аудиокабель не экранированный, две жилы в каждой по 2 провода - 10 метров подключил ими усилитель к компьютеру - и НИКОГДА ни при каких обстоятельствах не было помех, даже когда мобильник вплотную к проводу поднести.

А вот с колонок - лучше экранировать, при мощности в 20Вт неэкранированный провод дает помехи на близлежащий VGA-кабель от монитора так что это заметно на экране монитора! особенно когда частота близка к кратной частоте развертки монитора.


Вернуться наверх
 
Показать сообщения за:  Сортировать по:  Вернуться наверх
Начать новую тему Ответить на тему  [ Сообщений: 56 ]    , , 3

Часовой пояс: UTC + 3 часа


Кто сейчас на форуме

Сейчас этот форум просматривают: нет зарегистрированных пользователей и гости: 26


Вы не можете начинать темы
Вы не можете отвечать на сообщения
Вы не можете редактировать свои сообщения
Вы не можете удалять свои сообщения
Вы не можете добавлять вложения

Найти:
Перейти:  


Powered by phpBB © 2000, 2002, 2005, 2007 phpBB Group
Русская поддержка phpBB
Extended by Karma MOD © 2007—2012 m157y
Extended by Topic Tags MOD © 2012 m157y