Например TDA7294

Форум РадиоКот • Просмотр темы - Вакуумные люминесцентные индикаторы (ВЛИ, VFD)
Форум РадиоКот
Здесь можно немножко помяукать :)

Текущее время: Пн дек 29, 2025 14:26:06

Часовой пояс: UTC + 3 часа


ПРЯМО СЕЙЧАС:



Начать новую тему Ответить на тему  [ Сообщений: 860 ]     ... , , , 27, , , ...  
Автор Сообщение
Не в сети
 Заголовок сообщения: Re: Вакуумные люминесцентные индикаторы (ВЛИ, VFD)
СообщениеДобавлено: Пт окт 21, 2016 13:22:38 
Встал на лапы

Карма: 1
Рейтинг сообщений: 10
Зарегистрирован: Чт июл 10, 2014 21:09:47
Сообщений: 83
Рейтинг сообщения: 0
Подскажите по питанию накала ВЛИ переменкой. Нужна именно переменка (половина периода - в плюс и половина - в минус относительно нуля) или достаточно пульсирующей постоянки (от нуля в плюс)?


Вернуться наверх
 
Не в сети
 Заголовок сообщения: Re: Вакуумные люминесцентные индикаторы (ВЛИ, VFD)
СообщениеДобавлено: Пт окт 21, 2016 13:25:39 
Друг Кота
Аватар пользователя

Карма: 142
Рейтинг сообщений: 5961
Зарегистрирован: Чт авг 09, 2012 01:09:39
Сообщений: 6642
Откуда: Ливны
Рейтинг сообщения: 5
Желательна именно переменка, и со средней точкой.

_________________
Большой опыт, порой, не даёт находить/видеть нам простые и очевидные решения. :(
Всегда с уважением, Александр.


Вернуться наверх
 
Не в сети
 Заголовок сообщения: Re: Вакуумные люминесцентные индикаторы (ВЛИ, VFD)
СообщениеДобавлено: Пт окт 21, 2016 13:38:00 
Встал на лапы

Карма: 1
Рейтинг сообщений: 10
Зарегистрирован: Чт июл 10, 2014 21:09:47
Сообщений: 83
Рейтинг сообщения: 0
А как проще всего получить из пульсирующей постоянки переменку для такого случая - делать что-то типа полумоста или моста?


Вернуться наверх
 
Не в сети
 Заголовок сообщения: Re: Вакуумные люминесцентные индикаторы (ВЛИ, VFD)
СообщениеДобавлено: Пт окт 21, 2016 13:57:27 
Друг Кота
Аватар пользователя

Карма: 142
Рейтинг сообщений: 5961
Зарегистрирован: Чт авг 09, 2012 01:09:39
Сообщений: 6642
Откуда: Ливны
Рейтинг сообщения: 5
Ну раз нет возможности питать переменкой со средней точкой, то вполне сгодится и постоянка/пульсирующее, это не запрещено.
kotozavr писал(а):
А как проще всего получить из пульсирующей постоянки переменку для такого случая
Можно подсмотреть "преобразователь" для накала здесь. :roll:

_________________
Большой опыт, порой, не даёт находить/видеть нам простые и очевидные решения. :(
Всегда с уважением, Александр.


Вернуться наверх
 
Эиком - электронные компоненты и радиодетали
Не в сети
 Заголовок сообщения: Re: Вакуумные люминесцентные индикаторы (ВЛИ, VFD)
СообщениеДобавлено: Пт окт 21, 2016 15:28:23 
Родился

Зарегистрирован: Пн июл 01, 2013 14:24:20
Сообщений: 17
Рейтинг сообщения: 0
kotozavr, питать индикатор можно чем угодно, главное не превышать температуру катода - это ведет к быстрой деградации. Дальше начинаются ньюансы, при питании постоянкой один край будет немного ярче второй темнее(при небольших напряжениях накала и больших анодных не заметно) на разницу напряжения накала. При питании переменкой со средней точкой влияние неравномерности сводится к миниуму.


Вернуться наверх
 
Не в сети
 Заголовок сообщения: Re: Вакуумные люминесцентные индикаторы (ВЛИ, VFD)
СообщениеДобавлено: Пт окт 21, 2016 18:51:09 
Встал на лапы

Карма: 1
Рейтинг сообщений: 10
Зарегистрирован: Чт июл 10, 2014 21:09:47
Сообщений: 83
Рейтинг сообщения: 0
Индикаторы такие: 30 вольт анодное, 1.5В накал. Т.е. разница на краях накала будет всего полтора вольта. Может в этом случае имеет смысл не заморачиваться и питать постоянкой?


Вернуться наверх
 
Не в сети
 Заголовок сообщения: Re: Вакуумные люминесцентные индикаторы (ВЛИ, VFD)
СообщениеДобавлено: Сб окт 22, 2016 08:55:09 
Родился

Зарегистрирован: Пн июл 01, 2013 14:24:20
Сообщений: 17
Рейтинг сообщения: 5
Все верно, в этом случае индикатор стоит питать тем, что проще получить исходя из остальной схемы.


Вернуться наверх
 
Не в сети
 Заголовок сообщения: Re: Вакуумные люминесцентные индикаторы (ВЛИ, VFD)
СообщениеДобавлено: Вт дек 27, 2016 23:22:21 
Родился

Зарегистрирован: Пн дек 26, 2016 22:48:23
Сообщений: 7
Рейтинг сообщения: 0
Добрый день,
Попался мне тут в руки модуль термометра, sth0014, со светодиодной индикацией 3 символа с общим катодом, а в другой коробке завалялись ИВ11.
Хочется сделать небольшой термометр, будет стоять на окне.
Как их наиболее безболезненнее подключить?
Сначала надо сделать питание, - будет питаться от парочки 18650, могу сделать для накала генератор на ne555 с трансформатором, могу ещё сделать степап повышатель до +30. Или лучше намотать доп обмотку и вывести -27?
Как тогда подключить лампы? Пока мозги не хватает сообразить - на каждую лампу поставить 176ие4 или ключи какие-то?


Вернуться наверх
 
Не в сети
 Заголовок сообщения: Re: Вакуумные люминесцентные индикаторы (ВЛИ, VFD)
СообщениеДобавлено: Ср дек 28, 2016 07:11:42 
Друг Кота
Аватар пользователя

Карма: 50
Рейтинг сообщений: 1398
Зарегистрирован: Пт авг 28, 2009 21:34:30
Сообщений: 7321
Откуда: 845-й км.
Рейтинг сообщения: 0
Медали: 1
Получил миской по аватаре (1)
Для ИВ-11 транс переменка как таковая не нужна - накал всего 1.5в - и если анодное не делать 12в, а раза в два выше - разница не будет заметна. Так что простой понижающий преобразователь подойдёт (но на большой ток - каждая лампа 110ма ест). Анодное, делайте как хотите и умеете. А про согласование логики я писал в теме про часы на ВЛИ. Там есть продолжение на следующих страницах. Но, там нет ничего про запорные напряжения (а оно нужно, если у вас динамическая индикация).

_________________
А люди посмотрят и скажут: "Собаки летят. Вот и осень."


Вернуться наверх
 
Не в сети
 Заголовок сообщения: Re: Вакуумные люминесцентные индикаторы (ВЛИ, VFD)
СообщениеДобавлено: Ср дек 28, 2016 09:29:35 
Родился

Зарегистрирован: Пн дек 26, 2016 22:48:23
Сообщений: 7
Рейтинг сообщения: 0
uldemir писал(а):
Для ИВ-11 транс переменка как таковая не нужна - накал всего 1.5в - и если анодное не делать 12в, а раза в два выше - разница не будет заметна. Так что простой понижающий преобразователь подойдёт (но на большой ток - каждая лампа 110ма ест). Анодное, делайте как хотите

Т.е. нормально будет есл запитать накал постоянкой? Преобразователь сделать несложно, хоть на каждую лампу свой, металлома компьютерного много. Анодное +24-30 тоже сделать не проблема.
Про запирающее, поясните поподробнее пжлст. Что надо запирать если динамическая индикация?


Вернуться наверх
 
Не в сети
 Заголовок сообщения: Re: Вакуумные люминесцентные индикаторы (ВЛИ, VFD)
СообщениеДобавлено: Ср дек 28, 2016 09:52:14 
Друг Кота

Карма: 64
Рейтинг сообщений: 1024
Зарегистрирован: Пт мар 07, 2008 06:54:43
Сообщений: 4376
Откуда: Ижевск
Рейтинг сообщения: 5
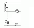
Хотя в ттх на ИВ-11 специально не оговаривается, лучше всё равно подключать накал так
Вложение:
накал.PNG [2.2 KiB]
Скачиваний: 598


Вернуться наверх
 
Не в сети
 Заголовок сообщения: Re: Вакуумные люминесцентные индикаторы (ВЛИ, VFD)
СообщениеДобавлено: Ср дек 28, 2016 10:33:34 
Друг Кота
Аватар пользователя

Карма: 175
Рейтинг сообщений: 7680
Зарегистрирован: Чт апр 04, 2013 12:46:59
Сообщений: 17234
Откуда: Тюмень
Рейтинг сообщения: 0
На потушенные сегменты и сетки подавать небольшое (3~5 вольт) отрицательное относительно катода напряжение. Это гарантирует отсутствие т.н. "подсветки" негорящих сегментов. Показанный чуть выше вариант со стабилитроном - один из. Рекомендуется ещё на стабилитрон подать небольшой ток смещения (0.2~0.5 мА, резистор 100 кОм от анодного напряжения) - это будет поддерживать на стабилитроне стабильное напряжение.

_________________
Общением на форуме подпитываю свою эгоистичную, склонную к самолюбованию сущность.


Вернуться наверх
 
Не в сети
 Заголовок сообщения: Re: Вакуумные люминесцентные индикаторы (ВЛИ, VFD)
СообщениеДобавлено: Ср дек 28, 2016 10:39:41 
Родился

Зарегистрирован: Пн дек 26, 2016 22:48:23
Сообщений: 7
Рейтинг сообщения: 0
При наличии в системе питания -27 про смещение понятно как сделать, я то хотел обойтись только положительным питанием и развязкой с ттл-логикой. Развязку строить или по двухтранзисторной схеме или поставить что-то типа max6931, хотя для неё тоже нужно отрицательное смещение.
Могу кстати, на дросселе повышающей схемы намотать десяток витков и сделать вывод отрицательного смещения и подать его куда?


Зы Напоминаю, что у нас на входе есть только +5В, все остальное нужно получать из него.


Вернуться наверх
 
Не в сети
 Заголовок сообщения: Re: Вакуумные люминесцентные индикаторы (ВЛИ, VFD)
СообщениеДобавлено: Ср дек 28, 2016 11:05:59 
Друг Кота
Аватар пользователя

Карма: 175
Рейтинг сообщений: 7680
Зарегистрирован: Чт апр 04, 2013 12:46:59
Сообщений: 17234
Откуда: Тюмень
Рейтинг сообщения: 0
Для такого случая я бы таки рекомендовал получать -27(30) вольт. Управлять анодами проще - один PNP транзистор и два резистора. Т.е., например, на часовой индикатор нужно 7+4=11 транзисторов и 22 резистора в драйверы и ещё 11 резисторов для подтяжки каждого электрода к "-".
При этом транзистор может быть включен как с ОБ (драйвер без инверсии), так и с ОЭ - дайвер с инверсией (т.е. лог 0 - сегмент зажжён).

_________________
Общением на форуме подпитываю свою эгоистичную, склонную к самолюбованию сущность.


Вернуться наверх
 
Не в сети
 Заголовок сообщения: Re: Вакуумные люминесцентные индикаторы (ВЛИ, VFD)
СообщениеДобавлено: Ср дек 28, 2016 12:21:38 
Родился

Зарегистрирован: Пн дек 26, 2016 22:48:23
Сообщений: 7
Рейтинг сообщения: 0
У меня всего три индикатора, т.е. в два раза меньше всего. Соответсвенно, стоит ли делать ещё и переменку на накал? Или оставить постоянку +1,5?


Вернуться наверх
 
Не в сети
 Заголовок сообщения: Re: Вакуумные люминесцентные индикаторы (ВЛИ, VFD)
СообщениеДобавлено: Ср дек 28, 2016 12:42:12 
Друг Кота
Аватар пользователя

Карма: 175
Рейтинг сообщений: 7680
Зарегистрирован: Чт апр 04, 2013 12:46:59
Сообщений: 17234
Откуда: Тюмень
Рейтинг сообщения: 0
Да не в два раза. Если три одиночных индикатора, то это 7 сегментов и три сетки. Т.е. 10 транзисторов :)
При 1.5 вольта накальном напряжении делать переменку нет особой необходимости.
С другой стороны, когда 1.5 вольта получаются из пяти при помощи трансформатора, но зачем нужно ещё что-то выпрямлять? Подавать просто переменку как есть...

_________________
Общением на форуме подпитываю свою эгоистичную, склонную к самолюбованию сущность.


Вернуться наверх
 
Не в сети
 Заголовок сообщения: Re: Вакуумные люминесцентные индикаторы (ВЛИ, VFD)
СообщениеДобавлено: Ср дек 28, 2016 13:49:15 
Родился

Зарегистрирован: Пн дек 26, 2016 22:48:23
Сообщений: 7
Рейтинг сообщения: 0
Про трансформатор вопрос открытый. Если делать схему с положительным питанием, то в схеме только один дроссель и понижающий преобразователь для накала.


Вернуться наверх
 
Не в сети
 Заголовок сообщения: Re: Вакуумные люминесцентные индикаторы (ВЛИ, VFD)
СообщениеДобавлено: Ср дек 28, 2016 14:12:01 
Друг Кота
Аватар пользователя

Карма: 175
Рейтинг сообщений: 7680
Зарегистрирован: Чт апр 04, 2013 12:46:59
Сообщений: 17234
Откуда: Тюмень
Рейтинг сообщения: 0
Хрен редьки не слаще. Думаете, что выиграете, исключив трансформатор - проиграете по количеству других компонент.

_________________
Общением на форуме подпитываю свою эгоистичную, склонную к самолюбованию сущность.


Вернуться наверх
 
Не в сети
 Заголовок сообщения: Re: Вакуумные люминесцентные индикаторы (ВЛИ, VFD)
СообщениеДобавлено: Ср дек 28, 2016 14:18:12 
Родился

Зарегистрирован: Пн дек 26, 2016 22:48:23
Сообщений: 7
Рейтинг сообщения: 0
Вопрос смысла - для получения 1,5 вольт накала из +5 я могу поставить одну lm317 с небольшим радиатором и даже немного регулировать накал. Для получения того же самого из трансформатора мне нужен генератор, трансформатор и набор пассивных элементов. Побольше получается.
Возможно правильным шагом будет сделать из +5 через трансформатор сразу и накал и -27 для ламп. Тогда можно по схеме с ОБ делать согласование с ттл-логикой.


Вернуться наверх
 
Не в сети
 Заголовок сообщения: Re: Вакуумные люминесцентные индикаторы (ВЛИ, VFD)
СообщениеДобавлено: Ср дек 28, 2016 15:06:27 
Друг Кота
Аватар пользователя

Карма: 175
Рейтинг сообщений: 7680
Зарегистрирован: Чт апр 04, 2013 12:46:59
Сообщений: 17234
Откуда: Тюмень
Рейтинг сообщения: 0
"генератор" - это два транзистора, четыре резистора и два конденсатора. А можно и просто два транзистора - сигнал для мультиплексирования-то наверняка есть, его для переключения транзисторов и использовать. Хотя... решаете в итоге сами.

_________________
Общением на форуме подпитываю свою эгоистичную, склонную к самолюбованию сущность.


Вернуться наверх
 
Показать сообщения за:  Сортировать по:  Вернуться наверх
Начать новую тему Ответить на тему  [ Сообщений: 860 ]     ... , , , 27, , , ...  

Часовой пояс: UTC + 3 часа


Кто сейчас на форуме

Сейчас этот форум просматривают: Google [Bot], vovw и гости: 33


Вы не можете начинать темы
Вы не можете отвечать на сообщения
Вы не можете редактировать свои сообщения
Вы не можете удалять свои сообщения
Вы не можете добавлять вложения

Найти:
Перейти:  


Powered by phpBB © 2000, 2002, 2005, 2007 phpBB Group
Русская поддержка phpBB
Extended by Karma MOD © 2007—2012 m157y
Extended by Topic Tags MOD © 2012 m157y