Например TDA7294

Форум РадиоКот • Просмотр темы - Вакуумные люминесцентные индикаторы (ВЛИ, VFD)
Форум РадиоКот
Здесь можно немножко помяукать :)

Текущее время: Сб дек 27, 2025 02:11:48

Часовой пояс: UTC + 3 часа


ПРЯМО СЕЙЧАС:



Начать новую тему Ответить на тему  [ Сообщений: 860 ]     ... , , , 38, , , ...  
Автор Сообщение
Не в сети
 Заголовок сообщения: Re: Вакуумные люминесцентные индикаторы (ВЛИ, VFD)
СообщениеДобавлено: Пт июн 21, 2019 12:15:41 
Друг Кота
Аватар пользователя

Карма: 142
Рейтинг сообщений: 5961
Зарегистрирован: Чт авг 09, 2012 01:09:39
Сообщений: 6642
Откуда: Ливны
Рейтинг сообщения: 0
mkvam писал(а):
Не совсем понял, почему должен быть относительно катода 56 ножка контроллера в минусе?
Потому что на этом выводе с помощью стабилитрона формируется отрицательное запирающее напряжение относительно катода.

В норме должно быть так, на выв.64 относительно катода примерно +24В., а на выв.56 примерно -5В., так же относительно катода. Я ещё раз обращаю внимание что все напряжения относительно катода, это избавляет нас от разбирательства с применённой в данном конкретном случае схемотехникой питания.

_________________
Большой опыт, порой, не даёт находить/видеть нам простые и очевидные решения. :(
Всегда с уважением, Александр.


Вернуться наверх
 
Не в сети
 Заголовок сообщения: Re: Вакуумные люминесцентные индикаторы (ВЛИ, VFD)
СообщениеДобавлено: Пт июн 21, 2019 14:28:48 
Родился

Зарегистрирован: Пн июн 17, 2019 10:52:28
Сообщений: 19
Рейтинг сообщения: 0
Вечером еще раз замеры сделаю.
Но похоже там не такие будут значения.
Если на 56 ножке уже не минус, а плюс, может это быть причиной стабилитрон?
И на какое он может быть напряжение, если его менять?
Что-то перестало файлы добавлять...


Последний раз редактировалось mkvam Пт июн 21, 2019 14:40:04, всего редактировалось 1 раз.

Вернуться наверх
 
Не в сети
 Заголовок сообщения: Re: Вакуумные люминесцентные индикаторы (ВЛИ, VFD)
СообщениеДобавлено: Пт июн 21, 2019 14:35:34 
Друг Кота
Аватар пользователя

Карма: 142
Рейтинг сообщений: 5961
Зарегистрирован: Чт авг 09, 2012 01:09:39
Сообщений: 6642
Откуда: Ливны
Рейтинг сообщения: 0
mkvam писал(а):
Если на 56 ножке уже не минус, а плюс
Такого в принципе быть не может, т.к. выв.56 подключен к самому отрицательному потенциалу в схеме. Если только он не подключен, а подтяжка анодов/сеток к -24В. осуществлена внешними резисторами, но мне отсюда этого не видно. :roll: :dont_know:
mkvam писал(а):
И на какое он может быть напряжение
Для импортных ВЛИ обычно на 5,1В. :roll:

_________________
Большой опыт, порой, не даёт находить/видеть нам простые и очевидные решения. :(
Всегда с уважением, Александр.


Вернуться наверх
 
Не в сети
 Заголовок сообщения: Re: Вакуумные люминесцентные индикаторы (ВЛИ, VFD)
СообщениеДобавлено: Пт июн 21, 2019 14:46:17 
Родился

Зарегистрирован: Пн июн 17, 2019 10:52:28
Сообщений: 19
Рейтинг сообщения: 0
подтяжка осуществлена внешними резисторами от -24В.


Вернуться наверх
 
Эиком - электронные компоненты и радиодетали
Не в сети
 Заголовок сообщения: Re: Вакуумные люминесцентные индикаторы (ВЛИ, VFD)
СообщениеДобавлено: Пт июн 21, 2019 14:55:06 
Друг Кота
Аватар пользователя

Карма: 142
Рейтинг сообщений: 5961
Зарегистрирован: Чт авг 09, 2012 01:09:39
Сообщений: 6642
Откуда: Ливны
Рейтинг сообщения: 0
Чтож, в таком случае забываем про выв.56, он скорее всего болтается в воздухе и на нём может быть что угодно. Значит тогда снимайте осциллограмму на любой из сеток относительно катода (желательно прямо на выводах индикатора), снятую с открытым входом осциллографа. Должны быть импульсы скважностью 1:10 амплитудой примерно 24В. и смещением вниз примерно на 5В.

_________________
Большой опыт, порой, не даёт находить/видеть нам простые и очевидные решения. :(
Всегда с уважением, Александр.


Вернуться наверх
 
Не в сети
 Заголовок сообщения: Re: Вакуумные люминесцентные индикаторы (ВЛИ, VFD)
СообщениеДобавлено: Пт июн 21, 2019 15:16:25 
Родился

Зарегистрирован: Пн июн 17, 2019 10:52:28
Сообщений: 19
Рейтинг сообщения: 0
так и есть, импульсы скважностью 1:10.
Я об этом писал в первом посте.
просто замер делал относительно общего.
Как можно проверить что индикатор жив?


Вернуться наверх
 
Не в сети
 Заголовок сообщения: Re: Вакуумные люминесцентные индикаторы (ВЛИ, VFD)
СообщениеДобавлено: Пт июн 21, 2019 15:23:42 
Друг Кота
Аватар пользователя

Карма: 142
Рейтинг сообщений: 5961
Зарегистрирован: Чт авг 09, 2012 01:09:39
Сообщений: 6642
Откуда: Ливны
Рейтинг сообщения: 0
А нужно относительно катода, потому как если катод повиснет в воздухе (обрыв стабилитрона) импульсы будут следовать как ни в чём не бывало относительно общего, а вот индикатор светить уже не будет, т.к. катод будет не подключён. Вот что должно быть на сетке относительно катода:

СпойлерИзображение


Вложения:
fig.jpg [14.12 KiB]
Скачиваний: 616

_________________
Большой опыт, порой, не даёт находить/видеть нам простые и очевидные решения. :(
Всегда с уважением, Александр.
Вернуться наверх
 
Не в сети
 Заголовок сообщения: Re: Вакуумные люминесцентные индикаторы (ВЛИ, VFD)
СообщениеДобавлено: Пт июн 21, 2019 16:02:08 
Родился

Зарегистрирован: Пн июн 17, 2019 10:52:28
Сообщений: 19
Рейтинг сообщения: 0
Понял, вечером проверю.
Спасибо, что помогаете разобраться!

Добавлено after 12 minutes 13 seconds:
нашел схему немного похожа, индикатор другой, но контроллер тот же.
И нет резисторов смещения на сетках и анодах.

Добавлено after 19 minutes 27 seconds:
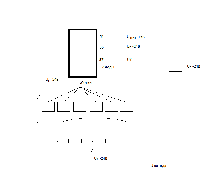
моя схема такая


Вложения:
Схема.png [11.12 KiB]
Скачиваний: 441
hfe_yamaha_cdx-9_service.pdf [3.68 MiB]
Скачиваний: 210
Вернуться наверх
 
Не в сети
 Заголовок сообщения: Re: Вакуумные люминесцентные индикаторы (ВЛИ, VFD)
СообщениеДобавлено: Сб июн 22, 2019 13:44:05 
Родился

Зарегистрирован: Пн июн 17, 2019 10:52:28
Сообщений: 19
Рейтинг сообщения: 0
померил сигналы, есть отличия...

Добавлено after 1 minute 58 seconds:
на индикаторе видно, что колба в месте, где запаяна внутри как будто затуманено.
Может колба все же потеряла герметичность?


Вложения:
2.jpg [191.13 KiB]
Скачиваний: 301
1.jpg [225.59 KiB]
Скачиваний: 497
Вернуться наверх
 
Не в сети
 Заголовок сообщения: Re: Вакуумные люминесцентные индикаторы (ВЛИ, VFD)
СообщениеДобавлено: Сб июн 22, 2019 13:51:35 
Друг Кота
Аватар пользователя

Карма: 142
Рейтинг сообщений: 5961
Зарегистрирован: Чт авг 09, 2012 01:09:39
Сообщений: 6642
Откуда: Ливны
Рейтинг сообщения: 0
Нормальные импульсы, должен светить. :dont_know:

_________________
Большой опыт, порой, не даёт находить/видеть нам простые и очевидные решения. :(
Всегда с уважением, Александр.


Вернуться наверх
 
Не в сети
 Заголовок сообщения: Re: Вакуумные люминесцентные индикаторы (ВЛИ, VFD)
СообщениеДобавлено: Сб июн 22, 2019 13:56:24 
Родился

Зарегистрирован: Пн июн 17, 2019 10:52:28
Сообщений: 19
Рейтинг сообщения: 0
Нормальные импульсы, должен светить. :dont_know:


может колба потеряла герметичность и по этому не светит?
Как проверить колбу?


Вернуться наверх
 
Не в сети
 Заголовок сообщения: Re: Вакуумные люминесцентные индикаторы (ВЛИ, VFD)
СообщениеДобавлено: Сб июн 22, 2019 13:59:28 
Друг Кота
Аватар пользователя

Карма: 233
Рейтинг сообщений: 11338
Зарегистрирован: Чт авг 30, 2012 20:24:40
Сообщений: 37346
Откуда: Нижний Новгород
Рейтинг сообщения: 5
mkvam писал(а):
может колба потеряла герметичность и по этому не светит?
Нет.
То чёрное пятно напылённого металла стало бы белым.
СпойлерИзображение


Вернуться наверх
 
Не в сети
 Заголовок сообщения: Re: Вакуумные люминесцентные индикаторы (ВЛИ, VFD)
СообщениеДобавлено: Сб июн 22, 2019 13:59:45 
Друг Кота
Аватар пользователя

Карма: 142
Рейтинг сообщений: 5961
Зарегистрирован: Чт авг 09, 2012 01:09:39
Сообщений: 6642
Откуда: Ливны
Рейтинг сообщения: 0
mkvam писал(а):
Как проверить колбу?
Посмотреть на геттер (при нарушении герметичности обесцвечивается), а геттер вроде говорит о герметичности. :roll:
Во, Андрей уже опередил. :)
Растяните один такт, хочу фронты импульса увидеть, уж больно "красиво" выглядят. :roll:

_________________
Большой опыт, порой, не даёт находить/видеть нам простые и очевидные решения. :(
Всегда с уважением, Александр.


Вернуться наверх
 
Не в сети
 Заголовок сообщения: Re: Вакуумные люминесцентные индикаторы (ВЛИ, VFD)
СообщениеДобавлено: Сб июн 22, 2019 14:11:09 
Родился

Зарегистрирован: Пн июн 17, 2019 10:52:28
Сообщений: 19
Рейтинг сообщения: 0
mkvam писал(а):
Как проверить колбу?
Посмотреть на геттер (при нарушении герметичности обесцвечивается), а геттер вроде говорит о герметичности. :roll:
Во, Андрей уже опередил. :)
Растяните один такт, хочу фронты импульса увидеть, уж больно "красиво" выглядят. :roll:


вот...


Вложения:
4.jpg [209.5 KiB]
Скачиваний: 475
3.jpg [193.67 KiB]
Скачиваний: 464
Вернуться наверх
 
Не в сети
 Заголовок сообщения: Re: Вакуумные люминесцентные индикаторы (ВЛИ, VFD)
СообщениеДобавлено: Сб июн 22, 2019 14:15:36 
Друг Кота
Аватар пользователя

Карма: 142
Рейтинг сообщений: 5961
Зарегистрирован: Чт авг 09, 2012 01:09:39
Сообщений: 6642
Откуда: Ливны
Рейтинг сообщения: 0
Ну да, как будто индикатора нет совсем, либо без накала. Накал точно есть, и сколько? :dont_know:

_________________
Большой опыт, порой, не даёт находить/видеть нам простые и очевидные решения. :(
Всегда с уважением, Александр.


Вернуться наверх
 
Не в сети
 Заголовок сообщения: Re: Вакуумные люминесцентные индикаторы (ВЛИ, VFD)
СообщениеДобавлено: Сб июн 22, 2019 14:18:07 
Родился

Зарегистрирован: Пн июн 17, 2019 10:52:28
Сообщений: 19
Рейтинг сообщения: 0
стабилитрон привязки катода проверил - целый.

вот на 57 ножке приходит через резисторы +5В и -24В от питания относительно общего.
В итоге там -3,2В.
А на схеме от ямахи, что здесь выкладывал он сидит на общем.
Общий подвал на 57 ногу, ничего не поменялось.

Добавлено after 1 minute 33 seconds:
Ну да, как будто индикатора нет совсем, либо без накала. Накал точно есть, и сколько? :dont_know:


4,7В переменки между ногами колбы


Вернуться наверх
 
Не в сети
 Заголовок сообщения: Re: Вакуумные люминесцентные индикаторы (ВЛИ, VFD)
СообщениеДобавлено: Сб июн 22, 2019 14:18:53 
Друг Кота
Аватар пользователя

Карма: 142
Рейтинг сообщений: 5961
Зарегистрирован: Чт авг 09, 2012 01:09:39
Сообщений: 6642
Откуда: Ливны
Рейтинг сообщения: 0
Стабилитрон здесь не при чём, импульсы относительно катода есть, причём слишком красивые (ну это потому что индикатор не светит :))) ).
Цитата:
4,7В переменки между ногами колбы

Нити накала в темноте видны? Может мало, может нужно 6,3В. :roll: :dont_know:

P.S Ну а на анодах я думаю что-то есть?

_________________
Большой опыт, порой, не даёт находить/видеть нам простые и очевидные решения. :(
Всегда с уважением, Александр.


Вернуться наверх
 
Не в сети
 Заголовок сообщения: Re: Вакуумные люминесцентные индикаторы (ВЛИ, VFD)
СообщениеДобавлено: Сб июн 22, 2019 14:24:00 
Родился

Зарегистрирован: Пн июн 17, 2019 10:52:28
Сообщений: 19
Рейтинг сообщения: 0
Стабилитрон здесь не при чём, импульсы относительно катода есть, причём слишком красивые (ну это потому что индикатор не светит :))) ).
Цитата:
4,7В переменки между ногами колбы

Нити накала в темноте видны? Может мало, может нужно 6,3В. :roll: :dont_know:


это питание от трансформатора, больше там нету...
Индикатор и так хорошо греется, где-то около 40 градусов.

на анодах и катодах размах импульсов одинаковый, отличаются только структурой...


Вернуться наверх
 
Не в сети
 Заголовок сообщения: Re: Вакуумные люминесцентные индикаторы (ВЛИ, VFD)
СообщениеДобавлено: Сб июн 22, 2019 14:33:29 
Друг Кота
Аватар пользователя

Карма: 142
Рейтинг сообщений: 5961
Зарегистрирован: Чт авг 09, 2012 01:09:39
Сообщений: 6642
Откуда: Ливны
Рейтинг сообщения: 0
Греться он будет и на недокаленном катоде. Нужно визуальное наблюдение свечения нитей в темноте.

Просто это последняя надежда, в противном случае индикатор в ведро. :cry:

_________________
Большой опыт, порой, не даёт находить/видеть нам простые и очевидные решения. :(
Всегда с уважением, Александр.


Вернуться наверх
 
Не в сети
 Заголовок сообщения: Re: Вакуумные люминесцентные индикаторы (ВЛИ, VFD)
СообщениеДобавлено: Сб июн 22, 2019 15:37:49 
Родился

Зарегистрирован: Пн июн 17, 2019 10:52:28
Сообщений: 19
Рейтинг сообщения: 0
подал 6В, не светит
подал 10В - нет
подал 20В - нити не светят!
но ток индиктор потребляет!?
Как так?

8,5 Ом показывает индикатор, от питания конечно отключен...


Вернуться наверх
 
Показать сообщения за:  Сортировать по:  Вернуться наверх
Начать новую тему Ответить на тему  [ Сообщений: 860 ]     ... , , , 38, , , ...  

Часовой пояс: UTC + 3 часа


Кто сейчас на форуме

Сейчас этот форум просматривают: нет зарегистрированных пользователей и гости: 35


Вы не можете начинать темы
Вы не можете отвечать на сообщения
Вы не можете редактировать свои сообщения
Вы не можете удалять свои сообщения
Вы не можете добавлять вложения

Найти:
Перейти:  


Powered by phpBB © 2000, 2002, 2005, 2007 phpBB Group
Русская поддержка phpBB
Extended by Karma MOD © 2007—2012 m157y
Extended by Topic Tags MOD © 2012 m157y