Например TDA7294

Форум РадиоКот • Просмотр темы - щелевой прерыватель 24в
Форум РадиоКот
Здесь можно немножко помяукать :)

Текущее время: Пн фев 09, 2026 14:39:52

Часовой пояс: UTC + 3 часа


ПРЯМО СЕЙЧАС:



Начать новую тему Ответить на тему  [ Сообщений: 50 ]  1, ,  
Автор Сообщение
Не в сети
 Заголовок сообщения: щелевой прерыватель 24в
СообщениеДобавлено: Вт сен 03, 2019 10:45:41 
Первый раз сказал Мяу!

Зарегистрирован: Вт сен 03, 2019 05:43:55
Сообщений: 25
Рейтинг сообщения: 0
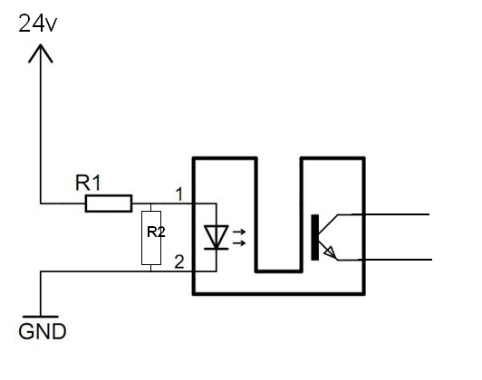
здравствуйте
есть фотопрерыватель ITR9608 и напряжение 24в.

Изображение

может кто-то подключал уже от 24в, какой лучше использовать резистор R1 чтобы резистор не сильно грелся и чтобы хватало света для фототранзистора?


Вложения:
9RcaqM777.jpg [16.07 KiB]
Скачиваний: 764
ITR9608.pdf [364.88 KiB]
Скачиваний: 149
Вернуться наверх
 
Не в сети
 Заголовок сообщения: Re: щелевой прерыватель 24в
СообщениеДобавлено: Вт сен 03, 2019 11:05:57 
Друг Кота
Аватар пользователя

Карма: 116
Рейтинг сообщений: 4520
Зарегистрирован: Пт мар 30, 2012 05:17:29
Сообщений: 16203
Откуда: Екатеринбург
Рейтинг сообщения: 0
Его характеристики нормируются при токе серез СД 20 мА. То есть резистор будет рассеивать полватта мощности и соответственно греться. И ничего с этим не поделать, придётся смириться. Или снижать напряжение питания (DC/DC).

_________________
И хрюкотали зелюки,
Как мюмзики в мове.


Вернуться наверх
 
Не в сети
 Заголовок сообщения: Re: щелевой прерыватель 24в
СообщениеДобавлено: Вт сен 03, 2019 16:24:07 
Первый раз сказал Мяу!

Зарегистрирован: Вт сен 03, 2019 05:43:55
Сообщений: 25
Рейтинг сообщения: 0
Его характеристики нормируются при токе серез СД 20 мА. То есть резистор будет рассеивать полватта мощности и соответственно греться. И ничего с этим не поделать, придётся смириться. Или снижать напряжение питания (DC/DC).


ну у меня есть толстые резисторы 2вт на такой случай, посмотрю что будет по температуре. А вообще у меня к нему уже был припаян резистор 10Ком (ограничивающий ток на диод), так и с 24вольтами работал с ним нормально. раньше это стояло толи на 12в, толи на 5в ардуинке, точно не помню. щас еще гляну что мультиметр покажет


Вернуться наверх
 
Не в сети
 Заголовок сообщения: Re: щелевой прерыватель 24в
СообщениеДобавлено: Вт сен 03, 2019 16:34:03 
Друг Кота
Аватар пользователя

Карма: 116
Рейтинг сообщений: 4520
Зарегистрирован: Пт мар 30, 2012 05:17:29
Сообщений: 16203
Откуда: Екатеринбург
Рейтинг сообщения: 0
Меньший ток - на ваш страх и риск. В даташите минимальный ток не указан, так что это вроде как не нарушение.

_________________
И хрюкотали зелюки,
Как мюмзики в мове.


Вернуться наверх
 
Эиком - электронные компоненты и радиодетали
Не в сети
 Заголовок сообщения: Re: щелевой прерыватель 24в
СообщениеДобавлено: Вт сен 03, 2019 16:54:08 
Первый раз сказал Мяу!

Зарегистрирован: Вт сен 03, 2019 05:43:55
Сообщений: 25
Рейтинг сообщения: 0
скажите пожалуйста, а имеет ли смысл ставить здесь параллельно диоду еще один резистор R2 от помехи (в другой теме вы посоветовали это сделать с моп-реле, на случай длинных проводов), по сути эти компоненты очень похожи между собой

Изображение

хотя подозреваю, что в данном случае светодиод обычно просто постоянно горит и никакая помеха тут ложное срабатывание не даст и прерывание света идет за счет попадания предмета в щель. Но вот если его использовать не как прерыватель, а как обычный оптрон? надеюсь понятно выразил мысль :)


Вложения:
kZF4121.jpg [17.05 KiB]
Скачиваний: 804
Вернуться наверх
 
Не в сети
 Заголовок сообщения: Re: щелевой прерыватель 24в
СообщениеДобавлено: Вт сен 03, 2019 17:36:11 
Друг Кота

Карма: 20
Рейтинг сообщений: 820
Зарегистрирован: Пт ноя 02, 2018 16:14:36
Сообщений: 3154
Рейтинг сообщения: 0
mickbell писал(а):
В даташите минимальный ток не указан, так что это вроде как не нарушение.
это ж не переключатель, чёткой границы "работает - не работает" нет. Приводятся картинки параметров в зависимости от, близкие к линейным.
radiouser1337 писал(а):
скажите пожалуйста, а имеет ли смысл ставить здесь параллельно диоду еще один резистор R2 от помехи
Больше пользы от ёмкости, но и она необязательна. Десятимиллиамперная помеха маловероятна.

_________________
Нет ничего практичнее хорошей теории


Вернуться наверх
 
Не в сети
 Заголовок сообщения: Щелевой прерыватель ITR9608
СообщениеДобавлено: Сб сен 07, 2019 04:30:06 
Первый раз сказал Мяу!

Зарегистрирован: Вт сен 03, 2019 05:43:55
Сообщений: 25
Рейтинг сообщения: 0
Тут вопрос конкретно про сам прерыватель. а именно, какой минимальный ток нужен светодиоду внутри самого прерывателя для нормальной работы при DC 24v ? если я правильно понял, то это таблица Electro-Optical Characteristics, но там ячейка min везде пустая. мне бы хотелось, чтобы ток был как можно меньше и при этом фототранзистор нормально срабатывал :)


Вложения:
ITR9608.pdf [364.88 KiB]
Скачиваний: 151


Последний раз редактировалось aen Сб сен 07, 2019 08:44:54, всего редактировалось 1 раз.
Сюда перенес.
Вернуться наверх
 
Не в сети
 Заголовок сообщения: Re: Щелевой прерыватель ITR9608
СообщениеДобавлено: Сб сен 07, 2019 04:46:11 
Друг Кота

Карма: 68
Рейтинг сообщений: 1408
Зарегистрирован: Сб янв 29, 2011 00:28:48
Сообщений: 7774
Рейтинг сообщения: 1
radiouser1337 писал(а):
мне бы хотелось

так сиди, паяй и меряй то, что тебе бы хотелось, а так - пустой трёп...
===
Для примера, в мышах ток светодиода 4 мА, а нагрузка фототранзистора 10К при 5 В (до 0,5 мА)...


Вернуться наверх
 
Не в сети
 Заголовок сообщения: Re: щелевой прерыватель 24в
СообщениеДобавлено: Сб сен 07, 2019 08:43:49 
Друг Кота

Карма: 20
Рейтинг сообщений: 820
Зарегистрирован: Пт ноя 02, 2018 16:14:36
Сообщений: 3154
Рейтинг сообщения: 0
radiouser1337 писал(а):
и при этом фототранзистор нормально срабатывал
Что значит "срабатывал"? Транзистор не тиристор, у него нет порога переключения. плавно увеличиваем ток светодиода, плавно увеличивается освещённость фототранзистора, плавно увеличивается его коллекторный ток в соответствии с приведёнными в даташите графиками и таблицами. Он не срабатывает, он работает.

_________________
Нет ничего практичнее хорошей теории


Последний раз редактировалось HochReiter Сб сен 07, 2019 09:59:19, всего редактировалось 1 раз.

Вернуться наверх
 
Не в сети
 Заголовок сообщения: Re: Щелевой прерыватель ITR9608
СообщениеДобавлено: Сб сен 07, 2019 08:50:34 
Первый раз сказал Мяу!

Зарегистрирован: Вт сен 03, 2019 05:43:55
Сообщений: 25
Рейтинг сообщения: 0
radiouser1337 писал(а):
мне бы хотелось

так сиди, паяй и меряй то, что тебе бы хотелось, а так - пустой трёп...
===
Для примера, в мышах ток светодиода 4 мА, а нагрузка фототранзистора 10К при 5 В (до 0,5 мА)...


да я какраз сижу и паяю, просто одновременно решил спросить может ктото уже подключал точно так же. интересует именно ток при 24в :)

Добавлено after 3 minutes 8 seconds:
Re: щелевой прерыватель 24в
radiouser1337 писал(а):
и при этом фототранзистор нормально срабатывал
Что значит "срабатывал"? Транзистор не тиристор, у него нет порога переключения. плавно увеличиваем тот светодиода, плавно увеличивается освещённость фототранзистора, плавно увеличивается его коллекторный ток в соответствии с приведёнными в даташите графиками и таблицами. Он не срабатывает, он работает.


это я уже понял, я пытаюсь найти минимальный порог яркости (меняя сопротивление резистора светодиода) при котором транзистор начнет пропускать максимум тока


Последний раз редактировалось aen Сб сен 07, 2019 08:57:55, всего редактировалось 1 раз.
Нарушение Правил форума п. 2.7


Вернуться наверх
 
Не в сети
 Заголовок сообщения: Re: щелевой прерыватель 24в
СообщениеДобавлено: Сб сен 07, 2019 09:03:56 
Друг Кота
Аватар пользователя

Карма: 146
Рейтинг сообщений: 5965
Зарегистрирован: Чт авг 09, 2012 01:09:39
Сообщений: 6643
Откуда: Ливны
Рейтинг сообщения: 0
Согласно даташиту, при 24В. я бы поставил ограничительный резистор 1,2...1,5кОм. :)

_________________
Большой опыт, порой, не даёт находить/видеть нам простые и очевидные решения. :(
Всегда с уважением, Александр.


Вернуться наверх
 
Не в сети
 Заголовок сообщения: Re: щелевой прерыватель 24в
СообщениеДобавлено: Сб сен 07, 2019 09:37:04 
Первый раз сказал Мяу!

Зарегистрирован: Вт сен 03, 2019 05:43:55
Сообщений: 25
Рейтинг сообщения: 0
1,2...1,5кОм. :)
только что попробовал, греются заметно, даже мощные которые толстые. но мне пришла идея поставить например друг за другом несколько резисторов, чтоб их общее сопротивление было как этот один резистор. :) ведь рассеиваемое тепло тогда разделится на них и нагрев будет меньше? так делается вообще на практике? просто проволочных цементных резисторов под рукой ща не найду...


Вернуться наверх
 
Не в сети
 Заголовок сообщения: Re: щелевой прерыватель 24в
СообщениеДобавлено: Сб сен 07, 2019 09:43:34 
Друг Кота
Аватар пользователя

Карма: 146
Рейтинг сообщений: 5965
Зарегистрирован: Чт авг 09, 2012 01:09:39
Сообщений: 6643
Откуда: Ливны
Рейтинг сообщения: 0
radiouser1337 писал(а):
греются заметно, даже мощные которые толстые.
Ну так почти 0,5Вт. надо же куда-то деть, вот резистор и превращает всё это в тепло, это его назначение.
radiouser1337 писал(а):
так делается вообще на практике?
Именно так и делается, если нет резистора подходящей мощности. :)

_________________
Большой опыт, порой, не даёт находить/видеть нам простые и очевидные решения. :(
Всегда с уважением, Александр.


Вернуться наверх
 
Не в сети
 Заголовок сообщения: Re: щелевой прерыватель 24в
СообщениеДобавлено: Сб сен 07, 2019 09:57:41 
Друг Кота

Карма: 20
Рейтинг сообщений: 820
Зарегистрирован: Пт ноя 02, 2018 16:14:36
Сообщений: 3154
Рейтинг сообщения: 1
radiouser1337 писал(а):
я пытаюсь найти минимальный порог яркости (меняя сопротивление резистора светодиода) при котором транзистор начнет пропускать максимум тока
Нафига максимум? Не мотор же вы собираетесь подключать напрямую к транзистору оптопары? Возьмите коллекторный резистор побольше - и никаких забот.

_________________
Нет ничего практичнее хорошей теории


Вернуться наверх
 
Не в сети
 Заголовок сообщения: Re: Щелевой прерыватель ITR9608
СообщениеДобавлено: Сб сен 07, 2019 16:39:48 
Мучитель микросхем
Аватар пользователя

Зарегистрирован: Пт ноя 09, 2018 23:24:27
Сообщений: 418
Откуда: 54° с.ш.
Рейтинг сообщения: 1
Для примера, в мышах ток светодиода 4 мА...

Неправда Ваша... См. вложение.


Вложения:
mouse.gif [16.08 KiB]
Скачиваний: 329

_________________
...а вместо пуповины у меня был шнур от паяльника.
Вернуться наверх
 
Не в сети
 Заголовок сообщения: Re: щелевой прерыватель 24в
СообщениеДобавлено: Сб сен 07, 2019 17:11:00 
Друг Кота

Карма: 68
Рейтинг сообщений: 1408
Зарегистрирован: Сб янв 29, 2011 00:28:48
Сообщений: 7774
Рейтинг сообщения: 1
Во-первых, я ничего не спрашивал, отвечайте на вопросы ТС.....
===
А, во-вторых, специально посмотрел свои зарисовки двух мышей, так там два светодиода последовательно от +5 через резисторы 1К и 1К2, а это ток светодиода меньше 3 мА.
===
Так что свой англ. алфавит можете засунуть туда, откуда вытянули.....


Вернуться наверх
 
Не в сети
 Заголовок сообщения: Re: щелевой прерыватель 24в
СообщениеДобавлено: Сб сен 07, 2019 17:33:16 
Вымогатель припоя

Карма: -8
Рейтинг сообщений: 49
Зарегистрирован: Вс дек 28, 2014 21:54:05
Сообщений: 615
Рейтинг сообщения: 1
Обычно в открытых оптопарах светодиод питают с генератора или можно шимить. Оптотранзистор принимает этот сигнал и дальнейшая схема решает, как на него реагировать. Это даёт 1) уменьшение средней мощности на резисторе и СД и 2) улучшает помехоустойчивость системы. Иначе всё это надо совать в чёрный ящик.

_________________
Я всё-всё узнAю и стану профессором.


Вернуться наверх
 
Не в сети
 Заголовок сообщения: Re: щелевой прерыватель 24в
СообщениеДобавлено: Пн сен 09, 2019 07:27:39 
Первый раз сказал Мяу!

Зарегистрирован: Вт сен 03, 2019 05:43:55
Сообщений: 25
Рейтинг сообщения: 0
всем спасибо за помощь, но остался еще один вопрос теперь уже про максимальный ток светодиода в этом прерывателе. в документе есть значение 20мА, но непонятно это минимум или максимум. мне бы узнать максимальный ток этого светодиода


Вложения:
ITR9608.pdf [364.88 KiB]
Скачиваний: 121
Вернуться наверх
 
Не в сети
 Заголовок сообщения: Re: щелевой прерыватель 24в
СообщениеДобавлено: Пн сен 09, 2019 07:36:06 
Друг Кота
Аватар пользователя

Карма: 146
Рейтинг сообщений: 5965
Зарегистрирован: Чт авг 09, 2012 01:09:39
Сообщений: 6643
Откуда: Ливны
Рейтинг сообщения: 1
Смотреть в таблице "Absolute Maximum Ratings".

_________________
Большой опыт, порой, не даёт находить/видеть нам простые и очевидные решения. :(
Всегда с уважением, Александр.


Вернуться наверх
 
Не в сети
 Заголовок сообщения: Re: щелевой прерыватель 24в
СообщениеДобавлено: Пн сен 09, 2019 08:10:35 
Первый раз сказал Мяу!

Зарегистрирован: Вт сен 03, 2019 05:43:55
Сообщений: 25
Рейтинг сообщения: 0
Absolute Maximum Ratings


я так понимаю это оно?

Forward Current IF 50 mA

тоесть для диода ток 50мА максимум?


Вернуться наверх
 
Показать сообщения за:  Сортировать по:  Вернуться наверх
Начать новую тему Ответить на тему  [ Сообщений: 50 ]  1, ,  

Часовой пояс: UTC + 3 часа


Кто сейчас на форуме

Сейчас этот форум просматривают: Николай_С и гости: 35


Вы не можете начинать темы
Вы не можете отвечать на сообщения
Вы не можете редактировать свои сообщения
Вы не можете удалять свои сообщения
Вы не можете добавлять вложения

Найти:
Перейти:  


Powered by phpBB © 2000, 2002, 2005, 2007 phpBB Group
Русская поддержка phpBB
Extended by Karma MOD © 2007—2012 m157y
Extended by Topic Tags MOD © 2012 m157y