Например TDA7294

Форум РадиоКот • Просмотр темы - Что случится с компараторами?
Форум РадиоКот
Здесь можно немножко помяукать :)

Текущее время: Пт янв 02, 2026 14:48:22

Часовой пояс: UTC + 3 часа


ПРЯМО СЕЙЧАС:



Начать новую тему Ответить на тему  [ Сообщений: 14 ] 
Автор Сообщение
Не в сети
 Заголовок сообщения: Что случится с компараторами?
СообщениеДобавлено: Пт фев 21, 2025 10:42:45 
Первый раз сказал Мяу!

Зарегистрирован: Ср янв 22, 2025 13:53:28
Сообщений: 21
Рейтинг сообщения: 0
В одном из устройств планирую использовать вот такой низковольтный «бесперебойник»:
Вложение:
бесперебойник.GIF [27.08 KiB]
Скачиваний: 62

В основе лежит свинцовый аккумулятор на 4,5В емкостью 1 ампер час. Максимальный ток заряда выбран около 50 мА. Ограничение тока заряда реализовано на компараторе DA2.2 в режиме ОУ. DA2.1 служит компаратором для индикатора заряда и срабатывает при токе менее 1 мА. Ограничение напряжения заряда в 4,56В выполнено на DA1. R10 служит для точной его установки. КТ608Б будет снабжен небольшим радиатором. Нагрузка имеет собственный стабилизатор на 3,3В.

Мой вопрос заключается в следующем: При пропадании основного напряжения питания 6,7В, что случится с компараторами? Каков будет ток, протекающий по их входам? Приведет ли это к их выходу из строя? Если у кого-то есть практический опыт, пожалуйста поделитесь.


Вложения:
бесперебойник.GIF [27.08 KiB]
Скачиваний: 40
Вернуться наверх
 
В сети
 Заголовок сообщения: Re: Что случится с компараторами?
СообщениеДобавлено: Пт фев 21, 2025 12:25:03 
Друг Кота
Аватар пользователя

Карма: 59
Рейтинг сообщений: 2218
Зарегистрирован: Чт янв 26, 2012 16:44:29
Сообщений: 19581
Откуда: Таксимо
Рейтинг сообщения: 0
Судя по структурной схеме 393 паразитных диодов вроде нету в ней, но хз. Сложно понять мысль разработчика, может и не сгорит а может и сгорит. Я бы навсякий случай на 8 ногу дополнительно диод поставил с аккума

_________________
Мои поставщики запчастей с отличной репутацией
texnomag.ru
radioremont.com
pl-1.org
4ip.info
elitan.ru


Вернуться наверх
 
Не в сети
 Заголовок сообщения: Re: Что случится с компараторами?
СообщениеДобавлено: Пт фев 21, 2025 13:02:44 
Опытный кот

Карма: 2
Рейтинг сообщений: 108
Зарегистрирован: Пт ноя 22, 2024 14:08:43
Сообщений: 889
Рейтинг сообщения: 0
по 20К можно добавить на входы


Вернуться наверх
 
Не в сети
 Заголовок сообщения: Re: Что случится с компараторами?
СообщениеДобавлено: Пт фев 21, 2025 13:48:40 
Первый раз сказал Мяу!

Зарегистрирован: Ср янв 22, 2025 13:53:28
Сообщений: 21
Рейтинг сообщения: 0
Нагрузка имеет импульсный характер потребления. В импульсе до 1А, но в основном потребление не превышает 4 мА. Поэтому мне не хочется запитывать компаратор от аккумулятора сберегая его емкость. Если компаратор не выдерживает напряжение на входах при отсутствии его питания, то, на мой взгляд, резисторы по входам не спасут.
Есть еше одно решение, правда напряжение затвор-исток будет всего 2,14В. Не уверен, что МОП транзистор AOD408 откроется в достаточной степени, хотя он и обладает весьма низким сопротивлением канала в открытом состоянии.

Вложение:
бесперебойник2.GIF [28.53 KiB]
Скачиваний: 25


Вернуться наверх
 
Эиком - электронные компоненты и радиодетали
Не в сети
 Заголовок сообщения: Re: Что случится с компараторами?
СообщениеДобавлено: Пт фев 21, 2025 14:48:19 
Опытный кот

Карма: 2
Рейтинг сообщений: 108
Зарегистрирован: Пт ноя 22, 2024 14:08:43
Сообщений: 889
Рейтинг сообщения: 0
Darmok писал(а):
на мой взгляд, резисторы по входам не спасут

взгляд можно проверить на натуре


Вернуться наверх
 
Не в сети
 Заголовок сообщения: Re: Что случится с компараторами?
СообщениеДобавлено: Пт фев 21, 2025 15:32:41 
Друг Кота
Аватар пользователя

Карма: 55
Рейтинг сообщений: 669
Зарегистрирован: Вт сен 25, 2012 23:13:41
Сообщений: 5456
Откуда: г.Дзержинск Нижегородской обл.
Рейтинг сообщения: 0
Мой вопрос заключается в следующем: При пропадании основного напряжения питания 6,7В, что случится с компараторами? Каков будет ток, протекающий по их входам? Приведет ли это к их выходу из строя?
Ничего с ним плохого не случится.
Вот функциональная схема компаратора, можете сами погонять её в симуляторе.
СпойлерИзображение


Тут главный вопрос в другом: Какой смысл собирать схему на радиодеталях родом из СССР? Где Вы собираетесь брать такой аккумулятор? Их уж 40 лет как не выпускают. А те, что сохранились на складах давным-давно умерли своей смертью.

_________________
Спасение утопающих дело рук самих утопающих.


Вернуться наверх
 
Не в сети
 Заголовок сообщения: Re: Что случится с компараторами?
СообщениеДобавлено: Пт фев 21, 2025 16:11:19 
Первый раз сказал Мяу!

Зарегистрирован: Ср янв 22, 2025 13:53:28
Сообщений: 21
Рейтинг сообщения: 0
Вряд ли симулятор мне покажет какие будут входные токи если не заложить в симулируемую схему точные модели компонентов. Наверное проще будет измерить эти токи на практике. Вот только имеющийся у меня мультиметр имеет минимальную цену деления 1 мА. Все хочу изготовить микроамперметр, да никак руки не доходят.
Если никто не знает ответа на мой вопрос, ну что же, придется мне самому собрать простенькую схему подав напряжение 10 В на входы, не присоединяя питание. Посмотрю выживет ли компаратор, хотя малые токи померять не смогу.
Радиодетали из СССР? Так у меня их полно, почему бы и не использовать. Подходящий аккумулятор у меня есть. Это Delta DT401, они также есть в продаже - https://www.delta-battery.ru/catalog/dt/delta-dt-401/


Вернуться наверх
 
В сети
 Заголовок сообщения: Re: Что случится с компараторами?
СообщениеДобавлено: Пт фев 21, 2025 16:42:46 
Друг Кота
Аватар пользователя

Карма: 59
Рейтинг сообщений: 2218
Зарегистрирован: Чт янв 26, 2012 16:44:29
Сообщений: 19581
Откуда: Таксимо
Рейтинг сообщения: 0
Ну предположим p канальный мосфет и им управляет обычный нпн транзистор. База через делитель на вход питания. Питание есть нпн открыт - мосфет тоже

Добавлено after 59 seconds:
А аккумы 4 х вольтовые до сих пор используются. В тех же весах например

_________________
Мои поставщики запчастей с отличной репутацией
texnomag.ru
radioremont.com
pl-1.org
4ip.info
elitan.ru


Вернуться наверх
 
Не в сети
 Заголовок сообщения: Re: Что случится с компараторами?
СообщениеДобавлено: Пт фев 21, 2025 17:19:48 
Первый раз сказал Мяу!

Зарегистрирован: Ср янв 22, 2025 13:53:28
Сообщений: 21
Рейтинг сообщения: 0
На полностью разряженном аккумуляторе напряжение может упасть до 3,2В. Нужен pMOP с малым пороговым напряжением. К сожалению из тех что у меня есть, они либо с напряжением от 2 до 4В, либо с достаточно низким, но с высоким сопротивлением канала - 0,15 Ом. Такое сопротивление будет припятствовать точной установке напряжения заряда, отклонение от которого черевато сокращением срока службы аккумулятора. pMOP достаточно дороги, хотелось бы обойтись без приобретения подходящих образцов.


Вернуться наверх
 
В сети
 Заголовок сообщения: Re: Что случится с компараторами?
СообщениеДобавлено: Пт фев 21, 2025 17:23:34 
Друг Кота
Аватар пользователя

Карма: 59
Рейтинг сообщений: 2218
Зарегистрирован: Чт янв 26, 2012 16:44:29
Сообщений: 19581
Откуда: Таксимо
Рейтинг сообщения: 0
Ну релюшку 5 ти вольтовую тогда

_________________
Мои поставщики запчастей с отличной репутацией
texnomag.ru
radioremont.com
pl-1.org
4ip.info
elitan.ru


Вернуться наверх
 
Не в сети
 Заголовок сообщения: Re: Что случится с компараторами?
СообщениеДобавлено: Вт фев 25, 2025 16:51:55 
Первый раз сказал Мяу!

Зарегистрирован: Ср янв 22, 2025 13:53:28
Сообщений: 21
Рейтинг сообщения: 0
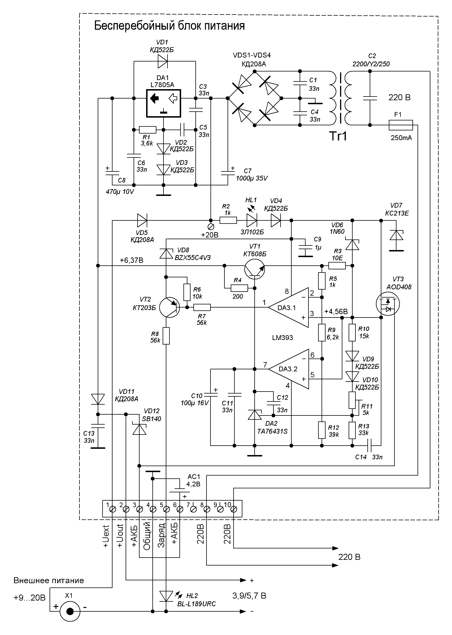
После долгих размышлений и поисков компромиссов остановился на следующем решении.
Вложение:
бесперебойник3.GIF [90.44 KiB]
Скачиваний: 33

Я использовал только имеющиеся у меня в наличии детали, за исключением TVS диода VD2 который предстоит купить. Однако я не уверен в его необходимости, с ним еще надо определиться. Теперь радиатор на КТ608Б не требуется, поскольку основное напряжение снижено до 6,4В. Мощность, рассеиваемая на нем при КЗ аккумулятора, не превысит 320 мВт. Ток заряда прежний 50 мА. Устройство будет эксплуатироваться в неотапливаемом помещении, в связи с этим добавлена термокомпенсация напряжения заряда (диоды VD9, VD10). Под внешним источником питания подразумевается солнечная батарея на 20В. При работе от СБ напряжение на входе может падать до нуля, а потом плавно нарастать. Как только напряжение достигнет 3В транзистор V3 откроется и на входах компараторов напряжение будет равно напряжению аккумулятора т.е. 4,2В. Для того, чтобы защитить входы компараторов предусмотрен диод VD7. Устройство предназначено для круглосуточной всесезонной работы с редким доступом к нему для обслуживания и контроля. Ток потребления нагрузки в дежурном режиме не более 4 мА, импульсная нагрузка около 1 А, длительность импульса 4 секунды, период следования импульсов около 2-3 раз в неделю.

Прежде чем изготавливать блок питания, я прошу опытных коллег проверить корректность схемы и, если будут найдены ошибки или недостатки, указать мне на них.


Вернуться наверх
 
Не в сети
 Заголовок сообщения: Re: Что случится с компараторами?
СообщениеДобавлено: Вт фев 25, 2025 19:17:23 
Сверлит текстолит когтями
Аватар пользователя

Карма: 6
Рейтинг сообщений: 217
Зарегистрирован: Пн ноя 08, 2021 13:12:57
Сообщений: 1177
Откуда: 58С 58В
Рейтинг сообщения: 0
Darmok, ---Как только напряжение достигнет 3В транзистор V3 откроется---
Если в качестве VD6 применить белый светодиод, то транзистор V3 откроется при 5,5 В.
Диапазон напряжений внешнего питания, при котором транзистор V3 открыт ,
но зарядка не идёт из за его недостаточности уменьшится на 2,5 В (5,5-9В).
Если сетевое питание позволяет , то 2 последовательно.:dont_know:

_________________
Свежий взгляд из прошлого тысячелетия.


Вернуться наверх
 
Не в сети
 Заголовок сообщения: Re: Что случится с компараторами?
СообщениеДобавлено: Ср фев 26, 2025 09:37:55 
Первый раз сказал Мяу!

Зарегистрирован: Ср янв 22, 2025 13:53:28
Сообщений: 21
Рейтинг сообщения: 0
Спасибо за предложение. При разработке печатной платы предусмотрю возможность установки пары светодиодов. Чтобы понять, какое падение напряжения на них необходимо, нужно знать, сколько будет падать на стабилизаторе DA1 при напряжении на его входе меньше напряжения стабилизации. Прежде мне не доводилось измерять его. В то же время, завышать падение на светодиодах нерационально.


Вернуться наверх
 
Не в сети
 Заголовок сообщения: Re: Что случится с компараторами?
СообщениеДобавлено: Пн мар 03, 2025 16:30:26 
Первый раз сказал Мяу!

Зарегистрирован: Ср янв 22, 2025 13:53:28
Сообщений: 21
Рейтинг сообщения: 0
Изготовил прототип бесперебойного блока питания с целью отработки схемного решения и выявления его недостатков. Из-за применения маломощного трансформатора и небольшого радиатора на стабилизаторе напряжения, прототип обеспечивает долговременно не более 200 мА тока питания. При импульсном потреблении тока в 1 А, такой ток обеспечивает аккумулятор или солнечная батарея. За 4 секунды длительности импульса микросхема стабилизатора DA1 не успевает перегреться и уйти в тепловую защиту. Выходное напряжение трансформатора при токе нагрузки 1А просаживается с 12 до 6 вольт, но кратковременные импульсы тока нагрузки он выдерживает.
Вложение:
БПП.jpg [191.97 KiB]
Скачиваний: 27

Вложение:
бесперебойник4.GIF [88.31 KiB]
Скачиваний: 28

По предложению Динозавра был добавлен красный светодиод VD4 с падением напряжения 1,8В при токе 1мА. Этого оказалось достаточно для того, чтобы транзистор VT3 открывался после того как напряжение питания компараторов достигнет 5 В. Стабилитрон VD8 препятствует ложной индикации светодиодом HL2 заряда. Он потребовался потому что у данного экземпляра компаратора выход притягивается к нулю, когда напряжение его питания не превышает полутора вольт над напряжением на входах. Ток срабатывания индикации заряда увеличен до 10 мА, при этом аккумулятор заряжен на 98%, а напряжение на нем меньше заданного на 0,001 В. Поскольку аккумулятор используется в буферном режиме заряда, его ток заряда при приближении к напряжению уставки падает до весьма малой величины. Потребовалось трое суток для того чтобы ток заряда упал до 1 мА. Я установил все же небольшой радиатор на транзистор VT1 хотя без этого можно обойтись. Максимальная мощность рассеивается на нем только при КЗ аккумулятора в случае его неисправности, ток ограничивается резистором R3. Я проверял степень нагрева транзистора без радиатора в режиме КЗ в течении 3-х часов. Палец можно удержать на корпусе транзистора, следовательно, его температура была около 60 градусов. При нормальном заряде аккумулятора транзистор чуть теплый.


Вернуться наверх
 
Показать сообщения за:  Сортировать по:  Вернуться наверх
Начать новую тему Ответить на тему  [ Сообщений: 14 ] 

Часовой пояс: UTC + 3 часа


Кто сейчас на форуме

Сейчас этот форум просматривают: нет зарегистрированных пользователей и гости: 23


Вы не можете начинать темы
Вы не можете отвечать на сообщения
Вы не можете редактировать свои сообщения
Вы не можете удалять свои сообщения
Вы не можете добавлять вложения

Найти:
Перейти:  


Powered by phpBB © 2000, 2002, 2005, 2007 phpBB Group
Русская поддержка phpBB
Extended by Karma MOD © 2007—2012 m157y
Extended by Topic Tags MOD © 2012 m157y