Например TDA7294

Форум РадиоКот • Просмотр темы - как после отключение питание на пару сек. замкнуть реле
Форум РадиоКот
Здесь можно немножко помяукать :)

Текущее время: Вт янв 20, 2026 17:50:21

Часовой пояс: UTC + 3 часа


ПРЯМО СЕЙЧАС:



Начать новую тему Ответить на тему  [ Сообщений: 18 ] 
Автор Сообщение
Не в сети
 Заголовок сообщения: как после отключение питание на пару сек. замкнуть реле
СообщениеДобавлено: Пт дек 29, 2006 18:55:01 
Грызет канифоль

Зарегистрирован: Вс дек 17, 2006 19:19:33
Сообщений: 261
Рейтинг сообщения: 0
Господа всем привет.
Прошу вашего совета и помощи.

Проблема вот какая... мне при выключении питания нужно чтобы реле включалось на несколько секунд (3-4 сек).

при такой схеме получается, что во время подачи питания заряжается конденсатор, в это время ток течет через Реле и оно включается на отпределенное время .... в момент когда происходит зарядка конденсатора мне не критично то что реле влючается....

Больше интересует вот какой вопрос. Когда питание пропадает .... конденсатор по идеи должен разряжаться на нагрузку и соотв. ток идти через реле ..... и реле включаться на это время.....
но почему то этого не происходит...

Можете объяснить почему и как сделать чтобы реле и в этом случае включалось.


Вложения:
Комментарий к файлу: схема
sh1.JPG [17.28 KiB]
Скачиваний: 1325
Вернуться наверх
 
Не в сети
 Заголовок сообщения:
СообщениеДобавлено: Пт дек 29, 2006 21:11:02 
Потрогал лапой паяльник
Аватар пользователя

Карма: 3
Рейтинг сообщений: 19
Зарегистрирован: Чт дек 28, 2006 12:46:58
Сообщений: 361
Откуда: Хлынов
Рейтинг сообщения: 0
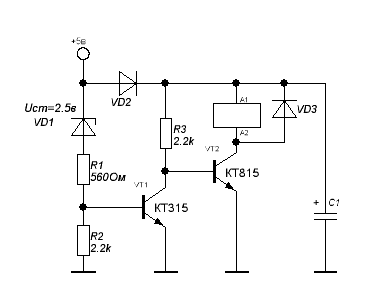
Чтоб у тебя релюшка включалась - напряжение питания должно пропадать практически мгновенно + сопротивление нагрузки быть намного меньше сопротивления релюшки - только тогда на ней будет большой выброс напряжения и она сработает.
..... сильно неудобные требования...

есть предложение: спаяй на пробу схемку из двух транзисторов - намного стабильнее работа будит.

по номиналам - все зависит от условий применения.... при 5в и слаботочном реле - примерно то, что на схеме указано

по работе: релюшка срабатывает если питание меньше примерно 4в (Uст VD1 + падение на R1 R2 VT1) .... и будет держать пока конденсатор не разрядится


Вложения:
pwr.GIF [3.45 KiB]
Скачиваний: 1177
Вернуться наверх
 
 Заголовок сообщения: Реля
СообщениеДобавлено: Сб дек 30, 2006 04:31:29 
Если я правильно понял, то попробуй так: конденсатор включен параллельно реле. А конденсатор подключается к источнику питания через диод. Дело, повидимому, в том, что конденсатор разряжается на остальную схему.


Вернуться наверх
   
 
Не в сети
 Заголовок сообщения:
СообщениеДобавлено: Сб дек 30, 2006 09:29:30 
Потрогал лапой паяльник
Аватар пользователя

Карма: 3
Рейтинг сообщений: 19
Зарегистрирован: Чт дек 28, 2006 12:46:58
Сообщений: 361
Откуда: Хлынов
Рейтинг сообщения: 0
2 Боб:
Зарегистрируйся и увидишь прилепленные у обоих схемы ;)
В твоем варианте - при подключенном напряжении релюшка будет всегда держать, а это человеку ненужно.... a__l, я прав?


Вернуться наверх
 
Эиком - электронные компоненты и радиодетали
Не в сети
 Заголовок сообщения:
СообщениеДобавлено: Сб дек 30, 2006 12:13:11 
Грызет канифоль

Зарегистрирован: Вс дек 17, 2006 19:19:33
Сообщений: 261
Рейтинг сообщения: 0
MiklSh писал(а):
2 Боб:
Зарегистрируйся и увидишь прилепленные у обоих схемы ;)
В твоем варианте - при подключенном напряжении релюшка будет всегда держать, а это человеку ненужно.... a__l, я прав?


Именно .....
Кстати сопротивление релюшки порядка 50Ом ..... Вообщем попробую схему на транзисторах.


Вернуться наверх
 
Не в сети
 Заголовок сообщения:
СообщениеДобавлено: Сб дек 30, 2006 12:16:26 
Грызет канифоль

Зарегистрирован: Вс дек 17, 2006 19:19:33
Сообщений: 261
Рейтинг сообщения: 0
MiklSh писал(а):
Чтоб у тебя релюшка включалась - напряжение питания должно пропадать практически мгновенно + сопротивление нагрузки быть намного меньше сопротивления релюшки - только тогда на ней будет большой выброс напряжения и она сработает.
..... сильно неудобные требования...

есть предложение: спаяй на пробу схемку из двух транзисторов - намного стабильнее работа будит.

по номиналам - все зависит от условий применения.... при 5в и слаботочном реле - примерно то, что на схеме указано

по работе: релюшка срабатывает если питание меньше примерно 4в (Uст VD1 + падение на R1 R2 VT1) .... и будет держать пока конденсатор не разрядится


А какая емкость конденсатора нужна на длительность в пару сек (3-4сек).


Вернуться наверх
 
Не в сети
 Заголовок сообщения:
СообщениеДобавлено: Сб дек 30, 2006 13:31:52 
Потрогал лапой паяльник
Аватар пользователя

Карма: 3
Рейтинг сообщений: 19
Зарегистрирован: Чт дек 28, 2006 12:46:58
Сообщений: 361
Откуда: Хлынов
Рейтинг сообщения: 0
Все зависит от типа релюшки, самое верное - опытным путем....

если по формулам, то (прошу не пугаться, пишу по памяти):
С= -t / (R*Ln(Urt/Ur0)) единицы - микрофарады, секунды, мегаомы, вольты соотв.
твое: если релюшка отпускает при напряжении 1 вольт (а рабочее на ней 4вольта ), время 3 сек:
С= -3 / (0,00005*Ln(1/4)) = 43000 мкф эээ... что то как то многовато..... люди, кто формулы помнит?
при таком значении проще ионистор или аккумулятор поставить немного видоизменив схему)))))


Вернуться наверх
 
Не в сети
 Заголовок сообщения:
СообщениеДобавлено: Сб дек 30, 2006 13:44:59 
Друг Кота
Аватар пользователя

Карма: 6
Рейтинг сообщений: 32
Зарегистрирован: Чт сен 14, 2006 11:42:09
Сообщений: 3792
Откуда: Обитаю на чердаке
Рейтинг сообщения: 0
Ток удержания реле: Iуд=Uпит/(R+Rобм). Время разряда RC-цепочки t=RC. Нам надо обеспечить ток на уровне тока удержания в течение 2-3 с, затем когда он достигнет величины тока отпускания, реле отключится. Величины тока рабочего, удержания, срабатывания, отпускания можно узнать в справочных данных на конкретный тип реле.

_________________
Память очень интересная штука: бывает так, что запомнишь одно, а вспомнишь другое...


Вернуться наверх
 
Не в сети
 Заголовок сообщения:
СообщениеДобавлено: Сб дек 30, 2006 14:13:01 
Говорящий с текстолитом
Аватар пользователя

Карма: 4
Рейтинг сообщений: 15
Зарегистрирован: Чт дек 15, 2005 17:34:48
Сообщений: 1507
Откуда: Петрозаводск
Рейтинг сообщения: 0
да не парьтесь - установите время экспериметнально... кондер, заряжаете и на релюшку :)

_________________
путь наименьшего сопротивления проходит по пути наитолстого провода (с) Сергей Соболь


Вернуться наверх
 
Не в сети
 Заголовок сообщения:
СообщениеДобавлено: Сб дек 30, 2006 14:18:57 
Говорящий с текстолитом
Аватар пользователя

Карма: 4
Рейтинг сообщений: 15
Зарегистрирован: Чт дек 15, 2005 17:34:48
Сообщений: 1507
Откуда: Петрозаводск
Рейтинг сообщения: 0
вот схемка... резистор на 4,7-10кОм, питание до 12В.
Кондер ставите исходя из времени работы реле
диоды - FR207, КД226
в цепь верхнего диода последовательно с ним можно установить резистор 300Ом, тогда диоды можно взять КД522 (1N4148)


Вложения:
sxema.gif [2.3 KiB]
Скачиваний: 1226

_________________
путь наименьшего сопротивления проходит по пути наитолстого провода (с) Сергей Соболь
Вернуться наверх
 
Не в сети
 Заголовок сообщения:
СообщениеДобавлено: Сб дек 30, 2006 17:23:03 
Потрогал лапой паяльник
Аватар пользователя

Карма: 3
Рейтинг сообщений: 19
Зарегистрирован: Чт дек 28, 2006 12:46:58
Сообщений: 361
Откуда: Хлынов
Рейтинг сообщения: 0
Открыл умную книжку, сверил формулу - не ошибся я, все верно. При сопротивлении релюшки 50Ом она разрядит кондер 43000мкф с 4в до 1вольта за 3 секунды.... когда конкретно она отключиться - это о нее зависит

2 Старый ржавый электронщик:
эмиттерный повторитель не сильно поможет - у человека грабли как раз из за медленного падения напряжения питания после отключения или я не прав?


Вернуться наверх
 
Не в сети
 Заголовок сообщения:
СообщениеДобавлено: Вс дек 31, 2006 11:52:35 
Сверлит текстолит когтями
Аватар пользователя

Карма: 1
Рейтинг сообщений: 1
Зарегистрирован: Вс фев 26, 2006 14:45:21
Сообщений: 1123
Откуда: УКРАИНА
Рейтинг сообщения: 0
a__l, а почуму бы так (см. вложение) не сделать?
И емкость большая не нужна ..

Извеняюсь. Только щас прочитал: "Как сделать задержку ПОСЛЕ ОТКЛЮЧЕНИЯ.."
Эти схемки подходят только при вкл. :(
Эт наверно НОВОГОДНЕ настроение уже влияет.. Всех с Новым Годом!


Вернуться наверх
 
Не в сети
 Заголовок сообщения:
СообщениеДобавлено: Вс дек 31, 2006 12:16:22 
Говорящий с текстолитом
Аватар пользователя

Карма: 4
Рейтинг сообщений: 15
Зарегистрирован: Чт дек 15, 2005 17:34:48
Сообщений: 1507
Откуда: Петрозаводск
Рейтинг сообщения: 0
MiklSh, в таком случае нужно сделать определение отсутствия питания как в схемах защиты усилителей - по пропаданию переменного напряжения.
с вторичной обмотки трансформатора ставим диод (однополупериодный выпрямитель), после него - RC цепочку на землю. С нее и снимаем сигнал о пропадании питания. Постоянная RC цепочки должна быть временем задержки включения реле при пропадании питания. А питаться она будет от своего электролита или ионистора, емкость которого определяет время включенного состояния реле.

_________________
путь наименьшего сопротивления проходит по пути наитолстого провода (с) Сергей Соболь


Вернуться наверх
 
Не в сети
 Заголовок сообщения:
СообщениеДобавлено: Вс дек 31, 2006 19:22:50 
Друг Кота
Аватар пользователя

Карма: 50
Рейтинг сообщений: 762
Зарегистрирован: Чт дек 29, 2005 00:18:30
Сообщений: 6587
Откуда: Москва
Рейтинг сообщения: 0
А в цепи питания кондёра поставить диод для предупреждения разряда емкости на основной канал питания после пропадания напряжения. Тогда всё потратится на реле. Можно использовать стабилитрон в цепи контроля напряжения. Пока есть питание, он пробит и закрывает транзистор реле. Питание пропало, транзистор открылся и подключил реле. На время разряда емкости.

_________________
Ничто так не укрепляет взаимное доверие, как 100% предоплата! Дмитрий, ex-RK3AOR.


Вернуться наверх
 
Не в сети
 Заголовок сообщения:
СообщениеДобавлено: Пн янв 01, 2007 15:01:38 
Потрогал лапой паяльник
Аватар пользователя

Карма: 3
Рейтинг сообщений: 19
Зарегистрирован: Чт дек 28, 2006 12:46:58
Сообщений: 361
Откуда: Хлынов
Рейтинг сообщения: 0
2 Старый ржавый электронщик: да, эт самый идеальный вариант)))

a__l, а может все проще? использовать нормально разомкнутые контакты релюшки... есть питание - разомкнуто, нету - замыкает)))


Вернуться наверх
 
Не в сети
 Заголовок сообщения:
СообщениеДобавлено: Пн фев 05, 2007 20:59:33 
Родился
Аватар пользователя

Зарегистрирован: Чт фев 01, 2007 23:20:20
Сообщений: 9
Рейтинг сообщения: 0
MiklSh писал(а):
a__l, а может все проще? использовать нормально разомкнутые контакты релюшки... есть питание - разомкнуто, нету - замыкает)))

сказано, НА НЕСКОЛЬКО СЕКУНД!!!


Вернуться наверх
 
Не в сети
 Заголовок сообщения:
СообщениеДобавлено: Ср фев 07, 2007 01:46:40 
Потрогал лапой паяльник
Аватар пользователя

Карма: 3
Рейтинг сообщений: 19
Зарегистрирован: Чт дек 28, 2006 12:46:58
Сообщений: 361
Откуда: Хлынов
Рейтинг сообщения: 0
Если Магомед не идет к горе, гора идет к Магомеду.
Читаем ветку с самого начала и вникаем в контекст до самого прояснения, и да будет тебе счастье.


Вернуться наверх
 
Не в сети
 Заголовок сообщения:
СообщениеДобавлено: Вт окт 02, 2007 20:39:17 
Грызет канифоль

Зарегистрирован: Вс дек 17, 2006 19:19:33
Сообщений: 261
Рейтинг сообщения: 0
думаю можно закрывать :-) спасибо


Вернуться наверх
 
Показать сообщения за:  Сортировать по:  Вернуться наверх
Начать новую тему Ответить на тему  [ Сообщений: 18 ] 

Часовой пояс: UTC + 3 часа


Кто сейчас на форуме

Сейчас этот форум просматривают: нет зарегистрированных пользователей и гости: 22


Вы не можете начинать темы
Вы не можете отвечать на сообщения
Вы не можете редактировать свои сообщения
Вы не можете удалять свои сообщения
Вы не можете добавлять вложения

Найти:
Перейти:  


Powered by phpBB © 2000, 2002, 2005, 2007 phpBB Group
Русская поддержка phpBB
Extended by Karma MOD © 2007—2012 m157y
Extended by Topic Tags MOD © 2012 m157y