Например TDA7294

Форум РадиоКот • Просмотр темы - Управление шаговиком
Форум РадиоКот
Здесь можно немножко помяукать :)

Текущее время: Вт дек 23, 2025 22:37:11

Часовой пояс: UTC + 3 часа


ПРЯМО СЕЙЧАС:



Начать новую тему Ответить на тему  [ Сообщений: 18 ] 
Автор Сообщение
Не в сети
 Заголовок сообщения: Управление шаговиком
СообщениеДобавлено: Чт ноя 11, 2010 19:53:44 
Родился

Зарегистрирован: Чт ноя 11, 2010 19:50:14
Сообщений: 8
Рейтинг сообщения: 0
Я довольно слаб в этой теме, но сложилось так, что мне нужно в этом разбраться и управлять ДШИ-200 с помощью этой схемы.
Я собираюсь использовать ШИМ чтобы реализовать шаговый, полушаговый и микрошаговый режимы.
В частности интересует следующее - назначение выходов SENSEa,b у L6205?
И логику работы своей я правильно понля - я, меняя скважность ШИМ, от тамеров 0 и 1 соответсвенно смогу крутить движок как мне надо и более ничего мне не требуется?


Вложения:
Untitled-1.gif [19.51 KiB]
Скачиваний: 660
Вернуться наверх
 
Не в сети
 Заголовок сообщения: Re: Управление шаговиком
СообщениеДобавлено: Пт ноя 12, 2010 21:40:39 
Вымогатель припоя
Аватар пользователя

Карма: 3
Рейтинг сообщений: 4
Зарегистрирован: Сб сен 20, 2008 12:12:30
Сообщений: 525
Откуда: Minsk
Рейтинг сообщения: 0
Для начала дам ссылку на свою статью:
http://www.digit-el.com/files/articles/step/step.html


Вернуться наверх
 
Не в сети
 Заголовок сообщения: Re: Управление шаговиком
СообщениеДобавлено: Ср ноя 17, 2010 23:04:06 
Родился

Зарегистрирован: Чт ноя 11, 2010 19:50:14
Сообщений: 8
Рейтинг сообщения: 0
Спасибо за наводку, уже несколько раз пробегался по ней....буду подробнее вникать, правда объем не шуточный :)

пример очень полезный приведен, но я с ассемблером не дружу. У Вас нет случайно чего-то подобного но на си? Спасибо.


Вернуться наверх
 
Не в сети
 Заголовок сообщения: Re: Управление шаговиком
СообщениеДобавлено: Ср ноя 17, 2010 23:14:17 
Друг Кота
Аватар пользователя

Карма: 8
Рейтинг сообщений: 34
Зарегистрирован: Пн янв 26, 2009 00:10:51
Сообщений: 3531
Откуда: Москва
Рейтинг сообщения: 0
Медали: 1
Получил миской по аватаре (1)
Это не наводка. Это долгий труд, терпение и размышление. Спасибо, Liv.


Вернуться наверх
 
Эиком - электронные компоненты и радиодетали
Не в сети
 Заголовок сообщения: Re: Управление шаговиком
СообщениеДобавлено: Ср ноя 17, 2010 23:26:02 
Родился

Зарегистрирован: Чт ноя 11, 2010 19:50:14
Сообщений: 8
Рейтинг сообщения: 0
Aladdin писал(а):
Это не наводка. Это долгий труд, терпение и размышление. Спасибо, Liv.

Ну я саму ссылку имел ввиду, а статья, да, что то из области фантастики


Вернуться наверх
 
Не в сети
 Заголовок сообщения: Re: Управление шаговиком
СообщениеДобавлено: Чт ноя 18, 2010 11:07:31 
Вымогатель припоя
Аватар пользователя

Карма: 3
Рейтинг сообщений: 4
Зарегистрирован: Сб сен 20, 2008 12:12:30
Сообщений: 525
Откуда: Minsk
Рейтинг сообщения: 0
trololo писал(а):
У Вас нет случайно чего-то подобного но на си?


Реализации микрошага с помощью микроконтроллера у меня нет. Есть только полный шаг/полушаг и микрошаг с использованием A3977.


Вернуться наверх
 
Не в сети
 Заголовок сообщения: Re: Управление шаговиком
СообщениеДобавлено: Чт ноя 18, 2010 18:57:23 
Родился

Зарегистрирован: Чт ноя 11, 2010 19:50:14
Сообщений: 8
Рейтинг сообщения: 0
Буду очень рад любому примеру на си :)


Вернуться наверх
 
Не в сети
 Заголовок сообщения: Re: Управление шаговиком
СообщениеДобавлено: Чт ноя 18, 2010 19:17:29 
Вымогатель припоя
Аватар пользователя

Карма: 3
Рейтинг сообщений: 4
Зарегистрирован: Сб сен 20, 2008 12:12:30
Сообщений: 525
Откуда: Minsk
Рейтинг сообщения: 0
Так для чего именно?


Вернуться наверх
 
Не в сети
 Заголовок сообщения: Re: Управление шаговиком
СообщениеДобавлено: Чт ноя 18, 2010 21:49:40 
Родился

Зарегистрирован: Чт ноя 11, 2010 19:50:14
Сообщений: 8
Рейтинг сообщения: 0
Для микроконтроллера без микрошага


Вернуться наверх
 
Не в сети
 Заголовок сообщения: Re: Управление шаговиком
СообщениеДобавлено: Чт ноя 18, 2010 22:56:59 
Вымогатель припоя
Аватар пользователя

Карма: 3
Рейтинг сообщений: 4
Зарегистрирован: Сб сен 20, 2008 12:12:30
Сообщений: 525
Откуда: Minsk
Рейтинг сообщения: 0
Вот:


Вложения:
Step.c [20.86 KiB]
Скачиваний: 482
Step.h [3.4 KiB]
Скачиваний: 458
Вернуться наверх
 
Не в сети
 Заголовок сообщения: Re: Управление шаговиком
СообщениеДобавлено: Пт ноя 19, 2010 11:36:22 
Родился

Зарегистрирован: Чт ноя 11, 2010 19:50:14
Сообщений: 8
Рейтинг сообщения: 0
Спасибо! буду изучать


Вернуться наверх
 
Не в сети
 Заголовок сообщения: Re: Управление шаговиком
СообщениеДобавлено: Пт ноя 19, 2010 12:11:09 
Друг Кота
Аватар пользователя

Карма: 31
Рейтинг сообщений: 129
Зарегистрирован: Вт мар 02, 2010 17:05:19
Сообщений: 4446
Откуда: Белоруссия, Минск
Рейтинг сообщения: 0
Господин Liv! Прочитав Вашу статью, у меня родилась мысль применить принцип управления ШД в других целях. Немного противоправных, поэтому не говорю каких. :idea:

_________________
Всё можно наладить,если вертеть в руках достаточно долго!


Вернуться наверх
 
Не в сети
 Заголовок сообщения: Re: Управление шаговиком
СообщениеДобавлено: Пт ноя 19, 2010 12:30:55 
Вымогатель припоя
Аватар пользователя

Карма: 3
Рейтинг сообщений: 4
Зарегистрирован: Сб сен 20, 2008 12:12:30
Сообщений: 525
Откуда: Minsk
Рейтинг сообщения: 0
ublhjnt Лучше займитесь чем-то мирным.


Вернуться наверх
 
Не в сети
 Заголовок сообщения: Re: Управление шаговиком
СообщениеДобавлено: Вс ноя 21, 2010 11:52:18 
Родился

Зарегистрирован: Вт сен 09, 2008 12:03:19
Сообщений: 9
Рейтинг сообщения: 0
Не хотелось создавать отдельную тему, поэтому вопрос задаю здесь. Дело такое: есть ШД от флопика 3,5
Вложение:
Snapshot_20101121.jpg [10.42 KiB]
Скачиваний: 544


У него 4 вывода, 1-2 - 18Ом 3-4 - 18 Ом, т.е. как я понимаю биполярный. Запускаю его так:
1 прямо
2 прямо
1 обратно
2 обратно

С шаговиком из сидюка все прекрасно работает, а вот из флопа никак(((
Вот фото сидюшного:

Вложение:
Snapshot_20101121 (2).jpg [23.09 KiB]
Скачиваний: 531


Liv, я читал Вашу статью и делал все по ней, но подскажите, что может быть не так?


Вернуться наверх
 
Не в сети
 Заголовок сообщения: Re: Управление шаговиком
СообщениеДобавлено: Вт янв 11, 2011 12:55:53 
Родился

Зарегистрирован: Чт ноя 11, 2010 19:50:14
Сообщений: 8
Рейтинг сообщения: 0
С праздниками всех =)
Вобщем я пыхтел-пыхтел, но не хватает мне опыта в проргаммировании чтобы осуществить управление самому, да и сроки по диплому уже поджимают.... Решил что быстрее будет переделать плату(схема в первом сообщении). Подскажите пожалуйста вместо l6205 подходящий драйвер под ДШИ-200 чтобы я ему давал управляющие сигналы, а он уже там сам все делает, очень желателньо с возмождностью микрошага. Планирую питать его от 12 вольт. Помогите пожалуйста бэдному студенту :)


Вернуться наверх
 
Не в сети
 Заголовок сообщения: Re: Управление шаговиком
СообщениеДобавлено: Ср янв 12, 2011 15:12:17 
Друг Кота
Аватар пользователя

Карма: 31
Рейтинг сообщений: 129
Зарегистрирован: Вт мар 02, 2010 17:05:19
Сообщений: 4446
Откуда: Белоруссия, Минск
Рейтинг сообщения: 0
Цитата:
но подскажите, что может быть не так?

С механикой все нормально?
На 1 фото ШД в установке, на 2 фото ШД отдельно от рамки. У этих ШД одна опора вала в двигателе,а вторая отдельно на конце вала.
Изображение
Без этой опоры работать не будет из за перекоса.

_________________
Всё можно наладить,если вертеть в руках достаточно долго!


Вернуться наверх
 
Не в сети
 Заголовок сообщения: Re: Управление шаговиком
СообщениеДобавлено: Ср янв 12, 2011 15:30:35 
Это не хвост, это антенна
Аватар пользователя

Карма: 2
Рейтинг сообщений: 2
Зарегистрирован: Сб ноя 06, 2010 19:21:40
Сообщений: 1350
Откуда: Донецк
Рейтинг сообщения: 0
"Подскажите пожалуйста вместо l6205 подходящий драйвер под ДШИ-200"

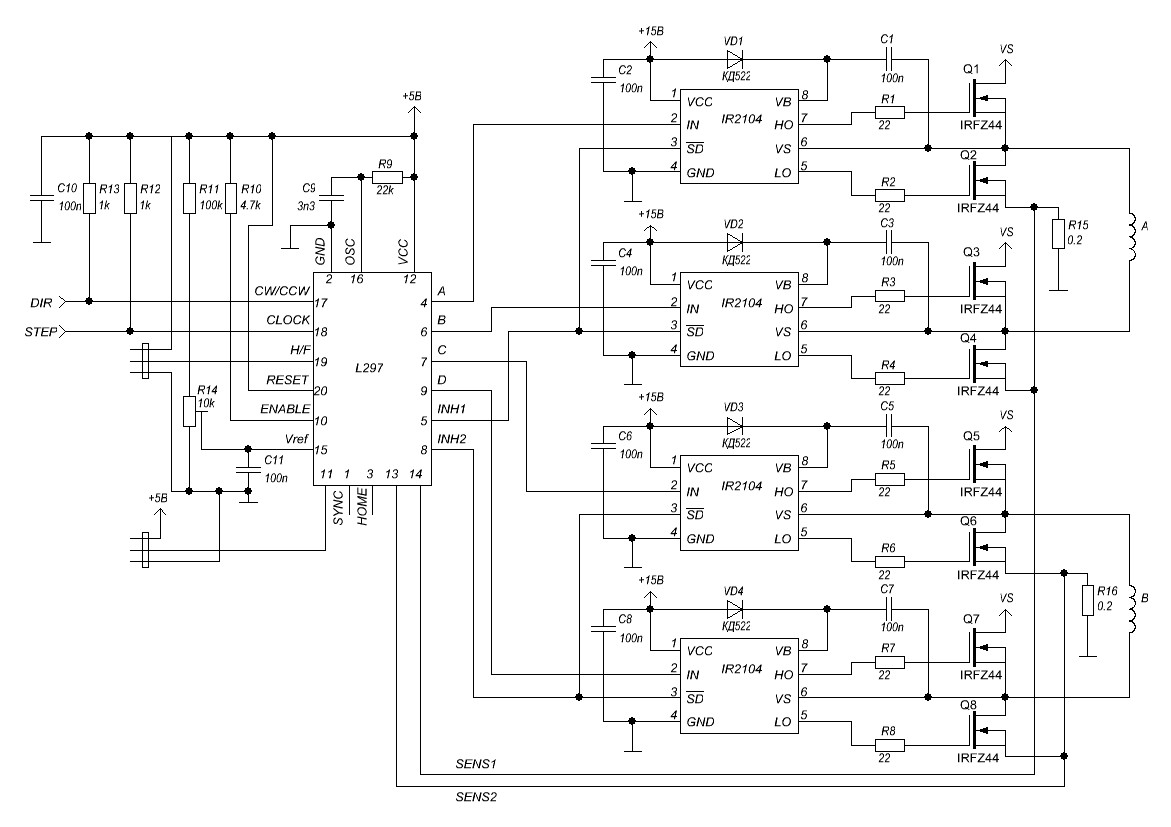
Проще всего, наверное, на L297, вот например:


Вложения:
297_IFR.jpg [133.36 KiB]
Скачиваний: 510

_________________
Информация должна принадлежать людям бесплатно!
Вернуться наверх
 
Не в сети
 Заголовок сообщения: Re: Управление шаговиком
СообщениеДобавлено: Чт фев 03, 2011 20:04:32 
Родился

Зарегистрирован: Чт ноя 11, 2010 19:50:14
Сообщений: 8
Рейтинг сообщения: 0
Спасибо всем за помощь. Особенно помогла статья Liv и исходники. В итоге я своими кривыми руками все же сделал и шаг и полушаг и микрошаг на микроконтроллере.... Движок крутится, на некоторых скоростях трещит и вибрирует, но зато крутится =)

Не знаю почему работает, потому что импульсы на него подаю как указано в паспорте, а включен он у меня как биполярный. Видимо просто повезло. Но хочется все же понять до конца.

Подскажите, правильно ли я все подключил. Включил по схеме из паспорта (нижняя)
http://scope.narod.ru/starlab/PS200_2p6.jpg
но средние выводы оставил болтаться. Вместо транзисторов соответственно L6205.
получилось вот так.
Изображение
А импульсы подаю так же как в паспорте. При такой схеме такая же последовательность сигналов как в паспорте, подходит?


Вернуться наверх
 
Показать сообщения за:  Сортировать по:  Вернуться наверх
Начать новую тему Ответить на тему  [ Сообщений: 18 ] 

Часовой пояс: UTC + 3 часа


Кто сейчас на форуме

Сейчас этот форум просматривают: нет зарегистрированных пользователей и гости: 38


Вы не можете начинать темы
Вы не можете отвечать на сообщения
Вы не можете редактировать свои сообщения
Вы не можете удалять свои сообщения
Вы не можете добавлять вложения

Найти:
Перейти:  


Powered by phpBB © 2000, 2002, 2005, 2007 phpBB Group
Русская поддержка phpBB
Extended by Karma MOD © 2007—2012 m157y
Extended by Topic Tags MOD © 2012 m157y