Например TDA7294

Форум РадиоКот • Просмотр темы - Генератор на К561ЛА7 и n-p-n транзисторе
Форум РадиоКот
Здесь можно немножко помяукать :)

Текущее время: Чт ноя 13, 2025 14:31:38

Часовой пояс: UTC + 3 часа


ПРЯМО СЕЙЧАС:



Начать новую тему Ответить на тему  [ Сообщений: 17 ] 
Автор Сообщение
Не в сети
 Заголовок сообщения: Генератор на К561ЛА7 и n-p-n транзисторе
СообщениеДобавлено: Вс мар 04, 2007 01:32:44 
Вымогатель припоя
Аватар пользователя

Зарегистрирован: Вс мар 04, 2007 01:17:12
Сообщений: 690
Рейтинг сообщения: 0
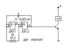
Цель: собрать шим регулятор для комп. кулера.

Собрал генератор на К561ЛА7 на 2-и-не, выход пустил на транзистор от сломанного жесткого диска (D1760 3А 50вольт n-p-n) по идее он же
в ключевом режиме подавать питание будет с частотой генератора
(у меня от 2,4 до 24 кГц регулируется) подключаю пищалку от материнской платы- звук есть и меняется, когда я меняю частоту настройки генератора...

! Подключаю кулер маленький на 0,08А - он даже не крутится (толкнуть- крутится еле еле) а на его контактах 3,6 вольта, убираю кулер - снова около 12 вольт.

Как мне сделать что бы регулировались обороты кулера? И почему у меня не получилось?

зы: микросхема питается от 6 вольт, транзистор регулирует цепь 13 вольт. у транзистора никакой дискретной обвязки нет (конденсатор, дроссель, резистор....)

Спасибо.


Вложения:
Комментарий к файлу: схема
shim.jpg [6.32 KiB]
Скачиваний: 5250
Вернуться наверх
 
Не в сети
 Заголовок сообщения:
СообщениеДобавлено: Вс мар 04, 2007 01:47:25 
Сверлит текстолит когтями
Аватар пользователя

Карма: 11
Рейтинг сообщений: 13
Зарегистрирован: Пт июл 21, 2006 15:05:19
Сообщений: 1268
Откуда: плод воображения
Рейтинг сообщения: 0
Медали: 1
Получил миской по аватаре (1)
Посмотрел схему - вроде нормально все. Кулер при питании напрямую от источника 13В (без транзистора) крутится нормально? Может быть просто источник на 13В отдает недостаточную мощность кулеру? Транзистор точно рабочий?

_________________
R2AIV 73!


Вернуться наверх
 
Не в сети
 Заголовок сообщения:
СообщениеДобавлено: Вс мар 04, 2007 02:00:14 
Вымогатель припоя
Аватар пользователя

Зарегистрирован: Вс мар 04, 2007 01:17:12
Сообщений: 690
Рейтинг сообщения: 0
Кулер в норме, от линейного регулируемого стабилизатора он у меня работает и обороты меняет, только линейнику свойственно греться... вот я и решил ключевой режим замутить...

питалово тоже хорошее- переделанный на 13,5 вольта комп. АТ-блок питания...

транзистор тестером на p-n переходы тоже ничего подозрительного не дает, все течет в нужную сторону...

не врублюсь никак в чем дело.


Вернуться наверх
 
Не в сети
 Заголовок сообщения:
СообщениеДобавлено: Вс мар 04, 2007 02:23:09 
Сверлит текстолит когтями
Аватар пользователя

Карма: 11
Рейтинг сообщений: 13
Зарегистрирован: Пт июл 21, 2006 15:05:19
Сообщений: 1268
Откуда: плод воображения
Рейтинг сообщения: 0
Медали: 1
Получил миской по аватаре (1)
Только что смотрел даташит на транзистор. Максимальное напряжение база-эмиттер для этого транзистора - 5В, а вы его превышаете. Выход у генератора - если не ошибаюсь, 6В?

_________________
R2AIV 73!


Вернуться наверх
 
Эиком - электронные компоненты и радиодетали
Не в сети
 Заголовок сообщения:
СообщениеДобавлено: Вс мар 04, 2007 02:42:31 
Вымогатель припоя
Аватар пользователя

Зарегистрирован: Вс мар 04, 2007 01:17:12
Сообщений: 690
Рейтинг сообщения: 0
да выход у логики вроде 2 вольта... питание 6в.


Вернуться наверх
 
Не в сети
 Заголовок сообщения: Re: Помогите начинающему- генератор на к561ЛА7 и n-p-n транз
СообщениеДобавлено: Вс мар 04, 2007 10:16:23 
Друг Кота

Карма: 17
Рейтинг сообщений: 166
Зарегистрирован: Пт авг 25, 2006 09:26:19
Сообщений: 5232
Откуда: Москва
Рейтинг сообщения: 0
Alexeus писал(а):
Цель: собрать шим регулятор для комп. кулера.

Собрал генератор на к561ла7 на 2-и-не, выход пустил на транзистор от сломанного жесткого диска (D1760 3А 50вольт n-p-n) по идее он же
в ключевом режиме подавать питание будет с частотой генератора
(у меня от 2,4 до 24 Кгц регулируется) подключаю пищалку от материнской платы- звук есть и меняется, когда я меняю частоту настройки генератора...

! Подключаю кулер маленький на 0,08А - он даже не крутится (толкнуть- крутится еле еле) а на его контактах 3,6 вольта, убираю кулер - снова около 12 вольт.

Как мне сделать что бы регулировались обороты кулера? И почему у меня не получилось?
Спасибо.

А не получилось у вас потому, что вы не учитываете ток управления своим транзтстором. Просто у К561ЛА7 очень маленький ток выхода (всего около 2 ма), и транзистор под нагрузкой не может открыться таким малым током. Как исправить? Попробуй свободные элементы К561ЛА7 запараллелить и поставить между генератором и транзистором. И транзистор возьми не n-p-n, а MOSFET типа IRF630 или IRF530. Ну и скваженость импульсов неизвестна. Для полной правильности надо бы D-триггер после генератора ставить, что б скваженность была = 2, а уж потом сдвоенные элементы и мосфит.


Вернуться наверх
 
Не в сети
 Заголовок сообщения:
СообщениеДобавлено: Вс мар 04, 2007 11:19:29 
Вымогатель припоя
Аватар пользователя

Зарегистрирован: Вс мар 04, 2007 01:17:12
Сообщений: 690
Рейтинг сообщения: 0
Такое большое спасибо всем :) я не ожидал...

Про ток я перед сном подумал- вспомнил что не мосфет у меня! :)

(и КТ315 в усиление выхода не поставить- тогда нужно менять транзистор на p-n-p... А вообще КТ 315 будет хватать тока выхода логики что бы полногценно открываться- как узнать миним. ток при котором полностью откроется транзистор? - в параметрах на транз. я не нашёл)

Скважность импульсов 2 должна быть в этой схеме- еще не прочитал что это.

Спасибо, сейчас начну ответы рассматривать подробно.

ну да, 555 регулирует мощность скважностью от редкого сигнала, до полностью заполненного... а у меня получается частотой- редко открывается транзистор/часто (так тоже наверное можно)?

Бл... насколько я понял кулеры пищат в такт частоте от шим питания!!!


Вернуться наверх
 
Не в сети
 Заголовок сообщения:
СообщениеДобавлено: Вс мар 04, 2007 12:47:59 
Вымогатель припоя
Аватар пользователя

Зарегистрирован: Вс мар 04, 2007 01:17:12
Сообщений: 690
Рейтинг сообщения: 0
Дааа... Я прихожу к мнению, что шимом нельзя регулировать компьютерные кулеры (а именно для этого я его и собирал). Во-первых они действительно не коллекторные, а используют импульсы для переключения обмоток, а во-вторых они реально издают пищащий звук при работе от шим регулируемого питания :( Может быть электролитический конденсатор сможет сгладить неудобство шим питания для кулера, но я не знаю- шим регулятор ещё не собран... :)

Насчет перевода- гугл более менее дает понять что написано (имеет перевод)


Вернуться наверх
 
Не в сети
 Заголовок сообщения:
СообщениеДобавлено: Вс мар 04, 2007 12:53:36 
Ум, честь и совесть. И скромность.
Аватар пользователя

Карма: 98
Рейтинг сообщений: 2128
Зарегистрирован: Чт дек 28, 2006 08:19:56
Сообщений: 18423
Откуда: Новочеркасск
Рейтинг сообщения: 0
Медали: 2
Получил миской по аватаре (1) Мявтор 3-й степени (1)
Несколько слов о том, как "узнать ток, при котором транзистор будет хорошо открываться".
Предупреждаю: этот "расчет" прикидочный, непрофессиональный, но вполне пригодный.
Чтобы биполярный транзистор работал в ключевом режиме, ему "в базу" надо подать такой ток, который приведет к насыщению транзистора. Как узнать этот ток насыщения без обращения к справочникам и графикам? Очень просто: этот ток должен быть более, чем номинальный ток транзистора (этот параметр обычно известен и без справочников). Например, для КТ315 он составляет 300 мА. Теперь надо поделить этот ток на коэффициент усиления транзистора (тоже обычно известное значение), чтобы получить требуемый ток базы - для КТ315Г можно взять 100, для других "букв" - 50. Итак, получаем для КТ315Г ток, равный 3 мА. То есть, если мы подадим на базу этого транзистора ток в 3 мА - он должен войти в режим насыщения.
Для прикидочных расчетов можно "завысить" ток базы вдвое - но в разумных пределах: следует понимать, что ток базы в 100мА окажется скорее всего смертельным для маломощного транзистора. Зная ток базы, падение напряжения БЭ (можно принимать его 0,6-0,7В как у кремниевого диода) - можно вычислить сопротивление резистора в цепи базы по закону Ома.
Более точный расчет потребует работы с графиками статических характеристик транзистора, но для простых любительских схем это лишнее.
Пара слов об управлении биполярным транзистором от КМОП-микросхем. Большинство КМОП микросхем обеспечивает ток "1" едва-едва 1 мА - обычно несколько десятков микроампер. Ток "0" у тех же микросхем обычно не менее 1 мА (а для некоторых до 5 мА и даже более). Все это справочные параметры, тут я говорю о прикидочных значениях, которые радиолюбитель просто обязан держать в голове. Поэтому, если надо управлять биполярным транзистором от КМОП микросхемы, следует либо использовать транзистор с достаточно большим коэффициентом усиления, чтобы он насыщался при токе базы менее 1 мА, либо применять "управление нулем", т.е. подключить базу транзистора к питанию через резистор, обеспечивающий нужный ток базы (но не более 4 мА), а на базу подавать уже сигнал, который будет транзистор закрывать низким логическим уровнем (естественно, эту инверсию следует учесть в схеме).
Еще для интересу: если КМОП микросхемы наших серий типа К561 еще терпят такую схему, как указана в начале темы, то вот микросхемы серии ТТЛ (например, К155) в этом случае просто выжигают переход БЭ транзистора :). Так что базу без резистора подключать к любым микросхемам (кроме специально предназначенных для этого) не следует.

_________________
если рассматривать человека снизу, покажется, что мозг у него глубоко в жопе
при взгляде на многих сверху ничего не меняется...

Мой уютный бложик... заходите!


Вернуться наверх
 
Не в сети
 Заголовок сообщения:
СообщениеДобавлено: Вс мар 04, 2007 15:07:15 
Модератор
Аватар пользователя

Карма: 27
Рейтинг сообщений: 58
Зарегистрирован: Пн апр 03, 2006 11:43:25
Сообщений: 4517
Откуда: Санкт - Петербург
Рейтинг сообщения: 0
Медали: 3
Получил миской по аватаре (1) Мявтор 2-й степени (1) Мявтор 3-й степени (1)
Я делал регулировку скорости вращения комповых вентиляторов ШИМом, прекрасно все работае, регулируется и не пищит. Делал НА AT90S2313. Только надо Индуктивность поставить, ну и конденсатор с диодом, чтобы человеческое питание для вентилятора получить. :) И все будет работать. :)
Т.е. напрямую ШИМ-сигнал на вентилятор подавать не стоит, надо его "аналогизировать" сначала.

_________________
Оптимизм х (Опыт + Знания) = const


Вернуться наверх
 
Не в сети
 Заголовок сообщения:
СообщениеДобавлено: Вс мар 04, 2007 15:26:46 
Вымогатель припоя
Аватар пользователя

Зарегистрирован: Вс мар 04, 2007 01:17:12
Сообщений: 690
Рейтинг сообщения: 0
не найдется ли схемки на ваше устройство? (на микроконтроллере, я так понял)

гы, замерил вольтаж выхода генератора- 2,8 вольта, подключаю к транзистору- на выходе уже 0,35 вольта- куда делось? не тянет моща в обеспечении открытия базы транзистора?


Вернуться наверх
 
Не в сети
 Заголовок сообщения:
СообщениеДобавлено: Вс мар 04, 2007 16:25:34 
Модератор
Аватар пользователя

Карма: 27
Рейтинг сообщений: 58
Зарегистрирован: Пн апр 03, 2006 11:43:25
Сообщений: 4517
Откуда: Санкт - Петербург
Рейтинг сообщения: 0
Медали: 3
Получил миской по аватаре (1) Мявтор 2-й степени (1) Мявтор 3-й степени (1)
Вот схема в RusPlan'e. Мой первый проект на микроконтроллере... :wink:


Вложения:
Схема.rar [4.92 KiB]
Скачиваний: 1626

_________________
Оптимизм х (Опыт + Знания) = const
Вернуться наверх
 
Не в сети
 Заголовок сообщения:
СообщениеДобавлено: Вс мар 04, 2007 16:34:53 
Вымогатель припоя
Аватар пользователя

Зарегистрирован: Вс мар 04, 2007 01:17:12
Сообщений: 690
Рейтинг сообщения: 0
блииин русплан искать, а картинкой нельзя? :)

А вообще на мосфете IRFD110 кулер закрутился сам, напряжение на затворе 2,8 вольта, только когда тестером замеряю напряжение на выводах кулера показывает "-" (минус) 1,5 вольта ??? что такое- может диод нужно впаять к кулеру- защиту мосфета от обратного тока?

и не регулирует - с повышение частоты генератора скорость кулера падает!... (частота, по тону слышно, повышается).


Вернуться наверх
 
Не в сети
 Заголовок сообщения:
СообщениеДобавлено: Вс мар 04, 2007 16:35:49 
Вечно гонимый
Аватар пользователя

Зарегистрирован: Ср фев 28, 2007 17:48:07
Сообщений: 232
Рейтинг сообщения: 0
в мосфете есть защитный стабилитрон.


Вернуться наверх
 
Не в сети
 Заголовок сообщения:
СообщениеДобавлено: Вс мар 04, 2007 16:43:39 
Вымогатель припоя
Аватар пользователя

Зарегистрирован: Вс мар 04, 2007 01:17:12
Сообщений: 690
Рейтинг сообщения: 0
да видел я его в схеме мосфета... не пойму почему вентилятор крутиться нормально, а тестер минус полтора показывает...


Вернуться наверх
 
Не в сети
 Заголовок сообщения:
СообщениеДобавлено: Вс мар 04, 2007 16:57:29 
Вымогатель припоя
Аватар пользователя

Зарегистрирован: Вс мар 04, 2007 01:17:12
Сообщений: 690
Рейтинг сообщения: 0
Aheir писал(а):
Вот схема в RusPlan'e. Мой первый проект на микроконтроллере... :wink:


а что за узел на выходе мосфета диод-дроссель-конденсатор, для чего?

поставил также 0,1 Мкф, дроссел маленький (из сд-рома выпаял), диод. Напряжение стало отображаться- 6,6 вольта... но не регулируется, а с повышением частоты только падают обороты кулера.

Короче забиваю я пока на это дело с генератором на микросхеме...
попробую на 555.

ЗЫ: Кстати пищание при вращении кулера не ушло после допайки дросселя-конденсатора-диода.

а что на индикаторе отображается в схеме с микроконтроллером?
можно прошивочку у автора попросить? (на devil013@mail.ru скиньте если не сложно).

Сенькс.


Вернуться наверх
 
Не в сети
 Заголовок сообщения:
СообщениеДобавлено: Вс мар 04, 2007 18:03:59 
Вымогатель припоя
Аватар пользователя

Зарегистрирован: Вс мар 04, 2007 01:17:12
Сообщений: 690
Рейтинг сообщения: 0
!!!!! ЧЕРТ ВОЗЬМИ !!!! ОНО ЗАРАБОТАЛО !!!!! :) %)
радости моей нет предела, поставил еще и конденсатор электролитический на + и на выход мосфета (Drain) - и заработало!
пищать стало меньше но все-таки слышно, регулировка работает от низов- 3вольта (ниже кулер останавливается) и до 12,6 вольта... кулер
набирает приличные обороты...

Сдвиг ЕСТЬ!!! :) Спасибо. Буду экспериментировать дальше.

Наверное все упиралось в импульсный режим работы транзистора (короткие импульсы, хоть и частые) и в импультном режиме потребления кулера! они могли и не совпадать, а емкость конденсатора позволила накапливать заряд часто вкл-ся транзистора и отдавать необходимое кулеру в нормальном режиме...


электролит 4,7 мкф (можно конечно и больше, но с этим уже заработало как надо)
пленочный на 100Нф
диод какой-то импортный на ~1 ампер наверное
индуктивность с платы HDD в питании стояла... (черный боченок без опознават. знаков)
ну и мосфет IRFD110

ЗЫ: Вот и инверторы вторые пригодяться- одна микросхема- два регулятора!

резистором R1 регулируем частоту (уменьшать менее 1 Ком нельзя)


Вложения:
shim.jpg [42.66 KiB]
Скачиваний: 2329
Вернуться наверх
 
Показать сообщения за:  Сортировать по:  Вернуться наверх
Начать новую тему Ответить на тему  [ Сообщений: 17 ] 

Часовой пояс: UTC + 3 часа


Кто сейчас на форуме

Сейчас этот форум просматривают: Croma, электроника и гости: 36


Вы не можете начинать темы
Вы не можете отвечать на сообщения
Вы не можете редактировать свои сообщения
Вы не можете удалять свои сообщения
Вы не можете добавлять вложения

Найти:
Перейти:  


Powered by phpBB © 2000, 2002, 2005, 2007 phpBB Group
Русская поддержка phpBB
Extended by Karma MOD © 2007—2012 m157y
Extended by Topic Tags MOD © 2012 m157y