Например TDA7294

Форум РадиоКот • Просмотр темы - ЗУ для свинцовых АКБ на МК Atmega 16А
Форум РадиоКот
Здесь можно немножко помяукать :)

Текущее время: Пн дек 15, 2025 12:47:04

Часовой пояс: UTC + 3 часа


ПРЯМО СЕЙЧАС:



Начать новую тему Ответить на тему  [ Сообщений: 6068 ]     ... , , , 73, , , ...  
Автор Сообщение
Не в сети
 Заголовок сообщения: Re: ЗУ для свинцовых АКБ на МК Atmega 16А
СообщениеДобавлено: Вс фев 19, 2012 13:17:12 
Мучитель микросхем
Аватар пользователя

Карма: 3
Рейтинг сообщений: 28
Зарегистрирован: Сб апр 05, 2008 07:59:10
Сообщений: 491
Откуда: Луганск
Рейтинг сообщения: 0
Я когда делал БП, вначале использовал 7500 - с двумя микросхемами были проблемы.
На первой не было запуска вообще (БУ), вторая запустилась после подбора резистора (эта была новая).
TL494 - запускались ВСЕГДА и БЕЗ ПРОБЛЕМ.


Вернуться наверх
 
Не в сети
 Заголовок сообщения: Re: ЗУ для свинцовых АКБ на МК Atmega 16А
СообщениеДобавлено: Вс фев 19, 2012 14:47:20 
Грызет канифоль
Аватар пользователя

Зарегистрирован: Сб июл 09, 2011 21:16:22
Сообщений: 251
Откуда: Россия, Смоленск
Рейтинг сообщения: 0
Спс, буду ставить 494, благо есть в продаже. :lol:


Вернуться наверх
 
Не в сети
 Заголовок сообщения: Re: ЗУ для свинцовых АКБ на МК Atmega 16А
СообщениеДобавлено: Вс фев 19, 2012 17:36:17 
Встал на лапы

Зарегистрирован: Пт окт 01, 2010 23:05:33
Сообщений: 120
Откуда: Ижевск
Рейтинг сообщения: 0
Николай777 писал(а):
А по моему вопросу кто нибудь ответит? :))

Видимо нет ответа :dont_know: ,обратитись лучше к разработчику ,в личку ему напиши.


Вернуться наверх
 
Не в сети
 Заголовок сообщения: Re: ЗУ для свинцовых АКБ на МК Atmega 16А
СообщениеДобавлено: Вс фев 19, 2012 17:51:19 
Встал на лапы

Зарегистрирован: Пн ноя 29, 2010 14:47:18
Сообщений: 95
Откуда: Омск
Рейтинг сообщения: 0
SergeyK писал(а):

А есть метода чтоб проверить обмотки трансформаторов на правельность распиновки. Донар от куда я выпаял уже утилизировался так что фото не получится. Я так понял что даже если транс подошел по ножкам не факт что обмотки расключены так как надо.



Смотри надписи на трансформаторах. А в инете куча схем, в которых указываются имена трансформаторов. Цоколёвка ног как правило по часовой стрелке, если смотреть на трансф. со стороны пайки. Напиши какие у тебя, может помогу чем


Вернуться наверх
 
Эиком - электронные компоненты и радиодетали
Не в сети
 Заголовок сообщения: Re: ЗУ для свинцовых АКБ на МК Atmega 16А
СообщениеДобавлено: Вс фев 19, 2012 17:55:33 
Встал на лапы

Зарегистрирован: Пн ноя 29, 2010 14:47:18
Сообщений: 95
Откуда: Омск
Рейтинг сообщения: 0
[quote="maverick5334"]

У тебя не греется силовая на холостом? Недавно случайно обратил внимание, что мой греется. Заряжает, тестирует, тренирует - всё замечательно. Но греются силовые ключи!!! :shock:


Вернуться наверх
 
Не в сети
 Заголовок сообщения: Re: ЗУ для свинцовых АКБ на МК Atmega 16А
СообщениеДобавлено: Вс фев 19, 2012 18:09:53 
Встал на лапы

Зарегистрирован: Ср сен 14, 2011 20:52:31
Сообщений: 88
Рейтинг сообщения: 0
new34 Да, наверное придётся писать автору. Ну это позже, когда полностью соберу и отлажу ЗУ.
А ПБ без блока управления должен нестабильно работать? Около 10в есть, но при нагрузке лампочкой 55Вт, начало плавать напряжения и бабахнула силовая. Т.е. нет точной стабилизации напряжения. И греются транзисторы на выходе ШИМ tl494. После некоторого времени их выбивает.. (при малой нагрузке) Точнее вылетает один и тот же транзистор. Что может быть не так?

_________________
С Уважением, Николай!


Последний раз редактировалось Николай777 Вс фев 19, 2012 20:20:25, всего редактировалось 3 раз(а).

Вернуться наверх
 
Не в сети
 Заголовок сообщения: Re: ЗУ для свинцовых АКБ на МК Atmega 16А
СообщениеДобавлено: Вс фев 19, 2012 19:00:32 
Мучитель микросхем
Аватар пользователя

Карма: 3
Рейтинг сообщений: 28
Зарегистрирован: Сб апр 05, 2008 07:59:10
Сообщений: 491
Откуда: Луганск
Рейтинг сообщения: 0
svg67

На холостом холодный как лед!
Греется только нагрузочный резистор (330 ом 5ватт) который позволяет запускать БП без конечной нагрузки. Греется в пределах нормы (около 50 градусов)

Может у тебя утечка в транзисторе(ах) ?


Вернуться наверх
 
Не в сети
 Заголовок сообщения: Re: ЗУ для свинцовых АКБ на МК Atmega 16А
СообщениеДобавлено: Пн фев 20, 2012 07:13:13 
Грызет канифоль
Аватар пользователя

Зарегистрирован: Сб июл 09, 2011 21:16:22
Сообщений: 251
Откуда: Россия, Смоленск
Рейтинг сообщения: 0
Николай777 писал(а):
new34 Да, наверное придётся писать автору. Ну это позже, когда полностью соберу и отлажу ЗУ.
А ПБ без блока управления должен нестабильно работать? Около 10в есть, но при нагрузке лампочкой 55Вт, начало плавать напряжения и бабахнула силовая. Т.е. нет точной стабилизации напряжения. И греются транзисторы на выходе ШИМ tl494. После некоторого времени их выбивает.. (при малой нагрузке) Точнее вылетает один и тот же транзистор. Что может быть не так?

А зачем нагружать обрезанный БП, без блока управления? В готовом ЗУ БП управляется контроллером, а без блока управления, с обрезанными обратными связями я бы не рискнул включать с нагрузкой.


Последний раз редактировалось Svan Пн фев 20, 2012 17:07:04, всего редактировалось 1 раз.

Вернуться наверх
 
Не в сети
 Заголовок сообщения: Re: ЗУ для свинцовых АКБ на МК Atmega 16А
СообщениеДобавлено: Пн фев 20, 2012 08:23:37 
Встал на лапы

Зарегистрирован: Ср сен 14, 2011 20:52:31
Сообщений: 88
Рейтинг сообщения: 0
Svan Это да, с лампочкой перебор получился!
Но почему же транзистор больше минуты не может работать?


Вложения:
ZU_ATmega16_clock.GIF [10.6 KiB]
Скачиваний: 956

_________________
С Уважением, Николай!
Вернуться наверх
 
Не в сети
 Заголовок сообщения: Re: ЗУ для свинцовых АКБ на МК Atmega 16А
СообщениеДобавлено: Пн фев 20, 2012 17:01:46 
Встал на лапы

Зарегистрирован: Пт окт 01, 2010 23:05:33
Сообщений: 120
Откуда: Ижевск
Рейтинг сообщения: 0
Николай777 писал(а):
Svan Это да, с лампочкой перебор получился!
Но почему же транзистор больше минуты не может работать?

Может согласующий транс косячный,может межвитковое в нем. А вообще я бы осцилографом посмотрел сигналы,начиная с выводов микросхемы 11 и 8.Диоды проверь в обвязке транзисторов раскачки.


Вернуться наверх
 
Не в сети
 Заголовок сообщения: Re: ЗУ для свинцовых АКБ на МК Atmega 16А
СообщениеДобавлено: Пн фев 20, 2012 17:22:19 
Говорящий с текстолитом
Аватар пользователя

Карма: 16
Рейтинг сообщений: 151
Зарегистрирован: Вт апр 21, 2009 20:52:29
Сообщений: 1507
Откуда: ХМАО Югра Белоярский
Рейтинг сообщения: 0
svg67 писал(а):
SergeyK писал(а):

А есть метода чтоб проверить обмотки трансформаторов на правельность распиновки. Донар от куда я выпаял уже утилизировался так что фото не получится. Я так понял что даже если транс подошел по ножкам не факт что обмотки расключены так как надо.



Смотри надписи на трансформаторах. А в инете куча схем, в которых указываются имена трансформаторов. Цоколёвка ног как правило по часовой стрелке, если смотреть на трансф. со стороны пайки. Напиши какие у тебя, может помогу чем


Вот то что я собрал:

Изображение

Это потенциональные доноры, что кто может сказать, которые подойдут:
Изображение
Изображение
Изображение
Изображение
Изображение

_________________
Гнев - мгновенное разрушение реальности!
Делай всегда хорошо, а хреново и так получится!!!!!


Вернуться наверх
 
Не в сети
 Заголовок сообщения: Re: ЗУ для свинцовых АКБ на МК Atmega 16А
СообщениеДобавлено: Пн фев 20, 2012 17:32:54 
Грызет канифоль
Аватар пользователя

Зарегистрирован: Сб июл 09, 2011 21:16:22
Сообщений: 251
Откуда: Россия, Смоленск
Рейтинг сообщения: 0
Николай777 писал(а):
Svan Это да, с лампочкой перебор получился!
Но почему же транзистор больше минуты не может работать?

Полностью согласен с new34. Диоды поменять на заведомо исправные, бывали случаи, когда тестером они звонятся нормально, может и микросхема косячить, или "сопеля" где-нибудь.


Вернуться наверх
 
Не в сети
 Заголовок сообщения: Re: ЗУ для свинцовых АКБ на МК Atmega 16А
СообщениеДобавлено: Пн фев 20, 2012 19:05:31 
Мучитель микросхем
Аватар пользователя

Карма: 3
Рейтинг сообщений: 28
Зарегистрирован: Сб апр 05, 2008 07:59:10
Сообщений: 491
Откуда: Луганск
Рейтинг сообщения: 0
SergeyK

На какой микросхеме эти доноры?
Если на 7500 или 494 - годятся 100%.


Вернуться наверх
 
Не в сети
 Заголовок сообщения: Re: ЗУ для свинцовых АКБ на МК Atmega 16А
СообщениеДобавлено: Пн фев 20, 2012 19:35:00 
Говорящий с текстолитом
Аватар пользователя

Карма: 16
Рейтинг сообщений: 151
Зарегистрирован: Вт апр 21, 2009 20:52:29
Сообщений: 1507
Откуда: ХМАО Югра Белоярский
Рейтинг сообщения: 0
maverick5334 писал(а):
SergeyK

На какой микросхеме эти доноры?
Если на 7500 или 494 - годятся 100%.


Воощем собирая данные, вывод такой. Беоем БП на 7500 или 494 и трансы по распиновке должны подойти?

_________________
Гнев - мгновенное разрушение реальности!
Делай всегда хорошо, а хреново и так получится!!!!!


Вернуться наверх
 
Не в сети
 Заголовок сообщения: Re: ЗУ для свинцовых АКБ на МК Atmega 16А
СообщениеДобавлено: Пн фев 20, 2012 20:56:47 
Встал на лапы

Зарегистрирован: Ср сен 14, 2011 20:52:31
Сообщений: 88
Рейтинг сообщения: 0
Замена диодов ничего не дала. Осциллографом тоже вряд ли удастся проконтролировать, он у меня выше 20кГц плохо работает..
Но 1.5к в разрыв средней точки решает проблему! По переделанной схеме же +12 прямо на среднюю точку идёт.. Но сопротивления обмоток очень малы, здесь всё правильно? Иногда и оба транзистора горят! А на 8 и 11 ноге сигналы должны быть полностью идентичны, но инвертированы? Тыкаясь частотомером мультика, намерил ПРИМЕРНО 8нога 62+-0.5кГц, на 11 63.2+-0.7кГц.

_________________
С Уважением, Николай!


Последний раз редактировалось Николай777 Пн фев 20, 2012 22:27:53, всего редактировалось 1 раз.

Вернуться наверх
 
Не в сети
 Заголовок сообщения: Re: ЗУ для свинцовых АКБ на МК Atmega 16А
СообщениеДобавлено: Пн фев 20, 2012 22:04:32 
Встал на лапы

Зарегистрирован: Чт май 12, 2011 11:15:01
Сообщений: 132
Откуда: Донецк-Харьков
Рейтинг сообщения: 0
SergeyK писал(а):
maverick5334 писал(а):
SergeyK

На какой микросхеме эти доноры?
Если на 7500 или 494 - годятся 100%.


Воощем собирая данные, вывод такой. Беоем БП на 7500 или 494 и трансы по распиновке должны подойти?

прозвони свой транс маленький и скажи какие ноги звонятся, если как у меня на втором БП я тебе напишу что куда припаять!!! По своему опыту скажу трансы по распиновке не всегда совподают с печаткой maverick5334


Вернуться наверх
 
Не в сети
 Заголовок сообщения: Re: ЗУ для свинцовых АКБ на МК Atmega 16А
СообщениеДобавлено: Пн фев 20, 2012 23:10:21 
Встал на лапы

Зарегистрирован: Пт окт 01, 2010 23:05:33
Сообщений: 120
Откуда: Ижевск
Рейтинг сообщения: 0
Николай777 писал(а):
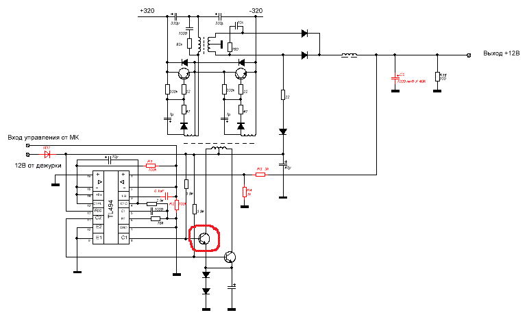
Но 1.5к в разрыв средней точки решает проблему! По переделанной схеме же +12 прямо на среднюю точку идёт..

Переделанная схема очень упрощенная.Диод с резюком оставляй.


Вложения:
Безымянный.jpg [21.37 KiB]
Скачиваний: 1089
Вернуться наверх
 
Не в сети
 Заголовок сообщения: Re: ЗУ для свинцовых АКБ на МК Atmega 16А
СообщениеДобавлено: Пн фев 20, 2012 23:14:28 
Встал на лапы

Зарегистрирован: Ср сен 14, 2011 20:52:31
Сообщений: 88
Рейтинг сообщения: 0
new34 То есть всё нормально? А у тех, кто повторял ЗУ работает БЕЗ сопротивления?? Всё таки как правильнее?

_________________
С Уважением, Николай!


Вернуться наверх
 
Не в сети
 Заголовок сообщения: Re: ЗУ для свинцовых АКБ на МК Atmega 16А
СообщениеДобавлено: Пн фев 20, 2012 23:16:28 
Встал на лапы

Зарегистрирован: Пт окт 01, 2010 23:05:33
Сообщений: 120
Откуда: Ижевск
Рейтинг сообщения: 0
Николай777 писал(а):
new34 То есть всё нормально? А у тех, кто повторял ЗУ работает БЕЗ сопротивления?? Всё таки как правильнее?

Собрал уже пару зарядных , третий в сборке-диод и резистор не вырезал-все работает замечательно.


Вернуться наверх
 
Не в сети
 Заголовок сообщения: Re: ЗУ для свинцовых АКБ на МК Atmega 16А
СообщениеДобавлено: Пн фев 20, 2012 23:35:12 
Мучитель микросхем

Карма: 8
Рейтинг сообщений: 21
Зарегистрирован: Ср янв 06, 2010 20:57:49
Сообщений: 451
Рейтинг сообщения: 0
Николай777 писал(а):
new34 То есть всё нормально? А у тех, кто повторял ЗУ работает БЕЗ сопротивления?? Всё таки как правильнее?

Надо смотреть, как сделано в доноре, т.е. в том БП, откуда транс выпаиваете.
Обычно, резистор стоит, т.е. нужен. Хотя, иногда попадаются схемы и без него.
Наверное, надо все-таки на схеме его дорисовать.
И еще. Переделанный блок питания даже без блока управления должен обеспечивать номинальный ток при стабильном напряжении. То есть, с лампочкой на 55Вт должно все прекрасно работать.

_________________
Опыт- сын ошибок трудных....


Вернуться наверх
 
Показать сообщения за:  Сортировать по:  Вернуться наверх
Начать новую тему Ответить на тему  [ Сообщений: 6068 ]     ... , , , 73, , , ...  

Часовой пояс: UTC + 3 часа


Кто сейчас на форуме

Сейчас этот форум просматривают: нет зарегистрированных пользователей и гости: 40


Вы не можете начинать темы
Вы не можете отвечать на сообщения
Вы не можете редактировать свои сообщения
Вы не можете удалять свои сообщения
Вы не можете добавлять вложения

Найти:
Перейти:  


Powered by phpBB © 2000, 2002, 2005, 2007 phpBB Group
Русская поддержка phpBB
Extended by Karma MOD © 2007—2012 m157y
Extended by Topic Tags MOD © 2012 m157y