Например TDA7294

Форум РадиоКот • Просмотр темы - Светодиодная матрица
Форум РадиоКот
Здесь можно немножко помяукать :)

Текущее время: Сб янв 10, 2026 11:08:56

Часовой пояс: UTC + 3 часа


ПРЯМО СЕЙЧАС:



Начать новую тему Ответить на тему  [ Сообщений: 173 ]     ... , , , , 9
Автор Сообщение
Не в сети
 Заголовок сообщения: Два вопроса
СообщениеДобавлено: Вт ноя 06, 2012 16:49:18 
Первый раз сказал Мяу!

Зарегистрирован: Ср июн 22, 2011 16:45:58
Сообщений: 29
Откуда: Ростов-на-Дону
Рейтинг сообщения: 0
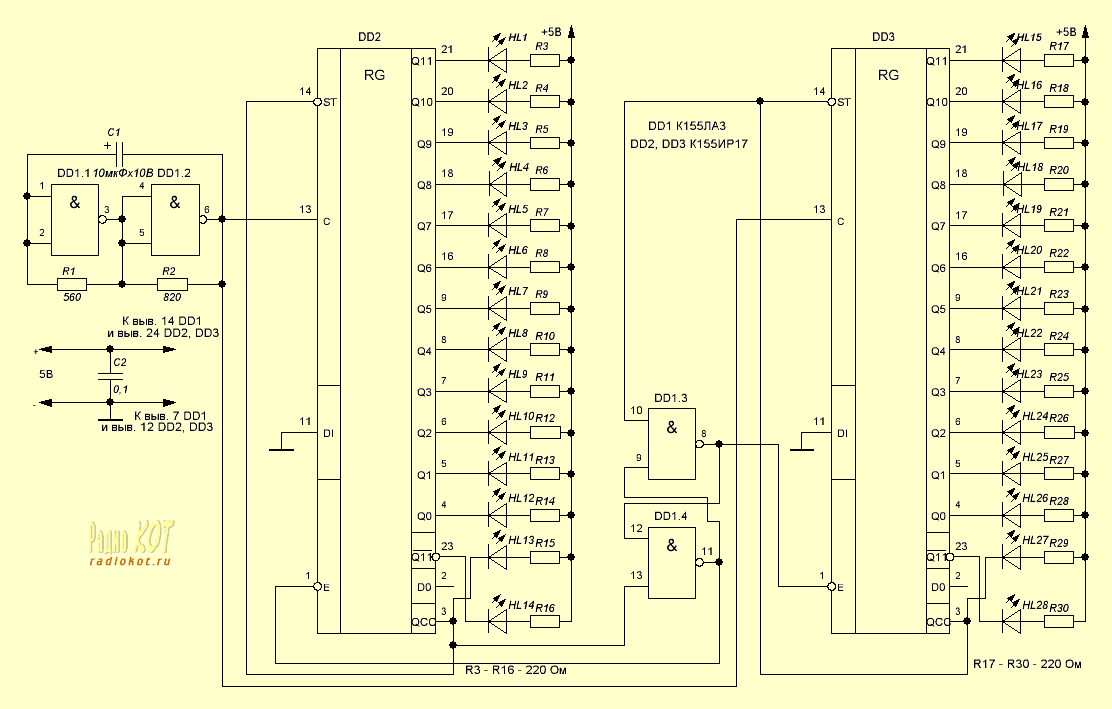
В колледже дали задания собрать бегущие огни на свето диодах. в нэти покопал нашел много чего но не интересного!
вот мне случайно попалось одна ссылка на коте, посмотрел ее, а там схема которая мы делали в колледже тока без подстрочника, посмотрел в низ а там она же тока на 32 вот захотелось сделать мне ее но возникли небольшие проблемы с рисунком.
а вот и первый вопрос
1) у кого нибудь мож сохранилась рисунок к этой схеме
Вложение:
02.gif [32.25 KiB]
Скачиваний: 559


а второй вопрос просто стало интересно
2) Если я просто соберу (схему ниже), то есть спаяю ее и подключу ее к компу и установлю ПО необходимое для нее она будет работать?
http://radiokot.ru/circuit/light/run/11/




Тема дубль.
Сюда перенес.

aen


Вернуться наверх
 
Не в сети
 Заголовок сообщения: Re: Светодиодная матрица
СообщениеДобавлено: Вт май 28, 2013 08:36:27 
Родился

Зарегистрирован: Вт май 28, 2013 08:33:11
Сообщений: 1
Рейтинг сообщения: 0
куплю!!! есть у кого? ооочень нравиться!))) продайте кто-нибудь, пожалуйста!


Вернуться наверх
 
Не в сети
 Заголовок сообщения: Re: Светодиодная матрица
СообщениеДобавлено: Пт янв 03, 2014 23:21:45 
Опытный кот
Аватар пользователя

Карма: 1
Рейтинг сообщений: 22
Зарегистрирован: Ср ноя 18, 2009 12:50:31
Сообщений: 780
Откуда: ковров
Рейтинг сообщения: 0
опоздал наверное... но все же... висит на стене на гвоздике сие чудо. обменяю/продам! (приоритет блоки от комплекса ОДА, можно нерабочие)

PS. Прежде чем приобрести сие чудо установите и проверьте работу соответствующего ПО на компьютере!!! Что бы потом не возникали вопросы: а почему не работает?

_________________
R5VCH
Хотелки:
СпойлерАналоговый осциллограф С1-112, С1-118, другие
не/рабочие модули от комплекса ОДА-102
всё что касается AVR, arduino, raspberry
всё что касается КВ-УКВ-радиосвязи, mashtastic


Вернуться наверх
 
Не в сети
 Заголовок сообщения: Re: Светодиодная матрица
СообщениеДобавлено: Ср мар 05, 2014 22:03:40 
Родился

Зарегистрирован: Ср мар 05, 2014 21:52:08
Сообщений: 3
Рейтинг сообщения: 0
Доброго времени суток Всем котам!!! У меня огромная просьба к разработчику "светодиодной матрицы кота" http://radiokot.ru/circuit/light/run/11/: помогите пожалуйста мне с одним вопросом (для меня не решаемый), можно ли в вашей проге управления создать отдельную кнопку которая способна включать и выключать только конкретный светодиод? Но вопрос не весь....Точнее: при нажатии на кнопку светодиод не включался или выключался, а единожды моргнул, с определенной задержкой (скажем в пол секунды). Если это возможно и Вы или кто-то из форумчан знает как это создать в проге напишите пожалуйста. А если будет еще и "рыба" в проге, то это вообще будет замечательно. Спасибо.


Вернуться наверх
 
Эиком - электронные компоненты и радиодетали
Не в сети
 Заголовок сообщения: Re: Светодиодная матрица
СообщениеДобавлено: Чт мар 06, 2014 13:15:34 
Опытный кот
Аватар пользователя

Карма: 1
Рейтинг сообщений: 22
Зарегистрирован: Ср ноя 18, 2009 12:50:31
Сообщений: 780
Откуда: ковров
Рейтинг сообщения: 0
optic,в проге это можно делать! Установите себе программу и посмотрите как она работает. Светодиоды включаются/выключаются при нажатии на него(светодиод) в программе, каждый светодиод отдельно! задержку вы тоже можете менять!

_________________
R5VCH
Хотелки:
СпойлерАналоговый осциллограф С1-112, С1-118, другие
не/рабочие модули от комплекса ОДА-102
всё что касается AVR, arduino, raspberry
всё что касается КВ-УКВ-радиосвязи, mashtastic


Вернуться наверх
 
Не в сети
 Заголовок сообщения: Re: Светодиодная матрица
СообщениеДобавлено: Чт мар 06, 2014 20:03:57 
Родился

Зарегистрирован: Ср мар 05, 2014 21:52:08
Сообщений: 3
Рейтинг сообщения: 0
Не-не... наверное неправильно изложил вопрос я... Как работает матрица я знаю. Итак нужна отдельная кнопка в интерфейсе (не в поле светодиодов, где мне нужно чтобы зажечь светодиод, щелкнуть на него), к примеру как кнопка со стрелкой для смещения изображения по матрице или как кнопка для открытия ранее сохраненного файла. Но вся проблема в том что я не знаю как это все сделать в Vbasic (тяму не хватает), если кто-то поможет буду благодарен. Решение задачи необходимо для управлением другими устройствами, но часть котоматрицы должно работать, а именно 200 светодиодов в обычном режиме.


Вернуться наверх
 
Не в сети
 Заголовок сообщения: Re: Светодиодная матрица
СообщениеДобавлено: Пт мар 07, 2014 21:45:34 
Родился

Зарегистрирован: Ср мар 05, 2014 21:52:08
Сообщений: 3
Рейтинг сообщения: 0
Все ребят я нашел. В итоге вот что мне было нужно: Private Sub Command29_Click()
If W = 0 And U = 0 Then If Image2(0).Visible = True Then Image2(S).Visible = False Else Image2(S).Visible = True
If W = 0 And U = 0 Then If Image2(0).Visible = True Then dop(sprite * 256 - 256 + S) = 1 Else dop(sprite * 256 - 256 + S) = 0
End Sub
Кнопка 29 мне и нужна чтоб управлять одним лишь светодиодом. В командах может быть слова лишнии присутствуют, но зато работает. А кто-нибудь подскажет как сделать чтоб светодиод кратковременно моргнул, а не горел. Пожалуйста!!!


Вернуться наверх
 
Не в сети
 Заголовок сообщения: Re: Светодиодная матрица
СообщениеДобавлено: Ср июл 30, 2014 17:33:43 
Родился

Зарегистрирован: Ср июл 30, 2014 17:21:36
Сообщений: 2
Рейтинг сообщения: 0
Здравствуйте!
Меня заинтересовала эта конструкция «Матрица 16х16 (256 LEDов)» подключаемая к LPT порту.

Я эту конструкцию спаял – заработало.

Раннее я подключал 12 светодиодов к LPT порту. Купил PCI - LPT карточку и переадресовал.
Как переадресовать есть на сайте - http://mavius.narod.ru/projects/lpt/settings/
Все работает великолепно.
ВОПРОС №1 – как переадресовать программу управления
матрицей 16х16 с LPT порта материнки на PCI – LPT карточку?
И еще есть два вопроса – но с начало надо разобраться с этим.

Подскажите пожалуйста. Виталлий


Вернуться наверх
 
Не в сети
 Заголовок сообщения: Re: Светодиодная матрица
СообщениеДобавлено: Чт июл 31, 2014 09:20:33 
Мучитель микросхем

Карма: 7
Рейтинг сообщений: 44
Зарегистрирован: Ср июн 21, 2006 08:24:32
Сообщений: 465
Откуда: Лисичанск
Рейтинг сообщения: 0
В программе жестко зашит адрес LPT1.
Нужно переписывать.
Нет ни времени, ни желания...


Вернуться наверх
 
Не в сети
 Заголовок сообщения: Re: Светодиодная матрица
СообщениеДобавлено: Вс янв 18, 2015 14:37:16 
Первый раз сказал Мяу!
Аватар пользователя

Зарегистрирован: Вс янв 18, 2015 13:28:48
Сообщений: 39
Рейтинг сообщения: 0
Radan писал(а):
Нет ни времени, ни желания...


Заинтересовала матрица ... так как я когда-то программировал на VB6.
Специально зарегился.
Матрицу как то можно увеличить (64X64)? Тогда и повысится актуальность.
В идеале было бы неплохо с RGB диодами забахать.

Чего то, глядя на схему вроде как это предел 16Х16 для одного LPT для динамической индикации. Так, нет?

Как можно повысить количество "диодов" (схемное решение). И какой тут придел по количеству?

_________________
Прогресс сделал электрические розетки безопасными для детей. В результате гибнут самые талантливые и любознательные из них.


Вернуться наверх
 
Не в сети
 Заголовок сообщения: Re: Светодиодная матрица
СообщениеДобавлено: Вс янв 18, 2015 20:15:33 
Мучитель микросхем

Карма: 7
Рейтинг сообщений: 44
Зарегистрирован: Ср июн 21, 2006 08:24:32
Сообщений: 465
Откуда: Лисичанск
Рейтинг сообщения: 0
Эта конструкция скорее как игрушка. 64х64 сделать можно, но нужно соответственно другое железо.
Если делать в статике - получается куча регистров, а это неоправданная сложность в монтаже.
Если делать в динамике, то нужно организовывать развёртку на контроллере, который будет не только принимать информацию с ПК, но и выводить её на матрицу.
В случае с контроллером можно будет даже градации яркости предусмотреть.


Вернуться наверх
 
Не в сети
 Заголовок сообщения: Re: Светодиодная матрица
СообщениеДобавлено: Пн янв 19, 2015 03:30:19 
Первый раз сказал Мяу!
Аватар пользователя

Зарегистрирован: Вс янв 18, 2015 13:28:48
Сообщений: 39
Рейтинг сообщения: 0
Конечно же интересует в динамике. Но с контроллером я не осилю, не создам схему. Может есть где то похожие готовые примеры?

_________________
Прогресс сделал электрические розетки безопасными для детей. В результате гибнут самые талантливые и любознательные из них.


Вернуться наверх
 
Не в сети
 Заголовок сообщения: Re: Светодиодная матрица
СообщениеДобавлено: Пн янв 19, 2015 08:17:42 
Мучитель микросхем

Карма: 7
Рейтинг сообщений: 44
Зарегистрирован: Ср июн 21, 2006 08:24:32
Сообщений: 465
Откуда: Лисичанск
Рейтинг сообщения: 0
Скорее всего матрицы большого размера - коммерческие разработки.
Так что или покупать, или разрабатывать самому.


Вернуться наверх
 
Показать сообщения за:  Сортировать по:  Вернуться наверх
Начать новую тему Ответить на тему  [ Сообщений: 173 ]     ... , , , , 9

Часовой пояс: UTC + 3 часа


Кто сейчас на форуме

Сейчас этот форум просматривают: нет зарегистрированных пользователей и гости: 31


Вы не можете начинать темы
Вы не можете отвечать на сообщения
Вы не можете редактировать свои сообщения
Вы не можете удалять свои сообщения
Вы не можете добавлять вложения

Найти:
Перейти:  


Powered by phpBB © 2000, 2002, 2005, 2007 phpBB Group
Русская поддержка phpBB
Extended by Karma MOD © 2007—2012 m157y
Extended by Topic Tags MOD © 2012 m157y