Например TDA7294

Форум РадиоКот • Просмотр темы - Таймер для засветки фоторезиста
Форум РадиоКот
Здесь можно немножко помяукать :)

Текущее время: Сб мар 21, 2026 03:24:37

Часовой пояс: UTC + 3 часа


ПРЯМО СЕЙЧАС:



Начать новую тему Ответить на тему  [ Сообщений: 426 ]     ... , , , 14, , , ...  
Автор Сообщение
 Заголовок сообщения: Re: Таймер для засветки фоторезиста
СообщениеДобавлено: Ср ноя 18, 2015 14:52:06 
Вымогатель припоя
Аватар пользователя

Карма: 7
Рейтинг сообщений: 46
Зарегистрирован: Вт ноя 18, 2008 20:33:17
Сообщений: 566
Откуда: г.Луганск
Рейтинг сообщения: 0
Медали: 1
Получил миской по аватаре (1)
3 лампы по 8 Вт, расстояние около 25 см - 2-2.5 минуты засветка. Время засветки зависит от всего - мощность ламп, расстояние, фоторезист, материал шаблона. Судя по топикам, в которых упоминается фоторезист, время засветки у народа от 0,5 до 5-7 минут

_________________
Хорошо и надежно работающая система безусловно красива


Вернуться наверх
 
 Заголовок сообщения: Re: Таймер для засветки фоторезиста
СообщениеДобавлено: Чт ноя 19, 2015 00:19:26 
Электрический кот
Аватар пользователя

Карма: 4
Рейтинг сообщений: 48
Зарегистрирован: Вт янв 08, 2013 04:08:16
Сообщений: 1047
Откуда: FAR EAST FOREVER
Рейтинг сообщения: 0
4 лампы 9 вт. Пользуюсь маской фср-8000

_________________
1.Всегда бывает первый раз.
2.Родился сам, помоги другому


Вернуться наверх
 
 Заголовок сообщения: Re: Таймер для засветки фоторезиста
СообщениеДобавлено: Ср фев 24, 2016 23:06:52 
Родился

Зарегистрирован: Ср фев 24, 2016 23:03:51
Сообщений: 6
Рейтинг сообщения: 0
добрый день, вопрос по какой схеме работает прошивка 2,0? общий анод или катод?


Вернуться наверх
 
 Заголовок сообщения: Re: Таймер для засветки фоторезиста
СообщениеДобавлено: Чт фев 25, 2016 07:23:19 
Вымогатель припоя
Аватар пользователя

Карма: 7
Рейтинг сообщений: 46
Зарегистрирован: Вт ноя 18, 2008 20:33:17
Сообщений: 566
Откуда: г.Луганск
Рейтинг сообщения: 0
Медали: 1
Получил миской по аватаре (1)
День добрый, прошивка универсальная:
Цитата:
Прошивка подходит как для общего анода, так и катода, выбор типа индикатора ручной. После заливки прошивки в мегу8 необходимо включить таймер, держа нажатой кнопку "плюс" или "минус". "Плюс" - для общего анода, "минус" - для общего катода. Выбор запоминается

_________________
Хорошо и надежно работающая система безусловно красива


Вернуться наверх
 
Эиком - электронные компоненты и радиодетали
 Заголовок сообщения: Re: Таймер для засветки фоторезиста
СообщениеДобавлено: Пн фев 29, 2016 11:56:47 
Родился

Зарегистрирован: Ср фев 24, 2016 23:03:51
Сообщений: 6
Рейтинг сообщения: 0
автору вопрос: можно ли добавить еще 1 цифру спереди для отображение часов и увеличить до 10 часов (9-59-59) ? у меня просто лежит дисплей от dvd хотелось бы сделать таймер для комнатного вентилятора. сам я в этом только начинаю работать в коде этом не разбираюсь совсем :(


Вернуться наверх
 
 Заголовок сообщения: Re: Таймер для засветки фоторезиста
СообщениеДобавлено: Пн фев 29, 2016 18:04:45 
Первый раз сказал Мяу!
Аватар пользователя

Зарегистрирован: Ср мар 18, 2015 08:57:43
Сообщений: 26
Рейтинг сообщения: 0
собрал схему по схеме на начальной странице, заработала сразу с прошивкой "таймер_1.4.2_OA" разработал плату под TQFP корпус размер получился 110х25мм, блок питания отдельно. Выкладываю на обсуждение


Вложения:
fototimer.rar [54.15 KiB]
Скачиваний: 678
Вернуться наверх
 
 Заголовок сообщения: Re: Таймер для засветки фоторезиста
СообщениеДобавлено: Пн фев 29, 2016 21:15:26 
Вымогатель припоя
Аватар пользователя

Карма: 7
Рейтинг сообщений: 46
Зарегистрирован: Вт ноя 18, 2008 20:33:17
Сообщений: 566
Откуда: г.Луганск
Рейтинг сообщения: 0
Медали: 1
Получил миской по аватаре (1)
vitt7 писал(а):
автору вопрос: можно ли добавить еще 1 цифру спереди для отображение часов и увеличить до 10 часов (9-59-59) ? у меня просто лежит дисплей от dvd хотелось бы сделать таймер для комнатного вентилятора. сам я в этом только начинаю работать в коде этом не разбираюсь совсем :(

Тогда это уже будет не таймер для фоторезиста :)

kreo писал(а):
собрал схему по схеме на начальной странице, заработала сразу с прошивкой "таймер_1.4.2_OA" разработал плату под TQFP корпус размер получился 110х25мм, блок питания отдельно. Выкладываю на обсуждение

Компактно получилось :beer: . Для первой версий схемы кварц не нужен, а для второй - не нужны транзисторы в разрядах индикатора

_________________
Хорошо и надежно работающая система безусловно красива


Вернуться наверх
 
 Заголовок сообщения: Re: Таймер для засветки фоторезиста
СообщениеДобавлено: Ср мар 02, 2016 03:51:05 
Родился

Карма: 1
Рейтинг сообщений: 6
Зарегистрирован: Чт янв 19, 2012 01:41:54
Сообщений: 17
Откуда: USA
Рейтинг сообщения: 0
Смотрится компактно но, если прибавить размеры силового коммутатора хотя бы на ток 3-4А
и блока питания, то на какой найменьший размер по вашему может потянуть?


Вернуться наверх
 
 Заголовок сообщения: Re: Таймер для засветки фоторезиста
СообщениеДобавлено: Ср мар 02, 2016 16:40:33 
Вымогатель припоя
Аватар пользователя

Карма: 7
Рейтинг сообщений: 46
Зарегистрирован: Вт ноя 18, 2008 20:33:17
Сообщений: 566
Откуда: г.Луганск
Рейтинг сообщения: 0
Медали: 1
Получил миской по аватаре (1)
:dont_know: Это ж все в комплексе и надо смотреть :)

_________________
Хорошо и надежно работающая система безусловно красива


Вернуться наверх
 
 Заголовок сообщения: Re: Таймер для засветки фоторезиста
СообщениеДобавлено: Вс мар 13, 2016 15:00:45 
Родился

Зарегистрирован: Ср фев 24, 2016 23:03:51
Сообщений: 6
Рейтинг сообщения: 0
я как понял это не исходный код. можно попросить сам исходник с которого составляется этот код? хочу посмотреть может разберусь)


Вернуться наверх
 
 Заголовок сообщения: Re: Таймер для засветки фоторезиста
СообщениеДобавлено: Вс мар 13, 2016 15:39:16 
Электрический кот
Аватар пользователя

Карма: 4
Рейтинг сообщений: 48
Зарегистрирован: Вт янв 08, 2013 04:08:16
Сообщений: 1047
Откуда: FAR EAST FOREVER
Рейтинг сообщения: 0
alexusa писал(а):
Смотрится компактно но, если прибавить размеры силового коммутатора хотя бы на ток 3-4А
и блока питания, то на какой найменьший размер по вашему может потянуть?

Если переделать электронный трансформатор "ташибра" то вполне компкатно.

_________________
1.Всегда бывает первый раз.
2.Родился сам, помоги другому


Вернуться наверх
 
 Заголовок сообщения: Re: Таймер для засветки фоторезиста
СообщениеДобавлено: Вс мар 13, 2016 17:08:03 
Вымогатель припоя
Аватар пользователя

Карма: 7
Рейтинг сообщений: 46
Зарегистрирован: Вт ноя 18, 2008 20:33:17
Сообщений: 566
Откуда: г.Луганск
Рейтинг сообщения: 0
Медали: 1
Получил миской по аватаре (1)
vitt7 писал(а):
я как понял это не исходный код. можно попросить сам исходник с которого составляется этот код? хочу посмотреть может разберусь)

Хм, я сам спустя пару лет уже с трудом понимаю что там и зачем :)))


Вложения:
Комментарий к файлу: исходник к версии v2.1
bascom.zip [26.19 KiB]
Скачиваний: 379

_________________
Хорошо и надежно работающая система безусловно красива
Вернуться наверх
 
 Заголовок сообщения: Re: Таймер для засветки фоторезиста
СообщениеДобавлено: Вт апр 26, 2016 20:49:43 
Родился

Зарегистрирован: Ср фев 24, 2016 23:03:51
Сообщений: 6
Рейтинг сообщения: 0
обсуждение, обсуждение, прошивки. Выложите последнею схему самого таймера. если в ней что то переделывалось. тут просто получается 14 страниц хауса и не поймёшь где что уже доработано и что куда шить.
P.S. прошу даже не говорить что схема не рабочая или прошивка кривая! я ее собрал и прошилась с первого раза! шил на ноуте немецком 90-го года выпуска!
P.P.S. Автору РЕСПЕКТ!


Вернуться наверх
 
 Заголовок сообщения: Re: Таймер для засветки фоторезиста
СообщениеДобавлено: Вт апр 26, 2016 21:12:21 
Вымогатель припоя
Аватар пользователя

Карма: 7
Рейтинг сообщений: 46
Зарегистрирован: Вт ноя 18, 2008 20:33:17
Сообщений: 566
Откуда: г.Луганск
Рейтинг сообщения: 0
Медали: 1
Получил миской по аватаре (1)
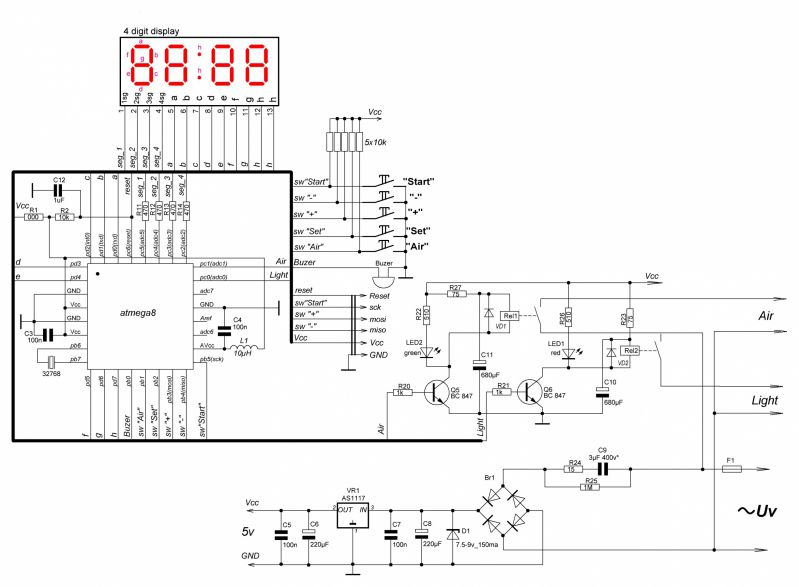
Как же вы без схемы тогда собирали? :roll: Для прошивок версиями младше 1.7 схема из статьи 1 в 1. От 1.7 и выше - изменения в схеме на стр.6 - добавлен часовой кварц и упрощено подключение индикатора к микроконтроллеру. Новую схему я полностью не рисовал, может кто из собиравших таймер котов для себя такое делал :dont_know: Ну и насчет хаоса это перебор, так, рабочий беспорядок :)))

_________________
Хорошо и надежно работающая система безусловно красива


Вернуться наверх
 
 Заголовок сообщения: Re: Таймер для засветки фоторезиста
СообщениеДобавлено: Ср апр 27, 2016 09:51:59 
Родился

Зарегистрирован: Ср фев 24, 2016 23:03:51
Сообщений: 6
Рейтинг сообщения: 0
htscooter писал(а):
Ну и насчет хаоса это перебор, так, рабочий беспорядок :)))

ну это понятно, как у меня в мастерской. я ее собирал по вот этой схеме http://i.piccy.info/i7/2018afaa8be173fa ... ma_800.jpg хаос заключается в том что в кол-во страниц пока все прочтёшь съезжает крыша. это вам проще вы сразу это все не читали)))))


Вернуться наверх
 
 Заголовок сообщения: Re: Таймер для засветки фоторезиста
СообщениеДобавлено: Ср апр 27, 2016 10:50:32 
Вымогатель припоя
Аватар пользователя

Карма: 7
Рейтинг сообщений: 46
Зарегистрирован: Вт ноя 18, 2008 20:33:17
Сообщений: 566
Откуда: г.Луганск
Рейтинг сообщения: 0
Медали: 1
Получил миской по аватаре (1)
Схема правильная, для версий от 1.7 и новее. Разве что не задействована кнопка и выход для управления вакуумным прижимом. А 14 страниц это ж вообще мелочь. Вот 250-500 страниц - это да :)))

_________________
Хорошо и надежно работающая система безусловно красива


Вернуться наверх
 
 Заголовок сообщения: Re: Таймер для засветки фоторезиста
СообщениеДобавлено: Пт май 20, 2016 16:41:13 
Родился

Зарегистрирован: Вт май 17, 2016 08:45:06
Сообщений: 7
Рейтинг сообщения: 0
Добрый день! Собрал таймер, все сразу заработало, но почему-то в сегменте "1" не светится элемент "a" , и в сегменте "4" не светится элемент "g". Индикатор CA56-21GWA перед установкой проверил все сегменты рабочие.
Подскажите, в какую сторону копать?


Вернуться наверх
 
 Заголовок сообщения: Re: Таймер для засветки фоторезиста
СообщениеДобавлено: Сб май 21, 2016 00:19:40 
Электрический кот
Аватар пользователя

Карма: 4
Рейтинг сообщений: 48
Зарегистрирован: Вт янв 08, 2013 04:08:16
Сообщений: 1047
Откуда: FAR EAST FOREVER
Рейтинг сообщения: 0
Иди по дорожке этих элементов где-то нет контакта, у меня обычно гасящий резистор на элемент плохо пропаивался.

_________________
1.Всегда бывает первый раз.
2.Родился сам, помоги другому


Вернуться наверх
 
 Заголовок сообщения: Re: Таймер для засветки фоторезиста
СообщениеДобавлено: Вс июн 19, 2016 22:50:49 
Родился

Зарегистрирован: Сб окт 09, 2010 14:10:05
Сообщений: 11
Рейтинг сообщения: 0
Доброго , а если мне нужно отрубать 36вольт 100ватт, нужны какие-то изменения в схемотехнике?


Вернуться наверх
 
 Заголовок сообщения: Re: Таймер для засветки фоторезиста
СообщениеДобавлено: Пн июн 20, 2016 09:18:10 
Родился

Карма: 1
Рейтинг сообщений: 6
Зарегистрирован: Чт янв 19, 2012 01:41:54
Сообщений: 17
Откуда: USA
Рейтинг сообщения: 0
Схема в переделке не нуждаеться у меня она вмонтирована в удлинитель а на выходе реле на 10А ( выкладывал на ст 12,13).
И уже прекрасно работает долгое время и мохно отрубать при 36В-360Вт, при 220В-2200Вт итд.
Изображение


Вернуться наверх
 
Показать сообщения за:  Сортировать по:  Вернуться наверх
Начать новую тему Ответить на тему  [ Сообщений: 426 ]     ... , , , 14, , , ...  

Часовой пояс: UTC + 3 часа


Вы не можете начинать темы
Вы не можете отвечать на сообщения
Вы не можете редактировать свои сообщения
Вы не можете удалять свои сообщения
Вы не можете добавлять вложения

Найти:
Перейти:  


Powered by phpBB © 2000, 2002, 2005, 2007 phpBB Group
Русская поддержка phpBB
Extended by Karma MOD © 2007—2012 m157y
Extended by Topic Tags MOD © 2012 m157y