Например TDA7294

Форум РадиоКот • Просмотр темы - Автоматическое зарядное устройство для свинцово-кислотных ак
Форум РадиоКот
Здесь можно немножко помяукать :)

Текущее время: Ср янв 21, 2026 02:55:43

Часовой пояс: UTC + 3 часа


ПРЯМО СЕЙЧАС:



Начать новую тему Ответить на тему  [ Сообщений: 384 ]     ... , , , 19,  
Автор Сообщение
Не в сети
 Заголовок сообщения: Re: Автоматическое зарядное устройство для свинцово-кислотны
СообщениеДобавлено: Вт июн 07, 2011 06:45:33 
Нашел транзистор. Понюхал.
Аватар пользователя

Зарегистрирован: Вт сен 15, 2009 06:21:27
Сообщений: 157
Откуда: Киев
Рейтинг сообщения: 0
Медали: 1
Мявтор 3-й степени (1)
Я кое-где ставил импортные А733 / С945 - у них как раз База Коллектор Эмиттер

_________________
Настоящему коту и в декабре МАРТ!


Вернуться наверх
 
Не в сети
 Заголовок сообщения: Re: Автоматическое зарядное устройство для свинцово-кислотны
СообщениеДобавлено: Чт июн 09, 2011 23:00:55 
Родился
Аватар пользователя

Зарегистрирован: Пн июн 06, 2011 18:33:05
Сообщений: 3
Рейтинг сообщения: 0
БП 200W две микросхемы KA7500 и DBL339 со схемой туго, в случае чего поможете разобраться где что распаять и впаять??


Вернуться наверх
 
Не в сети
 Заголовок сообщения: Re: Автоматическое зарядное устройство для свинцово-кислотны
СообщениеДобавлено: Пт июн 10, 2011 03:19:47 
Первый раз сказал Мяу!

Зарегистрирован: Пт сен 04, 2009 17:29:25
Сообщений: 36
Откуда: г. Новосибирск
Рейтинг сообщения: 0
vova3005 писал(а):
KA7500 и DBL339

7500 - это искомая микросхема (аналог 494), а на 339 (набор компараторов) собран узел защит от перенапряжения, перегрузки и т.д.


Вернуться наверх
 
Не в сети
 Заголовок сообщения: Re: Автоматическое зарядное устройство для свинцово-кислотны
СообщениеДобавлено: Пт июн 10, 2011 14:46:21 
Родился
Аватар пользователя

Зарегистрирован: Пн июн 06, 2011 18:33:05
Сообщений: 3
Рейтинг сообщения: 0
подскажите какие поправки нужны в этомhttp://electro-tech.narod.ru/schematics/power/comp/at/at200.png БП для данного зарядного?


Вернуться наверх
 
Эиком - электронные компоненты и радиодетали
Не в сети
 Заголовок сообщения: Re: Автоматическое зарядное устройство для свинцово-кислотны
СообщениеДобавлено: Пт июл 08, 2011 21:28:37 
Встал на лапы
Аватар пользователя

Зарегистрирован: Вт ноя 02, 2010 14:44:33
Сообщений: 111
Откуда: Беларусь, Борисов
Рейтинг сообщения: 0
Привести к типовой, то есть выкинуть на фиг всё лишнее!
Только аккуратней после переделки, при кз в цепи 12в - ВЗРЫВАЕТСЯ!


Вложения:
ЗУ НА МК.rar [183.61 KiB]
Скачиваний: 1858
Вернуться наверх
 
Не в сети
 Заголовок сообщения: Re: Автоматическое зарядное устройство для свинцово-кислотны
СообщениеДобавлено: Сб июл 23, 2011 17:31:49 
Первый раз сказал Мяу!
Аватар пользователя

Зарегистрирован: Ср мар 18, 2009 19:25:33
Сообщений: 26
Откуда: Республика Таторстан. г НУРЛАТ
Рейтинг сообщения: 0
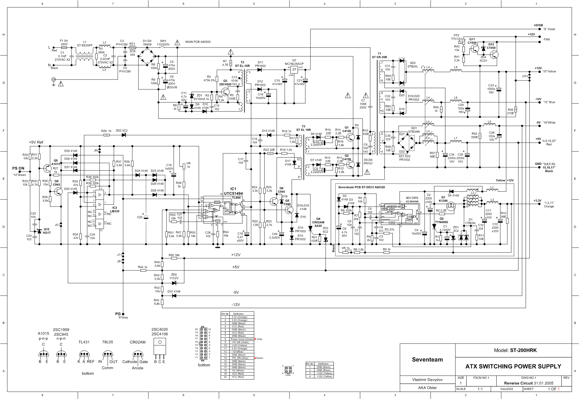
Подскажыте какие поправки нужны в этом БП


Вложения:
SevenTeam_ST-200HRK.gif [179.83 KiB]
Скачиваний: 2345

_________________
Это не уши это родары.
Вернуться наверх
 
Не в сети
 Заголовок сообщения: Re: Автоматическое зарядное устройство для свинцово-кислотны
СообщениеДобавлено: Пт июл 29, 2011 13:15:16 
Первый раз сказал Мяу!

Зарегистрирован: Чт авг 12, 2010 14:09:48
Сообщений: 28
Откуда: Украина, Кировоград
Рейтинг сообщения: 0
Ув. Коты! Извините за наглость, но в переделке БП не силен (так-как БП аля Китай-сарай), то прошу (если можно) сделать полностью плату БП (в SL). И если можно подробное описание. Если есть у кого-то желание мне помочь буду очень рад - имею ICQ и E-mail.
----------
ICQ: 441-084-149
E-mail: dokonay @ mail.ru

Спасибо за внимание и понимание.


Вернуться наверх
 
Не в сети
 Заголовок сообщения: Re: Автоматическое зарядное устройство для свинцово-кислотны
СообщениеДобавлено: Пт июл 29, 2011 13:26:41 
Электрический кот
Аватар пользователя

Карма: 19
Рейтинг сообщений: 154
Зарегистрирован: Ср мар 03, 2010 11:48:00
Сообщений: 1004
Откуда: Уфа
Рейтинг сообщения: 0
В этом сильно поможет статья и обсуждение Импульсная зарядка для автоаккумуляторов (новодел)
Там есть и платы, и схемы, и подробное описание всех переделок, именно то, что Вам нужно.


Вернуться наверх
 
Не в сети
 Заголовок сообщения: Re: Автоматическое зарядное устройство для свинцово-кислотны
СообщениеДобавлено: Пт июл 29, 2011 13:31:05 
Первый раз сказал Мяу!

Зарегистрирован: Чт авг 12, 2010 14:09:48
Сообщений: 28
Откуда: Украина, Кировоград
Рейтинг сообщения: 0
Спасибо. Сейчас почитаем ,...


Вернуться наверх
 
Не в сети
 Заголовок сообщения: Re: Автоматическое зарядное устройство для свинцово-кислотны
СообщениеДобавлено: Вт сен 27, 2011 14:44:48 
Первый раз сказал Мяу!
Аватар пользователя

Зарегистрирован: Пн авг 22, 2011 16:26:55
Сообщений: 21
Откуда: Одесса
Рейтинг сообщения: 0
мм поздно нашол эту тему( Помогите разобраться: viewtopic.php?f=11&t=54818&p=971979#p971979


Вернуться наверх
 
Не в сети
 Заголовок сообщения: Re: Автоматическое зарядное устройство для свинцово-кислотны
СообщениеДобавлено: Чт фев 02, 2012 11:42:37 
Родился

Зарегистрирован: Чт фев 02, 2012 10:41:44
Сообщений: 2
Рейтинг сообщения: 0
добрый день ! хочу узнать что нужно изменьть в этом блоке питания PS200NS НА 200WT а то я еще не селен в в такИх источниках питания
БУДУ ОЧЕНЬ БЛАГОДАРЕН [*]


Вложения:
Комментарий к файлу: СХЕМА
Безымянный 123.rar [231.26 KiB]
Скачиваний: 890
Вернуться наверх
 
Не в сети
 Заголовок сообщения: Re: Автоматическое зарядное устройство для свинцово-кислотны
СообщениеДобавлено: Чт фев 02, 2012 13:16:39 
Электрический кот
Аватар пользователя

Карма: 19
Рейтинг сообщений: 154
Зарегистрирован: Ср мар 03, 2010 11:48:00
Сообщений: 1004
Откуда: Уфа
Рейтинг сообщения: 0
Ну во первых, зачем было преобразовывать схему PS-200NS.pdf в формат рисунка? Проще выкладывать как есть. Во вторых, схема не дорисована и есть ошибки (питание ШИМа, не хватает резисторов и соединений). Ну и третье, классический вариант схема с TL494 (как писали выше это аналог), а детали силовой части использовать с этого блока.


Вернуться наверх
 
Не в сети
 Заголовок сообщения: Re: Автоматическое зарядное устройство для свинцово-кислотны
СообщениеДобавлено: Чт фев 02, 2012 13:19:56 
Первый раз сказал Мяу!

Зарегистрирован: Пт сен 04, 2009 17:29:25
Сообщений: 36
Откуда: г. Новосибирск
Рейтинг сообщения: 0
Хатуль_мадан писал(а):
Ну и третье, на таком ШИМ контроллере зарядное собрать сложно...

А разве KA7500 не полный аналог TL494?


Вернуться наверх
 
Не в сети
 Заголовок сообщения: Re: Автоматическое зарядное устройство для свинцово-кислотны
СообщениеДобавлено: Чт фев 02, 2012 13:24:29 
Электрический кот
Аватар пользователя

Карма: 19
Рейтинг сообщений: 154
Зарегистрирован: Ср мар 03, 2010 11:48:00
Сообщений: 1004
Откуда: Уфа
Рейтинг сообщения: 0
Извиняюсь, по началу ткнулся не в ту схему... Ответили раньше, чем успел исправиться. :facepalm:


Вернуться наверх
 
Не в сети
 Заголовок сообщения: Re: Автоматическое зарядное устройство для свинцово-кислотны
СообщениеДобавлено: Чт фев 02, 2012 13:48:31 
Родился

Зарегистрирован: Чт фев 02, 2012 10:41:44
Сообщений: 2
Рейтинг сообщения: 0
Хатуль_мадан писал(а):
Извиняюсь, по началу ткнулся не в ту схему... Ответили раньше, чем успел исправиться. :facepalm:


этот бп AT А НЕ ATX какие детали нада выпаять что бы отключить защиту от перенапряжения а то у меня при подключеном блоке управления на выходе 0.5 вольта и сильно свестит бп

вот автор указал пример переделки бп
Вложение:
01.gif [16.94 KiB]
Скачиваний: 1781

я что зделал убрал обратную связь по 5 и 12 в и на выходе там где 12 должно быть получил 25 в


Вернуться наверх
 
Не в сети
 Заголовок сообщения: Re: Автоматическое зарядное устройство для свинцово-кислотны
СообщениеДобавлено: Чт фев 02, 2012 20:56:26 
Электрический кот
Аватар пользователя

Карма: 19
Рейтинг сообщений: 154
Зарегистрирован: Ср мар 03, 2010 11:48:00
Сообщений: 1004
Откуда: Уфа
Рейтинг сообщения: 0
Так нельзя же вообще отключать обратную связь! По +12В нужно оставить, но перестроить ее на +14,6В, иначе рискуете бабах получить...
По переделке БП есть же ветка с кучей дельных советов "Импульсная зарядка для автоаккумуляторов (новодел)" называется.


Вернуться наверх
 
Не в сети
 Заголовок сообщения: Re: Автоматическое зарядное устройство для свинцово-кислотны
СообщениеДобавлено: Ср июл 04, 2012 12:10:30 
Родился

Зарегистрирован: Вс дек 20, 2009 19:20:14
Сообщений: 4
Рейтинг сообщения: 0
Bomj307 писал(а):
Привести к типовой, то есть выкинуть на фиг всё лишнее!
Только аккуратней после переделки, при кз в цепи 12в - ВЗРЫВАЕТСЯ!

А прошивка?
Спасибо.


Вернуться наверх
 
Не в сети
 Заголовок сообщения: Re: Автоматическое зарядное устройство для свинцово-кислотны
СообщениеДобавлено: Пт мар 20, 2015 20:13:41 
Первый раз сказал Мяу!

Зарегистрирован: Вт май 26, 2009 22:46:51
Сообщений: 25
Откуда: apostolovo
Рейтинг сообщения: 0
хочу предложыть свои изменения в схеме (режим качелей для десульфатации )в схеме на 561ле5 р 28 120 к заменен цепью из двух резисторов и диодов для получения режыма 45 секунд заряд и 15 секунд разряд как в кедре (несиметричный мультивибратор)и емкостьс6 увеличить до 470мкфарад соотношение сопротивлений 1к 4 120к и510к тиристор взял ку228 в понедельник первые испытания (только могу на работе) результат отпишусь

_________________
metrolog


Вернуться наверх
 
Не в сети
 Заголовок сообщения: Re: Автоматическое зарядное устройство для свинцово-кислотны
СообщениеДобавлено: Пт мар 20, 2015 20:40:11 
Первый раз сказал Мяу!

Зарегистрирован: Вт май 26, 2009 22:46:51
Сообщений: 25
Откуда: apostolovo
Рейтинг сообщения: 0
измененая плата
вопрос к автору если шунт не 0,1 ома а 0,05 ома на сколько нужно поменять номиналы регупировочных сопротивлений?


Вложения:
качели.lay6.zip [35.22 KiB]
Скачиваний: 622

_________________
metrolog
Вернуться наверх
 
Не в сети
 Заголовок сообщения: Re: Автоматическое зарядное устройство для свинцово-кислотны
СообщениеДобавлено: Пт июл 15, 2016 13:51:47 
Сверлит текстолит когтями
Аватар пользователя

Карма: 9
Рейтинг сообщений: 19
Зарегистрирован: Ср мар 10, 2010 22:28:34
Сообщений: 1292
Откуда: Запад Беларуси
Рейтинг сообщения: 0
Подойдёт ли сюда тиристор в металлическом исполнении? И есть ли здесь защита от КЗ на выходе?

_________________
Изображение
Изображение


Вернуться наверх
 
Показать сообщения за:  Сортировать по:  Вернуться наверх
Начать новую тему Ответить на тему  [ Сообщений: 384 ]     ... , , , 19,  

Часовой пояс: UTC + 3 часа


Кто сейчас на форуме

Сейчас этот форум просматривают: нет зарегистрированных пользователей и гости: 39


Вы не можете начинать темы
Вы не можете отвечать на сообщения
Вы не можете редактировать свои сообщения
Вы не можете удалять свои сообщения
Вы не можете добавлять вложения

Найти:
Перейти:  


Powered by phpBB © 2000, 2002, 2005, 2007 phpBB Group
Русская поддержка phpBB
Extended by Karma MOD © 2007—2012 m157y
Extended by Topic Tags MOD © 2012 m157y