Например TDA7294

Форум РадиоКот • Просмотр темы - Частотный преобразователь
Форум РадиоКот
Здесь можно немножко помяукать :)

Текущее время: Сб фев 21, 2026 16:21:08

Часовой пояс: UTC + 3 часа


ПРЯМО СЕЙЧАС:



Начать новую тему Ответить на тему  [ Сообщений: 13528 ]     ... , , , 187, , , ...  
Автор Сообщение
Не в сети
 Заголовок сообщения: Re: Частотный преобразователь
СообщениеДобавлено: Ср авг 17, 2016 20:39:59 
Собутыльник Кота

Карма: 48
Рейтинг сообщений: 900
Зарегистрирован: Чт июн 26, 2014 00:04:37
Сообщений: 2994
Рейтинг сообщения: 1
tarabrinVasiliy писал(а):
а ни кто не пробывал сделать подложки из каптона

Я не пробовал. На мой взгляд лучше-таки слюда.
НЕМЕТС писал(а):
формулировать требуемые ТТХ этого хозяйства?..

Контроль за превышением - контролируем величину DC напряжения, при достижении им определённого верхнего предела - отключение привода. Примерно, предельное напряжение отключения 400В.
Пока вижу решение добавлением 4 деталек:
Изображение
Надо опробовать, но нет пока "1,5ке" на 350В, есть только на 440, слишком много.
Схема сброса мощности - отдельный блок, меряет напряжение DC и при превышении его над определённым значением, начинает работать ШИмом, чем больше напряжение - тем шире импульс. Должна начинать отрабатывать ориентировочно с 350В. Ток ключа и резистор будут зависеть от двигателя и скорости торможения, тот-же PH ключ туда, можно без диода.
Думаю можно запустить на одной 3842 - и регулятор и драйвер, вопрос с питанием остаётся - лучше будет от самого DC звена, чтоб тормозной блок был автономный. Сделал, проверил, подключил на DC.

_________________
Обновления, документация, схемы и прошивки Восьмикрута - yandex
Обновления, документация, схемы и прошивки Восьмикрута - google
Видео ролики YouTube RuTube Дзен


Вернуться наверх
 
Не в сети
 Заголовок сообщения: Re: Частотный преобразователь
СообщениеДобавлено: Ср авг 17, 2016 22:56:15 
Прорезались зубы

Карма: 4
Рейтинг сообщений: 13
Зарегистрирован: Чт мар 12, 2015 01:37:52
Сообщений: 217
Откуда: Донецк
Рейтинг сообщения: 0
DC-AC писал(а):

Для полного внедрения нужно выполнить контроль за превышением напряжения и разработать простую схему сброса лишнего напряжения с DC звена. Наверняка у кого-нибудь есть идеи по этому вопросу, выражайте мысли! :)

Можете у меня в облаке новая папка pwm2 подсмотреть исходник на atmega88 , там есть уже все плюшки : тахометр , амперметр , вольтметр, можно выбрать 1 фазный или 3 фазный двигатель , а также форму сигнала трапеция или синус и есть пересчет амплитуды и частоты на ходу и много еще чего полезного... Будет время и деньги доделаю полностью , а пока можете пользоваться черновой версией.


Вернуться наверх
 
Не в сети
 Заголовок сообщения: Re: Частотный преобразователь
СообщениеДобавлено: Чт авг 18, 2016 11:47:54 
Родился

Зарегистрирован: Вт авг 18, 2015 09:44:56
Сообщений: 5
Рейтинг сообщения: 0
Встречался такой вариант:
СпойлерИзображение


Вернуться наверх
 
Не в сети
 Заголовок сообщения: Re: Частотный преобразователь
СообщениеДобавлено: Чт авг 18, 2016 18:33:02 
Говорящий с текстолитом

Карма: 9
Рейтинг сообщений: 81
Зарегистрирован: Пн янв 11, 2010 20:48:59
Сообщений: 1517
Откуда: Ульяновск, п. Жадовка
Рейтинг сообщения: 0
Сегодня проверял движок от токарного двухскоростной. 2,8/4,6 кВт
на 2,8 кВт запуск проходит нормально. На эту обмотку и было подозрение, потому что станок не крутил. А на обмотке 4,6 - начинает крутиться на нескольких герцах вал останавливается и дергается на месте. При дальнейшем наборе частоты идет просадка сети - по освещению видно.
Но если при начальном толчке отключить и включить разгон - движок разгоняется. Как можно объяснить затык на нескольких герцах?
Включен звездой без нагрузки.


Вернуться наверх
 
Эиком - электронные компоненты и радиодетали
Не в сети
 Заголовок сообщения: Re: Частотный преобразователь
СообщениеДобавлено: Чт авг 18, 2016 19:57:34 
Собутыльник Кота

Карма: 48
Рейтинг сообщений: 900
Зарегистрирован: Чт июн 26, 2014 00:04:37
Сообщений: 2994
Рейтинг сообщения: 0
Правильно ли подключали обмотки?
Изображение
И двигатель на 380В рассчитан, на 220 он всю мощность не даст.

_________________
Обновления, документация, схемы и прошивки Восьмикрута - yandex
Обновления, документация, схемы и прошивки Восьмикрута - google
Видео ролики YouTube RuTube Дзен


Вернуться наверх
 
Не в сети
 Заголовок сообщения: Re: Частотный преобразователь
СообщениеДобавлено: Чт авг 18, 2016 20:03:58 
Говорящий с текстолитом

Карма: 9
Рейтинг сообщений: 81
Зарегистрирован: Пн янв 11, 2010 20:48:59
Сообщений: 1517
Откуда: Ульяновск, п. Жадовка
Рейтинг сообщения: 0
про мощность понятно. Но он без нагрузки. Нагружен только своей инерционностью.
А подключение - 6 концов и схема на крышке. 3 - на одну скорость. 3 - на другую


Вернуться наверх
 
Не в сети
 Заголовок сообщения: Re: Частотный преобразователь
СообщениеДобавлено: Чт авг 18, 2016 20:05:05 
Грызет канифоль
Аватар пользователя

Карма: 1
Рейтинг сообщений: 19
Зарегистрирован: Пт июл 29, 2016 16:24:32
Сообщений: 276
Откуда: Алтайский край
Рейтинг сообщения: 0
Всем привет! А до какого предела можно понизить сопротивление резисторов один из которых я пометил- к примеру до 100к реально.
Изображение
Спасибо.

_________________
Wasiliy61


Вернуться наверх
 
Не в сети
 Заголовок сообщения: Re: Частотный преобразователь
СообщениеДобавлено: Чт авг 18, 2016 21:06:42 
Собутыльник Кота

Карма: 48
Рейтинг сообщений: 900
Зарегистрирован: Чт июн 26, 2014 00:04:37
Сообщений: 2994
Рейтинг сообщения: 0
Александр Чуреков писал(а):
3 - на одну скорость. 3 - на другую

Когда треугольник на низшую скорость - 3 провода вершин на фазы, три остальных в воздухе, а когда на двойную звезду и высокую скорость (и мощность) то фазы подавать на другие три конца (которые болтались), а три провода, что были подключены до этого на низкую скорость - закорачивать вместе. Так делали?
Проверьте по межобмоточному сопротивлению, возможно витковое в одной из катушек фазы.
tarabrinVasiliy писал(а):
до какого предела можно понизить сопротивление резисторов один из которых я пометил- к примеру до 100к реально.
Смотрите осциллографом, при 100кОм будет быстрее разряжаться электролит, может повысится импульсный ток его подзаряда, смотреть нужно, чтоб не плыло сильно при раскрытой модуляции

_________________
Обновления, документация, схемы и прошивки Восьмикрута - yandex
Обновления, документация, схемы и прошивки Восьмикрута - google
Видео ролики YouTube RuTube Дзен


Вернуться наверх
 
Не в сети
 Заголовок сообщения: Re: Частотный преобразователь
СообщениеДобавлено: Пт авг 19, 2016 05:34:53 
Говорящий с текстолитом

Карма: 9
Рейтинг сообщений: 81
Зарегистрирован: Пн янв 11, 2010 20:48:59
Сообщений: 1517
Откуда: Ульяновск, п. Жадовка
Рейтинг сообщения: 0
На другом форуме находил фото крышки этого двигателя. Так там на крышке нарисована схема - треугольник с отводами. И как раз надо закорачивать. На моем на крышке нарисовано две отдельных звезды и подключение без закорачивания. Как то так.

Если в моем две отдельные обмотки, то можно вывести концы под треугольник. И ради интереса наверное можно как трехфазный вращающийся трансформатор использовать?

И еще вспомнил - на более скоростной 4,6 кВт обмотке не регулируются обороты в низкой области. Срасываю крутилкой до 1 Гц, а на показометре 10, 12, 14, 13,16... Обороты плавают.


Вернуться наверх
 
Не в сети
 Заголовок сообщения: Re: Частотный преобразователь
СообщениеДобавлено: Пт авг 19, 2016 14:25:36 
Прорезались зубы

Карма: 1
Рейтинг сообщений: 0
Зарегистрирован: Пт апр 22, 2011 19:34:06
Сообщений: 204
Рейтинг сообщения: 0
Доброго дня всем! Собираю в кучу частотник и возник вопрос: есть ли смысл одеть ферритовые колечки (или втулки) на провода
+или-310 вольт, когда то на все свои сварочники одевал эти втулки и при работе они нехило грелись, значит они сглатывали какие то импульсы? Прочитал весь форум-такого вопроса не встречал. Спасибо.


Вернуться наверх
 
Не в сети
 Заголовок сообщения: Re: Частотный преобразователь
СообщениеДобавлено: Пт авг 19, 2016 17:04:41 
Потрогал лапой паяльник
Аватар пользователя

Карма: 3
Рейтинг сообщений: 29
Зарегистрирован: Чт мар 08, 2012 03:57:36
Сообщений: 375
Откуда: Украина,Винницкая обл.
Рейтинг сообщения: 0
lotik писал(а):
есть ли смысл одеть ферритовые колечки (или втулки) на провода
+или-310 вольт


Никогда с этим не заморачивался,не нужны они там.


Вернуться наверх
 
Не в сети
 Заголовок сообщения: Re: Частотный преобразователь
СообщениеДобавлено: Пт авг 19, 2016 17:10:35 
Собутыльник Кота

Карма: 48
Рейтинг сообщений: 900
Зарегистрирован: Чт июн 26, 2014 00:04:37
Сообщений: 2994
Рейтинг сообщения: 1
Александр Чуреков писал(а):
Если в моем две отдельные обмотки...
Вряд-ли, прозвоните их между собой.
Александр Чуреков писал(а):
10, 12, 14, 13,16... Обороты плавают
Помехи, наводка на частотный вход контроллера, смотрите подключение крутилки и фильтр
lotik писал(а):
есть ли смысл одеть ферритовые колечки (или втулки) на провода+или-310 вольт
Грелись из-за постоянного входа в насыщение. На DC ими можно демпфировать токи обратного восстановления диодов, но в частотнике с нормальными хардовыми ключами смысла в них нет.

_________________
Обновления, документация, схемы и прошивки Восьмикрута - yandex
Обновления, документация, схемы и прошивки Восьмикрута - google
Видео ролики YouTube RuTube Дзен


Вернуться наверх
 
Не в сети
 Заголовок сообщения: Re: Частотный преобразователь
СообщениеДобавлено: Пт авг 19, 2016 17:46:34 
Прорезались зубы

Карма: 1
Рейтинг сообщений: 0
Зарегистрирован: Пт апр 22, 2011 19:34:06
Сообщений: 204
Рейтинг сообщения: 0
Понял. Спасибо.


Вернуться наверх
 
Не в сети
 Заголовок сообщения: Re: Частотный преобразователь
СообщениеДобавлено: Пт авг 19, 2016 17:57:26 
Говорящий с текстолитом

Карма: 9
Рейтинг сообщений: 81
Зарегистрирован: Пн янв 11, 2010 20:48:59
Сообщений: 1517
Откуда: Ульяновск, п. Жадовка
Рейтинг сообщения: 0
DC-AC писал(а):
Вряд-ли, прозвоните их между собой.

Уже прозвонил. Все обмотки звонятся между собой. Возможно крышка с другого мотора. Надо замыкать значит. Блин, вот засада. И в схем токарного выводы не замыкаются.

На шильдике А/YY, но не Y/Y как думал.


Вернуться наверх
 
Не в сети
 Заголовок сообщения: Re: Частотный преобразователь
СообщениеДобавлено: Вс авг 21, 2016 06:13:11 
Грызет канифоль
Аватар пользователя

Карма: 1
Рейтинг сообщений: 19
Зарегистрирован: Пт июл 29, 2016 16:24:32
Сообщений: 276
Откуда: Алтайский край
Рейтинг сообщения: 0
Всем привет! Наткнулся вот на такие ключи GW30N120KD- ни кто не пытал счастье на них, если да -то как они.?
Спасибо.

_________________
Wasiliy61


Последний раз редактировалось tarabrinVasiliy Вс авг 21, 2016 19:29:21, всего редактировалось 1 раз.

Вернуться наверх
 
Не в сети
 Заголовок сообщения: Re: Частотный преобразователь
СообщениеДобавлено: Вс авг 21, 2016 19:19:06 
Встал на лапы
Аватар пользователя

Карма: 23
Рейтинг сообщений: 32
Зарегистрирован: Чт ноя 26, 2015 17:52:50
Сообщений: 140
Рейтинг сообщения: 0
tarabrinVasiliy Добрый вечер.
Я себе заказал GW40N120KD, скоро должны с Китая доехать, автор сказал что они подойдут, так что ваши тоже отлично подойдут.

_________________
Корпорация MARS


Вернуться наверх
 
Не в сети
 Заголовок сообщения: Re: Частотный преобразователь
СообщениеДобавлено: Вс авг 21, 2016 19:40:59 
Грызет канифоль
Аватар пользователя

Карма: 1
Рейтинг сообщений: 19
Зарегистрирован: Пт июл 29, 2016 16:24:32
Сообщений: 276
Откуда: Алтайский край
Рейтинг сообщения: 0
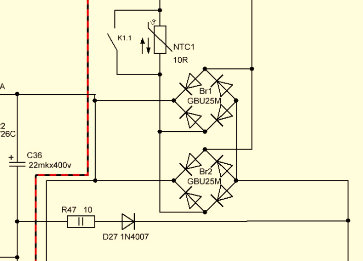
Коллеги. и ещё вопрос. Дежурку наверно буду делать на ТОР225, садить буду на DC- но как, через предохранитель или как делали в сварочниках через 2 ваттный резистор.
Изображение

_________________
Wasiliy61


Вернуться наверх
 
Не в сети
 Заголовок сообщения: Re: Частотный преобразователь
СообщениеДобавлено: Вс авг 21, 2016 20:40:24 
Потрогал лапой паяльник
Аватар пользователя

Карма: 3
Рейтинг сообщений: 29
Зарегистрирован: Чт мар 08, 2012 03:57:36
Сообщений: 375
Откуда: Украина,Винницкая обл.
Рейтинг сообщения: 0
tarabrinVasiliy писал(а):
через предохранитель или как делали в сварочниках через 2 ваттный резистор.


Можно просто через диод.
А можно и резак добавить.

Но диод нужен обязательно.


Вложения:
2016-08-21_214951.png [75.99 KiB]
Скачиваний: 827
Вернуться наверх
 
Не в сети
 Заголовок сообщения: Re: Частотный преобразователь
СообщениеДобавлено: Вс авг 21, 2016 23:07:43 
Первый раз сказал Мяу!

Карма: -1
Рейтинг сообщений: 0
Зарегистрирован: Пт мар 11, 2011 11:18:24
Сообщений: 35
Рейтинг сообщения: 0
Такой вопрос: G7PH42UD ключи. На какой ток настроить защиту чтобы и ключики жили и мощность на выходе была. Сейчас стоит 0,1Ом шунт, F0.1 сверхток загорается при 3,8-3,9вольт на нём т.е. 38-39A. Немного поднять можно, вопрос только насколько. Радиаторы на ключах выше 60 градусов не нагреваются.


Вернуться наверх
 
Не в сети
 Заголовок сообщения: Re: Частотный преобразователь
СообщениеДобавлено: Пн авг 22, 2016 10:06:27 
Вымогатель припоя
Аватар пользователя

Карма: 3
Рейтинг сообщений: 338
Зарегистрирован: Чт мар 31, 2016 13:47:04
Сообщений: 661
Откуда: Самара
Рейтинг сообщения: 0
nemizis писал(а):
Радиаторы на ключах выше 60 градусов не нагреваются.

То радиаторы, сами кристаллы погорячее небось...

_________________
HEMETCкий архив: H8K на yandex-диске = H8K на google-диске
Показометры на Arduino и другие Восьмикруты (схемы, платы, прошивки, фото)


Вернуться наверх
 
Показать сообщения за:  Сортировать по:  Вернуться наверх
Начать новую тему Ответить на тему  [ Сообщений: 13528 ]     ... , , , 187, , , ...  

Часовой пояс: UTC + 3 часа


Кто сейчас на форуме

Сейчас этот форум просматривают: UB3RBV! и гости: 58


Вы не можете начинать темы
Вы не можете отвечать на сообщения
Вы не можете редактировать свои сообщения
Вы не можете удалять свои сообщения
Вы не можете добавлять вложения

Найти:
Перейти:  


Powered by phpBB © 2000, 2002, 2005, 2007 phpBB Group
Русская поддержка phpBB
Extended by Karma MOD © 2007—2012 m157y
Extended by Topic Tags MOD © 2012 m157y