Например TDA7294

Форум РадиоКот • Просмотр темы - "Дозиметр Сталкера"
Форум РадиоКот
Здесь можно немножко помяукать :)

Текущее время: Вт дек 02, 2025 02:02:02

Часовой пояс: UTC + 3 часа


ПРЯМО СЕЙЧАС:



Начать новую тему Ответить на тему  [ Сообщений: 4125 ]     ... , , , 188, , , ...  
Автор Сообщение
Не в сети
 Заголовок сообщения: Re: "Дозиметр Сталкера"
СообщениеДобавлено: Сб авг 12, 2017 14:28:46 
Потрогал лапой паяльник
Аватар пользователя

Карма: 24
Рейтинг сообщений: 384
Зарегистрирован: Ср янв 27, 2016 10:19:41
Сообщений: 382
Рейтинг сообщения: 2
Лутше чтобы эта перемычка перетравилась там плохая земля зашумленая помехами блокинга.Наэтой плате сплошные косяки с землями
Вложение:
Aleks13_.png [54.68 KiB]
Скачиваний: 599

потому пояйте проводками как накартинке в прошлом собщении.Сразу незаметил что нет тантала на выводах аккума. Это очен стаая и ненадёжная версия платы придётся повозится с пояльником :cry:

_________________
Не стесняйтесь благодарить тех кто вам помогает.


Вернуться наверх
 
Не в сети
 Заголовок сообщения: Re: "Дозиметр Сталкера"
СообщениеДобавлено: Сб авг 12, 2017 17:34:05 
Родился

Зарегистрирован: Ср дек 07, 2016 14:09:59
Сообщений: 15
Рейтинг сообщения: 1
спасибо что помогаете!

добавил тантал 100 мкф 16в на вход питанию, C17 и R29 на линию ресет.
прибор включается выходит заставка СТАЛКЕР вер 1,3с и все гаснет.

после добавил указанные перемычки и наконец прибор запустился, но измерений нет. попробовал измерить напряжение на выводах трубки выходит ошибка сенсора


Вернуться наверх
 
Не в сети
 Заголовок сообщения: Re: "Дозиметр Сталкера"
СообщениеДобавлено: Вс авг 13, 2017 00:31:48 
Потрогал лапой паяльник
Аватар пользователя

Карма: 24
Рейтинг сообщений: 384
Зарегистрирован: Ср янв 27, 2016 10:19:41
Сообщений: 382
Рейтинг сообщения: 3
Aleks13 писал(а):
прибор запустился, но измерений нет.
Вы дошли до самого интиресного :))) теперь всё зависит от кривезны ваших рук и исправности дачика. Читайте тему эти симтомы обсуждались тысичи раз .пробуйте тчательно мыть плату изопропиловым спиртом или ацтоном. Если дачик целый и транс намотан правельно должно заработать. Еси незаработает пробуйте уменшать сопротивление R9 до 10Ком. Если заработает значит наплате грязь и нужно больше мыть.Если нет значит какойто из компонентов нерабочий или транс намотан неправильно
кнопка "спасиба что помогаете" под авотаркой :)

_________________
Не стесняйтесь благодарить тех кто вам помогает.


Последний раз редактировалось Gaff Вс авг 13, 2017 22:09:19, всего редактировалось 1 раз.

Вернуться наверх
 
Не в сети
 Заголовок сообщения: Re: "Дозиметр Сталкера"
СообщениеДобавлено: Вс авг 13, 2017 05:43:57 
Родился

Зарегистрирован: Ср дек 07, 2016 14:09:59
Сообщений: 15
Рейтинг сообщения: 1
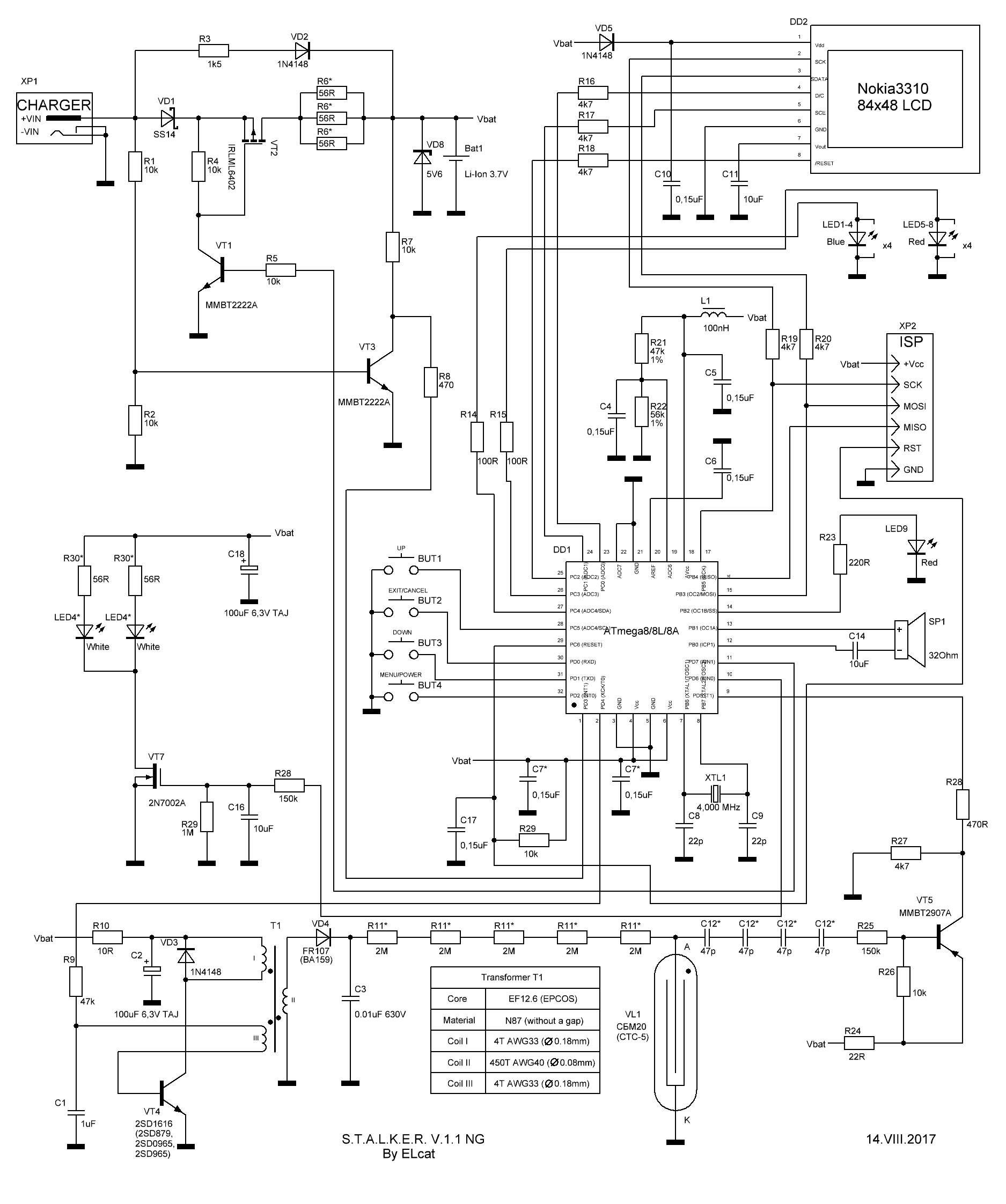
STALKER стал есчё доступнее! Новая плата с дорогами и зазорами 0.3мм немного упросчена схема и повышена надёжность
Вложение:
Dozimeter_V1.1_NG.lay

Aleks13 писал(а):
прибор запустился, но измерений нет.
Вы дошли до самого интиресного :))) теперь всё зависит от кривезны ваших рук и исправности дачика. Читайте тему эти симтомы обсуждались тысичи раз .пробуйте тчательно мыть плату изопропиловым спиртом или ацтоном. Если дачик целый и транс намотан правельно должно заработать. Еси незаработает пробуйте уменшать сопротивление R9 до 10Ком. Если заработает значит наплате грязь и нужно больше мыть.Если нет значит какойто из компонентов нерабочий или транс намотан неправильно
кнопка "спасиба что помогаете" под авотаркой :)

эх жаль не было этой печатки когда травил ((((

транс выдернут из зарядки, средняя часть транса спилена на 0,5мм (немагнитный зазор), II - 400 витков 0,08 мм, I и III - 4 витка 0,14 мм


Последний раз редактировалось AlekseyEnergo Вс авг 13, 2017 21:59:43, всего редактировалось 1 раз.
Нарушение п2.7 правил форума. Предупрежден.


Вернуться наверх
 
Эиком - электронные компоненты и радиодетали
Не в сети
 Заголовок сообщения: Re: "Дозиметр Сталкера"
СообщениеДобавлено: Вс авг 13, 2017 20:13:11 
Потрогал лапой паяльник
Аватар пользователя

Карма: 24
Рейтинг сообщений: 384
Зарегистрирован: Ср янв 27, 2016 10:19:41
Сообщений: 382
Рейтинг сообщения: 5
STALKER стал есчё доступнее! Новая плата с дорогами и зазорами 0.3мм немного упросчена схема и повышена надёжность
Вложение:
Комментарий к файлу: Плата
Dozimeter_V1.1_NG.lay [285.69 KiB]
Скачиваний: 950
Вложение:
Комментарий к файлу: Схема
Dozimetr V.1.1 NG.GIF [116.58 KiB]
Скачиваний: 1253

средняя часть транса спилена на 0,5мм
это пичально .Автор много раз повторялся втеме что зазор ненужен а если он есть то его неопходимо уменшить до 0.1- 0.2 мм. Обмотка II по последним рекомендацыям 450 витков. Наверно потому и неработает 400 витков мало и очень болшой зазор.
Вложение:
Aleks13__.png [41.66 KiB]
Скачиваний: 711

И всётаки с той платой что увас полная ж*па. Вновых версиях в блокинге должен стоять танталл а неэлектролит.Такчто ставте или Lo ESR или пояйте поралельно кирамику 2 шт по 10 мкф . Кружком обозначено слабое место которое надо запоять кусочком много жильного провода.

_________________
Не стесняйтесь благодарить тех кто вам помогает.


Вернуться наверх
 
Не в сети
 Заголовок сообщения: Re: "Дозиметр Сталкера"
СообщениеДобавлено: Пн авг 14, 2017 16:45:09 
Родился

Зарегистрирован: Ср дек 07, 2016 14:09:59
Сообщений: 15
Рейтинг сообщения: 0
менял R9
напряжение на вторичке
10 ком - 150 в
15 ком -120 в
47 ком -50 в
измерял простым мультиметром
измерений нет, в районе транса слышится высокочастотной шум


Вернуться наверх
 
Не в сети
 Заголовок сообщения: Re: "Дозиметр Сталкера"
СообщениеДобавлено: Вт авг 15, 2017 00:26:35 
Потрогал лапой паяльник
Аватар пользователя

Карма: 24
Рейтинг сообщений: 384
Зарегистрирован: Ср янв 27, 2016 10:19:41
Сообщений: 382
Рейтинг сообщения: 0
Обычный мультимер негодиться.Оставте пока 10ком. Пробуйте взятся за корпус дачика и по стучать пальцем по аноду должны быть счелчки.Если есть проверяйте дачик меняйте конденцатор на указаные доматовайте трансформатор и мойте плату . Если счелчков нету то чтото с каскадом на 2907 или микроконтролером прозванивайте дитали и дорожки платы.

_________________
Не стесняйтесь благодарить тех кто вам помогает.


Вернуться наверх
 
Не в сети
 Заголовок сообщения: Re: "Дозиметр Сталкера"
СообщениеДобавлено: Вт авг 15, 2017 14:43:30 
Родился

Карма: 3
Рейтинг сообщений: 0
Зарегистрирован: Вт мар 28, 2017 14:15:49
Сообщений: 14
Откуда: Украина, Первомайский Харьковская область
Рейтинг сообщения: 0
STALKER стал есчё доступнее! Новая плата с дорогами и зазорами 0.3мм немного упросчена схема и повышена надёжность
Вложение:
Dozimeter_V1.1_NG.lay
Вложение:
Dozimetr V.1.1 NG.GIF


А почему при попытке корректировать дорожки при клике на дорожку выделяется полностью весь рисунок платы. Вместе с обозначениями элементов и всем остальным. Хотел немного изменить, а фигушки - ничего не выходит...


Вернуться наверх
 
Не в сети
 Заголовок сообщения: Re: "Дозиметр Сталкера"
СообщениеДобавлено: Вт авг 15, 2017 16:47:11 
Родился

Карма: 1
Рейтинг сообщений: 2
Зарегистрирован: Вт мар 11, 2014 18:21:32
Сообщений: 2
Рейтинг сообщения: 1
STALKER стал есчё доступнее! Новая плата с дорогами и зазорами 0.3мм немного упросчена схема и повышена надёжность
Вложение:
Dozimeter_V1.1_NG.lay
Вложение:
Dozimetr V.1.1 NG.GIF


А почему при попытке корректировать дорожки при клике на дорожку выделяется полностью весь рисунок платы. Вместе с обозначениями элементов и всем остальным. Хотел немного изменить, а фигушки - ничего не выходит...


Делаете выделение, кликаете правой кнопкой мышы, в выпадающем меню выбираете пункт "Разгруппировать".

Почитайте правила форума, п 2-7. Fakir.


Вернуться наверх
 
Не в сети
 Заголовок сообщения: Re: "Дозиметр Сталкера"
СообщениеДобавлено: Ср ноя 01, 2017 18:33:40 
Родился
Аватар пользователя

Зарегистрирован: Сб сен 23, 2017 22:35:45
Сообщений: 18
Откуда: Россия
Рейтинг сообщения: 0
Собрал отдельно умножитель и измерил каким-то советским прибором с 10^10 ом входом напряжение на выходе прео. Получилось 300 вольт где-то, неонка слабо светится... Намотки 4+4 (0.19), и 420 (0.09), питание подавал 3.8 вольт. Обмотка связи снаружи, первичка внутри и самая последняя вторичка. M890G показывает 112 вольт после диода.
У меня всё нормально? :solder:


Вернуться наверх
 
Не в сети
 Заголовок сообщения: Re: "Дозиметр Сталкера"
СообщениеДобавлено: Чт ноя 02, 2017 23:32:28 
Друг Кота

Карма: 49
Рейтинг сообщений: 547
Зарегистрирован: Чт фев 20, 2014 18:57:55
Сообщений: 19492
Рейтинг сообщения: 0
А жрет много ? Может смещение "поддать" побольше ? Ну у меня тоже похожая фигня - что то куда то утекает :) Правда измерителя нет с гигаомным входом, максимум 20 МОм.

Или емкость уменьшить - частота импульсов вырастет и напряжение на выходе тоже должно.

_________________
"Вся военная пропаганда, все крики, ложь и ненависть исходят от людей, которые на эту войну не пойдут !" / Джордж Оруэлл /
"Война - это,когда за интересы других,гибнут совершенно безвинные люди." / Уинстон Черчилль /


Вернуться наверх
 
Не в сети
 Заголовок сообщения: Re: "Дозиметр Сталкера"
СообщениеДобавлено: Пт ноя 03, 2017 16:09:56 
Встал на лапы
Аватар пользователя

Карма: 3
Рейтинг сообщений: 0
Зарегистрирован: Пт май 13, 2011 19:01:06
Сообщений: 116
Рейтинг сообщения: 0
STALKER стал есчё доступнее! Новая плата с дорогами и зазорами 0.3мм немного упросчена схема и повышена надёжность

Добрый день, потихоньку собираю дозиметр по предыдущей схеме. В последней схеме которую Вы выложили убрана RC цепь в на катоде датчика и связь с процессором, скажите для чего нужна была связь? Если я ее уберу повлияет ли на функциональность прибора?


Вернуться наверх
 
Не в сети
 Заголовок сообщения: Re: "Дозиметр Сталкера"
СообщениеДобавлено: Пт ноя 03, 2017 18:11:10 
Родился
Аватар пользователя

Зарегистрирован: Сб сен 23, 2017 22:35:45
Сообщений: 18
Откуда: Россия
Рейтинг сообщения: 0
А жрет много ? Может смещение "поддать" побольше ? Ну у меня тоже похожая фигня - что то куда то утекает :) Правда измерителя нет с гигаомным входом, максимум 20 МОм.

Или емкость уменьшить - частота импульсов вырастет и напряжение на выходе тоже должно.


Тестер даже не улавливает такой малый ток.
---
Поставил 220*25 стало 118 вольт на мультике. Тут вроде на форуме писали, что 120 вольт уже хорошо, измеряя мультом.


Вернуться наверх
 
Не в сети
 Заголовок сообщения: Re: "Дозиметр Сталкера"
СообщениеДобавлено: Вт ноя 07, 2017 11:24:29 
Друг Кота

Карма: 49
Рейтинг сообщений: 547
Зарегистрирован: Чт фев 20, 2014 18:57:55
Сообщений: 19492
Рейтинг сообщения: 0
У вас вроде есть чем честно померить, зачем мультом то ? 300 маловато.

_________________
"Вся военная пропаганда, все крики, ложь и ненависть исходят от людей, которые на эту войну не пойдут !" / Джордж Оруэлл /
"Война - это,когда за интересы других,гибнут совершенно безвинные люди." / Уинстон Черчилль /


Вернуться наверх
 
Не в сети
 Заголовок сообщения: Re: "Дозиметр Сталкера"
СообщениеДобавлено: Вт ноя 07, 2017 17:02:05 
Родился
Аватар пользователя

Зарегистрирован: Сб сен 23, 2017 22:35:45
Сообщений: 18
Откуда: Россия
Рейтинг сообщения: 0
Ну да, согласен. Если у меня 300 вольт с 420 витками, то по идее мне надо 590 витков для нужного напряжения? :shock:
И почему в паспорте указано более низкое значение напряжения?


Вложения:
post-166-0-10910300-1485609101.jpg [141.71 KiB]
Скачиваний: 797
Вернуться наверх
 
Не в сети
 Заголовок сообщения: Re: "Дозиметр Сталкера"
СообщениеДобавлено: Вт ноя 07, 2017 19:23:10 
Мучитель микросхем
Аватар пользователя

Карма: 6
Рейтинг сообщений: 78
Зарегистрирован: Вт июл 31, 2012 14:17:39
Сообщений: 415
Откуда: Днепр
Рейтинг сообщения: 0
Пробуйте взятся за корпус дачика и по стучать пальцем по аноду должны быть счелчки.

За грамматику не буду говорить, а насчет анода - Что? Там 400 Вольт вообще-то. Вы бы еще предложили на язык попробовать. Знал я одного такого "электрика" - он так все пробода проверял на обрыв, аж пока его 220 не шарахнуло в тот язык(предыдущие электрики пустили освещение через витую пару). Месяца два лечили.
Ни в коем случае не пальцем. Берете обычный мультиметр и в режиме 1000В минусовым щупом становитесь на землю и тыкаете в анод плюсовым щупом. Сопротивление прибора в этом режиме 10 МегаОм, что должно быть более чем достаточно для изменения потенциала на аноде на достаточную для регистрации величину.

P.S. Ликбез. Чем меньше сопротивление нагрузки - тем больший через нее идет ток. Сопротивление мультиметра 10 МОм, а человеческой кожи - 1-2 кОм. Плюс частота играет важную роль - про скин-эффект должны были слышать. Дальше думайте сами.
Lex117 писал(а):
Если у меня 300 вольт с 420 витками

Значит проверяйте блокинг. Он прямоходовый, а значит коэффициент трансформации идет прямо пропорционален количеству витков. 4 витка первички - 4,1 Вольт приложенного напряжения, что равно 420 витков - 430,5 Вольт. Вывод - где-то по первичке просело напряжение или меряли обычным мультиметром.
Morroc писал(а):
Или емкость уменьшить - частота импульсов вырастет и напряжение на выходе тоже должно.

Блокинг-генератор это весьма странный и сложный прибор. Емкость на частоту влияет, но на нее также влияют и другие факторы, которые стремятся сбалансировать всю систему. Изменение емкости тянет за собой изменение частоты, которое тянет за собой изменение в магнитном поле сердечника, которое тянет за собой изменения в передаточной характеристике и обратной связи, которая в свою очередь так же влияет на частоту. Был случай с низковольтным блокингом, который умудрялся работать даже с отключенной обратной связью, а-ля в лавинном режиме ключа.
Плюс не забываем, что блокинг - токовый прибор. Для увеличения частоты генерации я понижал сопротивление R9 до значения примерно в 4,7-5,6 кОм. Датчик после этого вошел в рабочее плато. Правда при понижении напряжения на аккумуляторе до 3,9 Вольт и ниже отсчет прекращался полностью и дальнейшее понижение сопротивления эффекта не давало. После повторной намотки трансформатора (оказался пробой во вторичке) новым проводом вернул значение R9 до исходного и схема завелась с полпинка.


Вернуться наверх
 
Не в сети
 Заголовок сообщения: Re: "Дозиметр Сталкера"
СообщениеДобавлено: Вт ноя 07, 2017 20:23:39 
Родился
Аватар пользователя

Зарегистрирован: Сб сен 23, 2017 22:35:45
Сообщений: 18
Откуда: Россия
Рейтинг сообщения: 0
Я измерял прибором СССР "С502", (кажется 1 ГоМ входное) и у меня действительно 300 вольт после диода. Просто прибор в лаборатории и дома я измерял обычным мультом уже, но это не суть. Так всё таки датчику 400 вольт надо? Почему же в паспорте значения иные? (я выше прикрепил).
---
Сейчас поставил 5.6 ком и в итоге получил порядка 480 вольт. Оно конечно хорошо, как мне кажется, но весьма не радует меня такая картина. Возможно потом и буду перематывать, но пока надо хоть так прибор запустить.


Вернуться наверх
 
Не в сети
 Заголовок сообщения: Re: "Дозиметр Сталкера"
СообщениеДобавлено: Пт ноя 10, 2017 00:54:13 
Мучитель микросхем
Аватар пользователя

Карма: 6
Рейтинг сообщений: 78
Зарегистрирован: Вт июл 31, 2012 14:17:39
Сообщений: 415
Откуда: Днепр
Рейтинг сообщения: 0
У С502 входное сопротивление 100 МОм. Немного не дотянуло до указанного автором 1 ГОм. Так что просадку давать всё же будет. При ваших показаниях в 300 Вольт реально там около 340-350. Это уже в пределах нижних значений измерительного плато датчика. Если точнее - начало счета уже должно пойти, но до рабочего режима всё же не хватает пары десятков вольт.
Lex117 писал(а):
Так всё таки датчику 400 вольт надо? Почему же в паспорте значения иные?

В паспорте рабочее плато от 360 до 440 Вольт. Это нормальное напряжение при котором счет идет стабильно и без погрешностей. Ниже - количество импульсов в минуту уменьшается, выше - возрастает. Ниже 320 Вольт (в редких случаях 250) счет полностью прекращается.
Lex117 писал(а):
в итоге получил порядка 480 вольт

Это уже выше рабочего - это нежелательно, ибо могут быть побочные эффекты вроде зашумления показаний датчика.Попробуйте всё же с трансформатором решить вопрос и плату на всякий случай еще раз промыть и покрыть лаком.

Автор в статье описывал, что блокинг разработан с учетом верхнего и нижнего значений напряжения на датчике. Значит при 4,2 Вольт на аккумуляторе верхнее значение напряжения на датчике будет в верхнем краю плато, а при 3,6 Вольт на аккумуляторе - в нижнем краю. То есть при любом напряжении на аккумуляторе датчик будет работать одинаково точно.

P.S. Автор указывал в статье, но сам я недавно только столкнулся с проблемой. Индикатор заряда аккумулятора показывал полную батарею, а по факту там оказывалось 3,8 Вольта. Из-за этого счет прекращался при половине заряда (на индикаторе) аккумулятора. Потом пересчитал сопротивления резисторов делителя и всё стало на свои места. Заряд прекращается при 4,14 Вольт. Индикатор показывает разряд уже при 3,54 Вольта вместо 3,12 и счет не прекращается раньше времени.


Вернуться наверх
 
Не в сети
 Заголовок сообщения: Re: "Дозиметр Сталкера"
СообщениеДобавлено: Сб ноя 11, 2017 16:01:24 
Родился
Аватар пользователя

Зарегистрирован: Сб сен 23, 2017 22:35:45
Сообщений: 18
Откуда: Россия
Рейтинг сообщения: 0
Ну может я считать не умею, но там 10^10 ом написано на приборе.
Я понимаю, что напряжение у меня очень большое. Но чем установлено, что строго 47 кОм надо применять резистор? Я тогда уж поставлю подстроечник и добьюсь нужного напряжения.


Вернуться наверх
 
Не в сети
 Заголовок сообщения: Re: "Дозиметр Сталкера"
СообщениеДобавлено: Вс ноя 12, 2017 16:58:32 
Мучитель микросхем
Аватар пользователя

Карма: 6
Рейтинг сообщений: 78
Зарегистрирован: Вт июл 31, 2012 14:17:39
Сообщений: 415
Откуда: Днепр
Рейтинг сообщения: 0
Lex117 писал(а):
Ну может я считать не умею, но там 10^10 ом написано на приборе.

Да, простите, в нулях запутался. =)
Lex117 писал(а):
Но чем установлено, что строго 47 кОм надо применять резистор?

Этот резистор нужен для включения или отключения блокинга, чтобы прибор не потреблял ток в режиме сна. Учитывая что сопротивление подключено напрямую в цепь базы ключа - ток через нее нужно ограничивать. Для одного порта МК ограничение по току, если мне не изменяет память - 10 мА. Значит сопротивление должно быть не ниже 470 Ом. Далее учитываем выбросы обратного напряжения на обмотках трансформатора и поднимаем сопротивление еще минимум в три раза. Получили 1,5 килоОм. Дальше уменьшаем общее потребление тока по данному порту МК до минимально допустимого уровня - на вскидку получаем эти заветные 47кОм.

Про принципы работы блокинг-генератора надо бы знать, если собираетесь собирать устройство с его применением. Опять же принципы работы биполярников - чем больше в базу втекает тока, тем больше тока вытекает из коллектора. Значит вопросы опять-таки к трансформатору. Либо сечение провода вы взяли меньше для вторички, либо первичку намотали более толстым проводом чем нужно, либо кз во вторичной обмотке. Вывод - перемотать трансформатор. У меня правильно намотать получилось только с третьей попытки, когда собирал версию 1.3.


Вернуться наверх
 
Показать сообщения за:  Сортировать по:  Вернуться наверх
Начать новую тему Ответить на тему  [ Сообщений: 4125 ]     ... , , , 188, , , ...  

Часовой пояс: UTC + 3 часа


Кто сейчас на форуме

Сейчас этот форум просматривают: нет зарегистрированных пользователей и гости: 23


Вы не можете начинать темы
Вы не можете отвечать на сообщения
Вы не можете редактировать свои сообщения
Вы не можете удалять свои сообщения
Вы не можете добавлять вложения

Найти:
Перейти:  


Powered by phpBB © 2000, 2002, 2005, 2007 phpBB Group
Русская поддержка phpBB
Extended by Karma MOD © 2007—2012 m157y
Extended by Topic Tags MOD © 2012 m157y