Например TDA7294

Форум РадиоКот • Просмотр темы - Блок питания "Проще не бывает"
Форум РадиоКот
Здесь можно немножко помяукать :)

Текущее время: Сб окт 18, 2025 14:36:12

Часовой пояс: UTC + 3 часа


ПРЯМО СЕЙЧАС:



Начать новую тему Ответить на тему  [ Сообщений: 901 ]    , , , 4, , , ...  
Автор Сообщение
Не в сети
 Заголовок сообщения:
СообщениеДобавлено: Чт июн 05, 2008 00:43:18 
Родился

Зарегистрирован: Ср июн 04, 2008 18:34:42
Сообщений: 2
Рейтинг сообщения: 0
Резистор я пересчитывал, ставил и на 1 кОм и на 880 Ом, всё равно грееться. В качестве VT2 использую кт817Г


Вернуться наверх
 
Не в сети
 Заголовок сообщения:
СообщениеДобавлено: Чт июн 05, 2008 19:18:57 
Опытный кот
Аватар пользователя

Карма: 1
Рейтинг сообщений: 0
Зарегистрирован: Ср май 02, 2007 14:36:29
Сообщений: 833
Откуда: Плюк
Рейтинг сообщения: 0
случайно набрёл на http://radiokot.ru/start/analog/practice/03/
не пойму почему это у 142ЕН12А и LM317 выводы не совпадают ???
Кстати, может кому-то будет полезно:
- в эмиттерной цепи выходного транзистора стоит сопротивление 0.1 Ом
- мощность которую может рассеять LM317 в корпусе ТО220 установленная на радиатор не 10 Вт, а 20 Вт.
- необязательно возиться с поиском резистора именно на 240 Ом в цепи ОС, можно спокойно поставит и 300 и 330 Ом и 560.... я даже 1ком ставил :)
- значение тока ограничения в первую очередь зависит от температуры кристалла
- если надо получить больший ток то можно соединить несколько LM-ок параллельно, и совсем необязательно использовать уравнивающие резисторы, просто соединяем управляющие ноги одинаковыми проводниками.
- LM-ка боится когда на выход подают ток в то время когда вход обесточен(если выходное напряжение 25В и более), рекомендуется ставить диод между входом и выходом, также надо диод параллельно резистору в 240 Ом в том случае если к переменному резистору добавлена ёмкость (обычно 10 мкФ ставят).
на LM-ке собираеться очень простой стабилизатор тока, для этого управляющий вывод соединяеться с + нагрузки, а выход LM-ки соединяется с нагрузкой через токозадающий резистор, например при R=1.2 Ом ток будет 1А. (из даташита диапазон 0,8......120 Ом).


Вернуться наверх
 
Не в сети
 Заголовок сообщения:
СообщениеДобавлено: Вс апр 12, 2009 19:11:19 
Первый раз сказал Мяу!
Аватар пользователя

Зарегистрирован: Вс апр 12, 2009 19:00:01
Сообщений: 39
Откуда: Брянск
Рейтинг сообщения: 0
Здравствуйте! Помогите пожалуйста! Собрал блок питания на со стабилизатором на схеме КР142ЕН12А. Напряжение регулируеться скачками в переделе 1,5-6Впотом скачек с8 до 10В, при этом микросхема грееться очень сильно(если бы не радиатор сгорела бы сразу). Подскажите в чем проблема!! Заранее благодарен.


Вернуться наверх
 
Не в сети
 Заголовок сообщения:
СообщениеДобавлено: Вс апр 12, 2009 23:45:41 
Модератор
Аватар пользователя

Карма: 120
Рейтинг сообщений: 1088
Зарегистрирован: Пн дек 08, 2008 19:28:04
Сообщений: 22838
Откуда: 10км от Москвы на Север
Рейтинг сообщения: 0
Возможно просто возбуждается. Зашунтируйте выводы плёночными конденсаторами (посмотрите в справочнике).


Вернуться наверх
 
Эиком - электронные компоненты и радиодетали
Не в сети
 Заголовок сообщения:
СообщениеДобавлено: Пн апр 13, 2009 16:04:43 
Модератор
Аватар пользователя

Карма: 10
Рейтинг сообщений: 7
Зарегистрирован: Пт июл 21, 2006 03:08:05
Сообщений: 3174
Откуда: Пенза
Рейтинг сообщения: 0
Проверьте правильность её включения.

_________________
Если долго мучиться, что-нибудь... сломается.


Вернуться наверх
 
Не в сети
 Заголовок сообщения:
СообщениеДобавлено: Пт янв 08, 2010 23:37:14 
Родился
Аватар пользователя

Зарегистрирован: Пт янв 08, 2010 23:05:49
Сообщений: 4
Рейтинг сообщения: 0
Мяу!
То есть... Здравствуйте!

Вдохновленный данной схемой решил сделать блок питания. Схема которую спаял на картинке.

Вначале показалось, что работает, но обнаружил, что напряжение постепенно растет с напряжения стабилизации (18 В) и так далее (на 19.80 В стабилитрон начал дымиться и я отключил это дело).

В чем дело не понимаю.

Предварительный транзистор убрал из тех соображений, что ток базы VT (по моим расчетам 67 мА) не превышает ток стабилизации (об этом говорится в статье).

Напряжение после конденсатора (2200 мкФ) 28 В.
Балластный резистор 18 Ом
Стабилитрон (Д815Ж) на 18 В.
Транзистор КТ805ИМ.


Вложения:
scheme.JPG [21.54 KiB]
Скачиваний: 1204
Вернуться наверх
 
Не в сети
 Заголовок сообщения:
СообщениеДобавлено: Сб янв 09, 2010 00:01:14 
Модератор
Аватар пользователя

Карма: 46
Рейтинг сообщений: 236
Зарегистрирован: Чт окт 27, 2005 18:50:07
Сообщений: 11169
Откуда: из мест не столь отдалённых
Рейтинг сообщения: 0
Медали: 2
Получил миской по аватаре (1) Мявтор 3-й степени (1)
Балластный резистор надо увеличить номинал и мощность рассеивания. Для применённого стабилитрона можно ограничться током 50 мА.


Вернуться наверх
 
Не в сети
 Заголовок сообщения:
СообщениеДобавлено: Вс янв 10, 2010 16:24:13 
Родился
Аватар пользователя

Зарегистрирован: Пт янв 08, 2010 23:05:49
Сообщений: 4
Рейтинг сообщения: 0
Увеличил. Напряжение все-равно растет, но слабже.
Кстати, вздумал вдруг подуть на это дело - сыметировать охлаждение и напряжение на стабилитроне стало падать.


Вернуться наверх
 
Не в сети
 Заголовок сообщения:
СообщениеДобавлено: Вс янв 10, 2010 21:30:12 
Модератор
Аватар пользователя

Карма: 46
Рейтинг сообщений: 236
Зарегистрирован: Чт окт 27, 2005 18:50:07
Сообщений: 11169
Откуда: из мест не столь отдалённых
Рейтинг сообщения: 0
Медали: 2
Получил миской по аватаре (1) Мявтор 3-й степени (1)
Стабилитрон поставить на радиатор.


Вернуться наверх
 
Не в сети
 Заголовок сообщения:
СообщениеДобавлено: Пн фев 08, 2010 02:19:47 
Открыл глаза

Зарегистрирован: Пн фев 16, 2009 22:02:05
Сообщений: 50
Откуда: Красногорский р-н
Рейтинг сообщения: 0
Всем здравствуйте.
Возникли некоторые вопросы по статье:
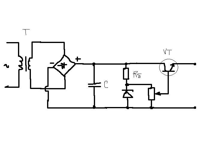
1) На схеме в первой части присутствует переменный резистор R2
http://radiokot.ru/start/analog/practice/01/01.gif
Я так понимаю, именно с помощью него регулируется напряжение от 1,5 до 14В?
Во второй части на схеме данный резистор вообще отсутствует
http://radiokot.ru/start/analog/practice/02/02.gif
Вопрос: как рассчитать этот самый резистор?
Параметры будущего БП: Uвых=45В, Iвых=4A. Значения максимальные.
2) Можно ли выполнить такой БП для двухполярного питания? Я так понимаю, что да, но наверное есть какие то нюансы.
3) Применял ли кто-нибудь данный БП для питания музыкальной аппаратуры?

Весь разговор ведётся о схемах, представленных в частях 1 и 2.


Вернуться наверх
 
Не в сети
 Заголовок сообщения:
СообщениеДобавлено: Сб фев 13, 2010 18:00:14 
Открыл глаза

Зарегистрирован: Пн фев 16, 2009 22:02:05
Сообщений: 50
Откуда: Красногорский р-н
Рейтинг сообщения: 0
Что ж, никто не поможет?
Хотя бы с первым вопросом... :(


Вернуться наверх
 
Не в сети
 Заголовок сообщения:
СообщениеДобавлено: Сб фев 13, 2010 21:25:01 
Модератор
Аватар пользователя

Карма: 46
Рейтинг сообщений: 236
Зарегистрирован: Чт окт 27, 2005 18:50:07
Сообщений: 11169
Откуда: из мест не столь отдалённых
Рейтинг сообщения: 0
Медали: 2
Получил миской по аватаре (1) Мявтор 3-й степени (1)
1) Вы совершенно правы- с помощью этого резистора регулируется выходное напряжение.
2) А эта схема- на ФИКСИРОВАННОЕ напряжение. Это напряжение равно напряжению стабилитрона минус 1, 5В- это падение напряжения на двух переходах база-эмиттер.
Вы задали очень большие значения выходного токав и напряжения.
Конечно, можно это получить , немного умощнив схему простейшего стабилизатора, но схема будет не надёжной из-за отсутствия защиты от превышения тока нагрузки.
Советую или вообще отказаться от стабилизации напряжения для усилителя, или выбрать другую схемотехнику- гораздо более сложную.


Вернуться наверх
 
Не в сети
 Заголовок сообщения:
СообщениеДобавлено: Сб фев 13, 2010 22:19:04 
Открыл глаза

Зарегистрирован: Пн фев 16, 2009 22:02:05
Сообщений: 50
Откуда: Красногорский р-н
Рейтинг сообщения: 0
Спасибо за ответ.
Немного не правильно выразился по поводу характеристик БП. Я иду в обратном направлении, т.е. есть трансформатор 35В 4А и нужно посчитать, какой стабилизированный БП можно собрать на его основе.
Посчитал, всё получилось. Осталось понять, как рассчитать переменный резистор для регулировки и резистор 1кОм.
Вообще - согласен, что параметры высокие, я бы сказал, что это придел схемы для ещё более высоких параметров просто невозможно подобрать транзистор VT1.

Если же выбирать другую схемотехнику - где почитать про неё?


Вернуться наверх
 
Не в сети
 Заголовок сообщения:
СообщениеДобавлено: Ср фев 17, 2010 21:53:45 
Друг Кота
Аватар пользователя

Карма: 81
Рейтинг сообщений: 1377
Зарегистрирован: Пн май 11, 2009 14:15:00
Сообщений: 3059
Откуда: СПб
Рейтинг сообщения: 0
Медали: 1
Мявтор 3-й степени (1)
Здравствуйте.
Можно ли в схеме на LM-ке переменник заменить на постоянный резистор 240 Ом, а вместо балластного резистора поставить цепочку из резюка 240 Ом и переменника 1 Ком?

_________________
Этот пост оказался полезен? Не поленись, нажми Изображение слева!
:) :)) :)))
Куплю индикаторы ИТС-1А, ИТС-1Б, ИГВ1-8х5Л, ИГПС1-222/7, ИГПС1-111/7 и подобные.


Вернуться наверх
 
Не в сети
 Заголовок сообщения:
СообщениеДобавлено: Сб фев 20, 2010 06:00:51 
Открыл глаза

Зарегистрирован: Пн фев 16, 2009 22:02:05
Сообщений: 50
Откуда: Красногорский р-н
Рейтинг сообщения: 0
Остался последний вопрос: как рассчитывается резистор R=1к?
Изображение


Вернуться наверх
 
Не в сети
 Заголовок сообщения:
СообщениеДобавлено: Пт фев 26, 2010 23:07:09 
Друг Кота
Аватар пользователя

Карма: 81
Рейтинг сообщений: 1377
Зарегистрирован: Пн май 11, 2009 14:15:00
Сообщений: 3059
Откуда: СПб
Рейтинг сообщения: 0
Медали: 1
Мявтор 3-й степени (1)
*Trigger* писал(а):
Здравствуйте.
Можно ли в схеме на LM-ке переменник заменить на постоянный резистор 240 Ом, а вместо балластного резистора поставить цепочку из резюка 240 Ом и переменника 1 Ком?


Кстати, в протеусе схема работает.

_________________
Этот пост оказался полезен? Не поленись, нажми Изображение слева!
:) :)) :)))
Куплю индикаторы ИТС-1А, ИТС-1Б, ИГВ1-8х5Л, ИГПС1-222/7, ИГПС1-111/7 и подобные.


Вернуться наверх
 
Не в сети
 Заголовок сообщения:
СообщениеДобавлено: Ср мар 10, 2010 21:34:06 
Друг Кота
Аватар пользователя

Карма: 81
Рейтинг сообщений: 1377
Зарегистрирован: Пн май 11, 2009 14:15:00
Сообщений: 3059
Откуда: СПб
Рейтинг сообщения: 0
Медали: 1
Мявтор 3-й степени (1)
Ну, помогите, кто нибудь!!! Оч надо!!!

_________________
Этот пост оказался полезен? Не поленись, нажми Изображение слева!
:) :)) :)))
Куплю индикаторы ИТС-1А, ИТС-1Б, ИГВ1-8х5Л, ИГПС1-222/7, ИГПС1-111/7 и подобные.


Вернуться наверх
 
Не в сети
 Заголовок сообщения: Re: Блок питания "Проще не бывает"
СообщениеДобавлено: Пн май 03, 2010 10:10:41 
Открыл глаза

Зарегистрирован: Вт окт 27, 2009 12:33:09
Сообщений: 49
Рейтинг сообщения: 0
Здравствуйте, пытаюсь разобраться со схемой Изображение
со статьи http://radiokot.ru/start/analog/practice/02/. Вопрос - какой ток течет через стабилитрон?
Если входное напряжение у нас там получается 17В и резистор Rб=470Ом то получается что I=17/470=36мА. Выходит что он вообще сгорит т.к. Iст.max у него 24мА?
В тексте статьи же почему-то получается что через него пойдет только 1,33мА :( Как так? Причем если у него ток стабилизации минимальный - 5мА то при 1,33 он по идее вообще не должен работать?


Вернуться наверх
 
Не в сети
 Заголовок сообщения: Re: Блок питания "Проще не бывает"
СообщениеДобавлено: Пн май 03, 2010 11:02:37 
Модератор
Аватар пользователя

Карма: 162
Рейтинг сообщений: 2417
Зарегистрирован: Пн июл 07, 2008 10:46:09
Сообщений: 10733
Откуда: Россия
Рейтинг сообщения: 0
Вы невнимательно читаете статью.
Через резистор течет не только ток стабилитрона, но и ток базы.
Во второй схеме 1,33 мА - это как раз ток базы, а не стабилитрона, который складывается с током стабилитрона и уже исходя из этого тока считается резистор.

_________________
Если хотите, чтобы жизнь улыбалась вам, подарите ей своё хорошее настроение


Вернуться наверх
 
Не в сети
 Заголовок сообщения: Re: Блок питания "Проще не бывает"
СообщениеДобавлено: Сб июн 05, 2010 16:54:43 
Встал на лапы
Аватар пользователя

Зарегистрирован: Ср ноя 07, 2007 15:17:20
Сообщений: 119
Рейтинг сообщения: 0
http://radiokot.ru/start/analog/practice/03/01.gif
Почему если напряжение на базе меньше опорного (которое на эмиттере), он увеличивает напряжение на коллекторе? Не понял как работает схема.

_________________
......aлкоголь расширяет сосуды, курение их сужает, а сдают почему-то нервы......


Вернуться наверх
 
Показать сообщения за:  Сортировать по:  Вернуться наверх
Начать новую тему Ответить на тему  [ Сообщений: 901 ]    , , , 4, , , ...  

Часовой пояс: UTC + 3 часа


Кто сейчас на форуме

Сейчас этот форум просматривают: нет зарегистрированных пользователей и гости: 32


Вы не можете начинать темы
Вы не можете отвечать на сообщения
Вы не можете редактировать свои сообщения
Вы не можете удалять свои сообщения
Вы не можете добавлять вложения

Найти:
Перейти:  


Powered by phpBB © 2000, 2002, 2005, 2007 phpBB Group
Русская поддержка phpBB
Extended by Karma MOD © 2007—2012 m157y
Extended by Topic Tags MOD © 2012 m157y