Например TDA7294

Форум РадиоКот • Просмотр темы - Программаторы для микроконтроллеров Atmel.
Форум РадиоКот
Здесь можно немножко помяукать :)

Текущее время: Пт янв 02, 2026 18:06:20

Часовой пояс: UTC + 3 часа


ПРЯМО СЕЙЧАС:



Начать новую тему Ответить на тему  [ Сообщений: 718 ]     ... , , , 33, , ,  
Автор Сообщение
Не в сети
 Заголовок сообщения: Re: Программаторы для микроконтроллеров Atmel.
СообщениеДобавлено: Пт ноя 08, 2013 15:12:09 
Потрогал лапой паяльник

Карма: 1
Рейтинг сообщений: 4
Зарегистрирован: Вс апр 17, 2011 12:09:57
Сообщений: 330
Рейтинг сообщения: 0
dmibr писал(а):
Всё работает: и светодиоды моргают как надо и eeprom пишет. Программатор проверен с новой прошивкой, в программе AVRDUDEPROG устанвливается как HID AVR-Doper, в SinaProg -- SKT500 v2 avrdoper HID.
Пока будешь ждать что кто-то всё за тебя доведет до ума, разжуёт и проглотит, сходи на форум http://www.yourdevice.net/forum/viewtop ... =18&t=1348 может появятся новые мысли, типа попробовать самому на практике.


Ну и зачем ты меня послал на http://www.yourdevice.net? Там только админ выложил свою оболочку для avrdude! Прошивки которые там выложены - ни одна как HID не работает. :kill:
Что там ты пишешь про попробовать на практике? Устройство собрано давно и меня оно не устраивает по ряду причин. Хотел улучшить на альтернативную прошу, и именно на форуме Электроникса форумчане жаловались на баги прошивок, которые так и не были устранены. То что у тебя работает - ну тогда поделись прошой которая "AVRDUDEPROG устанавливается как HID AVR-Doper, в SinaProg -- SKT500 v2 avrdoper HID" и заодно скажи для какой схемы (как подключены светодиоды) она.

А я ее сравню с теми что есть у меня и скажу потом какой в ней баг! :beer:


Вернуться наверх
 
Не в сети
 Заголовок сообщения: Re: Программаторы для микроконтроллеров Atmel.
СообщениеДобавлено: Пт ноя 08, 2013 18:54:47 
Встал на лапы

Зарегистрирован: Чт апр 23, 2009 23:33:46
Сообщений: 122
Рейтинг сообщения: 0
Это называется, смотрю в книгу -- вижу фигу!
уткодроз писал(а):
Ну и зачем ты меня послал на http://www.yourdevice.net? Там только админ выложил свою оболочку для avrdude! Прошивки которые там выложены - ни одна как HID не работает.

--Я тебя туда не посылал, ты крайне невнимателен!
То что выложил админ имеет отношиние к другому девайсу, и возможно со схематикой PROTTOSSa никак не связано. Ты смотрел не там. А ссылка которую я указал приведёт на форум, где обсуждается работа разных программаторов с программой AVRDUDEPROG и есть рекомендации автора по настройке и добавлению новых программаторов и микроконтроллеров. Там же есть ссылки на схему и прошивку для HID -- http://yourdevice.net/forum/viewtopic.p ... 8&start=90. -- Схема PROTTOSSa (тоже что и в статье на этом форуме) прошивки с electronix -- всё рабочее. Но думаю тебе не поможет, т.к. ты больше прислушиваешься к чужим жалобам и стонам, но категорически не желаешь проверить на практике. При таком подходе конечно не будет нормально работать.
Автор альтернативных прошивок уже давно все исправил (лежит на 1й стр. форума electronix Альтернативные прошивки для AVR910 by PROTTOSS, AVR-Doper, USBasp)

P.S.
уткодроз писал(а):
А я ее сравню с теми что есть у меня и скажу потом какой в ней баг!

Но, ты уж извини, у меня нет желания продолжать бесполезный спор!


Вернуться наверх
 
Не в сети
 Заголовок сообщения: Re: Программаторы для микроконтроллеров Atmel.
СообщениеДобавлено: Сб ноя 09, 2013 06:00:34 
Потрогал лапой паяльник

Карма: 1
Рейтинг сообщений: 4
Зарегистрирован: Вс апр 17, 2011 12:09:57
Сообщений: 330
Рейтинг сообщения: 0
dmibr писал(а):
Это называется, смотрю в книгу -- вижу фигу!


Не надо так, это грубо!

dmibr писал(а):
Я тебя туда не посылал, ты крайне невнимателен!


Вот твоя фраза - Пока будешь ждать что кто-то всё за тебя доведет до ума, разжуёт и проглотит, сходи на форум http://www.yourdevice.net/forum/viewtop ... =18&t=1348 может появятся новые мысли.

И я очень внимательный.

dmibr писал(а):
То что выложил админ имеет отношиние к другому девайсу, и возможно со схематикой PROTTOSSa никак не связано. Ты смотрел не там. А ссылка которую я указал приведёт на форум, где обсуждается работа разных программаторов с программой AVRDUDEPROG и есть рекомендации автора по настройке и добавлению новых программаторов и микроконтроллеров.

Я просто нажал мышкой на ссылку которую ты мне предложил. и там было описание оболочки для avrdude и больше ничего.


dmibr писал(а):
Там же есть ссылки на схему и прошивку для HID -- http://yourdevice.net/forum/viewtopic.p ... 8&start=90. -- Схема PROTTOSSa (тоже что и в статье на этом форуме) прошивки с electronix -- всё рабочее. Но думаю тебе не поможет, т.к. ты больше прислушиваешься к чужим жалобам и стонам, но категорически не желаешь проверить на практике. При таком подходе конечно не будет нормально работать.
Автор альтернативных прошивок уже давно все исправил (лежит на 1й стр. форума electronix Альтернативные прошивки для AVR910 by PROTTOSS, AVR-Doper, USBasp)


dmibr писал(а):
P.S.
Но, ты уж извини, у меня нет желания продолжать бесполезный спор!


О каком споре идет речь вообще? Я просто пытаюсь разобраться - это ведь форум. Попросил просто выложить прошивку и то мне показал фигу. На том форуме (yourdevice) не получается скачать, потому что пишет - что данное вложение уже не существует. Да и сам ты на этом форуме прошивки передел админу в личку.
По поводу выложенных прошивок на electronix, вот информация от туда:

21.03.2010 выложены прошивки автор - Ink.
13.09.2010 Ink пишет Prottoss'у
"prottoss, а вы, раз уж разобрались, могли бы сделать фикс этих багов и выложить здесь прошивку? Автор допера не горит желанием быстро обновлять сайт (до сих пор там старые прошивки лежат, с глюками в CDC, хотя я ему писал и он сказал что попозже посмотрит)."
14.09.2010 Prottoss пишет что у него нет времени этим заниматься и обьясняет где ошибка в прошивке и где копать.
14.09.2010 Ink пишет Prottoss'у
"prottoss, спасибо! будет время - покурю и исправлю."

И больше ни одного сообщения от автора прошивок НЕТ.
Как ты мог видеть о наличии ошибок в прошивке HID AVR-Doper пишет сам автор этой прошивки, а не кто-то там со своими чужим жалобам и стонам.

Просьба на это мое сообщение не отвечать, имхо кроме оскорблений я от тебя ничего уже не жду!!


Вернуться наверх
 
Не в сети
 Заголовок сообщения: Re: Программаторы для микроконтроллеров Atmel.
СообщениеДобавлено: Вс ноя 10, 2013 19:09:23 
Встал на лапы

Зарегистрирован: Чт апр 23, 2009 23:33:46
Сообщений: 122
Рейтинг сообщения: 0
По сообщению админа был сбой в работе форума (yourdevice), в результате пропали некоторые файлы, а ссылки отображаются не полностью, поэтому пройтись по ним не получиться. Я восстановил ссылки на прошивку и схему программатора, продублирую и сюда. Прошивка для работы AVR910-совместимого USB программатора (схема Prottoss'a), который есть в статье, называется avr910-hid-no_debug.hex лежит в архиве здесь http://electronix.ru/forum/index.php?ac ... t&id=42025. На форуме yourdevice также были восстановлены файлы, которые относятся к доработке программы: расширению списка поддерживаемых контроллеров, устранения ошибки записи / чтения фьюзов для некоторых МК.


Вернуться наверх
 
Эиком - электронные компоненты и радиодетали
Не в сети
 Заголовок сообщения: Re: Программаторы для микроконтроллеров Atmel.
СообщениеДобавлено: Пт ноя 22, 2013 11:13:24 
Это не хвост, это антенна
Аватар пользователя

Карма: 7
Рейтинг сообщений: 72
Зарегистрирован: Вт окт 28, 2008 09:00:18
Сообщений: 1438
Откуда: Украина, Харьков
Рейтинг сообщения: 0
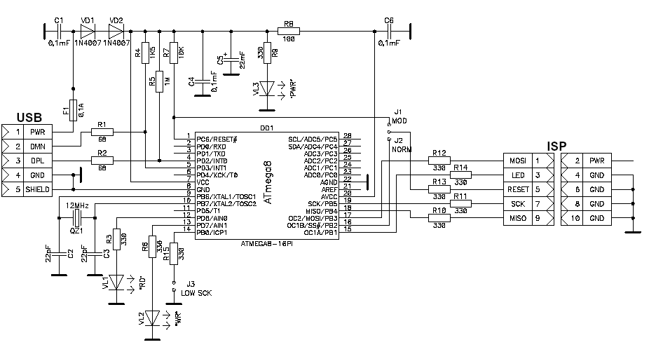
Меня интересует вопрос, можно-ли вместо резисторов на 68 Ом поставить, например, на 75 Ом, за неимением???? Я не совсем понимаю, какую они несут функцию... Вот схема: Изображение

_________________
Порой мне кажется, что я делаю какое-то дерьмо, но когда я вижу, что делают другие, то я чувствую себя гением...


Вернуться наверх
 
Не в сети
 Заголовок сообщения: Re: Программаторы для микроконтроллеров Atmel.
СообщениеДобавлено: Пт ноя 22, 2013 13:44:31 
Друг Кота
Аватар пользователя

Карма: 18
Рейтинг сообщений: 1121
Зарегистрирован: Пт ноя 27, 2009 18:12:27
Сообщений: 4625
Откуда: Черкассы, UA
Рейтинг сообщения: 0
Dr. Alex писал(а):
можно-ли вместо резисторов на 68 Ом поставить, например, на 75 Ом

Можно

Dr. Alex писал(а):
Я не совсем понимаю, какую они несут функцию...

Защищают USB порт

_________________
Изображение

В мире нет вредных веществ, в мире есть вредные количества © Д.И.Менделеев
Когда на форуме переходят на "Вы", в реальной жизни уже давно бьют морду © автор неизвестен.


Вернуться наверх
 
Не в сети
 Заголовок сообщения: Re: Программаторы для микроконтроллеров Atmel.
СообщениеДобавлено: Вт дек 10, 2013 20:55:57 
Мучитель микросхем
Аватар пользователя

Зарегистрирован: Сб авг 11, 2012 19:16:39
Сообщений: 411
Рейтинг сообщения: 0
Всем привет ! тоже решил занятся этим делом ( програмировать AVR-ки ) !Я уже пытался шить PIC - ки , у меня всё получилось ( пики у меня работают без проблем ) ! А воь с авр-ками у меня проблема ! но всё по порядку ;
1) В магазине купил програматор BM9010 ( от лаборатории Мастр Кит ) ! На Мастер Кит мне посоветовали использовать CodeVisionAVR !
2) На win XP у меня эта жалезка встала как AVR 910 !
3) Cделал переходник с сайта http://www.drive2.ru/cars/volkswagen/go ... l/2302971/ ! Сделал один-в-один ! Перед включением все дорожки проверил цешкой на обрыв и КЗ ( на всякий слючай ; привычка )
4)При первом включении моя программа увидела програматор , но МК ( стояла в панельке ) мега 8 не увидел и выдал предупреждение о СОМ порте ( я не понял конкретно ) ! Я всё выставил в ручную ( СОМ порт , МК ) и при попытке прочитать МК выдаёт ошибку ( номер 31 )
5) Понял свою ошибку , не подключил питание ! После подключения питания на МК ( 7 нога + , 8 - ) опять ошибка номер 31 !
6) Пытался прозвонить шлейф от програматора до МК , многие провода не подключены ! Соеденил програматор с МК проводами , всё то-же самое ( при попытке прочесть , зашить или другие действия с МК ОШИБКА 31 )
Я не знаю где дальше искать причину ! ПОМОГИТЕ ! Может можно проверить работаспособность программы и програматора без МК ( как с экстрапиком ) ?


Вернуться наверх
 
Не в сети
 Заголовок сообщения: Re: Программаторы для микроконтроллеров Atmel.
СообщениеДобавлено: Вт дек 10, 2013 23:32:51 
Друг Кота
Аватар пользователя

Карма: 18
Рейтинг сообщений: 1121
Зарегистрирован: Пт ноя 27, 2009 18:12:27
Сообщений: 4625
Откуда: Черкассы, UA
Рейтинг сообщения: 0
Микроконтроллер новый или откуда-то выдернутый? Если б/у, то причин может быть много.
Питание и земля подается на все ноги МК, которые для этого предназначены?

Да, и СОМ порт, на котором висит AVR 910 соответствует СОМ порту, выставленному в CodeVisionAVR?

_________________
Изображение

В мире нет вредных веществ, в мире есть вредные количества © Д.И.Менделеев
Когда на форуме переходят на "Вы", в реальной жизни уже давно бьют морду © автор неизвестен.


Вернуться наверх
 
Не в сети
 Заголовок сообщения: Re: Программаторы для микроконтроллеров Atmel.
СообщениеДобавлено: Чт дек 12, 2013 16:06:44 
Мучитель микросхем
Аватар пользователя

Зарегистрирован: Сб авг 11, 2012 19:16:39
Сообщений: 411
Рейтинг сообщения: 0
mr_kot писал(а):
Микроконтроллер новый или откуда-то выдернутый? Если б/у, то причин может быть много.
Питание и земля подается на все ноги МК, которые для этого предназначены?

Да, и СОМ порт, на котором висит AVR 910 соответствует СОМ порту, выставленному в CodeVisionAVR?

МК у меня новый ( купил в макгазине 2 шт ) ! В диспечере задач мой програматор определился и подключил виртуальный СОМ порт 4 ! В настройках тоже выставил СОМ порт 4 !

2.7 Запрещается полное цитирование предыдущего сообщения. Допускается цитирование только части сообщения, необходимой для смысловой связи с предыдущим сообщением. Предусматриваются следующие виды наказаний за нарушение пунктов данных Правил: за нарушение: п 2.7 - Предупреждение. При повторном нарушении - бан на усмотрение модератора.


Последний раз редактировалось AlekseyEnergo Чт дек 12, 2013 16:22:01, всего редактировалось 1 раз.
.


Вернуться наверх
 
Не в сети
 Заголовок сообщения: Re: Программаторы для микроконтроллеров Atmel.
СообщениеДобавлено: Сб дек 14, 2013 17:22:35 
Встал на лапы

Зарегистрирован: Чт апр 23, 2009 23:33:46
Сообщений: 122
Рейтинг сообщения: 0
Алексей1533 писал(а):
...Cделал переходник с сайта http://www.drive2.ru/cars/volkswagen/go ... l/2302971/ ! Сделал один-в-один...

В схеме переходника, на который показал ссылку есть неточность: сигнал внешнего тактирования, обозначенный как X3 OSC должен подаваться на вывод контроллера XTAL1 (для atmega8 это нога 9), а там подаётся на XTAL2. Попробуй отключить R8(K47) от линии SCK -- может подсаживает сигнал, и ещё раз прозвони все сигнальные линии от разъёма программатора до контроллера и сверь назначение подключенных пинов с даташитом.
Алексей1533 писал(а):
...проверить работаспособность программы и програматора без МК ( как с экстрапиком )...

Если обладаеш экстрапиком, то для прошивки Atmega8 его несложно доработать и программировать в программе PonyProg. Если покажешь свою схему, помогу подправить.
А что касаемо AVR 910 -- собран по схеме PROTTOSA -- девайс рабочий и неоднократно обсуждался в этой теме, схема и прошивка есть в статье по ссылке на 1 странице. Косвенно проверить его можно посмотрев, есть-ли генерация на выходе LED (15 нога атмеги по схеме в статье), а при замыкании перемычки J3, длительность импульсов должна увеличиваться.


Вернуться наверх
 
Не в сети
 Заголовок сообщения: Re: Программаторы для микроконтроллеров Atmel.
СообщениеДобавлено: Чт дек 19, 2013 07:50:48 
Мучитель микросхем
Аватар пользователя

Зарегистрирован: Сб авг 11, 2012 19:16:39
Сообщений: 411
Рейтинг сообщения: 0
ОК ! Сегодня сделаю фото и выложу на сайт !


Последний раз редактировалось AlekseyEnergo Чт дек 19, 2013 09:17:26, всего редактировалось 1 раз.
Нарушение пункта 2.7 правил форума. Подредактировано. Заблокирован на 3 дня за 3 нарушение.


Вернуться наверх
 
Не в сети
 Заголовок сообщения: Re: Программаторы для микроконтроллеров Atmel.
СообщениеДобавлено: Пн дек 30, 2013 12:40:28 
Мучитель микросхем
Аватар пользователя

Зарегистрирован: Сб авг 11, 2012 19:16:39
Сообщений: 411
Рейтинг сообщения: 0
Выкладываю обещяные фото !


Вложения:
Комментарий к файлу: мой пик прогроматор !
DSC00982аа.jpg [137.51 KiB]
Скачиваний: 585
Вернуться наверх
 
Не в сети
 Заголовок сообщения: Re: Программаторы для микроконтроллеров Atmel.
СообщениеДобавлено: Пн дек 30, 2013 17:44:46 
Мучитель микросхем
Аватар пользователя

Зарегистрирован: Сб авг 11, 2012 19:16:39
Сообщений: 411
Рейтинг сообщения: 0
Теперь выкладываю схему моего екстрапика !Повторюсь , что я его купил готовым и настроенным ! На предедущем фото я совместил БП и сам девакс !


Вложения:
Scan.pdf [604.45 KiB]
Скачиваний: 308
Вернуться наверх
 
Не в сети
 Заголовок сообщения: Re: Программаторы для микроконтроллеров Atmel.
СообщениеДобавлено: Вт дек 31, 2013 15:36:54 
Поставщик валерьянки для Кота
Аватар пользователя

Карма: 10
Рейтинг сообщений: 163
Зарегистрирован: Вс янв 09, 2011 16:51:39
Сообщений: 2348
Откуда: Санкт-Ленинград
Рейтинг сообщения: 0
Алексей1533 писал(а):
я его купил готовым и настроенным
Прочтите внимательно и вдумчиво здесь, и перестаньте впустую тратить деньги.

_________________
ICQ нет, и, в ближайшее время, не будет.


Вернуться наверх
 
Не в сети
 Заголовок сообщения: Re: Программаторы для микроконтроллеров Atmel.
СообщениеДобавлено: Вт дек 31, 2013 20:55:07 
Мучитель микросхем
Аватар пользователя

Зарегистрирован: Сб авг 11, 2012 19:16:39
Сообщений: 411
Рейтинг сообщения: 0
ВСЕХ С НОВЫМ ГОДОМ ! ЖЕЛАЮ ЗДОРОВЬЯ И УДАЧИ ! :chmoked:


Вернуться наверх
 
Не в сети
 Заголовок сообщения: Re: Программаторы для микроконтроллеров Atmel.
СообщениеДобавлено: Ср янв 01, 2014 22:01:11 
Мучитель микросхем
Аватар пользователя

Зарегистрирован: Сб авг 11, 2012 19:16:39
Сообщений: 411
Рейтинг сообщения: 0
Огромное спасибо ! Теперь загорелся сделать данный девайс ! А мастеркит оставить для PIk-ов !


Вернуться наверх
 
Не в сети
 Заголовок сообщения: Re: Программаторы для микроконтроллеров Atmel.
СообщениеДобавлено: Чт янв 02, 2014 15:42:43 
Поставщик валерьянки для Кота
Аватар пользователя

Карма: 10
Рейтинг сообщений: 163
Зарегистрирован: Вс янв 09, 2011 16:51:39
Сообщений: 2348
Откуда: Санкт-Ленинград
Рейтинг сообщения: 0
Алексей1533 писал(а):
загорелся сделать данный девайс
Извиняюсь, не успеваю за ходом Ваших мыслей.
О каком девайсе речь?

_________________
ICQ нет, и, в ближайшее время, не будет.


Вернуться наверх
 
Не в сети
 Заголовок сообщения: Re: Программаторы для микроконтроллеров Atmel.
СообщениеДобавлено: Сб янв 04, 2014 20:05:55 
Мучитель микросхем
Аватар пользователя

Зарегистрирован: Сб авг 11, 2012 19:16:39
Сообщений: 411
Рейтинг сообщения: 0
Уважаемый Дмитрий ! Я ВНИМАТЕЛЬНО просмотрел вашу ссылку и , думаю , не мгого переделать ( или сделать другой ) програматор дла АВР-ок !
И ещё вопрос ! Прошу прощения что не по теме , но я долго искал и не чего путнего не нашел ! Мне нужно зарядное устройство для Ni-Mn акб для аккумуляторной отвёртки ( 4 каб соеденённые последовательно ) ! Родное ЗУ умерло ! ПРОШУ ПОМОЩИ ! ДАЙТЕ ССЫЛОЧКУ ИЛИ , МОЖЕТ , УКОГ ЕСТО СХЕМА ( не сложная ) !


Вернуться наверх
 
Не в сети
 Заголовок сообщения: Re: Программаторы для микроконтроллеров Atmel.
СообщениеДобавлено: Вс янв 05, 2014 19:01:52 
Поставщик валерьянки для Кота
Аватар пользователя

Карма: 10
Рейтинг сообщений: 163
Зарегистрирован: Вс янв 09, 2011 16:51:39
Сообщений: 2348
Откуда: Санкт-Ленинград
Рейтинг сообщения: 0
Алексей1533 писал(а):
програматор дла АВР-ок
Для АВРок рекомендую собирать клон STK500 (если, конечно, руки откуда надо растут).
Надеюсь, в ближайшее время выложу материал.
А Экстра-ПИК, в первую очередь, как-раз для ПИКов предназначен.

Алексей1533 писал(а):
не чего путнего не нашел
Вообще-то схем полно.
А что в найденных не устраивало?
Одно могу сказать: заряжать батарею целиком, это - неправильно.
Ну, и как правильно подмечено, это не для данной темы.

_________________
ICQ нет, и, в ближайшее время, не будет.


Вернуться наверх
 
Не в сети
 Заголовок сообщения: Re: Программаторы для микроконтроллеров Atmel.
СообщениеДобавлено: Пт янв 17, 2014 18:31:29 
Нашел транзистор. Понюхал.

Карма: 1
Рейтинг сообщений: 4
Зарегистрирован: Вт ноя 26, 2013 00:18:18
Сообщений: 165
Откуда: СПб
Рейтинг сообщения: 0
Добрый день!
Помогите в программаторе, я пока в этом слабо разбираюсь, собрал по схеме от PROTOSSa, но не определяется под ХР, думаю прошил атмегу не правильно. Шил через USBasp прогой Sinaprog. Фьюзы выставил может не правильно..
Можете написать как выставить в шестнадцатиричном формате, так удобнее (пример, как у меня выставлено):
Lock Bits = 0×3F
High Fuse = 0xD1
Low Fuse = 0xE1
Ext. Fuse = 0×00
Оригинальная прошивка имеет размер 13 647б, прошиваю, потом читаю что получилось. но размер уже 11 673б
В чем может быть засада?
Да, и какой кварц выставлять в настройках?
Спасибо.

Лог операции:
avrdude: warning: cannot set sck period. please check for usbasp firmware update.
avrdude: AVR device initialized and ready to accept instructions
avrdude: Device signature = 0x1e9307
avrdude: NOTE: FLASH memory has been specified, an erase cycle will be performed
To disable this feature, specify the -D option.
avrdude: erasing chip
avrdude: warning: cannot set sck period. please check for usbasp firmware update.
avrdude: reading input file "D:\USB.910.Programmer.hex"
avrdude: input file D:\USB.910.Programmer.hex auto detected as Intel Hex
avrdude: writing flash (4842 bytes):
avrdude: 4842 bytes of flash written
avrdude: verifying flash memory against D:\USB.910.Programmer.hex:
avrdude: load data flash data from input file D:\USB.910.Programmer.hex:
avrdude: input file D:\USB.910.Programmer.hex auto detected as Intel Hex
avrdude: input file D:\USB.910.Programmer.hex contains 4842 bytes
avrdude: reading on-chip flash data:
avrdude: verifying ...
avrdude: 4842 bytes of flash verified

avrdude: safemode: Fuses OK

avrdude done. Thank you.


Вложения:
Комментарий к файлу: прошивка
USB.910.Programmer.hex [13.33 KiB]
Скачиваний: 251
Схема.png [31.4 KiB]
Скачиваний: 745
AVR_Protoss2.lay [68.33 KiB]
Скачиваний: 510
Вернуться наверх
 
Показать сообщения за:  Сортировать по:  Вернуться наверх
Начать новую тему Ответить на тему  [ Сообщений: 718 ]     ... , , , 33, , ,  

Часовой пояс: UTC + 3 часа


Кто сейчас на форуме

Сейчас этот форум просматривают: DC-AC, hsh777 и гости: 25


Вы не можете начинать темы
Вы не можете отвечать на сообщения
Вы не можете редактировать свои сообщения
Вы не можете удалять свои сообщения
Вы не можете добавлять вложения

Найти:
Перейти:  


Powered by phpBB © 2000, 2002, 2005, 2007 phpBB Group
Русская поддержка phpBB
Extended by Karma MOD © 2007—2012 m157y
Extended by Topic Tags MOD © 2012 m157y