Например TDA7294

Форум РадиоКот • Просмотр темы - Программаторы для микроконтроллеров Atmel.
Форум РадиоКот
Здесь можно немножко помяукать :)

Текущее время: Ср дек 31, 2025 15:08:52

Часовой пояс: UTC + 3 часа


ПРЯМО СЕЙЧАС:



Начать новую тему Ответить на тему  [ Сообщений: 718 ]     ... , , , , 36
Автор Сообщение
Не в сети
 Заголовок сообщения: Re: Программаторы для микроконтроллеров Atmel.
СообщениеДобавлено: Вс мар 26, 2017 09:01:54 
Друг Кота
Аватар пользователя

Карма: 18
Рейтинг сообщений: 1121
Зарегистрирован: Пт ноя 27, 2009 18:12:27
Сообщений: 4625
Откуда: Черкассы, UA
Рейтинг сообщения: 0
Я ссылку на страницу проекта чуть выше для кого давал?
Продублирую еще раз:
http://prottoss.com/projects/avr910.usb ... rammer.htm

Изображение

И ссылка на сам архив, если на странице так трудно его найти:
http://prottoss.com/projects/avr910.usb ... r.1.05.rar

_________________
Изображение

В мире нет вредных веществ, в мире есть вредные количества © Д.И.Менделеев
Когда на форуме переходят на "Вы", в реальной жизни уже давно бьют морду © автор неизвестен.


Вернуться наверх
 
Не в сети
 Заголовок сообщения: Re: Программаторы для микроконтроллеров Atmel.
СообщениеДобавлено: Вс мар 26, 2017 10:21:59 
Вымогатель припоя
Аватар пользователя

Карма: -3
Рейтинг сообщений: -21
Зарегистрирован: Пт сен 12, 2014 19:31:13
Сообщений: 536
Рейтинг сообщения: 0
mr_kot писал(а):
Я ссылку на страницу проекта чуть выше для кого давал?
Продублирую еще раз:
http://prottoss.com/projects/avr910.usb ... rammer.htm

Изображение

И ссылка на сам архив, если на странице так трудно его найти:
http://prottoss.com/projects/avr910.usb ... r.1.05.rar

ааай блин,я последнюю скачивал,там его нет)мой косяк,извиняюсь!
в общем все сделал,но...
вот видос чтоб понятнее было.что не так и как вкрутить?
Изображение

_________________
Мудрость приходит с возрастом, но иногда возраст приходит один.


Вернуться наверх
 
Не в сети
 Заголовок сообщения: Re: Программаторы для микроконтроллеров Atmel.
СообщениеДобавлено: Вс мар 26, 2017 10:57:30 
Друг Кота
Аватар пользователя

Карма: 18
Рейтинг сообщений: 1121
Зарегистрирован: Пт ноя 27, 2009 18:12:27
Сообщений: 4625
Откуда: Черкассы, UA
Рейтинг сообщения: 0
Во-первых: если хочешь выложить видео - выкладывай на YouTube. По разным помойкам, типа радикала, я больше ходить не буду.
Во-вторых: правила хорошего тона предусматривают НЕ ИСПОЛЬЗОВАТЬ в названиях файлов/директорий кириллицу и пробелы
В-третьих: я вижу, что в окно программы dseo13b вставляется путь к папке с файлом, но само имя файла - нет. Почему? Программа сама должна догадаться, какой файл ей необходимо подписать?
То, что файл не подписан, видно по дате создание в проводнике. После подписывания дата должна измениться на сегодняшнюю. Я, кстати, чуть выше обращал на это внимание.

Изображение

И последнее: проверить все эти манипуляции не могу - дома у меня установлена Win10, но на работе есть семерка х64, завтра, если не забуду, попробую установить.

PS
И прекращай со сленгом, тебе не идет. На словах ты крутой программер
Amper36 писал(а):
дрова нужны как ни крути

Amper36 писал(а):
вот видос чтоб понятнее было.что не так и как вкрутить?

а на деле - не можешь установить элементарный драйвер при наличии инструкции по установке.

_________________
Изображение

В мире нет вредных веществ, в мире есть вредные количества © Д.И.Менделеев
Когда на форуме переходят на "Вы", в реальной жизни уже давно бьют морду © автор неизвестен.


Вернуться наверх
 
Не в сети
 Заголовок сообщения: Re: Программаторы для микроконтроллеров Atmel.
СообщениеДобавлено: Вс мар 26, 2017 12:30:21 
Вымогатель припоя
Аватар пользователя

Карма: -3
Рейтинг сообщений: -21
Зарегистрирован: Пт сен 12, 2014 19:31:13
Сообщений: 536
Рейтинг сообщения: 0
mr_kot писал(а):

а на деле - не можешь установить элементарный драйвер при наличии инструкции по установке.
если бы умел то сюда бы не обращался за помощью :)
в общем сделал по новому без кирлиц, напрямую к папке,не помогает...
может вы видео покажете как это делать?
[youtube]KK3I7Ub151w[/youtube]
[youtube]https://youtu.be/KK3I7Ub151w[/youtube]
что то не получается вставить с ютуба тут,вот еще ссылка
https://youtu.be/KK3I7Ub151w
и когда нажимаю в dseo на выход (exit) то комп ругается,вот фото,с радикала правда,просто я не знаю как сюда из компа залить.
Изображение
и еще,полазил по ютубу,там похожее устройство ставят в программном обратном порядке а не так как описывают,то есть запускают первую строчку(тестовый режим).

_________________
Мудрость приходит с возрастом, но иногда возраст приходит один.


Вернуться наверх
 
Эиком - электронные компоненты и радиодетали
Не в сети
 Заголовок сообщения: Re: Программаторы для микроконтроллеров Atmel.
СообщениеДобавлено: Вс мар 26, 2017 13:25:15 
Друг Кота
Аватар пользователя

Карма: 18
Рейтинг сообщений: 1121
Зарегистрирован: Пт ноя 27, 2009 18:12:27
Сообщений: 4625
Откуда: Черкассы, UA
Рейтинг сообщения: 0
Amper36 писал(а):
если бы умел то сюда бы не обращался за помощью :)

Ну, тема в общем-то по программатору, а не по установке драйверов

Amper36 писал(а):
в общем сделал по новому без кирлиц

Но зато с пробелами:
mr_kot писал(а):
НЕ ИСПОЛЬЗОВАТЬ в названиях файлов/директорий кириллицу и пробелы


Amper36 писал(а):
может вы видео покажете как это делать?

Возможно завтра

Amper36 писал(а):
что то не получается вставить с ютуба тут

Движок форума не корректно обрабатывает протокол https, поэтому букву s из ссылки надо удалять (было https//:, сделать http//:)


_________________
Изображение

В мире нет вредных веществ, в мире есть вредные количества © Д.И.Менделеев
Когда на форуме переходят на "Вы", в реальной жизни уже давно бьют морду © автор неизвестен.


Вернуться наверх
 
Не в сети
 Заголовок сообщения: Re: Программаторы для микроконтроллеров Atmel.
СообщениеДобавлено: Вс мар 26, 2017 13:28:50 
Вымогатель припоя
Аватар пользователя

Карма: -3
Рейтинг сообщений: -21
Зарегистрирован: Пт сен 12, 2014 19:31:13
Сообщений: 536
Рейтинг сообщения: 0
mr_kot писал(а):
Amper36 писал(а):
если бы умел то сюда бы не обращался за помощью :)

Ну, тема в общем-то по программатору, а не по установке драйверов

Возможно завтра
огромное спасибо!я вам буду признателен!!!
я пока редактировал предыдущий пост вы ответили,в общем про порядок запуска программного и про выход из программы дописал в посте,что вы на это ответите?
dseo скачивал дважды уже с оф.сайта

_________________
Мудрость приходит с возрастом, но иногда возраст приходит один.


Вернуться наверх
 
Не в сети
 Заголовок сообщения: Re: Программаторы для микроконтроллеров Atmel.
СообщениеДобавлено: Вс мар 26, 2017 13:54:07 
Друг Кота
Аватар пользователя

Карма: 18
Рейтинг сообщений: 1121
Зарегистрирован: Пт ноя 27, 2009 18:12:27
Сообщений: 4625
Откуда: Черкассы, UA
Рейтинг сообщения: 0
Да какая разница, подписывать файл драйвера до входа в тестовый режим, или после?
Меня больше интересует вот что:
- изменилась ли дата создания файла lowbulk.sys после подписывания?
- появилась ли в правом нижнем углу рабочего стола (сверху над часами) надпись "Test Mode" или что-то похожее?

_________________
Изображение

В мире нет вредных веществ, в мире есть вредные количества © Д.И.Менделеев
Когда на форуме переходят на "Вы", в реальной жизни уже давно бьют морду © автор неизвестен.


Вернуться наверх
 
Не в сети
 Заголовок сообщения: Re: Программаторы для микроконтроллеров Atmel.
СообщениеДобавлено: Вс мар 26, 2017 23:57:35 
Вымогатель припоя
Аватар пользователя

Карма: -3
Рейтинг сообщений: -21
Зарегистрирован: Пт сен 12, 2014 19:31:13
Сообщений: 536
Рейтинг сообщения: 0
mr_kot писал(а):
Да какая разница, подписывать файл драйвера до входа в тестовый режим, или после?
Меня больше интересует вот что:
- изменилась ли дата создания файла lowbulk.sys после подписывания?
- появилась ли в правом нижнем углу рабочего стола (сверху над часами) надпись "Test Mode" или что-то похожее?

1-изменилась,видно по скришноту.
2-в углу так и написано что в тестовом режиме.
обновление не помогает,тест не знаю когда появился,то ли через F8 то ли через прогу запустил,сутки комп насилую,ничего пока путного,пробовал каспера отключить и запустить драйвер-не помогает.
Сейчас думаю что я что то не так делаю,я эту папку с драйверами в диск с закидывал, путь к драйверам выглядит так:
C:\programmatory\atmega8_16\Driver_dseo_prosiva\avr910_usb_programmer_source.v.1.05\avr910_usb_programmer.files.ver.1.05\AVR910.Driver\vista_xp_64
пробелов нет.
может этот файл .sys не там стоит?пробовал закинуть его и в виндовский driver папку,результат тот же.
собственно вот сам скрин,как в радиокотовский сервер загрузить из компа а не в радикал?
Изображение

_________________
Мудрость приходит с возрастом, но иногда возраст приходит один.


Вернуться наверх
 
Не в сети
 Заголовок сообщения: Re: Программаторы для микроконтроллеров Atmel.
СообщениеДобавлено: Пн мар 27, 2017 13:40:26 
Друг Кота
Аватар пользователя

Карма: 18
Рейтинг сообщений: 1121
Зарегистрирован: Пт ноя 27, 2009 18:12:27
Сообщений: 4625
Откуда: Черкассы, UA
Рейтинг сообщения: 1
Похоже, что на странице автора программатора проблема с архивом драйвера. У меня он тоже не захотел устанавливаться.
Нашел в инете еще один архив - из него все нормально установилось.
Ссылка на страницу с полным архивом
К сообщению прикрепляю два архива с папкой, которая относится непосредственно к 64 бит системам (из архива avr910_usb_programmer.rar).
В одном архиве подписанный драйвер (я подписал и установил его на свою систему). Если не получится установить подписанный, распаковывай оригинальный и подписывай сам. Только уже включать тестовый режим и перезагружать компьютер не надо (если есть надпись Тестовый режим). Просто устанавливай (обновляй) драйвер.
Видео не снимал, думаю с этим драйвером оно не понадобится.


Вложения:
Комментарий к файлу: Оригинальный драйвер
vista_xp_64.rar [13.25 KiB]
Скачиваний: 271
Комментарий к файлу: Подписанный драйвер
vista_xp_64_sign.rar [14.07 KiB]
Скачиваний: 285

_________________
Изображение

В мире нет вредных веществ, в мире есть вредные количества © Д.И.Менделеев
Когда на форуме переходят на "Вы", в реальной жизни уже давно бьют морду © автор неизвестен.
Вернуться наверх
 
Не в сети
 Заголовок сообщения: Re: Программаторы для микроконтроллеров Atmel.
СообщениеДобавлено: Чт мар 30, 2017 10:50:28 
Вымогатель припоя
Аватар пользователя

Карма: 3
Рейтинг сообщений: 9
Зарегистрирован: Пн июл 21, 2014 01:43:04
Сообщений: 556
Откуда: Самара
Рейтинг сообщения: 0
привет товарищи коты! нарисовалась проблема такая: драйвера установились, всё хорошо, диспетчер видит программатор нормально, но программа CVAVR ругается когда выбираю программатор и порт который относится к нему так: the communication port com5 is also used by the terminal
еще такая проблема: после выбора в программе DSEO тестового режима и перезагрузки компа, тестовый режим не включается, программа скачана с оф сайта по ссылкам на портале протоса. может это быть из-за того что в углу надпись ваша копия виндоус не является подлинной? на предыдущем компе с виндой включался тестовый режим с этой надписью. помогите плиз.

Добавлено after 10 minutes 38 seconds:
у меня до этого все было прекрасно, я программировал мегу 8 через программатор, а 26 марта обновление встало, хотя отключены все службы, и началось. а это обновление откатить не получается, система восстановления выдаёт критическую на эту дату, а раньшей точки восстановления нету. снесу винду и заново установлю всё. думаю проблема уйдёт.


Вернуться наверх
 
Не в сети
 Заголовок сообщения: Re: Программаторы для микроконтроллеров Atmel.
СообщениеДобавлено: Чт мар 30, 2017 11:28:55 
Друг Кота
Аватар пользователя

Карма: 18
Рейтинг сообщений: 1121
Зарегистрирован: Пт ноя 27, 2009 18:12:27
Сообщений: 4625
Откуда: Черкассы, UA
Рейтинг сообщения: 0
Скачай программу DWS_Lite и поудаляй лишние обновления

_________________
Изображение

В мире нет вредных веществ, в мире есть вредные количества © Д.И.Менделеев
Когда на форуме переходят на "Вы", в реальной жизни уже давно бьют морду © автор неизвестен.


Вернуться наверх
 
Не в сети
 Заголовок сообщения: Re: Программаторы для микроконтроллеров Atmel.
СообщениеДобавлено: Чт мар 30, 2017 11:41:41 
Вымогатель припоя
Аватар пользователя

Карма: 3
Рейтинг сообщений: 9
Зарегистрирован: Пн июл 21, 2014 01:43:04
Сообщений: 556
Откуда: Самара
Рейтинг сообщения: 0
Спасибо. Сейчас приступлю.


Вернуться наверх
 
Не в сети
 Заголовок сообщения: Re: Программаторы для микроконтроллеров Atmel.
СообщениеДобавлено: Чт мар 30, 2017 22:41:52 
Вымогатель припоя
Аватар пользователя

Карма: -3
Рейтинг сообщений: -21
Зарегистрирован: Пт сен 12, 2014 19:31:13
Сообщений: 536
Рейтинг сообщения: 0
mr_kot писал(а):
Похоже, что на странице автора программатора проблема с архивом драйвера. У меня он тоже не захотел устанавливаться.
Нашел в инете еще один архив - из него все нормально установилось.
Ссылка на страницу с полным архивом
К сообщению прикрепляю два архива с папкой, которая относится непосредственно к 64 бит системам (из архива avr910_usb_programmer.rar).
В одном архиве подписанный драйвер (я подписал и установил его на свою систему). Если не получится установить подписанный, распаковывай оригинальный и подписывай сам. Только уже включать тестовый режим и перезагружать компьютер не надо (если есть надпись Тестовый режим). Просто устанавливай (обновляй) драйвер.

Наконец то запустилось,теперь компьютер видит его!
запустил с оригинала.
Изображение
Низкий вам поклон!очень благодарен!!!
интересно почему у автора кривой драйвер то?народ же повторяет и на тебе фигу под нос :)))
но главное теперь работает,с вашей помощью!
еще раз спасибо огромное!

_________________
Мудрость приходит с возрастом, но иногда возраст приходит один.


Вернуться наверх
 
Не в сети
 Заголовок сообщения: Re: Программаторы для микроконтроллеров Atmel.
СообщениеДобавлено: Пт мар 31, 2017 00:14:41 
Вымогатель припоя
Аватар пользователя

Карма: 3
Рейтинг сообщений: 9
Зарегистрирован: Пн июл 21, 2014 01:43:04
Сообщений: 556
Откуда: Самара
Рейтинг сообщения: 0
Чистка системы мне не помогла. Завтра попробую на другом компе, или снесу Винду и накачу чистую. Если уж и это не поможет, я думаю не поможет, какие предложения есть, менять контроллер и прошивать его?


Вернуться наверх
 
Не в сети
 Заголовок сообщения: Re: Программаторы для микроконтроллеров Atmel.
СообщениеДобавлено: Пт мар 31, 2017 01:35:22 
Вымогатель припоя
Аватар пользователя

Карма: -3
Рейтинг сообщений: -21
Зарегистрирован: Пт сен 12, 2014 19:31:13
Сообщений: 536
Рейтинг сообщения: 0
Pavlon90 писал(а):
Чистка системы мне не помогла. Завтра попробую на другом компе, или снесу Винду и накачу чистую. Если уж и это не поможет, я думаю не поможет, какие предложения есть, менять контроллер и прошивать его?

Почему вам бы не попробовать прогу AvrOsp2 ? она неприхотливая по прошивкам и системам,тут описан процесс програмирования,кстати тот же аналог протосовский использовался)))
http://www.youtube.com/watch?v=RzlnVG9X1tg
в целом правильно говорят что на 64 бит здорово виндовс ругается на неподписанные драйвера,но dseo не должен отключать тестовый режим если вы не затребуете возврата в обычный режим,даже при перезагрузке.отключение тестового режима это вторая строка,включение -первая строка.

_________________
Мудрость приходит с возрастом, но иногда возраст приходит один.


Вернуться наверх
 
Не в сети
 Заголовок сообщения: Re: Программаторы для микроконтроллеров Atmel.
СообщениеДобавлено: Пт мар 31, 2017 08:21:26 
Друг Кота
Аватар пользователя

Карма: 18
Рейтинг сообщений: 1121
Зарегистрирован: Пт ноя 27, 2009 18:12:27
Сообщений: 4625
Откуда: Черкассы, UA
Рейтинг сообщения: 0
Pavlon90 писал(а):
Чистка системы мне не помогла.

А система активирована? Пропала надпись о том, что система не лицензионная?

_________________
Изображение

В мире нет вредных веществ, в мире есть вредные количества © Д.И.Менделеев
Когда на форуме переходят на "Вы", в реальной жизни уже давно бьют морду © автор неизвестен.


Вернуться наверх
 
Не в сети
 Заголовок сообщения: Re: Программаторы для микроконтроллеров Atmel.
СообщениеДобавлено: Сб апр 01, 2017 05:22:25 
Вымогатель припоя
Аватар пользователя

Карма: -3
Рейтинг сообщений: -21
Зарегистрирован: Пт сен 12, 2014 19:31:13
Сообщений: 536
Рейтинг сообщения: 0
Недолго музыка играла...
В общем собрался прошить attiny2313a программой Avr-osp2 в тестовом режиме,окно программы Avr-osp2 выдает ошибку:

Checking programmer type ...
Timeout during COM-port read operation!
Supported programmer not found on Com Port 1
error opening com port 2
error opening com port 3
error opening com port 4
error opening com port 5
error opening com port 6
error opening com port 7
error opening com port 8
error opening com port 9
error opening com port 10
error opening com port 11
error opening com port 12
error opening com port 13
error opening com port 14
error opening com port 15
error opening com port 16

Диспетчер видит драйвер и подключение,я микросхему внутрисхемно собираюсь прошить на одном девайсе и пробую автопоиск определения типа микросхемы и вот такой вот ответ,понес тиньку на обмен-результат тот же,по подключению виндовс видит 16 порт а тут вылезает про первый порт...
Что это может быть или что то не так делаю?
Есть подозрение на прошивку программатора что легла криво или ее нет...
Прошивал не сам,так как проблема "курицы и яйца" по программатору,первый был екстрапик модифицированный,компьютер древний в гараже сдох зимой вместе с ним а на домашнем компьютере нет сом порта вот и выкручиваюсь.

_________________
Мудрость приходит с возрастом, но иногда возраст приходит один.


Вернуться наверх
 
Не в сети
 Заголовок сообщения: Re: Программаторы для микроконтроллеров Atmel.
СообщениеДобавлено: Пн дек 28, 2020 21:28:22 
Родился

Зарегистрирован: Пн дек 25, 2006 06:18:44
Сообщений: 1
Рейтинг сообщения: 0
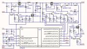
Предлагаю схему Универсального программатора, разработанную мною. Выполнена на ATtiny24, эта схема управляет только одним PINом. Для панельки на DIP-40 необходимо собрать 40 таких одинаковых схем. Это позволяет подавать на каждый PIN любое напряжение от 0 до 27 вольт и считывать как логический уровень, так и при помощи АЦП напряжение. Тем самым можно будет программировать любые без исключения микросхемы и контроллеры с любым уровнем питания. Можно будет анализировать тип микросхем, а также проверять все аналоговые и цифровые микросхемы на исправность. Прошивку в ATtiny24 я написал, а вот программу управления под Windows не умею, если кто сможет предлагаю сотрудничество по созданию такого устройства.
Изображение

_________________
Господа !!! Скажите где есть ATtiny2313.pdf переведённую НА РУССКОМ ЯЗЫКЕ ???


Вернуться наверх
 
Показать сообщения за:  Сортировать по:  Вернуться наверх
Начать новую тему Ответить на тему  [ Сообщений: 718 ]     ... , , , , 36

Часовой пояс: UTC + 3 часа


Кто сейчас на форуме

Сейчас этот форум просматривают: нет зарегистрированных пользователей и гости: 59


Вы не можете начинать темы
Вы не можете отвечать на сообщения
Вы не можете редактировать свои сообщения
Вы не можете удалять свои сообщения
Вы не можете добавлять вложения

Найти:
Перейти:  


Powered by phpBB © 2000, 2002, 2005, 2007 phpBB Group
Русская поддержка phpBB
Extended by Karma MOD © 2007—2012 m157y
Extended by Topic Tags MOD © 2012 m157y