Например TDA7294

Форум РадиоКот • Просмотр темы - Цифровая паяльная станция своими руками.(V 2.0)
Форум РадиоКот
Здесь можно немножко помяукать :)

Текущее время: Пн окт 06, 2025 14:20:39

Часовой пояс: UTC + 3 часа


ПРЯМО СЕЙЧАС:



Начать новую тему Ответить на тему  [ Сообщений: 7414 ]    , , , , 5, , , ...  
Автор Сообщение
Не в сети
 Заголовок сообщения:
СообщениеДобавлено: Пн окт 09, 2006 23:06:50 
Потрогал лапой паяльник
Аватар пользователя

Зарегистрирован: Сб сен 30, 2006 19:32:29
Сообщений: 303
Рейтинг сообщения: 0
А какой имено контролёр ? сложно начинаюшим быть ( точнее давно не занимался )


а усилок
AD8551AR
AD8551ARM-R2
AD8551AR, ОУ инд. SOIC8
AD8551ARZ
или всё это различие только в корпусах

и такой полевик IRLU024N, Nкан 55В 17А logic ТO251



Вместо REF02EZ какой можно использовать , 320рублей стоит


Вернуться наверх
 
 Заголовок сообщения:
СообщениеДобавлено: Вт окт 10, 2006 17:15:49 
1. Контроллер можешь любой воткнуть хоть Atmega8L-8PU, хоть Atmega8-16PU разницы нет т.к кварц на 7,3728 то и работать он будет только на этой частоте так что лучьше прикупить первый дешевле станет :)) у меня лично стоит первый.

2. Микруху усилителя можешь ставить как AD8551AR так и AD8552AR буквы это только различе корпусов. Насчет того что в схеме усилка маленькая ошибка я говорил в моем посте выше если глядеть даташит то первая страница его четко дает понять что в схеме усилителя термопары вместо подписи AD8551 должна быть AD8552 т.к у AD8551 по другому выходят сигналы на ножки. так что лцчьше всего воткнуть именно AD8552AR я по крайней мере такую поставил.

3. Насчет полярного транзистора я купил на нашем радиобазаре IRLU024N как и у автора статьи.

4. Насчет REF02EZ ты видно невнимательно статью читал автор говорит что он ненужен а подключаешь усилитель на выход кренки на +5V.

5. Днем видел ты интересовался индикатором винстраровским, зайди на www.chipinfo.ru возьми у них даташит на него там на второй странице идет полностью расшифровка всех их обозначений, так что проблема выбора из номенклатуры отпадет :)) Что бы у них что то качнуть надо региться :)) Если не получиться даташит качнуть в личке почту оставь скину даташит.


Вернуться наверх
   
 
Не в сети
 Заголовок сообщения:
СообщениеДобавлено: Вт окт 10, 2006 17:19:14 
Друг Кота
Аватар пользователя

Карма: 39
Рейтинг сообщений: 717
Зарегистрирован: Ср фев 01, 2006 22:29:02
Сообщений: 3108
Откуда: г.Ростов-на-Дону
Рейтинг сообщения: 0
Два предыдущих гостя это мои сообщения.

P/S
Старый ржавый электроньщик что то не пойму зашел залогинился а ответы вот так вставились как от гостя??????????????????? Если тебе не трудно перекинь предыдущие два сообщения на мой ник.


Вернуться наверх
 
Не в сети
 Заголовок сообщения:
СообщениеДобавлено: Вт окт 10, 2006 21:38:16 
Мявтор!
Аватар пользователя

Карма: 4
Рейтинг сообщений: 15
Зарегистрирован: Ср май 17, 2006 18:39:01
Сообщений: 384
Откуда: Москва
Рейтинг сообщения: 0
Sailanser, спасибо за ответы. У меня времени сейчас не особо много, но я слежу за темой и если что, готов помочь.

Ну как, собрал кто-нибудь станцию, работает? Вижу, что с повторяемостью устройства не очень хорошо. Вот что значит собирать на коленке..

В принципе, можно совместными усилиями отладить схему, прошивку, плату, и выложить для людей в виде исправленной статьи. Думаю, паяльная станция вещь полезная для любого радиолюбителя, а тут она получилась более чем доступная по цене. А качество работы может еще поспорить с брендовыми станциями.


Вернуться наверх
 
Не в сети
 Заголовок сообщения:
СообщениеДобавлено: Вт окт 10, 2006 22:05:35 
Поставщик валерьянки для Кота
Аватар пользователя

Карма: 34
Рейтинг сообщений: 819
Зарегистрирован: Вт ноя 01, 2005 17:32:22
Сообщений: 1946
Откуда: Москва
Рейтинг сообщения: 0
Pavel V. писал(а):
Ну как, собрал кто-нибудь станцию, работает? Вижу, что с повторяемостью устройства не очень хорошо. Вот что значит собирать на коленке..



Пока развел печать в Диптрейсе. У меня будет две платы - питания и управления. Корпус из чипа-дипа размером 80х140з190. Как найду время соберу. Думаю неделя, две.


Вернуться наверх
 
Не в сети
 Заголовок сообщения:
СообщениеДобавлено: Ср окт 11, 2006 09:58:09 
Родился

Зарегистрирован: Вт окт 03, 2006 07:39:27
Сообщений: 10
Рейтинг сообщения: 0
Пробовал с усилителем на LM358. АЦП сбивается при работающем нагревателе (из за наводок на термопару), пришлось поставить фильтр. Правда, у меня питание раздельное, без конденсатора 470мФ в цепи питания нагревателя. А вооще схема работает хорошо , управление удобное , стоит повторить.

_________________
Алекс


Вернуться наверх
 
Не в сети
 Заголовок сообщения:
СообщениеДобавлено: Ср окт 11, 2006 10:10:52 
Нашел транзистор. Понюхал.

Зарегистрирован: Пн сен 25, 2006 17:47:10
Сообщений: 190
Рейтинг сообщения: 0
Алекс, выложи, если можно, схему усилителя на LM358 с фильтром.


Вернуться наверх
 
Не в сети
 Заголовок сообщения:
СообщениеДобавлено: Ср окт 11, 2006 11:57:17 
Потрогал лапой паяльник
Аватар пользователя

Зарегистрирован: Сб сен 30, 2006 19:32:29
Сообщений: 303
Рейтинг сообщения: 0
IRF840 Прав!
Кто усовершенствовал эту схему выложите здесь , поделитесь с другими


Вернуться наверх
 
Не в сети
 Заголовок сообщения:
СообщениеДобавлено: Ср окт 11, 2006 12:02:09 
Родился

Зарегистрирован: Вт окт 03, 2006 07:39:27
Сообщений: 10
Рейтинг сообщения: 0
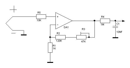
Усилитель как у "родной "паяльной станции SL-20, только усиление побольше, фильтр как у ацп мультиметров.


Вложения:
Ус.тп..GIF [2.11 KiB]
Скачиваний: 6971

_________________
Алекс
Вернуться наверх
 
Не в сети
 Заголовок сообщения:
СообщениеДобавлено: Ср окт 11, 2006 15:19:12 
Нашел транзистор. Понюхал.

Зарегистрирован: Пн сен 25, 2006 17:47:10
Сообщений: 190
Рейтинг сообщения: 0
Спасибо за схему, Алекс.


Вернуться наверх
 
Не в сети
 Заголовок сообщения:
СообщениеДобавлено: Ср окт 11, 2006 21:40:54 
Первый раз сказал Мяу!
Аватар пользователя

Зарегистрирован: Сб май 20, 2006 09:07:30
Сообщений: 37
Откуда: Latvija
Рейтинг сообщения: 0
Спасибо зс схему я как раз на 358 собираю осталсь зашить чип сам Атмеги не умею понесу сдавать знакомым.


Вернуться наверх
 
Не в сети
 Заголовок сообщения:
СообщениеДобавлено: Чт окт 12, 2006 22:03:44 
Мявтор!
Аватар пользователя

Карма: 4
Рейтинг сообщений: 15
Зарегистрирован: Ср май 17, 2006 18:39:01
Сообщений: 384
Откуда: Москва
Рейтинг сообщения: 0
DOGGI, только прошивку тогда надо будет ту, что я последней на форуме выкладывал. Там где 2 В = 400 град.


Вернуться наверх
 
Не в сети
 Заголовок сообщения:
СообщениеДобавлено: Сб окт 14, 2006 16:45:43 
Первый раз сказал Мяу!
Аватар пользователя

Зарегистрирован: Сб май 20, 2006 09:07:30
Сообщений: 37
Откуда: Latvija
Рейтинг сообщения: 0
А на кварце 8.867 пойдет,все готово тока кварца нет такой достал.


Вернуться наверх
 
Не в сети
 Заголовок сообщения:
СообщениеДобавлено: Сб окт 14, 2006 18:34:09 
Друг Кота
Аватар пользователя

Карма: 39
Рейтинг сообщений: 717
Зарегистрирован: Ср фев 01, 2006 22:29:02
Сообщений: 3108
Откуда: г.Ростов-на-Дону
Рейтинг сообщения: 0
А что собственно мешает кварц на 8.000 поставить? По моему их сейчас прикупить не проблема.


Вернуться наверх
 
Не в сети
 Заголовок сообщения:
СообщениеДобавлено: Вс окт 15, 2006 08:58:41 
Мявтор!
Аватар пользователя

Карма: 4
Рейтинг сообщений: 15
Зарегистрирован: Ср май 17, 2006 18:39:01
Сообщений: 384
Откуда: Москва
Рейтинг сообщения: 0
DOGGI, должно все пойти и на таком.


Вернуться наверх
 
 Заголовок сообщения:
СообщениеДобавлено: Ср окт 18, 2006 09:42:47 
А вам не приходила идея сделать его для более широкого применения.
Например что бы можно было использовать еще и с обычным паяльником без термопары. Так сказать повысить функциональность.
А выбор температуры делать в процентном соотношении.


Вернуться наверх
   
 
Не в сети
 Заголовок сообщения:
СообщениеДобавлено: Ср окт 18, 2006 10:28:03 
Мявтор!
Аватар пользователя

Карма: 4
Рейтинг сообщений: 15
Зарегистрирован: Ср май 17, 2006 18:39:01
Сообщений: 384
Откуда: Москва
Рейтинг сообщения: 0
Да в общем-то не проблема сделать такое. Если нужно, могу добавить такую возможность (сделать простой выбор величины ШИМ на выходе контроллера), без обратной связи по температуре.


Вернуться наверх
 
 Заголовок сообщения:
СообщениеДобавлено: Чт окт 19, 2006 08:27:06 
Pavel V. писал(а):
Да в общем-то не проблема сделать такое. Если нужно, могу добавить такую возможность (сделать простой выбор величины ШИМ на выходе контроллера), без обратной связи по температуре.

Это было бы очень кстате. Я как раз хотел сделать регулятор для паяльника, но с расчетом позже купить с термопарой. Так что если вам будет не сложно, переделайте слегка прошивку.


Вернуться наверх
   
 
Не в сети
 Заголовок сообщения:
СообщениеДобавлено: Чт окт 19, 2006 11:12:50 
Мявтор!
Аватар пользователя

Карма: 4
Рейтинг сообщений: 15
Зарегистрирован: Ср май 17, 2006 18:39:01
Сообщений: 384
Откуда: Москва
Рейтинг сообщения: 0
Хорошо, как будет время, переделаю. Удачи!


Вернуться наверх
 
Не в сети
 Заголовок сообщения:
СообщениеДобавлено: Чт окт 19, 2006 11:27:48 
Поставщик валерьянки для Кота
Аватар пользователя

Карма: 34
Рейтинг сообщений: 819
Зарегистрирован: Вт ноя 01, 2005 17:32:22
Сообщений: 1946
Откуда: Москва
Рейтинг сообщения: 0
Pavel V. писал(а):
Хорошо, как будет время, переделаю. Удачи!


Если не трудно, лучше сделать это без изменения схемы. Переход из одного режима в другой нажатием двух кнопок.


Вернуться наверх
 
Показать сообщения за:  Сортировать по:  Вернуться наверх
Начать новую тему Ответить на тему  [ Сообщений: 7414 ]    , , , , 5, , , ...  

Часовой пояс: UTC + 3 часа


Кто сейчас на форуме

Сейчас этот форум просматривают: dina, sssr_54, zmey71 и гости: 23


Вы не можете начинать темы
Вы не можете отвечать на сообщения
Вы не можете редактировать свои сообщения
Вы не можете удалять свои сообщения
Вы не можете добавлять вложения

Найти:
Перейти:  


Powered by phpBB © 2000, 2002, 2005, 2007 phpBB Group
Русская поддержка phpBB
Extended by Karma MOD © 2007—2012 m157y
Extended by Topic Tags MOD © 2012 m157y