Например TDA7294

Форум РадиоКот • Просмотр темы - Широкополосный приемник на ТВ тюнере
Форум РадиоКот
Здесь можно немножко помяукать :)

Текущее время: Вс дек 14, 2025 00:03:59

Часовой пояс: UTC + 3 часа


ПРЯМО СЕЙЧАС:



Начать новую тему Ответить на тему  [ Сообщений: 153 ]     ... , , , 6, ,  
Автор Сообщение
Не в сети
 Заголовок сообщения: Re: Широкополосный приемник на ТВ тюнере
СообщениеДобавлено: Вс авг 05, 2012 18:13:15 
Нашел транзистор. Понюхал.
Аватар пользователя

Зарегистрирован: Чт авг 04, 2011 21:25:35
Сообщений: 158
Откуда: Украина, Краснодон
Рейтинг сообщения: 0
а модуль смрк 1-5 можно переделать? там 4 контура имеется
схема
Изображение
так же имеется смрк 2-1 но гдето тут читал что его сложно переделать


Вложения:
Безымянныпппй.png [71.39 KiB]
Скачиваний: 10912

_________________
Я прийшов так і було.
Вернуться наверх
 
Не в сети
 Заголовок сообщения: Re: Широкополосный приемник на ТВ тюнере
СообщениеДобавлено: Вс авг 05, 2012 18:24:35 
Модератор
Аватар пользователя

Карма: 158
Рейтинг сообщений: 1600
Зарегистрирован: Пт апр 28, 2006 15:26:07
Сообщений: 11940
Откуда: Россия.
Рейтинг сообщения: 0
Медали: 2
Мявтор 3-й степени (1) Лучший человек Форума 2017 (1)
Из СМРК нужно взять то, что красным обвел.

Изображение

Не забыть подать 12 вольт.
Дальше любой ЧМ приемник перестроенный на любую частоту в пределах 32 - 38 мгц вплоть до приемника на TDA7000. хотя не советую. Нужно что то по приличнее.
Вход у приемника нужно сделать симметричный, т.е. на входном контуре должна быть катушка связи и ни один конец у неё не должен быть на общем проводе, т.к. выход у ПАВа симметричный.


Вложения:
1.JPG [58.55 KiB]
Скачиваний: 6687
Вернуться наверх
 
Не в сети
 Заголовок сообщения: Re: Широкополосный приемник на ТВ тюнере
СообщениеДобавлено: Вс авг 05, 2012 19:15:31 
Нашел транзистор. Понюхал.
Аватар пользователя

Зарегистрирован: Чт авг 04, 2011 21:25:35
Сообщений: 158
Откуда: Украина, Краснодон
Рейтинг сообщения: 0
вот думаю по проще тут не симметричный извлечь эту часть и подать на антенну чм приемника?
download/file.php?mode=view&id=115788


Картинку сделал ссылкой.
Почитайте правила форума п. 2.6
viewtopic.php?f=19&t=6538

aen


Вложения:
p0039.png [171.96 KiB]
Скачиваний: 1943

_________________
Я прийшов так і було.
Вернуться наверх
 
Не в сети
 Заголовок сообщения: Re: Ремонт кенвуд 2107
СообщениеДобавлено: Вс авг 05, 2012 22:57:59 
Модератор
Аватар пользователя

Карма: 158
Рейтинг сообщений: 1600
Зарегистрирован: Пт апр 28, 2006 15:26:07
Сообщений: 11940
Откуда: Россия.
Рейтинг сообщения: 0
Медали: 2
Мявтор 3-й степени (1) Лучший человек Форума 2017 (1)
В принципе просто удобнее, а так нужно пробовать. Как уже говорил сам свою схему переделывал три раза и возможно еще придется переделать, хотя ошибок в схеме точно нет. Просто нельзя учесть как поведет себя схема после того, как её спаяешь. Так же в реально сделанной схеме возникают разные паразитные связи или из нерационального монтажа или схема неработоспособна из за плохого согласования узлов между собой. Вот у меня к примеру по моему УПЧ имеет слишком большое усиление по первой промежуточной частоте и соответственно шумит сильнее, чем хотелось бы, но окончательно это выяснится позднее и если это подтвердится, то придется в четвертый раз переделывать.
Этого можно избежать если взять готовую, кем нибудь уже отработанную схему, но мне например это неинтересно и я буду продолжать делать свою и переделывать в случае необходимости.


Вернуться наверх
 
Эиком - электронные компоненты и радиодетали
Не в сети
 Заголовок сообщения: Re: Широкополосный приемник на ТВ тюнере
СообщениеДобавлено: Пн авг 06, 2012 15:55:54 
Нашел транзистор. Понюхал.
Аватар пользователя

Зарегистрирован: Чт авг 04, 2011 21:25:35
Сообщений: 158
Откуда: Украина, Краснодон
Рейтинг сообщения: 0
Подключил я к выходу пч антенный вход приемника и вместо катушки гетеродина приемника впаял контур на 38 мгц от смрк другого и параллельно нему кандер 100 пф радио ловит. Модуль смрк воткнутый но пч на него не подаю,
на настройке 12 в , бп с телика не ставлю, слишком от часто коротыша делает, сделаю умножитель на 35 для настройки

_________________
Я прийшов так і було.


Вернуться наверх
 
Не в сети
 Заголовок сообщения: Re: Широкополосный приемник на ТВ тюнере
СообщениеДобавлено: Вт авг 07, 2012 11:53:44 
Модератор
Аватар пользователя

Карма: 158
Рейтинг сообщений: 1600
Зарегистрирован: Пт апр 28, 2006 15:26:07
Сообщений: 11940
Откуда: Россия.
Рейтинг сообщения: 0
Медали: 2
Мявтор 3-й степени (1) Лучший человек Форума 2017 (1)
LOMASTER.at.ua писал(а):
вместо катушки гетеродина приемника впаял контур на 38 мгц от смрк другого и параллельно нему кандер 100 пф
Не важно какую катушку там припаял. Главное, что бы гетеродин генерировал частоту в районе 46 мгц, а входной контур должен быть настроен на частоту порядка 36 мгц, а точнее на 10,7 мгц меньше, чем частота гетеродина и это нужно проконтролировать.


Вернуться наверх
 
Не в сети
 Заголовок сообщения: Re: Широкополосный приемник на ТВ тюнере
СообщениеДобавлено: Пт авг 24, 2012 02:32:28 
Нашел транзистор. Понюхал.
Аватар пользователя

Зарегистрирован: Чт авг 04, 2011 21:25:35
Сообщений: 158
Откуда: Украина, Краснодон
Рейтинг сообщения: 0
ну приемник уже наверное настроен как надо

_________________
Я прийшов так і було.


Вернуться наверх
 
Не в сети
 Заголовок сообщения: Re: Широкополосный приемник на ТВ тюнере
СообщениеДобавлено: Вс сен 16, 2012 13:43:51 
Встал на лапы

Карма: -18
Рейтинг сообщений: -99
Зарегистрирован: Сб сен 18, 2010 16:21:29
Сообщений: 130
Рейтинг сообщения: 0
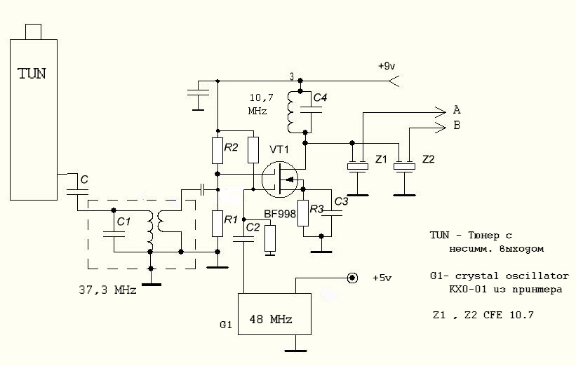
Скажите,а будет работать такой смеситель ? (схема прикреплена) к выводам A и B подключены АМ и NFM приемники (АМ на cxa1538 ; NFM -на mc3361 , включенные по типичным схемам включения) или там какой делитель на затворе лишний?


Вложения:
смес1.jpg [123.46 KiB]
Скачиваний: 1302
Вернуться наверх
 
Не в сети
 Заголовок сообщения: Re: Широкополосный приемник на ТВ тюнере
СообщениеДобавлено: Вс сен 16, 2012 14:26:00 
Модератор
Аватар пользователя

Карма: 158
Рейтинг сообщений: 1600
Зарегистрирован: Пт апр 28, 2006 15:26:07
Сообщений: 11940
Откуда: Россия.
Рейтинг сообщения: 0
Медали: 2
Мявтор 3-й степени (1) Лучший человек Форума 2017 (1)
Только неделю назад делал подобное. Все работает. Делители на входе нужно ставить исходя из типа транзисторов и его номинального режима.
У меня транзистор КП306В, поэтому режимы соответствуют именно ему.
Никогда не подаю сигнал на второй затвор как у Вас, а гетеродин на первый. Как то пробовал, но не понравилось. Но это дело Ваше. Там на входе забыли нарисовать развязывающий конденсатор, хотя если на первом затворе нулевое смещение, как у меня, то его можно не ставить и соответственно R2 не нужен.
У меня на транзисторе на первом затворе нулевое смещение, на втором затворе где то 5 вольт. Напряжение гетеродина около 4 вольт, но это от типа транзистора зависит. Смотрите даташит на ваш транзистор.

Фильтры я бы поставил через отдельные катушки связи.

Изображение

Хотя не понимаю зачем там два одинаковых фильтра?
У меня в подобной схеме стоит один фильтр с истоковым повторителем и с него сигнал идет на АМ.

Изображение

А насчет Вашей схемы, то добавьте там на входе конденсатор и пробуйте. Во всяком случае я обычно на макетке проверяю.


Вложения:
22.JPG [8.01 KiB]
Скачиваний: 5582
11.JPG [36.9 KiB]
Скачиваний: 10034
Вернуться наверх
 
Не в сети
 Заголовок сообщения: Re: Широкополосный приемник на ТВ тюнере
СообщениеДобавлено: Вс сен 16, 2012 15:01:34 
Встал на лапы

Карма: -18
Рейтинг сообщений: -99
Зарегистрирован: Сб сен 18, 2010 16:21:29
Сообщений: 130
Рейтинг сообщения: 0
нулевое смещение- это прямиком с катушки связи на затвор? да..и какое соотношение витков на выходном контуре 10,7 ?



Сообщение поправил.
Правила форума почитайте.
http://www.radiokot.ru/forum/viewtopic.php?f=19&t=6538
Вот хотя бы пункт 2.7 который Вы нарушили.

Насчет нулевого смещения, то это нужно смотреть даташит на транзистор. Например КП306В может работать с нулевым напряжением на первом затворе. Если буква не "В" а другая, то нужно смотреть сколько нужно. В Вашем случае тоже в даташит посмотрите при каких напряжениях он должен работать.

aen


Вернуться наверх
 
Не в сети
 Заголовок сообщения: Re: Широкополосный приемник на ТВ тюнере
СообщениеДобавлено: Вс сен 16, 2012 15:37:33 
Модератор
Аватар пользователя

Карма: 158
Рейтинг сообщений: 1600
Зарегистрирован: Пт апр 28, 2006 15:26:07
Сообщений: 11940
Откуда: Россия.
Рейтинг сообщения: 0
Медали: 2
Мявтор 3-й степени (1) Лучший человек Форума 2017 (1)
Катушку мотал 25 витков на каркасе диаметром 6 мм. Провод 0,2 мм. Сердечник из карбонильного железа. Можно ВЧ феррит. Конденсатор в контуре 100 пф.
Катушка связи 6 витков намотанная поверх.
Данные особо не критичны, т.к. подстраивается сердечником.


Вернуться наверх
 
Не в сети
 Заголовок сообщения: Re: Широкополосный приемник на ТВ тюнере
СообщениеДобавлено: Вс сен 16, 2012 20:44:37 
Встал на лапы

Карма: -18
Рейтинг сообщений: -99
Зарегистрирован: Сб сен 18, 2010 16:21:29
Сообщений: 130
Рейтинг сообщения: 0
уже и не помню когда собирал на наших деталях. а кп306 и bf998 по-моему взаимозаменяемы полностью.


Вложения:
bf998.pdf [158.31 KiB]
Скачиваний: 703
Вернуться наверх
 
Не в сети
 Заголовок сообщения: Re: Широкополосный приемник на ТВ тюнере
СообщениеДобавлено: Вс сен 16, 2012 21:46:13 
Модератор
Аватар пользователя

Карма: 158
Рейтинг сообщений: 1600
Зарегистрирован: Пт апр 28, 2006 15:26:07
Сообщений: 11940
Откуда: Россия.
Рейтинг сообщения: 0
Медали: 2
Мявтор 3-й степени (1) Лучший человек Форума 2017 (1)
Да не все равно какие транзисторы, советские или буржуйские. Главное же принцип. Были у меня КП306, вот я их и поставил. Был бы импорт, то поставил бы его предварительно посмотрев даташиты на них.
Я же Вам КП306 ставить не предлагаю. Просто писал то, что сам делал.
Кстати и никому не желаю связываться с КП306 или с КП350, т.к. они очень статики при пайке бояться.


Вернуться наверх
 
Не в сети
 Заголовок сообщения: Re: Широкополосный приемник на ТВ тюнере
СообщениеДобавлено: Вс сен 16, 2012 21:52:45 
Встал на лапы

Карма: -18
Рейтинг сообщений: -99
Зарегистрирован: Сб сен 18, 2010 16:21:29
Сообщений: 130
Рейтинг сообщения: 0
спасибо за предупреждение))


Вернуться наверх
 
Не в сети
 Заголовок сообщения: Re: Широкополосный приемник на ТВ тюнере
СообщениеДобавлено: Вс сен 16, 2012 22:01:39 
Модератор
Аватар пользователя

Карма: 158
Рейтинг сообщений: 1600
Зарегистрирован: Пт апр 28, 2006 15:26:07
Сообщений: 11940
Откуда: Россия.
Рейтинг сообщения: 0
Медали: 2
Мявтор 3-й степени (1) Лучший человек Форума 2017 (1)
Если у Вас есть импорт, то ставьте его или наши КП327. Они внутри с защитными диодами и не особо боятся статики. Я хотя и имею опыт пайки КП306 и КП305 транзисторов, что у меня тоже много с прошлых времен осталось и то неделю назад один транзистор у меня накрылся при пайке. Просто у меня нет современных комплектующих и покупать поблизости негде, но мне нужно было сделать приемник, поэтому я с ними связался.
Хотя по параметрам эти транзисторы вполне нормальные.


Вернуться наверх
 
Не в сети
 Заголовок сообщения: Re: Широкополосный приемник на ТВ тюнере
СообщениеДобавлено: Пн сен 17, 2012 16:55:20 
Встал на лапы

Карма: -18
Рейтинг сообщений: -99
Зарегистрирован: Сб сен 18, 2010 16:21:29
Сообщений: 130
Рейтинг сообщения: 0
а как посоветуете- после фильтров 10.7 ставить УПЧ перед микрухами-приемниками или не надо- хватит собственной их чуйки?


Вернуться наверх
 
Не в сети
 Заголовок сообщения: что это за плата и от чего она?
СообщениеДобавлено: Вс дек 16, 2012 22:23:32 
Говорящий с текстолитом
Аватар пользователя

Карма: 11
Рейтинг сообщений: 65
Зарегистрирован: Сб авг 13, 2011 12:56:34
Сообщений: 1640
Откуда: Рязань
Рейтинг сообщения: 0
...

_________________
Нет таких вещей, которые нельзя было бы доказать, но есть люди, которым ничего нельзя доказать.


Вернуться наверх
 
Не в сети
 Заголовок сообщения: Re: Широкополосный приемник на ТВ тюнере
СообщениеДобавлено: Пн фев 04, 2013 22:20:19 
Встал на лапы
Аватар пользователя

Зарегистрирован: Чт май 26, 2011 17:05:29
Сообщений: 80
Откуда: СССР
Рейтинг сообщения: 0
Eсть теюнер 2000 khc подскажите распиновку и напряжение

_________________
Armin van Buuren,Dash Berlin,... We Love Trance


Вернуться наверх
 
Не в сети
 Заголовок сообщения: Re: Широкополосный приемник на ТВ тюнере
СообщениеДобавлено: Пн фев 18, 2013 21:31:32 
Открыл глаза
Аватар пользователя

Зарегистрирован: Сб апр 16, 2011 19:55:15
Сообщений: 55
Откуда: Красноярский край
Рейтинг сообщения: 0
Товарищи, что то с полосой не понял. У него АМ и ФМ переключаются, а полоса пропускания или она одна?


Вернуться наверх
 
Не в сети
 Заголовок сообщения: Переделка СК-М 24-2С под FM 87 - 108 Mhz
СообщениеДобавлено: Пн янв 19, 2015 15:10:01 
Сверлит текстолит когтями
Аватар пользователя

Карма: 7
Рейтинг сообщений: 124
Зарегистрирован: Чт апр 05, 2012 09:49:44
Сообщений: 1280
Рейтинг сообщения: 0
Нашел у себя два блока от чб телевизора - СМРК2-1 и СК-М 24-2С .
Соединил блоки как в схеме телевизора - работает , но ловит только звуковое сопровождение тв .
Можно ли переделать селектор каналов или СМРК2-1 для прослушивания радиовещательного УКВ ЧМ 87 - 108 Mhz ( FM ) ?
Частоты селектора вроде : МВ I-II 38 - 100 , МВ III 120 - 230 что чуть чуть не достает .


Вернуться наверх
 
Показать сообщения за:  Сортировать по:  Вернуться наверх
Начать новую тему Ответить на тему  [ Сообщений: 153 ]     ... , , , 6, ,  

Часовой пояс: UTC + 3 часа


Кто сейчас на форуме

Сейчас этот форум просматривают: Antero и гости: 31


Вы не можете начинать темы
Вы не можете отвечать на сообщения
Вы не можете редактировать свои сообщения
Вы не можете удалять свои сообщения
Вы не можете добавлять вложения

Найти:
Перейти:  


Powered by phpBB © 2000, 2002, 2005, 2007 phpBB Group
Русская поддержка phpBB
Extended by Karma MOD © 2007—2012 m157y
Extended by Topic Tags MOD © 2012 m157y