Например TDA7294

Форум РадиоКот • Просмотр темы - Вопросы по генератору ВЧ
Форум РадиоКот
Здесь можно немножко помяукать :)

Текущее время: Чт окт 02, 2025 15:53:13

Часовой пояс: UTC + 3 часа


ПРЯМО СЕЙЧАС:



Начать новую тему Ответить на тему  [ Сообщений: 914 ]     ... , , , 10, , , ...  
Автор Сообщение
Не в сети
 Заголовок сообщения: Re: Вопросы по генератору ВЧ
СообщениеДобавлено: Вс мар 03, 2013 22:20:46 
Модератор
Аватар пользователя

Карма: 158
Рейтинг сообщений: 1600
Зарегистрирован: Пт апр 28, 2006 15:26:07
Сообщений: 11940
Откуда: Россия.
Рейтинг сообщения: 0
Медали: 2
Мявтор 3-й степени (1) Лучший человек Форума 2017 (1)
Про такие передатчики с АМ модуляцией на транзисторах на форуме целая тема есть и повторять то, что там уже писали и не хочется и смысла нет.
Там уже все написали и нарисовали.
viewtopic.php?p=947380#p947380


Вернуться наверх
 
Не в сети
 Заголовок сообщения: Re: Вопросы по генератору ВЧ
СообщениеДобавлено: Вс мар 03, 2013 22:22:41 
Прорезались зубы
Аватар пользователя

Карма: -1
Рейтинг сообщений: -7
Зарегистрирован: Пн янв 21, 2013 09:44:15
Сообщений: 242
Откуда: Бадамдар
Рейтинг сообщения: 0
Так мне что, всю тему перечитывать? :))

_________________
Изображение


Вернуться наверх
 
Не в сети
 Заголовок сообщения: Re: Вопросы по генератору ВЧ
СообщениеДобавлено: Пн мар 04, 2013 00:33:35 
Друг Кота
Аватар пользователя

Карма: 72
Рейтинг сообщений: 1153
Зарегистрирован: Чт ноя 20, 2008 04:20:48
Сообщений: 8063
Откуда: КурскЪ
Рейтинг сообщения: 1
Конечно же да!!!!
И книги тоже.

_________________
Принимаю вас 595+40db на уровне шумов на кухонный приёмник,антенна наружка-магнитная катушка..работает "Акация",вот такая информация.Роман.73!!!
"50 КСВ 075", UA3112SWL
Изображение


Вернуться наверх
 
Не в сети
 Заголовок сообщения: Re: Вопросы по генератору ВЧ
СообщениеДобавлено: Пн мар 04, 2013 00:43:59 
Друг Кота
Аватар пользователя

Карма: 72
Рейтинг сообщений: 1153
Зарегистрирован: Чт ноя 20, 2008 04:20:48
Сообщений: 8063
Откуда: КурскЪ
Рейтинг сообщения: 0
АМ передатчик.
Вложение:
6f028040444a.jpg [112.34 KiB]
Скачиваний: 1060

_________________
Принимаю вас 595+40db на уровне шумов на кухонный приёмник,антенна наружка-магнитная катушка..работает "Акация",вот такая информация.Роман.73!!!
"50 КСВ 075", UA3112SWL
Изображение


Вернуться наверх
 
Не в сети
 Заголовок сообщения: Генератор ВЧ. Народный суд))
СообщениеДобавлено: Вс мар 10, 2013 17:31:52 
Встал на лапы
Аватар пользователя

Зарегистрирован: Вс мар 03, 2013 16:40:40
Сообщений: 82
Рейтинг сообщения: 0
Здравствуйте. Вот рассчитал и сделал я схему генератора ВЧ, но сомневаюсь что она работает. Поэтому прошу вас всех оценить и сказать рабочая у меня схема вышла или нет, и если нет, то где ошибка(и). На выходе если включаю +12В от ATX блока питания компа 2В переменного (вроде.... мультиметр явно меня дурит :dont_know: ), а если поставить батарейку CR2016 3В, то на выходе 0.5В. Короче меня пожирают сомнения. Я начинающий радиолюбитель, так что не судите строго.

Схема.
http://s002.radikal.ru/i199/1303/6c/cdc3d31717fd.jpg
Так выглядит.
http://s45.radikal.ru/i107/1303/1d/2ee4099aa0b9.jpg



Тема дубль.
Сюда перенес.

aen


Вернуться наверх
 
Не в сети
 Заголовок сообщения: Re: Генератор ВЧ. Народный суд))
СообщениеДобавлено: Вс мар 10, 2013 17:46:34 
Друг Кота
Аватар пользователя

Карма: 64
Рейтинг сообщений: 1099
Зарегистрирован: Ср ноя 17, 2010 23:10:55
Сообщений: 5837
Откуда: Ижевск LO66NU
Рейтинг сообщения: 0
Нет положительного смещения на базе. Транзистор постоянно заперт....

_________________
В начале жизнь мучает вопросами, в конце - ответами...


Вернуться наверх
 
Не в сети
 Заголовок сообщения: Re: Вопросы по генератору ВЧ
СообщениеДобавлено: Вс мар 10, 2013 17:48:26 
Встал на лапы
Аватар пользователя

Зарегистрирован: Вс мар 03, 2013 16:40:40
Сообщений: 82
Рейтинг сообщения: 0
Как исправить? :facepalm:


Вернуться наверх
 
Не в сети
 Заголовок сообщения: Re: Вопросы по генератору ВЧ
СообщениеДобавлено: Вс мар 10, 2013 17:53:45 
Друг Кота
Аватар пользователя

Карма: 64
Рейтинг сообщений: 1099
Зарегистрирован: Ср ноя 17, 2010 23:10:55
Сообщений: 5837
Откуда: Ижевск LO66NU
Рейтинг сообщения: 0
Припаять резистор между коллектором и базой номиналом раз в 5-10 больше, чем Rc.

_________________
В начале жизнь мучает вопросами, в конце - ответами...


Вернуться наверх
 
Не в сети
 Заголовок сообщения: Re: Вопросы по генератору ВЧ
СообщениеДобавлено: Вс мар 10, 2013 17:55:28 
Встал на лапы
Аватар пользователя

Зарегистрирован: Вс мар 03, 2013 16:40:40
Сообщений: 82
Рейтинг сообщения: 0
Сейчас сделаем... :solder: спасибо


Вернуться наверх
 
Не в сети
 Заголовок сообщения: Re: Вопросы по генератору ВЧ
СообщениеДобавлено: Вс мар 10, 2013 17:57:46 
Друг Кота
Аватар пользователя

Карма: 64
Рейтинг сообщений: 1099
Зарегистрирован: Ср ноя 17, 2010 23:10:55
Сообщений: 5837
Откуда: Ижевск LO66NU
Рейтинг сообщения: 0
R1 на максимум сопротивления выкрутите.

_________________
В начале жизнь мучает вопросами, в конце - ответами...


Вернуться наверх
 
Не в сети
 Заголовок сообщения: Re: Вопросы по генератору ВЧ
СообщениеДобавлено: Вс мар 10, 2013 18:07:58 
Встал на лапы
Аватар пользователя

Зарегистрирован: Вс мар 03, 2013 16:40:40
Сообщений: 82
Рейтинг сообщения: 0
http://s003.radikal.ru/i202/1303/2c/4b27c76ab486.jpg вот так? его или нужно перед Cр


Вернуться наверх
 
Не в сети
 Заголовок сообщения: Re: Вопросы по генератору ВЧ
СообщениеДобавлено: Вс мар 10, 2013 18:15:04 
Модератор
Аватар пользователя

Карма: 158
Рейтинг сообщений: 1600
Зарегистрирован: Пт апр 28, 2006 15:26:07
Сообщений: 11940
Откуда: Россия.
Рейтинг сообщения: 0
Медали: 2
Мявтор 3-й степени (1) Лучший человек Форума 2017 (1)
Изображение


Вложения:
1.JPG [27.55 KiB]
Скачиваний: 761
Вернуться наверх
 
Не в сети
 Заголовок сообщения: Re: Вопросы по генератору ВЧ
СообщениеДобавлено: Вс мар 10, 2013 18:20:36 
Встал на лапы
Аватар пользователя

Зарегистрирован: Вс мар 03, 2013 16:40:40
Сообщений: 82
Рейтинг сообщения: 0
Т.е. я не правильно Rс поставил. Выходит так...


Вернуться наверх
 
Не в сети
 Заголовок сообщения: Re: Вопросы по генератору ВЧ
СообщениеДобавлено: Вс мар 10, 2013 18:22:09 
Друг Кота
Аватар пользователя

Карма: 64
Рейтинг сообщений: 1099
Зарегистрирован: Ср ноя 17, 2010 23:10:55
Сообщений: 5837
Откуда: Ижевск LO66NU
Рейтинг сообщения: 0
С коллектора, не с контура! :evil:

_________________
В начале жизнь мучает вопросами, в конце - ответами...


Вернуться наверх
 
Не в сети
 Заголовок сообщения: Re: Вопросы по генератору ВЧ
СообщениеДобавлено: Вс мар 10, 2013 18:27:50 
Встал на лапы
Аватар пользователя

Зарегистрирован: Вс мар 03, 2013 16:40:40
Сообщений: 82
Рейтинг сообщения: 0
svic писал(а):
С коллектора, не с контура! :evil:

В смысле... не путайте пожалуйста новичка. То что мне тут скинули фотку с 150к это верно или нет? :dont_know:


Вернуться наверх
 
Не в сети
 Заголовок сообщения: Re: Вопросы по генератору ВЧ
СообщениеДобавлено: Вс мар 10, 2013 18:30:10 
Друг Кота
Аватар пользователя

Карма: 64
Рейтинг сообщений: 1099
Зарегистрирован: Ср ноя 17, 2010 23:10:55
Сообщений: 5837
Откуда: Ижевск LO66NU
Рейтинг сообщения: 0
Да, верно. (Варианты равнозначны, объяснения позже).

_________________
В начале жизнь мучает вопросами, в конце - ответами...


Вернуться наверх
 
Не в сети
 Заголовок сообщения: Re: Вопросы по генератору ВЧ
СообщениеДобавлено: Вс мар 10, 2013 18:39:58 
Встал на лапы
Аватар пользователя

Зарегистрирован: Вс мар 03, 2013 16:40:40
Сообщений: 82
Рейтинг сообщения: 0
я вроде понял.... :solder: спасибо


Вернуться наверх
 
Не в сети
 Заголовок сообщения: Re: Вопросы по генератору ВЧ
СообщениеДобавлено: Ср апр 03, 2013 01:03:04 
Встал на лапы
Аватар пользователя

Зарегистрирован: Вс мар 03, 2013 16:40:40
Сообщений: 82
Рейтинг сообщения: 0
Вот что товарищи.... Я долго разбирался в своей схеме.... Спаял по той схеме (см. выше) что вы исправили мне, проверил на осциллографе друга. Результата нет. :facepalm: Генератор не работает. :facepalm: Нашёл в интернете наверно известный вам симулятор схем Multisim. Прогнал свою схему там. Выяснилось что колебания есть но это как мне подсказали просто шум. :shock: Амплитуда там показывала pV (пикоВольты) или даже fV. :shock: Короче решил так, что раз схему изначально я брал из книжки по радиотехнике для связистов 1963г выпуска, и там вместо транзистора стоял триод, то эта схема будет работать только с лампой, а для транзистора не подходит. :idea:

Дали мне схему металлоискателя самодельного и там есть генератор на 19кГц. Я взял эту схемку и стал думать как сделать из неё ВЧ. Путём небольших расчётов и великого и могущественного метода под названием МЕТОД ТЫКА он же ПАЛЬЦЕМ В НЕБО :solder: , а так же ритуалом "Гадание На Кофейной Гуще" :tea: получился генератор ВЧ на 1.03 МГц с амплитудой 920мВ ну короче почти 1В. Я счастлив))) И хочу поделиться радостью. :))) :)) Но я хочу понять почему всё таки предыдущая схема генератора не работает даже после ваших исправлений? Или мне не всё сказали или вы не правильно поняли или я не правильно понял. Ведь я вижу что файл с исправленной схемой скачен уже 73 раза! Так работает он или нет? Почему приборы показывают что он не работает если работает? :solder:


Вернуться наверх
 
Не в сети
 Заголовок сообщения: Re: Вопросы по генератору ВЧ
СообщениеДобавлено: Ср апр 03, 2013 02:22:05 
Мучитель микросхем
Аватар пользователя

Карма: 4
Рейтинг сообщений: 49
Зарегистрирован: Сб авг 25, 2007 22:02:05
Сообщений: 424
Откуда: Германия, Viernheim
Рейтинг сообщения: 0
WolfLSS
схема выше - генератор Колпитца, только какой то он перекрученный, поищите в интернете все что касаемо генераторов Колпитца(емкостная трехточка) и перерисуйте(естественно взяв за основу схемы на биполярных транзисторах, так как у полевиков и триодов физика немного иная), уверен после этих нехитрых манипуляций он заработает

_________________
Коктейль "Рекурсивный": 20% спирта, 30% воды, 50% коктейля "Рекурсивный"...


Вернуться наверх
 
Не в сети
 Заголовок сообщения: Re: Вопросы по генератору ВЧ
СообщениеДобавлено: Ср апр 03, 2013 12:00:33 
Модератор
Аватар пользователя

Карма: 158
Рейтинг сообщений: 1600
Зарегистрирован: Пт апр 28, 2006 15:26:07
Сообщений: 11940
Откуда: Россия.
Рейтинг сообщения: 0
Медали: 2
Мявтор 3-й степени (1) Лучший человек Форума 2017 (1)
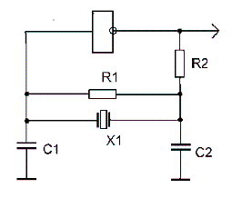
unalex писал(а):
схема выше - генератор Колпитца
Схема выше это генератор Пирса.
Тоже является емкостной трехточкой.
Упрощенно для понятия принципа работы данную схему можно нарисовать так.

Изображение

У ТС не заработала из за неправильно выбранных элементов схемы и вероятно неправильного режима транзистора по постоянному току.
Генератор Пирса в таком виде применяется очень редко, но часто применяется в схемах с кварцем.

Изображение

Кварц в данной схеме работает на частоте близкой к частоте параллельного резонанса кварца.
Практически во всех МК и БИС-ах, СИС-ах, например К176ИЕ18 внутренние генераторы работают именно по схеме генератора Пирса.

Изображение


Вложения:
1.JPG [3.31 KiB]
Скачиваний: 1268
1.GIF [3.41 KiB]
Скачиваний: 1415
1.JPG [8.33 KiB]
Скачиваний: 1629
Вернуться наверх
 
Показать сообщения за:  Сортировать по:  Вернуться наверх
Начать новую тему Ответить на тему  [ Сообщений: 914 ]     ... , , , 10, , , ...  

Часовой пояс: UTC + 3 часа


Кто сейчас на форуме

Сейчас этот форум просматривают: нет зарегистрированных пользователей и гости: 46


Вы не можете начинать темы
Вы не можете отвечать на сообщения
Вы не можете редактировать свои сообщения
Вы не можете удалять свои сообщения
Вы не можете добавлять вложения

Найти:
Перейти:  


Powered by phpBB © 2000, 2002, 2005, 2007 phpBB Group
Русская поддержка phpBB
Extended by Karma MOD © 2007—2012 m157y
Extended by Topic Tags MOD © 2012 m157y