Например TDA7294

Форум РадиоКот • Просмотр темы - Антенна радиостанции.
Форум РадиоКот
Здесь можно немножко помяукать :)

Текущее время: Сб ноя 08, 2025 11:56:11

Часовой пояс: UTC + 3 часа


ПРЯМО СЕЙЧАС:



Начать новую тему Ответить на тему  [ Сообщений: 966 ]     ... , , , 21, , , ...  
Автор Сообщение
Не в сети
 Заголовок сообщения: Re: Мелкие вопросы по радиотехнике
СообщениеДобавлено: Чт янв 31, 2013 00:32:42 
Модератор
Аватар пользователя

Карма: 158
Рейтинг сообщений: 1600
Зарегистрирован: Пт апр 28, 2006 15:26:07
Сообщений: 11940
Откуда: Россия.
Рейтинг сообщения: 0
Медали: 2
Мявтор 3-й степени (1) Лучший человек Форума 2017 (1)
Masta писал(а):
на мощности в районе 40-50 Вт.
Я бы поостерегся работать на такой мощности с примитивным "хвостиком" с несовершенным противовесом.
Согласовать путем вряд ли удастся и есть вероятность выхода из строя выходного транзистора УМ.
На 10 вт я еще работал с подобной антенной, а вот на 50 вт я бы не решился.
Да и то у меня на выходе стоял "дубовый" КТ907 на радиаторе.


Вернуться наверх
 
Не в сети
 Заголовок сообщения: Re: Мелкие вопросы по радиотехнике
СообщениеДобавлено: Чт янв 31, 2013 20:56:54 
Встал на лапы
Аватар пользователя

Карма: 1
Рейтинг сообщений: 2
Зарегистрирован: Пн окт 10, 2011 18:01:14
Сообщений: 85
Рейтинг сообщения: 0
а как такой вариант, я ставлю мощность 10 вт например, добиваюсь хорошего ксв а потом прибавляю до максимума, опять же контролируя ксв?


и еще просветите (это не относится к предыдущему устройству), есть ли смысл делать штырь больше чем четвертьволны, например полволны?


Вернуться наверх
 
Не в сети
 Заголовок сообщения: Re: Мелкие вопросы по радиотехнике
СообщениеДобавлено: Чт янв 31, 2013 21:19:25 
Открыл глаза
Аватар пользователя

Зарегистрирован: Сб апр 16, 2011 19:55:15
Сообщений: 55
Откуда: Красноярский край
Рейтинг сообщения: 0
Конечно есть, параметры улучшатся.


Вернуться наверх
 
Не в сети
 Заголовок сообщения: Re: Мелкие вопросы по радиотехнике
СообщениеДобавлено: Чт янв 31, 2013 21:22:01 
Друг Кота

Карма: 27
Рейтинг сообщений: 206
Зарегистрирован: Чт ноя 26, 2009 11:16:50
Сообщений: 6015
Откуда: Москва
Рейтинг сообщения: 0
На УКВ это активно практикуется, т.к. бОьшая антенна может иметь бОльшее усиление. Например, популярна антенна "пять восьмых".


Вернуться наверх
 
Эиком - электронные компоненты и радиодетали
Не в сети
 Заголовок сообщения: Re: Мелкие вопросы по радиотехнике
СообщениеДобавлено: Чт янв 31, 2013 21:23:00 
Модератор
Аватар пользователя

Карма: 158
Рейтинг сообщений: 1600
Зарегистрирован: Пт апр 28, 2006 15:26:07
Сообщений: 11940
Откуда: Россия.
Рейтинг сообщения: 0
Медали: 2
Мявтор 3-й степени (1) Лучший человек Форума 2017 (1)
Masta писал(а):
например полволны?
Можно и даже будет в данном случае лучше, только между передатчиком и такой антенной нужно включить согласующее устройство, т.к. передатчик работает с антеннами с сопротивлением 50 ом, а у полуволнового штыря это сопротивление намного больше.
Часто согласующее устройство представляет из себя катушку с отводом или колебательный контур с отводом или так.

Изображение


Вложения:
1.JPG [4.38 KiB]
Скачиваний: 1626
Вернуться наверх
 
Не в сети
 Заголовок сообщения: Re: Мелкие вопросы по радиотехнике
СообщениеДобавлено: Чт янв 31, 2013 22:15:43 
Встал на лапы
Аватар пользователя

Карма: 1
Рейтинг сообщений: 2
Зарегистрирован: Пн окт 10, 2011 18:01:14
Сообщений: 85
Рейтинг сообщения: 0
SmarTrunk писал(а):
На УКВ это активно практикуется, т.к. бОьшая антенна может иметь бОльшее усиление. Например, популярна антенна "пять восьмых".

но пять восьмых это уже не штырь а J-антенна правильно?
ну ничего, как придёт ксв-метр наэксперементируюсь

1. я так понимаю чем больше сопротивление тем меньше выходная мощность антенны?
2. Как с сопротивлением у четверьволнового штыря?
3. В каком случае больше вероятность сгорания выходного транзистора, если сопротивление антенны больше 50 или меньше?


Вернуться наверх
 
Не в сети
 Заголовок сообщения: Re: Мелкие вопросы по радиотехнике
СообщениеДобавлено: Чт янв 31, 2013 22:28:46 
Модератор
Аватар пользователя

Карма: 158
Рейтинг сообщений: 1600
Зарегистрирован: Пт апр 28, 2006 15:26:07
Сообщений: 11940
Откуда: Россия.
Рейтинг сообщения: 0
Медали: 2
Мявтор 3-й степени (1) Лучший человек Форума 2017 (1)
Masta писал(а):
но пять восьмых это уже не штырь а J-антенна правильно?
Все не так.
J-антенна может быть любой в том числе и 5/8 и 1/2

J-согласование, это один из частных случаев согласования с помощью колебательного контура, только колебательный контур сделан в виде четвертьволновой длинной линии замкнутой на конце.
aen писал(а):
Часто согласующее устройство представляет из себя колебательный контур с отводом.


Masta писал(а):
я так понимаю чем больше сопротивление тем меньше выходная мощность антенны?
Неправильно понимаете.
Если антенна согласована с выходом передатчика (фидером) то мощность не зависит от волнового сопротивления антенны.


Вернуться наверх
 
Не в сети
 Заголовок сообщения: Re: Мелкие вопросы по радиотехнике
СообщениеДобавлено: Чт янв 31, 2013 22:59:36 
Встал на лапы
Аватар пользователя

Карма: 1
Рейтинг сообщений: 2
Зарегистрирован: Пн окт 10, 2011 18:01:14
Сообщений: 85
Рейтинг сообщения: 0
aen писал(а):
Неправильно понимаете.
Если антенна согласована с выходом передатчика (фидером) то мощность не зависит от волнового сопротивления антенны.

А в случае если не согласована? Катушки контуры это для меня тёмный мир а устройства нужны срочно
Волновое сопротивление зависит от длины антены? именно так я думал добиться наилучшего ксв


и что насчет вот этого
Цитата:
В каком случае больше вероятность сгорания выходного транзистора, если сопротивление антенны больше 50 или меньше?


Вернуться наверх
 
Не в сети
 Заголовок сообщения: Re: Мелкие вопросы по радиотехнике
СообщениеДобавлено: Пт фев 01, 2013 07:47:14 
Друг Кота
Аватар пользователя

Карма: 64
Рейтинг сообщений: 1099
Зарегистрирован: Ср ноя 17, 2010 23:10:55
Сообщений: 5837
Откуда: Ижевск LO66NU
Рейтинг сообщения: 0
Срочно читайте теорию. Согласование - это трансформация сопротивления с одновременной компенсацией реактивной составляющей, которую и осуществляет согласующее устройство (тюнер). Мощность - это произведение напряжения, тока и угла (косинуса угла) сдвига фазы между ними в нагрузке, если реактивная составляющая скомпенсирована (угол равен нулю, косинус, само-собой, единице), то сдвига нет и остается только произведение напряжения на ток. Для высокоомных антенн СУ повышает напряжение, для низкоомных - понижает (токи при этом либо уменьшаются, либо увеличиваются), произведение же (мощность) остается постоянным, равным мощности выходного каскада передатчика. В самОм СУ со стороны передатчика соотношение напряжения к току (сопротивление) остается неизменным, равным выходному сопротивлению усилителя мощности, поэтому транзисторы не сгорают.
Раз уж Вы собрались приобретать рефлектометр, то хотя-бы разберитесь досконально что именно этот зверь показывает...

_________________
В начале жизнь мучает вопросами, в конце - ответами...


Вернуться наверх
 
Не в сети
 Заголовок сообщения: Re: Мелкие вопросы по радиотехнике
СообщениеДобавлено: Пт фев 01, 2013 09:38:56 
Друг Кота

Карма: 27
Рейтинг сообщений: 206
Зарегистрирован: Чт ноя 26, 2009 11:16:50
Сообщений: 6015
Откуда: Москва
Рейтинг сообщения: 0
svic писал(а):
Срочно читайте теорию.
Это жестокий совет, особенно если начать с "Электродинамики..." автор, кажется, Никольский. В любом случае, надо начать что-то читать, есть и более популярные книги


Вернуться наверх
 
Не в сети
 Заголовок сообщения: Re: Мелкие вопросы по радиотехнике
СообщениеДобавлено: Сб фев 02, 2013 00:18:03 
Встал на лапы
Аватар пользователя

Карма: 1
Рейтинг сообщений: 2
Зарегистрирован: Пн окт 10, 2011 18:01:14
Сообщений: 85
Рейтинг сообщения: 0
а может ктонибудь выложить фото простого согласующего П контура как он выглядить в реальности, оформление интересует. Отдельным блоком или уместить внутрь прибора

и насчет вот такой антенны http://www.cb-ufa.ru/img/images/lsl.jpg - имеет значение какой толщины противовес, если оба плеча сделать из медной проволоки 1 мм нормально будет?


Вернуться наверх
 
Не в сети
 Заголовок сообщения: Re: Мелкие вопросы по радиотехнике
СообщениеДобавлено: Сб фев 02, 2013 00:43:04 
Модератор
Аватар пользователя

Карма: 158
Рейтинг сообщений: 1600
Зарегистрирован: Пт апр 28, 2006 15:26:07
Сообщений: 11940
Откуда: Россия.
Рейтинг сообщения: 0
Медали: 2
Мявтор 3-й степени (1) Лучший человек Форума 2017 (1)
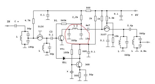
П-контур, это обычный параллельный колебательный контур и требования к нему такие же, как и к любым другим контурам.

Изображение

Конкретная конструкция любого контура зависят от рабочей частоты и мощности, на которой работает колебательный контур.

П-контур можно ставить не только на выходе передатчика. Его часто ставят на входе или выходе УВЧ или смесителя или между каскадами УВЧ.
Вот например П-контур стоит на выходе смесителя в приемнике.


Изображение

Т.е. П-контур, это по сути обычный контур и требования к нему такие же.

Masta писал(а):
и насчет вот такой антенны
Нормально будет, но на кабель возле антенны нужно одеть несколько ферритовых колец.

Изображение


Вложения:
1.JPG [4.01 KiB]
Скачиваний: 1361
2.JPG [22.83 KiB]
Скачиваний: 1196
1.GIF [3.26 KiB]
Скачиваний: 1629
Вернуться наверх
 
Не в сети
 Заголовок сообщения: Re: Мелкие вопросы по радиотехнике
СообщениеДобавлено: Сб фев 02, 2013 07:43:22 
Друг Кота
Аватар пользователя

Карма: 95
Рейтинг сообщений: 1815
Зарегистрирован: Ср дек 07, 2011 18:17:50
Сообщений: 6348
Откуда: Western Siberia
Рейтинг сообщения: 0
Я использую одно большое ферритовое (НМ-3000) кольцо рядом с подключением антенны.
Просто рабочим кабелем ,делается запорный дроссель. И прячется в герметичную распред коробку.


Вернуться наверх
 
Не в сети
 Заголовок сообщения: Re: Мелкие вопросы по радиотехнике
СообщениеДобавлено: Сб фев 02, 2013 08:29:36 
Открыл глаза
Аватар пользователя

Зарегистрирован: Сб апр 16, 2011 19:55:15
Сообщений: 55
Откуда: Красноярский край
Рейтинг сообщения: 0
У меня подобная антеннка на 11метров, только горизонтальная. Толщина плеч 5мм, но ферритовых колец не ставил. Просто один виток ВЧдросселя сделал. Наводок ни каких нет. Для дальних связей идёт хорошо.
Возникнет вопрос: "Где взял 5мм?" От связного провода. Унего сердцевина стальная, а поверх медная трубка мм3 будет.
Но я не отговариваю не ставить кольца, это мой эксперимент, и всёж тоже посоветую поставить. Просто у меня их нет. :))


Вернуться наверх
 
Не в сети
 Заголовок сообщения: Re: Мелкие вопросы по радиотехнике
СообщениеДобавлено: Сб фев 02, 2013 10:00:48 
Электрический кот

Карма: 7
Рейтинг сообщений: 33
Зарегистрирован: Ср авг 08, 2012 17:50:22
Сообщений: 1056
Рейтинг сообщения: 0
Цитата:
От связного провода. Унего сердцевина стальная, а поверх медная трубка

и медь бывает сверху и алюминий - биметаллом называется
ВСЕГДА НА СВЯЗИ писал(а):
Просто у меня их нет

Nikson1 писал(а):
Я использую одно большое ферритовое (НМ-3000) кольцо рядом с подключением антенны

До можно использовать любые сердечники с высокой магнитной проницаемостью
сердечники от различных ТВС, ТДКС, от ОС телевизоров и мониторов (старых ЭЛТ) и т.п.
сердечники от фильтров, трансформаторов различных ИБП в т.ч. и от компьютерных


Вернуться наверх
 
Не в сети
 Заголовок сообщения: Re: Мелкие вопросы по радиотехнике
СообщениеДобавлено: Сб фев 02, 2013 10:15:11 
Друг Кота
Аватар пользователя

Карма: 64
Рейтинг сообщений: 1099
Зарегистрирован: Ср ноя 17, 2010 23:10:55
Сообщений: 5837
Откуда: Ижевск LO66NU
Рейтинг сообщения: 0
Masta писал(а):
как он выглядить в реальности, оформление интересует.
Катушка и два кондера, конструктив - на личный вкус. Электрические характеристики считаем калькулятором, физические параметры катушки - coil-32.

_________________
В начале жизнь мучает вопросами, в конце - ответами...


Вернуться наверх
 
Не в сети
 Заголовок сообщения: Re: Мелкие вопросы по радиотехнике
СообщениеДобавлено: Сб фев 02, 2013 22:29:51 
Встал на лапы
Аватар пользователя

Карма: 1
Рейтинг сообщений: 2
Зарегистрирован: Пн окт 10, 2011 18:01:14
Сообщений: 85
Рейтинг сообщения: 0
Значит для расчета П контура мне потребуется выходное сопротивление усилителя и сопротивление антенны, которое остаётся неизвестным. Как быть?
Усилитель вот этот, какое у него сопротивление, 50 Ом?
и еще там есть параметры "Холостая добротность" и "Нагруженная добротность", их стоит менять?

Цитата:
J-антенна может быть любой в том числе и 5/8 и 1/2

J-согласование, это один из частных случаев согласования с помощью колебательного контура, только колебательный контур сделан в виде четвертьволновой длинной линии замкнутой на конце.

тоесть в таком случае мне не нужно делать сокгласующий контур и противовес?


Вернуться наверх
 
Не в сети
 Заголовок сообщения: Re: Мелкие вопросы по радиотехнике
СообщениеДобавлено: Вс фев 03, 2013 00:43:07 
Электрический кот

Карма: 7
Рейтинг сообщений: 33
Зарегистрирован: Ср авг 08, 2012 17:50:22
Сообщений: 1056
Рейтинг сообщения: 0
Masta писал(а):
Усилитель вот этот, какое у него сопротивление, 50 Ом?


для этого усилителя П контур не нужен, он уже есть в самой сборке
входное и выходное сопротивление его 50 Ом

Цитата:
тоесть в таком случае мне не нужно делать согласующий контур и противовес?


да, ничего делать не нужно

ps согласовку антенны с УМ необходимо производить при минимальной мощности (!),
при которой еще работает КСВ - метр
иначе существует риск повреждения УМ


Последний раз редактировалось SVHKOTOK Вс фев 03, 2013 00:52:16, всего редактировалось 1 раз.

Вернуться наверх
 
Не в сети
 Заголовок сообщения: Re: Мелкие вопросы по радиотехнике
СообщениеДобавлено: Вс фев 03, 2013 00:49:44 
Держит паяльник хвостом
Аватар пользователя

Карма: -1
Рейтинг сообщений: 120
Зарегистрирован: Пт май 20, 2011 10:14:14
Сообщений: 945
Откуда: Киев
Рейтинг сообщения: 0
Сопротивление усилителя 50 Ом - на второй странице даташита.
Не советовал бы я 30-ваттный усилитель напрямую подключать к антенне - на расстоянии 2 м от антенны плотность потока ЭМИ раз в 6 превышает предельно допустимую для обслуживающего персонала. Здоровье не купишь.
А если подсоединять антенну через кабель, то нагрузка 50 или 75 Ом, по кабелю.


Вернуться наверх
 
Не в сети
 Заголовок сообщения: Re: Мелкие вопросы по радиотехнике
СообщениеДобавлено: Вс фев 03, 2013 09:33:50 
Друг Кота
Аватар пользователя

Карма: 64
Рейтинг сообщений: 1099
Зарегистрирован: Ср ноя 17, 2010 23:10:55
Сообщений: 5837
Откуда: Ижевск LO66NU
Рейтинг сообщения: 0
Masta писал(а):
Значит для расчета П контура мне потребуется выходное сопротивление усилителя и сопротивление антенны, которое остаётся неизвестным. Как быть?
Ну, про усилитель Вы уже поняли, а сопротивление антенны проще всего узнать так, или спаять какой-нибудь антенноскоп.
П-контура внутри сборки скорее всего нет, АЧХ сформирована корректирующими цепями в промежуточных каскадах.
Про добротности сказано в самом калькуляторе : для ламп надо брать 10-20, для транзюков - 5-8, холостую - 200-300. Хотите просечь точнее - поиграйтесь с этими величинами - увидите, что будет с токами и КПД....

_________________
В начале жизнь мучает вопросами, в конце - ответами...


Вернуться наверх
 
Показать сообщения за:  Сортировать по:  Вернуться наверх
Начать новую тему Ответить на тему  [ Сообщений: 966 ]     ... , , , 21, , , ...  

Часовой пояс: UTC + 3 часа


Кто сейчас на форуме

Сейчас этот форум просматривают: нет зарегистрированных пользователей и гости: 21


Вы не можете начинать темы
Вы не можете отвечать на сообщения
Вы не можете редактировать свои сообщения
Вы не можете удалять свои сообщения
Вы не можете добавлять вложения

Найти:
Перейти:  


Powered by phpBB © 2000, 2002, 2005, 2007 phpBB Group
Русская поддержка phpBB
Extended by Karma MOD © 2007—2012 m157y
Extended by Topic Tags MOD © 2012 m157y