Например TDA7294

Форум РадиоКот • Просмотр темы - УКВ приемник средней сложности.
Форум РадиоКот
Здесь можно немножко помяукать :)

Текущее время: Вс дек 14, 2025 13:32:58

Часовой пояс: UTC + 3 часа


ПРЯМО СЕЙЧАС:



Начать новую тему Ответить на тему  [ Сообщений: 613 ]     ... , , , 22, , , ...  
Автор Сообщение
Не в сети
 Заголовок сообщения: Re: УКВ приемник средней сложности.
СообщениеДобавлено: Чт мар 22, 2018 16:49:36 
Друг Кота
Аватар пользователя

Карма: 107
Рейтинг сообщений: 3304
Зарегистрирован: Сб фев 11, 2017 15:59:13
Сообщений: 14791
Откуда: 57 RUS
Рейтинг сообщения: 0
olegue писал(а):
Не понятно только как удерживаются ножки деталей и почему не падают вниз.

Используй пистоны:
Изображение
olegue писал(а):
А какие еще свойства колебательного контура изменяются?

Добротность уменьшается, поэтому контурные FM катушки стараются делать безкаркасными.

_________________
НАРОДОВЛАСТИЕ а не дерьмократия!!!
Суверенным и независимым может считаться только то государство, против которого англосаксонские разносчики кланово-олигархической дерьмократии и еврогейских "ценностей" со своими пособниками ввели санкции!


Вернуться наверх
 
Не в сети
 Заголовок сообщения: Re: УКВ приемник средней сложности.
СообщениеДобавлено: Чт мар 22, 2018 17:31:07 
Мудрый кот
Аватар пользователя

Карма: 19
Рейтинг сообщений: 166
Зарегистрирован: Сб окт 10, 2009 17:16:58
Сообщений: 1732
Откуда: Россия.
Рейтинг сообщения: 3
А какие еще свойства колебательного контура изменяются? Полоса пропускания, например?
Что бы не снижать сильно добротность катушек, на частотах 20 МГц и выше нужно применять только ВЧ ферриты. Магнитная проницаемость этих ферритов лежит в пределах 10 - 50.
Также возможно применять сердечники из карбонильного железа.
Понятно, что если снижается добротность, то расширяется полоса пропускания.
Понятно, что для настройки катушек работающих на частотах 10 - 100 МГц не следует применять сердечники, что применяются для настройки контуров на частотах 500 - 1000 кГц, в частности от контуров ПЧ 465 кГц
Сердечники из латуни для подстройки можно применять на любых частотах.


Вернуться наверх
 
Не в сети
 Заголовок сообщения: Re: УКВ приемник средней сложности.
СообщениеДобавлено: Чт мар 22, 2018 18:14:25 
Собутыльник Кота
Аватар пользователя

Карма: 47
Рейтинг сообщений: 911
Зарегистрирован: Ср дек 04, 2013 14:37:35
Сообщений: 2879
Откуда: Санкт Петербург
Рейтинг сообщения: 0
При трассировке в Лэйауте, выбирается сетка, кратная дюймам - 2,54 или 1,27 мм. Детали имеют выводы, не строго соответствующие сетке. Поэтому, при установке, выводы чуток подгибаются. Это не даёт деталям упасть на плату. Кроме того, я одеваю кембрики на ножки крупных делалей и деталей, которые хочу преподнятьна заданный уровенб. Кроме того, большинство резисторов я ставлю вертикально, чтобы уместились в один шаг 2,54мм. В этом случае корпус ресистора упирается в плату.

Если сильно сдвинуть индуктивность катушки, при помощи сердечника, у контура, где стоит катушка, снизится добротность и ухудшится селективность. ИМХО.

_________________
С уважением, ВикторС.


Вернуться наверх
 
Не в сети
 Заголовок сообщения: Re: УКВ приемник средней сложности.
СообщениеДобавлено: Чт мар 22, 2018 18:25:00 
Друг Кота
Аватар пользователя

Карма: 123
Рейтинг сообщений: 7959
Зарегистрирован: Сб сен 13, 2014 16:27:32
Сообщений: 39199
Откуда: СпиртоГонск созвездия Омега
Рейтинг сообщения: 0
такая сборка хороша для 1 разовых макетов на выброс... тоесть собрали протестили если надо закрепили клем чтоб не болталось поюзали в жеских режимах ри выкинули..
получив отрицателный отзыв идет в мусор получив + впринципе тоже но тогда уже решаем делать по человечьи или нет

_________________
ZМудрость(Опыт и выдержка) приходит с годами.
Все Ваши беды и проблемы, от недостатка знаний.
Умный и у дурака научится, а дураку и ..
Алберт Ейнштейн не поможет и ВВП не спасет.и МЧС опаздает


Вернуться наверх
 
Эиком - электронные компоненты и радиодетали
Не в сети
 Заголовок сообщения: Re: УКВ приемник средней сложности.
СообщениеДобавлено: Пт мар 23, 2018 00:07:11 
Собутыльник Кота
Аватар пользователя

Карма: 47
Рейтинг сообщений: 911
Зарегистрирован: Ср дек 04, 2013 14:37:35
Сообщений: 2879
Откуда: Санкт Петербург
Рейтинг сообщения: 3
Товарищ Мусор,

Я с конца восьмидесятых годов перестал травить печатные платы. Это не выгодно при штучном производстве самоделок, работоспособность которых следует улучшать в процессе изготовления. Всё что с тех пор собрал - до сих пор работает или аккуратно разобрано, а не фольгированный текстолит пущен под платы для новых самоделок повторно. На борту автомобиля так собранные платы работают по пять - десять лет. Блок управления дворникми уже на второй машине трудится. Лабораторный блок питания, трёхполярный - уже 24 года работает исправно. Заменил только один выходной электролит. :idea:
Это действительно разумный подход к изглтовлению радиолюбительских устройств в одном экземпляре. :beer:
Забавно, что после сборки и окончательной отладки устройства уже на плате, появляется полностью вылизаннй, свободный от ошибок, чертёж печатной платы. Только он нафиг никому не нужен, потому что радиолюбители сейчас самоделки в китае покупают, и обязательно чтобы маска с изображением элементов и их номиналов была нанесена. Иначе такую плату собрать невозможно даже со схемой. :kill:

_________________
С уважением, ВикторС.


Вернуться наверх
 
Не в сети
 Заголовок сообщения: Re: УКВ приемник средней сложности.
СообщениеДобавлено: Пт мар 23, 2018 09:26:37 
Друг Кота
Аватар пользователя

Карма: 107
Рейтинг сообщений: 3304
Зарегистрирован: Сб фев 11, 2017 15:59:13
Сообщений: 14791
Откуда: 57 RUS
Рейтинг сообщения: 3
ВикторС писал(а):
Я с конца восьмидесятых годов перестал травить печатные платы. Это не выгодно при штучном производстве самоделок, работоспособность которых следует улучшать в процессе изготовления.

Тоже часто собираю схемы без печаток, навесным монтажём или на пистонах, что на фото выше, детали соединяю их выводами, есле длинны хватает, или проводами, на фото под спойлером всё ясно:
СпойлерРеле поворотов на мокик:
Изображение
Изображение
Изображение
Изображение
Бкс, мелкие детали залиты автогерметиком:
Изображение
Изображение
Блоки питания:
Изображение
Изображение
Изображение
Изображение
Изображение
Изображение
Блок УКВ собран на пистонах:
Изображение


ВикторС писал(а):
Это действительно разумный подход к изглтовлению радиолюбительских устройств в одном экземпляре.

Согласен.
ВикторС писал(а):
радиолюбители сейчас самоделки в китае покупают, и обязательно чтобы маска с изображением элементов и их номиналов была нанесена. Иначе такую плату собрать невозможно даже со схемой. :kill:

Это точно, для сборки таких поделок думать не надо, единственно нужно только уметь паять. :)))

_________________
НАРОДОВЛАСТИЕ а не дерьмократия!!!
Суверенным и независимым может считаться только то государство, против которого англосаксонские разносчики кланово-олигархической дерьмократии и еврогейских "ценностей" со своими пособниками ввели санкции!


Вернуться наверх
 
Не в сети
 Заголовок сообщения: Re: УКВ приемник средней сложности.
СообщениеДобавлено: Пт мар 23, 2018 18:57:02 
Собутыльник Кота
Аватар пользователя

Карма: 14
Рейтинг сообщений: 121
Зарегистрирован: Сб май 21, 2016 11:04:52
Сообщений: 2977
Откуда: Беларусь
Рейтинг сообщения: 0
СпойлерИзображение


на таких платах сделал уже 3 приемника. Травление меня привлекает больше, если много элементов и есть готовая разработанная печатка и хочется повторить конструкцию 1 в 1, варианта побыстрее нет. Правда вот когда начал делать АМ приемник - использовал медные гвозди и фанеру. Когда делал приемник с низкой ПЧ, применил наклейку кусочков стеклотекстолина суперклеем и убедился что способ этот вполне себе оправдан. Дело в том что количество точек спайки элементов всегд оказывается небольшим. Ну например, в схему уважаемого aen, Где полтора десятка транзисторов, то что припаевается к массе и питанию не считаем, остается 20 точек спайки. Это немного и, главное, очень наглядно.
СпойлерИзображение


СпойлерИзображение


Вернуться наверх
 
Не в сети
 Заголовок сообщения: Re: УКВ приемник средней сложности.
СообщениеДобавлено: Пт мар 23, 2018 19:45:03 
Друг Кота
Аватар пользователя

Карма: 174
Рейтинг сообщений: 1910
Зарегистрирован: Пт дек 12, 2014 09:36:15
Сообщений: 23203
Откуда: Минск
Рейтинг сообщения: 0
Медали: 2
Получил миской по аватаре (1) Мявтор 3-й степени (1)
На радиорынках продаются макетные платы, на которых удобно собирать единственные и простые схемы или делать эксперименты.

Вот пример. Изображение Изображение


Вернуться наверх
 
Не в сети
 Заголовок сообщения: Re: УКВ приемник средней сложности.
СообщениеДобавлено: Пт мар 23, 2018 22:13:14 
Собутыльник Кота
Аватар пользователя

Карма: 47
Рейтинг сообщений: 911
Зарегистрирован: Ср дек 04, 2013 14:37:35
Сообщений: 2879
Откуда: Санкт Петербург
Рейтинг сообщения: 0
Монтаж "на пяточках" по Жутяеву - рульная тема, особенно для РЧ устройств.
Можно резать фольгированный текстолит на полоски шириной 3 - 5 мм, а полоски, на куски, длина которых кратна ширине и пропорциональна количеству выводов, которые к этой контактной площадке нужно припаять. Этакий "Морской бой" получается.
Клеить эти пяточки, по ходу монтажа, на кусок фольгированного стеклотекстолита, используя фольгу как общий провод и экран. :solder:

А вот макетки, с металлизайией отверстий особо, могут навредить при сборке ВЧ устройств.
Сейчас я запихиваю в корпус калибратор для настройки осциллографов, в состав которого входит функциональный генератор.
На макете, навесным монтажом, этот ФГ на К561ЛЕ5 обеспечивал устойчивую генерацию до 3,5МГц, а когда был перенесён на макетку с металлизацией, за счёт паразитных ёмкостей, верхняя частота упала до 2,8МГц, и никак её не поднять. :kill:

На макетках с металлизированными отверстиями у меня собран частотомер, генератор испытательных телевизионных сигналов и стрелочный LC-метр (от 1пФ и 0,1мкГн). При изготовлении, изначально было решено, что первая версия макета будет доводиться до полной готовности и так, на макетке и останется. Эти приборы работают хорошо, тк схемы на логических элементах и ведутся от кварцевых генераторов. :idea:

_________________
С уважением, ВикторС.


Вернуться наверх
 
Не в сети
 Заголовок сообщения: Re: УКВ приемник средней сложности.
СообщениеДобавлено: Сб мар 24, 2018 13:27:10 
Собутыльник Кота
Аватар пользователя

Карма: 14
Рейтинг сообщений: 121
Зарегистрирован: Сб май 21, 2016 11:04:52
Сообщений: 2977
Откуда: Беларусь
Рейтинг сообщения: 0
СпойлерИзображение


как конструктивно правильно выполнить катушку ВЧ (l1-l2) в обведенной красноным области?

Добавлено after 1 hour 33 minutes 10 seconds:
ВикторС писал(а):
Монтаж "на пяточках" по Жутяеву - рульная тема, особенно для РЧ устройств.


узнал что это по Жутяеву только когда сам до этого додумался. Потому что не смог вырезать пятаки на в стектлотекстолите и решил нарезать и приклеить суперклеем. До последнего сумневался будут ли они держаться при нагреве. Ну получилось, что когда к такому "пятаку" припаевается несколько ног от деталей, то никуда он уже не денется.
Даже какое-то хитрое сверло помнью изобретали для насверливания пятаков. Интересно, было бы иметь такое сверло.

Добавлено after 3 minutes 58 seconds:
FAKIR писал(а):
Вот пример.


пользуюсь, у меня они правда, гетинаксовые и без метализации отверстий. Удобнее, с двух сторон паять можно, но потом через пару недель не разберешь что и где напаяно. Хотя сразу вся схема кажется и логичной и красивой.


Вернуться наверх
 
Не в сети
 Заголовок сообщения: Re: УКВ приемник средней сложности.
СообщениеДобавлено: Сб мар 24, 2018 13:36:34 
Модератор
Аватар пользователя

Карма: 158
Рейтинг сообщений: 1600
Зарегистрирован: Пт апр 28, 2006 15:26:07
Сообщений: 11940
Откуда: Россия.
Рейтинг сообщения: 0
Медали: 2
Мявтор 3-й степени (1) Лучший человек Форума 2017 (1)
В данном случае нет необходимости стремиться к высокой добротности катушек, поэтому можно делать так, как удобнее.
В данном случае катушки намотаны на каркасах диаметром 5,5 мм.Каркасы самодельные. В них нарезана резьба М4
Для намотки испорльзую метчик, что резьбу нарезал и нитку смоченную клеем "Момент"
Нитку "Моментом" смачиваешь, даешь выдержку пару минут и закрепляешь начало и конец катушки. После этого катушка готова.

Изображение

Катушка связи намотана просто поверх тонким проводом.

Что интересно сейчас пошвырялся в старых железках и нашел одну из пробных макеток этого приемника.
http://radiokot.ru/start/analog/practice/19/
СпойлерИзображение

Я её сейчас включил и что удивительно она работает. :))
Катушки там 5 витков провода 0,45 мм намотаны с шагом по методике, что выложил выше.
Расстояние между осями катушек 9 мм

Таких макеток при проверке было спаяно порядка десятка.

К сожалению сфотографировать могу только телефоном.
Вверху катушка в УВЧ.
Внизу катушка гетеродина.
СпойлерИзображение

Даже какое-то хитрое сверло помнью изобретали для насверливания пятаков. Интересно, было бы иметь такое сверло.
У мня вот такое.
Выпилил сам из обычного сверла. Одно сверло 6 мм, другое 5 мм с помощью алмазного надфиля.

Изображение

Только непонятно, зачем делать еще один приемник с низкой ПЧ, если Вы уже все это попробовали?
Лучше перейти к следующему этапу и сделать приемник с ПЧ 10,7 МГц
Здесь два пути и какой путь выберете зависит от того, нужен Вам просто приемник или нужно набраться опыта, что бы перейти к приемникам высокой сложности.
Первый путь, это использовать микросхемы высокой интеграции и второй, использовать микросхемы с низкой интеграцией или вообще одни транзисторы.
http://www.radiocxema.h1n.ru/2018/03/23 ... сложности/
Код:
Первое, что можем сделать, это взять например микросхему TEA5710, припаять к ней пяток деталей и получить УКВ приемник. Но это не решит одну из поставленных нами задач, это набраться опыта в таких делах.
Второй путь, это применение микросхем малой интеграции.
Например получается довольно простой приемник построенный по принципу.
УВЧ на входе, хотя можно не ставить.
Преобразователь частоты на К174ПС1 или SA612. На выходе керамический фильтр.
УПЧ на одном-двух транзисторах. Можно не делать.
Дальше микросхема К174УР3 или К174ХА6 или даже К174УР1.
УНЧ по любой схеме.
Подобных схем в интернете много, но не у всех есть в наличии подобные микросхемы, поэтому зададимся еще одним критерием, что приемник будет полностью на транзисторах.


Вложения:
2.jpg [125.96 KiB]
Скачиваний: 644
1.png [157.21 KiB]
Скачиваний: 3461
Вернуться наверх
 
Не в сети
 Заголовок сообщения: Re: УКВ приемник средней сложности.
СообщениеДобавлено: Сб мар 24, 2018 15:00:37 
Собутыльник Кота
Аватар пользователя

Карма: 14
Рейтинг сообщений: 121
Зарегистрирован: Сб май 21, 2016 11:04:52
Сообщений: 2977
Откуда: Беларусь
Рейтинг сообщения: 0
aen, спасибо за разъяснение. Нужно было в ваших статьях обязательно постить фотки монтажа. Особенно катушек, и особенно ВЧ части. Тогда желающих повторить было бы многократ больше. Для меня допуситим, тема катушек самая больная. Правда, теперь уже смотрью на схемы с другой стороны. Смотрью сколько катушек, сколько настроек. Если много то хорошо. Значит толковый аппарат.

aen писал(а):
Только непонятно, зачем делать еще один приепмник с низкой ПЧ, если Вы уже все это попробовали?


когда спрашивал про катушку то схему эту привел для примера. И думал, что надо еще уточнить, что для примера. Низкой ПЧ я уже наелся. Схему хочу делать на к174пс1 с усилителем ВЧ (такая схема у Вас есть, но там низкая ПЧ и частотный детектора на к561ле5(ла7)) и УЧПЗ-1м в качестве уПЧ и детектора. После запуска потом УПЧЗ хочу заменить на фильтр 5.5-6.5 (наверно это не критично, или 10.7), к174ур3 и собрать "правильный" частотный детектор. Вот такие планы. Сейчас продумываю монтаж.
Тут в одной теме человек писал, хочу типа, сделать приемник, вот уже и корпус подобрал. Я тогда посмеялся. А теперь сам думаю, как оформить будущую конструкцию.

Добавлено after 1 minute 59 seconds:
мне кажется, я понял как сделать сверло.


Вернуться наверх
 
Не в сети
 Заголовок сообщения: Re: УКВ приемник средней сложности.
СообщениеДобавлено: Сб мар 24, 2018 15:28:49 
Друг Кота
Аватар пользователя

Карма: 107
Рейтинг сообщений: 3304
Зарегистрирован: Сб фев 11, 2017 15:59:13
Сообщений: 14791
Откуда: 57 RUS
Рейтинг сообщения: 0
olegue писал(а):
Даже какое-то хитрое сверло помнью изобретали для насверливания пятаков. Интересно, было бы иметь такое сверло.

Если тонкий текстолит, можно большим прочным дыроколом попробывать нарезать пятачки. Можно сделать мини-пресс по подобию дырокола, взять две стальные пластины толщиной 5-10 мм, закрепить их между собой через проставку, чтоб по толщине между ними помещался кусок текстолита, просверлить отсерстие и сделать пробивной шток из куска прутка или хвостовика сверла нужного диаметра по отверстию, и вырубать пятачки молотком, или приделать нажимной рычаг который будет давить на шток.

_________________
НАРОДОВЛАСТИЕ а не дерьмократия!!!
Суверенным и независимым может считаться только то государство, против которого англосаксонские разносчики кланово-олигархической дерьмократии и еврогейских "ценностей" со своими пособниками ввели санкции!


Вернуться наверх
 
Не в сети
 Заголовок сообщения: Re: УКВ приемник средней сложности.
СообщениеДобавлено: Сб мар 24, 2018 19:39:25 
Собутыльник Кота
Аватар пользователя

Карма: 14
Рейтинг сообщений: 121
Зарегистрирован: Сб май 21, 2016 11:04:52
Сообщений: 2977
Откуда: Беларусь
Рейтинг сообщения: 0
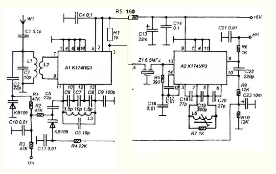
хочу взять за основу вот эту схему
СпойлерИзображение


http://www.votshema.ru/353-shema-ukv-ch ... trakt.html

ну а дальше как пойдет.

Добавлено after 43 minutes 2 seconds:
ну и еще УВЧ хочу пристроить вначале.

Добавлено after 3 minutes 16 seconds:
gsmart писал(а):
Если тонкий текстолит, можно большим прочным дыроколом попробывать нарезать пятачки. Можно сделать мини-пресс по подобию дырокола, взять две стальные пластины толщиной 5-10 мм, закрепить их между собой через проставку, чтоб по толщине между ними помещался кусок текстолита, просверлить отсерстие и сделать пробивной шток из куска прутка или хвостовика сверла нужного диаметра по отверстию, и вырубать пятачки молотком, или приделать нажимной рычаг который будет давить на шток.

можно попробовать, я вырезаю прямоуголные ножницами по металлу. Обычный канцелярский дырокол, даже если самый большой, врядкли пробъет даже самый тонкий односторонний текстолит.

Добавлено after 2 minutes 45 seconds:
счас замерил - 1мм у меня текстолит. Сейчас вспомнил, что на рынке мне кто-то продлагал супертонкий, но я не заинтересовался тогда.


Вернуться наверх
 
Не в сети
 Заголовок сообщения: Re: УКВ приемник средней сложности.
СообщениеДобавлено: Сб мар 24, 2018 20:01:31 
Друг Кота
Аватар пользователя

Карма: 57
Рейтинг сообщений: 371
Зарегистрирован: Ср май 04, 2016 23:18:38
Сообщений: 5992
Рейтинг сообщения: 0
Цитата:
Монтаж "на пяточках" по Жутяеву
CQ CQ HAM... :)))
В смысле, всем, всем...
Не на пя́точках, а на пятачка́х.
Ибо не пя́точка, а пятачо́к.

_________________
Ваше открытие опровергает науку? Нет, это наука опровергает ваш бред.
Истина никогда не бывает посередине. Ведь середина на стороне того, кто больше лжёт.
Не стыдно писать в МЯЯЯУ! - стыдно вести себя не как порядочный Радио Кот. :)


Вернуться наверх
 
Не в сети
 Заголовок сообщения: Re: УКВ приемник средней сложности.
СообщениеДобавлено: Сб мар 24, 2018 20:29:05 
Мудрый кот
Аватар пользователя

Карма: 35
Рейтинг сообщений: 279
Зарегистрирован: Сб июл 30, 2011 08:40:10
Сообщений: 1713
Откуда: Россия
Рейтинг сообщения: 0
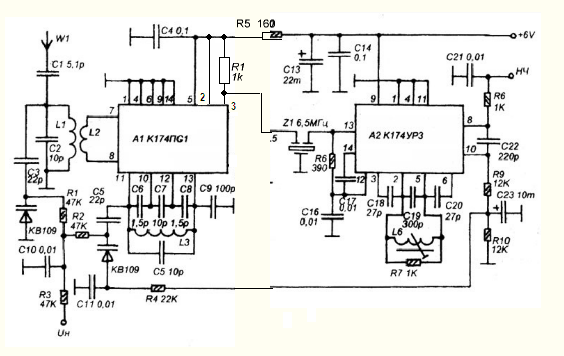
хочу взять за основу вот эту схему
Для начала можно даже так.

Изображение

В этом случае даже L6 можно ставить без экрана.
R7 лучше подбирать.
При большом R7 могут возникать искажения и даже самовозбуждение, а при маленьком уменьшение величины звукового сигнала.
У меня 3,3 кОм стоит.
ну и еще УВЧ хочу пристроить вначале

Изображение

Ток через транзистор установить 1 - 2 ма


Вложения:
2.png [111.46 KiB]
Скачиваний: 1221
1.png [108.09 KiB]
Скачиваний: 1205
Вернуться наверх
 
Не в сети
 Заголовок сообщения: Re: УКВ приемник средней сложности.
СообщениеДобавлено: Вс мар 25, 2018 13:11:06 
Собутыльник Кота
Аватар пользователя

Карма: 47
Рейтинг сообщений: 911
Зарегистрирован: Ср дек 04, 2013 14:37:35
Сообщений: 2879
Откуда: Санкт Петербург
Рейтинг сообщения: 0
Перед тем, как ставить УРЧ на вход ПС1, нужно понять - как далеко радиопередатчики.
Если до 20 км, или в городе с ЖБ застройкой - можно вместо усиленного сигнала наловить многолучевого приёма и шумов этого самого УРЧ.

_________________
С уважением, ВикторС.


Вернуться наверх
 
Не в сети
 Заголовок сообщения: Re: УКВ приемник средней сложности.
СообщениеДобавлено: Вс мар 25, 2018 13:25:31 
Друг Кота
Аватар пользователя

Карма: 123
Рейтинг сообщений: 7959
Зарегистрирован: Сб сен 13, 2014 16:27:32
Сообщений: 39199
Откуда: СпиртоГонск созвездия Омега
Рейтинг сообщения: 0
в этих схемах вместо ур3 с о всей обвязкой и филтрам встает упчз2 (можнои УПЧЗ1)
2 в пластике 1 в метале добвается ис СМРК 3УСЦТ
а вот ПС 1 или Пс3 всеже понадобится

_________________
ZМудрость(Опыт и выдержка) приходит с годами.
Все Ваши беды и проблемы, от недостатка знаний.
Умный и у дурака научится, а дураку и ..
Алберт Ейнштейн не поможет и ВВП не спасет.и МЧС опаздает


Вернуться наверх
 
Не в сети
 Заголовок сообщения: Re: УКВ приемник средней сложности.
СообщениеДобавлено: Вс мар 25, 2018 15:34:53 
Собутыльник Кота
Аватар пользователя

Карма: 14
Рейтинг сообщений: 121
Зарегистрирован: Сб май 21, 2016 11:04:52
Сообщений: 2977
Откуда: Беларусь
Рейтинг сообщения: 0
ВикторС писал(а):
Перед тем, как ставить УРЧ на вход ПС1, нужно понять - как далеко радиопередатчики.
Если до 20 км, или в городе с ЖБ застройкой - можно вместо усиленного сигнала наловить многолучевого приёма и шумов этого самого УРЧ.


Две не очень интересные вещалки есть прямо в городе, как я понял на базе местной РПТС цифрового ТВ. Ну это так, догадки. Инфы нету на это счет. Ну они сами объявляют что у них в нескольких городах своя частота. А вот самые интересные станции идут из Минска (50км) Объявленная мощность - 1квт. Иногда -2квт. Но разницы нет. Наверно зависит от направления вещания. Прием слабый в квартире. Иногда, может вообще не быть приема. На улице в автомобиле берет неплохо.

Вот думаю, без УВЧ не обойтись.

Добавлено after 17 minutes 30 seconds:
Была схема. Автор aen. Укв приемник с низкой ПЧ на К174ПС1, но есть УВЧ, частотный детектор на к561ла7. Там только входной контур неперестраевыемый. Найти схему не могу. Она была в файле doc.


Вернуться наверх
 
Не в сети
 Заголовок сообщения: Re: УКВ приемник средней сложности.
СообщениеДобавлено: Вс мар 25, 2018 16:39:32 
Собутыльник Кота
Аватар пользователя

Карма: 47
Рейтинг сообщений: 911
Зарегистрирован: Ср дек 04, 2013 14:37:35
Сообщений: 2879
Откуда: Санкт Петербург
Рейтинг сообщения: 0
Олег,
Не заметил раньше, что мы земляки.
Я долгое время жил в Костюковичах, Могилёвской области. :beer:


Вот этот файл со схемой ЧД КМОП, товарища АЕН.
http://files.domcxem.ru/infocenter/%D0% ... %20AEN.doc

_________________
С уважением, ВикторС.


Вернуться наверх
 
Показать сообщения за:  Сортировать по:  Вернуться наверх
Начать новую тему Ответить на тему  [ Сообщений: 613 ]     ... , , , 22, , , ...  

Часовой пояс: UTC + 3 часа


Кто сейчас на форуме

Сейчас этот форум просматривают: нет зарегистрированных пользователей и гости: 31


Вы не можете начинать темы
Вы не можете отвечать на сообщения
Вы не можете редактировать свои сообщения
Вы не можете удалять свои сообщения
Вы не можете добавлять вложения

Найти:
Перейти:  


Powered by phpBB © 2000, 2002, 2005, 2007 phpBB Group
Русская поддержка phpBB
Extended by Karma MOD © 2007—2012 m157y
Extended by Topic Tags MOD © 2012 m157y