Например TDA7294

Форум РадиоКот • Просмотр темы - FM+УКВ. Перестройка УКВ приемников.
Форум РадиоКот
Здесь можно немножко помяукать :)

Текущее время: Чт янв 29, 2026 17:24:59

Часовой пояс: UTC + 3 часа


ПРЯМО СЕЙЧАС:



Начать новую тему Ответить на тему  [ Сообщений: 797 ]     ... , , , 26, , , ...  
Автор Сообщение
Не в сети
 Заголовок сообщения: Перестройка Вега РМ-250С-1
СообщениеДобавлено: Чт мар 21, 2019 06:34:18 
Встал на лапы
Аватар пользователя

Зарегистрирован: Чт дек 23, 2010 12:17:25
Сообщений: 100
Откуда: Зауралье
Рейтинг сообщения: 1
Вот свел в графику советы по перестройке этого приемника от gsmart. Все взято из этой темы, опирался на положительные результаты и отзывы! Для удобства вырезал и почистил часть схемы.
Сам пока не перематывал катушки и емкости не менял, плотно посидеть времени не было. Кручением сердечников смог поймать только звук 3-го ТВ канала - это 83,7 МГц.
Судя по схеме, данная методика справедлива для приемников: Вега РМ-253, Вега РМ-250 и Вега РП-245, схема у них одинаковая, только может нумерацией деталей отличаться.
Изображение


Вернуться наверх
 
Не в сети
 Заголовок сообщения: Перестройка Вега РМ-250С-1
СообщениеДобавлено: Пт мар 22, 2019 06:49:22 
Встал на лапы
Аватар пользователя

Зарегистрирован: Чт дек 23, 2010 12:17:25
Сообщений: 100
Откуда: Зауралье
Рейтинг сообщения: 1
Вчера перестроил свою Вегу.
Как советовал gsmart, в катушках L5 и L6 оставил по 4 витка, в L8 - 3 витка. Емкость конденсаторов С12 и С28 увеличил вдвое, параллельно подпаял кондерчики по 22 пикушки. Параллельно С31 подпаял 15 пик, емкость получилась в 33 пикушки.
Выловил почти все радиостанции нашего города, главное от самой "нижней" до самой "верхней", что считаю уже победой, пусть пока и маленькой :))
Загвоздка в другом, весь диапазон FM (87,5 - 108 МГц) "уложился" в половине шкалы!, т.е. "нижняя" радиостанция (91.40 МГц) "сидит в середине шкалы, а "верхняя" (107.50 МГц), как и положено в конце шкалы.
Потому и выловил почти все, многие радиостанции очень близко друг к другу и настроить их, да еще и в столь "сжатом" промежутке, очень трудно. Многие смог выловить только резисторами фиксированных настроек, там они многооборотные.
Подскажите, в какую сторону смотреть?


Вернуться наверх
 
В сети
 Заголовок сообщения: Re: Перестройка Вега РМ-250С-1
СообщениеДобавлено: Пт мар 22, 2019 08:48:26 
Друг Кота
Аватар пользователя

Карма: 107
Рейтинг сообщений: 3313
Зарегистрирован: Сб фев 11, 2017 15:59:13
Сообщений: 14883
Откуда: 57 RUS
Рейтинг сообщения: 2
gdv2002 писал(а):
Загвоздка в другом, весь диапазон FM (87,5 - 108 МГц) "уложился" в половине шкалы!, т.е. "нижняя" радиостанция (91.40 МГц) "сидит в середине шкалы, а "верхняя" (107.50 МГц), как и положено в конце шкалы...
...Подскажите, в какую сторону смотреть?

Для растяжки диапазона по шкале нужно уменьшить ёмкость сопрягающих конденсаторов (которые стоят последовательно с варикапами), тем самым уменьшится максимальная перекрываемая ёмкость и произойдёт растяжка диапазона по шкале. Начать с гетеродинного С31, он отвечает за укладку диапазона, и далее подобрать контурные сопрягающие ёмкости С12, С28.

gdv2002 писал(а):
Изображение


Далее точно уложить диапазон по шкале в низкочастотной части сердечником катушки L8, в высокачастотной части конденсатором растяжки С27.
Ну и так-же произвести сопряжение входных контуров.

_________________
НАРОДОВЛАСТИЕ а не кланово-олигархическая дерьмократия!!!
Цифровому рабству, навязываемому цифровым олигархатом - НЕТ!


Вернуться наверх
 
Не в сети
 Заголовок сообщения: Re: FM+УКВ. Перестройка УКВ приемников. Конвертеры.
СообщениеДобавлено: Пт мар 22, 2019 10:54:53 
Встал на лапы
Аватар пользователя

Зарегистрирован: Чт дек 23, 2010 12:17:25
Сообщений: 100
Откуда: Зауралье
Рейтинг сообщения: 0
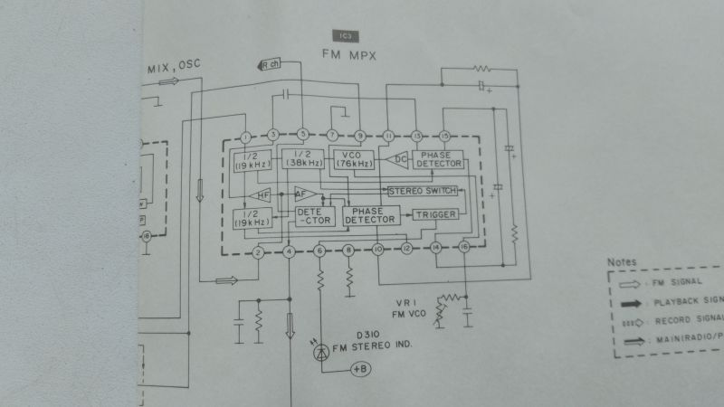
Если будет время, вечерком постараюсь уменьшить емкости и покопаться с приемником. Пока "отрисовал" на схеме старый стереодекодер, скажем так, отметил то, что можно удалить и вместо него смонтировать стереодекодер на ТА7343. Впрочем думаю каскад на транзисторах VT5 и VT8 можно оставить, остальное смело выпаять.
Изображение


Вернуться наверх
 
Эиком - электронные компоненты и радиодетали
Не в сети
 Заголовок сообщения: Re: FM+УКВ. Перестройка УКВ приемников. Конвертеры.
СообщениеДобавлено: Пт мар 22, 2019 12:06:39 
Вымогатель припоя
Аватар пользователя

Карма: 2
Рейтинг сообщений: 48
Зарегистрирован: Сб фев 02, 2008 10:51:52
Сообщений: 599
Откуда: Khabarovsk
Рейтинг сообщения: 0
Что то узкая полоса получается
Изображение Изображение


Вернуться наверх
 
Не в сети
 Заголовок сообщения: Re: Перестройка Вега РМ-250С-1
СообщениеДобавлено: Пн мар 25, 2019 06:03:32 
Встал на лапы
Аватар пользователя

Зарегистрирован: Чт дек 23, 2010 12:17:25
Сообщений: 100
Откуда: Зауралье
Рейтинг сообщения: 0
Для растяжки диапазона по шкале нужно уменьшить ёмкость сопрягающих конденсаторов (которые стоят последовательно с варикапами), тем самым уменьшится максимальная перекрываемая ёмкость и произойдёт растяжка диапазона по шкале. Начать с гетеродинного С31, он отвечает за укладку диапазона, и далее подобрать контурные сопрягающие ёмкости С12, С28.


Уменьшил емкости - диапазон особо не растянулся. Если емкости оставить по схеме, то ничего поймать не мог, подкинул на С12 и С28 по 15 пикушек, на С31 - 10 пикушек. Диапазон только чуть пошире стал.

Тут проблемка еще в приеме, у меня в квартире плохо радио ловит, вроде и в городе, и передатчики мощные и недалеко, а в квартире с антенной надо бегать из угла в угол - волну искать. Скажем честно, сам приемник Веговский не особо "ловчий" да еще и с приемом проблемы. Проверить нечем, приемников нет других дома, только блютуз-колонка с FM приемником, так она только 1 радиостанцию ловит!
Потеплеет немного - переберусь в гараж, там прием гораздо лучше, а то кручу и непонятно, толи антенну повернуть надо, толи катушку крутить :dont_know:
С другой стороны, на фиксированных настройках выловил все слушаемые мною радиостанции, а на остальные мне фиолетово, все равно не слушаю. Но хочется полноценный приемник сделать.


Вернуться наверх
 
Не в сети
 Заголовок сообщения: Помогите перестроить УКВ на FM в Panasonic RX-CT800
СообщениеДобавлено: Сб авг 17, 2019 10:48:00 
Родился

Зарегистрирован: Сб апр 14, 2018 09:57:40
Сообщений: 14
Откуда: Орел
Рейтинг сообщения: 0
Помогите перестроить УКВ на FM в Panasonic RX-CT800

Есть такая магнитола с УКВ. Помогите перестроить ее на ФМ. Принципиальной электрической схемы не нашел, но есть блок-схема.
Изображение Изображение Изображение


Последний раз редактировалось aen Сб авг 17, 2019 19:36:15, всего редактировалось 1 раз.
Сюда перенес.


Вернуться наверх
 
Не в сети
 Заголовок сообщения: Re: Помогите перестроить УКВ на FM в Panasonic RX-CT800
СообщениеДобавлено: Сб авг 17, 2019 11:08:25 
Говорящий с текстолитом

Карма: 11
Рейтинг сообщений: 94
Зарегистрирован: Вт янв 05, 2016 10:14:25
Сообщений: 1674
Откуда: поселок Мелеуз
Рейтинг сообщения: 1
Нашел схему https://www.gfgf.org/GFGF-Schaltplandie ... 00_sch.pdf
Попробовать убрать C5 и C12,не поможет-подгонять индуктивности


Вернуться наверх
 
Не в сети
 Заголовок сообщения: Re: Помогите перестроить УКВ на FM в Panasonic RX-CT800
СообщениеДобавлено: Сб авг 17, 2019 11:19:29 
Друг Кота
Аватар пользователя

Карма: 110
Рейтинг сообщений: 6673
Зарегистрирован: Пт авг 14, 2015 14:25:02
Сообщений: 11291
Откуда: Одесса - мама
Рейтинг сообщения: 1
Вам дали схему с ФМ диапазоном! Сделайте как на схеме и будет Вам счастье! :)

_________________
90% времени уходит на отыскание неисправности,остальное - ждать когда нагреется паяльник! :)


Вернуться наверх
 
В сети
 Заголовок сообщения: Re: Помогите перестроить УКВ на FM в Panasonic RX-CT800
СообщениеДобавлено: Сб авг 17, 2019 13:08:35 
Друг Кота
Аватар пользователя

Карма: 107
Рейтинг сообщений: 3313
Зарегистрирован: Сб фев 11, 2017 15:59:13
Сообщений: 14883
Откуда: 57 RUS
Рейтинг сообщения: 0
alexradio1103 писал(а):
Вам дали схему с ФМ диапазоном! Сделайте как на схеме и будет Вам счастье! :)

На этом девайсе FM диапазон 65-74 МГц:
СпойлерИзображение

_________________
НАРОДОВЛАСТИЕ а не кланово-олигархическая дерьмократия!!!
Цифровому рабству, навязываемому цифровым олигархатом - НЕТ!


Вернуться наверх
 
Не в сети
 Заголовок сообщения: Re: Помогите перестроить УКВ на FM в Panasonic RX-CT800
СообщениеДобавлено: Сб авг 17, 2019 13:20:17 
Говорящий с текстолитом

Карма: 11
Рейтинг сообщений: 94
Зарегистрирован: Вт янв 05, 2016 10:14:25
Сообщений: 1674
Откуда: поселок Мелеуз
Рейтинг сообщения: 0
Схема должна быть та же,тогда,в 90-х,данную модель делали для России,там отличия только в кол-ве витков катушек индуктивности и емкости конденсаторов


Вернуться наверх
 
Не в сети
 Заголовок сообщения: Re: Помогите перестроить УКВ на FM в Panasonic RX-CT800
СообщениеДобавлено: Сб авг 17, 2019 13:24:42 
Родился

Зарегистрирован: Сб апр 14, 2018 09:57:40
Сообщений: 14
Откуда: Орел
Рейтинг сообщения: 0
Катушку по схеме не подскажете. Я так понимаю что витки надо отмотать.


Вернуться наверх
 
Не в сети
 Заголовок сообщения: Re: Помогите перестроить УКВ на FM в Panasonic RX-CT800
СообщениеДобавлено: Сб авг 17, 2019 13:32:33 
Друг Кота
Аватар пользователя

Карма: 110
Рейтинг сообщений: 6673
Зарегистрирован: Пт авг 14, 2015 14:25:02
Сообщений: 11291
Откуда: Одесса - мама
Рейтинг сообщения: 1
Так в схеме же для 108МГц! :))

_________________
90% времени уходит на отыскание неисправности,остальное - ждать когда нагреется паяльник! :)


Вернуться наверх
 
Не в сети
 Заголовок сообщения: Re: Помогите перестроить УКВ на FM в Panasonic RX-CT800
СообщениеДобавлено: Сб авг 17, 2019 13:41:32 
Родился

Зарегистрирован: Сб апр 14, 2018 09:57:40
Сообщений: 14
Откуда: Орел
Рейтинг сообщения: 0
Я так понимаю, что в моем аппарате витки надо отмотать с катушки гетеродина.


Вернуться наверх
 
В сети
 Заголовок сообщения: Re: Помогите перестроить УКВ на FM в Panasonic RX-CT800
СообщениеДобавлено: Сб авг 17, 2019 13:49:35 
Друг Кота
Аватар пользователя

Карма: 107
Рейтинг сообщений: 3313
Зарегистрирован: Сб фев 11, 2017 15:59:13
Сообщений: 14883
Откуда: 57 RUS
Рейтинг сообщения: 1
Для FM диапазона 88-108 МГЦ контурная безкаркасная катушка содержит 4 витка эмалированного медного провода диаметром 0,8 мм, намотанного на оправке диаметром 5 мм, гетеродинная безкаркасная катушка содержит 3 витка эмалированного медного провода диаметром 0,8 мм, намотанного на оправке 5 мм.
Укладка диапазона и сопряжение контуров производится растяжением-сжатием витков катушек, ну и подстроечниками на КПЕ.

_________________
НАРОДОВЛАСТИЕ а не кланово-олигархическая дерьмократия!!!
Цифровому рабству, навязываемому цифровым олигархатом - НЕТ!


Вернуться наверх
 
Не в сети
 Заголовок сообщения: Re: Помогите перестроить УКВ на FM в Panasonic RX-CT800
СообщениеДобавлено: Сб авг 17, 2019 13:53:40 
Друг Кота
Аватар пользователя

Карма: 110
Рейтинг сообщений: 6673
Зарегистрирован: Пт авг 14, 2015 14:25:02
Сообщений: 11291
Откуда: Одесса - мама
Рейтинг сообщения: 1
ДА и проверить какой кондёрчик стоит параллельно ему. Я отметил зелёным!
Изображение
У Вас стоит другой номинал - нужно поставить как на схеме = 18пФ!


Вложения:
2019-08-17_150520.png [124.21 KiB]
Скачиваний: 21740

_________________
90% времени уходит на отыскание неисправности,остальное - ждать когда нагреется паяльник! :)
Вернуться наверх
 
Не в сети
 Заголовок сообщения: Re: FM+УКВ. Перестройка УКВ приемников. Конвертеры.
СообщениеДобавлено: Чт сен 05, 2019 08:16:40 
Нашел транзистор. Понюхал.

Карма: 13
Рейтинг сообщений: 24
Зарегистрирован: Ср окт 21, 2015 10:38:58
Сообщений: 152
Рейтинг сообщения: 0

Конечно спасибо! Платку я просто из журнала отрисовал.
Но я про другое писал, в плане советов, а точнее про перестройку приемника Бердского радиозавода (РМ-253, РМ-250, РП-245).
На данный момент в этой ветке нашел два варианта успешной перестройки этого приемника, на первый ссылку выше давал, а вот второй вариант, по мне так более "научный", отсюда и далее: https://www.radiokot.ru/forum/viewtopic ... 1#p3528191

Добавлено after 2 hours 26 minutes 42 seconds:
gsmart, приветствую!
Слушай, ну Получилось! Эти рекомендации надо как-то вынести в некую Шапку, что ли... Было б удобно при поиске. Эти же данные, кроме Веги РП-245с-1, подойдут полностью на Вегу РМ-252с, в ней эта же плата приёмника по этой же схеме.


Уважаемый NFC, а напиши пожалуйста, какие в результате емкости поставил С2, С3, С12, С18 и С26? По катушкам все понятно. У меня Вега РМ-235С.

Приветствую! На связи. Звиняйтэ за задержку, мне уведомления не приходят.
Благодарю за уточнение про 235ю магнитолу, их не сохранилось в моих пинатах. Итого - Перестройка эта подходит на РМ-235, РМ-250, РМ-252, РП-245.
Что я сделал: С12, С18 и С26 удвоил втупую, С11 выкинул нахер, триммеры С7, С20, С28 заменил на 2/10пФ. Для чуть лучшей связи с антенной увеличил С2 до 16пФ, С3 до 22пФ, хотя это делать необяз.
Обмотки L5, L7 и L8 отмотал, должно остаться по 4 витка в L5, L7, и 3 витка - в L8.
Далее - первым делом при антенне "с останкинскую башню" уложите гетеродином диапазон. Очень поможет доп.приёмник хоть из телефона и fm-модулятор. Растяжка по шкале с помощью R27 и R35.
Как только уложите диапазон - возьмите аффтомобильный fm-модулятор "за 500р в любом автомагазинчике". Выставьте на нём 87,5, вещайте тишину, или файл с шумом уровнем в -60-70дБ, если модулятор без сигнала отключается (бывают такие модуляторы с автоотключением).
На динамик приёмника повесьте вольтметр переменного тока, громкость сделайте какую-нить среднюю.
Теперь настройте приёмник на 87,5 по минимальному шуму (минимальное показание вольтметра). Далее катушками L5 и L7 добейтесь наименьших показаний вольтметра.
Теперь выставьте на модуляторе 108. Настройте приёмник на 108 по минимальному шуму (минимальное показание вольтметра). Теперь триммерами С7 и С20 добейтесь наименьших показаний вольтметра.
Инструкцию обязательно повторить ещё раз, отключив антенну от платы.
И в результате вот
Демонстрационное видео. В 17км пересечёнки от передатчика приём почти всего на сложенную антенну, а если хоть одно колено вытянуть у антенны - ващще идеал. В 45км от передатчика в бетонном помещении приём с негромким шумом.
Всем юзерам, желающим перестроить магнитолы Вега: Для магнитол Вега делайте распечатку с их схем, и делайте себе конвертационные таблицы типа "рм250 С1=рп245 С4". Схема УКВ блока у них одна и та же, но позиционные наименования разные. Потому Табличка поможет. Со стеривой при жделании заморачивайтесь отдельно.

Это я понял из общения с gsmart и Гога Рижский. Теория, по которой работать, от Гоги Рижского на тот случай, если нет заводских номиналов и моточных данных на блок УКВ вашего изделия, а перестроить наада. Ниже по тексту Гоги Рижского вы найдёте про изготовление стереодекодера из говна и палок. Родной декодер выпиливается подетально к едренЯм собачим.


Вернуться наверх
 
Не в сети
 Заголовок сообщения: Запихнуть RDA5807 в Меридиан 211 вместо блока приёмника.
СообщениеДобавлено: Сб сен 07, 2019 10:27:26 
Друг Кота

Зарегистрирован: Вт мар 13, 2012 12:16:13
Сообщений: 8926
Откуда: .ru
Рейтинг сообщения: -1
Купите RDA5807...
25 рублей на али https://ru.aliexpress.com/item/32653958 ... ef5c4b5d-2
или ~50 рублей на любом радиорынке))
Запихнуть в Меридиан 211, вместо блока приёмника... будет прикольно))


Вернуться наверх
 
Не в сети
 Заголовок сообщения: Re: FM+УКВ. Перестройка УКВ приемников. Конвертеры.
СообщениеДобавлено: Сб сен 07, 2019 10:32:27 
Родился
Аватар пользователя

Зарегистрирован: Пт сен 06, 2019 19:12:22
Сообщений: 1
Откуда: Czech Republic
Рейтинг сообщения: 0
Купите RDA5807...

и управлять настройкой мысленно или телепатически


Вернуться наверх
 
Не в сети
 Заголовок сообщения: RDA5807 подключается к любому МК
СообщениеДобавлено: Сб сен 07, 2019 10:42:22 
Друг Кота

Зарегистрирован: Вт мар 13, 2012 12:16:13
Сообщений: 8926
Откуда: .ru
Рейтинг сообщения: -1
RDA5807 подключается к любому МК... Например к ATmega8, за 50 рублей на али https://ru.aliexpress.com/item/32906508 ... b17d5fd-10
или на любом радиорынке...

Можно добавить ИК модуль TSOP и управлять с ИК пульта телевизора)) https://ru.aliexpress.com/item/32793274 ... 860e008-12

Итого: получим FM приёмник, с возможностью управления с пульта телевизора, всего за ~100 рублей))


Вернуться наверх
 
Показать сообщения за:  Сортировать по:  Вернуться наверх
Начать новую тему Ответить на тему  [ Сообщений: 797 ]     ... , , , 26, , , ...  

Часовой пояс: UTC + 3 часа


Кто сейчас на форуме

Сейчас этот форум просматривают: SDmitriy, Звуколюбитель и гости: 26


Вы не можете начинать темы
Вы не можете отвечать на сообщения
Вы не можете редактировать свои сообщения
Вы не можете удалять свои сообщения
Вы не можете добавлять вложения

Найти:
Перейти:  


Powered by phpBB © 2000, 2002, 2005, 2007 phpBB Group
Русская поддержка phpBB
Extended by Karma MOD © 2007—2012 m157y
Extended by Topic Tags MOD © 2012 m157y