Например TDA7294

Форум РадиоКот • Просмотр темы - Радиостанция CB(Си-Би)
Форум РадиоКот
Здесь можно немножко помяукать :)

Текущее время: Ср дек 03, 2025 09:24:24

Часовой пояс: UTC + 3 часа


ПРЯМО СЕЙЧАС:



Начать новую тему Ответить на тему  [ Сообщений: 2069 ]     ... , , , 26, , , ...  
Автор Сообщение
Не в сети
 Заголовок сообщения: Re: Радиостанция СВ
СообщениеДобавлено: Чт июл 17, 2014 20:45:14 
Открыл глаза

Зарегистрирован: Чт май 17, 2012 16:22:57
Сообщений: 72
Рейтинг сообщения: 0
Здравствуйте. Голову сломал я себе. Думал передатчик сделать на 27 МГц, собрал кварцевый генератор. Запустился без проблем. Дальше стал делать предоконечный каскад. Вот с ним то и беда. Сначала взял кт315б. Не усиливает!! Причем я пробовал в классе А и в B. Ни в какую. Ну думаю бог с ним с кт315. Поставлю кт368. То же самое. Единственный транзистор который мне усилил сигнал - это bfr91a. Но 6 ГГц это как то сильно..... Схему прилагаю, прошу помощи))


Вложения:
20140717_213650.jpg [253.29 KiB]
Скачиваний: 363
Вернуться наверх
 
Не в сети
 Заголовок сообщения: Re: Радиостанция СВ
СообщениеДобавлено: Чт июл 17, 2014 21:23:39 
Друг Кота
Аватар пользователя

Карма: 64
Рейтинг сообщений: 1102
Зарегистрирован: Ср ноя 17, 2010 23:10:55
Сообщений: 5837
Откуда: Ижевск LO66NU
Рейтинг сообщения: 0
Сигнал на базе смотрели? Если чистая синусоида - значит недокачка.

_________________
В начале жизнь мучает вопросами, в конце - ответами...


Вернуться наверх
 
Не в сети
 Заголовок сообщения: Re: Радиостанция СВ
СообщениеДобавлено: Чт июл 17, 2014 21:33:39 
Открыл глаза

Зарегистрирован: Чт май 17, 2012 16:22:57
Сообщений: 72
Рейтинг сообщения: 0
Когда делал предоконечник в классе А, то на его базе был размах примерно 300 мВ. И на коллекторе тоже. То есть полное ощущение того, что либо я совсем дурак, либо все полторы тысячи моих кт315б не отвечают заданным параметрам по частоте. Специально отключал его от задающего, подключал на вход гегератор сигналов с частотой порядка 1 МГц и все прекрасно усиливалось. То есть косяк в монтаже вроде отменяется.... Вот помянуты мной ранее bfr91a все мне усилил и даже раскачал выходно на кт646.... Странно... ничего не понимаю.....


Вернуться наверх
 
Не в сети
 Заголовок сообщения: Re: Радиостанция СВ
СообщениеДобавлено: Чт июл 17, 2014 21:36:31 
Модератор
Аватар пользователя

Карма: 158
Рейтинг сообщений: 1600
Зарегистрирован: Пт апр 28, 2006 15:26:07
Сообщений: 11940
Откуда: Россия.
Рейтинг сообщения: 0
Медали: 2
Мявтор 3-й степени (1) Лучший человек Форума 2017 (1)
Pavel1182 писал(а):
Здравствуйте. Голову сломал я себе. Думал передатчик сделать на 27 МГц, собрал кварцевый генератор.
Модуляция какая?
Кварц на сколько мегагерц.
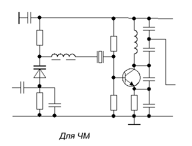
Если ЧМ, то схема выглядит примерно так. Передатчик снизу.

Изображение

Один кварц можно выбросить. Выходной транзистор можно поставить два КТ315 в параллель. Один может не выдержать.
Схема рабочая и лежит у меня под носом.

Главное в данной схеме передатчика это катушка L5. От неё зависит величина девиации частоты. Катушка должна иметь маленькую собственную емкость. Можно намотать на ферритовом кольце диаметром 10 мм. Мотать проводом диаметром 0,25 – 0,3 мм в ряд по всей окружности, но лучше намотать на каркасе, что и все катушки, но намотку для уменьшения собственной емкости сделать секционной. Я намотал три секции по 15 витков проводом диаметром 0,1 мм, т.е. 45 витков. Сердечником можно менять частоту. Лучше его полностью завернуть.
Катушки как и в прежней намотаны на каркасах диаметром 5 – 5,5 мм.
L3 содержит 5+8 витков проводом диаметром 0,45 мм
L4 содержит 15 витков с отводом от середины. Провод диаметром 0,3 мм. Провод можно взять как и в катушке L3. Просто у меня уже была намотана и я не стал менять.
Дальше настройка.
Катушку L2 отключаем. В точку соединения конденсаторов С19, С20 и общим проводом включаем резистор 51 ом, а к нему подключаем наш ВЧ пробник. Сначала настраиваем на максимум крутя сердечник катушки L4, а потом подстраиваем L3. У меня получилось порядка 2 вольта. Контролируем ток через транзистор VT2. Как писал, он не должен превышать 30 ма и здорово нагреваться. Ток устанавливается резистором R9. Иногда его вообще можно не ставить.
Дальше как и в первом случае настраиваем антенну. Настраивается как и выше с помощью индикатора поля подкручивая катушку L2 по максимальным показаниям индикатора. Потом можно немного подкрутить катушку L3 опять же добиваясь максимума показаний индикатора.
Не забывать подстраивать и сам индикатор по максимуму. У меня на расстоянии индикатора от передатчика 0,5 м индикатор показывает почти два вольта.
В принципе это все.


Вложения:
7021_кварц.GIF [24.09 KiB]
Скачиваний: 4683
Вернуться наверх
 
Эиком - электронные компоненты и радиодетали
Не в сети
 Заголовок сообщения: Re: Радиостанция СВ
СообщениеДобавлено: Чт июл 17, 2014 22:09:21 
Друг Кота
Аватар пользователя

Карма: 64
Рейтинг сообщений: 1102
Зарегистрирован: Ср ноя 17, 2010 23:10:55
Сообщений: 5837
Откуда: Ижевск LO66NU
Рейтинг сообщения: 0
Pavel1182 писал(а):
подключал на вход генератор сигналов с частотой порядка 1 МГц и все прекрасно усиливалось.
Так в том и дело, 27 это не 1, h12 крепко портит погоду, снижая неприлично импульс коллекторного тока. Попробуйте для смеха включить тристапятнашку по схеме с общей базой.
Изображение

_________________
В начале жизнь мучает вопросами, в конце - ответами...


Вернуться наверх
 
Не в сети
 Заголовок сообщения: Re: Радиостанция СВ
СообщениеДобавлено: Чт июл 17, 2014 22:32:00 
Открыл глаза

Зарегистрирован: Чт май 17, 2012 16:22:57
Сообщений: 72
Рейтинг сообщения: 0
Да просто удивительно. Все делают, а у меня не работает. Даже на кт386..... Спасибо, попробую с ОБ)))


Вернуться наверх
 
Не в сети
 Заголовок сообщения: Re: Радиостанция СВ
СообщениеДобавлено: Чт июл 17, 2014 22:39:59 
Друг Кота
Аватар пользователя

Карма: 64
Рейтинг сообщений: 1102
Зарегистрирован: Ср ноя 17, 2010 23:10:55
Сообщений: 5837
Откуда: Ижевск LO66NU
Рейтинг сообщения: 1
Да можно и с ОЭ, но на тристапятнашках токи покоя приходится увеличивать (резюк в эмиттере снижать до 10-47ом, кондерчик блокировочный ставить 68-100Н), ну и согласовывать тщательней, чтоб в базу ток раскачки по-больше вдуть, мощу генератора, естественно, поднимать....

_________________
В начале жизнь мучает вопросами, в конце - ответами...


Вернуться наверх
 
Не в сети
 Заголовок сообщения: Re: Радиостанция СВ
СообщениеДобавлено: Пт июл 18, 2014 20:47:11 
Открыл глаза

Зарегистрирован: Чт май 17, 2012 16:22:57
Сообщений: 72
Рейтинг сообщения: 0
Lazy, вопрос к Вам: какая амплитуда сигнала у Вас на выходе ненагруженного задающего?


Вернуться наверх
 
Не в сети
 Заголовок сообщения: Re: Радиостанция СВ
СообщениеДобавлено: Сб июл 19, 2014 06:02:03 
Модератор
Аватар пользователя

Карма: 158
Рейтинг сообщений: 1600
Зарегистрирован: Пт апр 28, 2006 15:26:07
Сообщений: 11940
Откуда: Россия.
Рейтинг сообщения: 1
Медали: 2
Мявтор 3-й степени (1) Лучший человек Форума 2017 (1)
Так напряжение не нагруженного генератора мало о чем говорит.
Измерял на коллекторе.
У меня не нагруженный 1,7 вольта.
Питание 9 вольт.
Транзистор КТ315Б
Измерял таким пробником. Диод Д311. Если диод в пробнике поставить КД522, то получится чуть меньше 1,5 вольта.
Квврц на 13,824 МГц. Контур в коллекторе само собой настроен на вторую гармонику.

Изображение

Что будет под нагрузкой и вообще, что на выходе, напишу где то вечером, когда спаяю.
Сейчас как раз экспериментирую и выходной каскад пока не спаял, но буду делать так, как писал выше.


Вложения:
ВЧ_головка.GIF [2.31 KiB]
Скачиваний: 1150
Вернуться наверх
 
Не в сети
 Заголовок сообщения: Re: Радиостанция СВ
СообщениеДобавлено: Сб июл 19, 2014 14:37:27 
Открыл глаза

Зарегистрирован: Чт май 17, 2012 16:22:57
Сообщений: 72
Рейтинг сообщения: 0
Спасибо,aen. Собрал задающий. Пока без модуляции. Транзистор так же кт315б. Кварц 27.120. Возбуждаю на основной частоте. На коллекторе у меня размах ВЧ примерно 5.3 В при питании 9 В.


Вложения:
20140719_154312.jpg [140.26 KiB]
Скачиваний: 252
Вернуться наверх
 
Не в сети
 Заголовок сообщения: Re: Радиостанция СВ
СообщениеДобавлено: Сб июл 19, 2014 15:04:18 
Модератор
Аватар пользователя

Карма: 158
Рейтинг сообщений: 1600
Зарегистрирован: Пт апр 28, 2006 15:26:07
Сообщений: 11940
Откуда: Россия.
Рейтинг сообщения: 1
Медали: 2
Мявтор 3-й степени (1) Лучший человек Форума 2017 (1)
Pavel1182 писал(а):
Кварц 27.120. Возбуждаю на основной частоте.
Кварцы на на27 обычно гармониковые и их основная частота 9 мгц.
У Вас тоже кварц гармониковый?
Если у вас кварц не гармониковый, в чем я сильно сомневаюсь или передатчик будет с АМ, то схему задающего генератора лучше взять другую. Данная схема применяется для гармониковых кварцев в передатчиках с частотной модуляцией.

Pavel1182 писал(а):
На коллекторе у меня размах ВЧ примерно 5.3 В при питании 9 В.
5,3 вольта, это частота 27 мгц ?
Или это 9 мгц?
По правде говоря цифры какие то нереальные. Слишком большие.

Если у вас кварц гармониковый и его основная частота 9 мгц, то в подобной схеме придется делать три каскада.
Это просто по опыту.
С кварцем на 9 мгц не удается раскачать имея всего лишь два каскада.
Как выше писал, у меня кварц на 13 мегагерц с копейками. Контуром в коллекторе я выделяю удвоенную частоту.
В случае гармоникового кварца на 27 мгц, контуром приходится выделять третью гармонику и ВЧ напряжение третьей гармоники обычно не хватает, что бы раскачать оконечный каскад и приходится передатчик делать трехкаскадным.


Вернуться наверх
 
Не в сети
 Заголовок сообщения: Re: Радиостанция СВ
СообщениеДобавлено: Сб июл 19, 2014 15:49:08 
Друг Кота

Карма: -1
Рейтинг сообщений: 77
Зарегистрирован: Вт мар 13, 2012 12:16:13
Сообщений: 8850
Откуда: .ru
Рейтинг сообщения: 1
Pavel1182 писал(а):
Голову сломал я себе... Сначала взял кт315б. Не усиливает!! Причем я пробовал в классе А и в B. Ни в какую...
На частоте 27 Мгц прекрасно работают любые КТ315. Всё зависит от схемы. У Вас плохое согласование между каскадами. И резистор в эмитере даёт большую ООС, которая сильно снижает усиление каскада. При большом сопротивлении этого резистора получается большая ООС и каскад может вообще не усиливать.
Я так понял это простой АМ передатчик на 27 Мгц. Тогда лучше всего использовать готовые проверенные схемы, а не изобретать велосипед)) Например типа такой: http://radiobooka.ru/uploads/images/tr16_2.jpg В этой схеме работают одинаково хорошо кварцы и на 27 Мгц и на 9 Мгц. Причем не важно какие использовать кварцы гармониковые или не гармониковые. Все они будут возбуждаться на частоте 27 Мгц без всяких умножителей. Транформаторная связь даёт хорошее согасование. Правда при плохом монтаже возможно возбуждение. Но это легко устраняется. :tea:


Вернуться наверх
 
Не в сети
 Заголовок сообщения: Re: Радиостанция СВ
СообщениеДобавлено: Сб июл 19, 2014 15:56:50 
Открыл глаза

Зарегистрирован: Чт май 17, 2012 16:22:57
Сообщений: 72
Рейтинг сообщения: 0
Ну смотрите. На кварце написано 27.120. Не знаю какой он если честно. Я просто воткнул его в схему и он завелся на 12.120, причем даже без коллекторного контура (сигнал с эмиттерного резистора снимал) По поводу нереальности цифр. В предыдущем моём посте приложил фото. Не может же осциллограф так врать да еще и на увеличение?)) 5.3 В это 27 МГц. Судя по частотомеру моего осциллографа.


Последний раз редактировалось Pavel1182 Сб июл 19, 2014 16:05:27, всего редактировалось 1 раз.

Вернуться наверх
 
Не в сети
 Заголовок сообщения: Re: Радиостанция СВ
СообщениеДобавлено: Сб июл 19, 2014 16:03:20 
Открыл глаза

Зарегистрирован: Чт май 17, 2012 16:22:57
Сообщений: 72
Рейтинг сообщения: 0
roman.com спасибо :) Вот разбираюсь сижу :) Читал про Ваш передатчик, очень интересно. Наверно к Вам тоже появятся вопросы, не пропадайте :)
А эмиттерный резистор я убирал..... Буду думать :)


Вернуться наверх
 
Не в сети
 Заголовок сообщения: Re: Радиостанция СВ
СообщениеДобавлено: Сб июл 19, 2014 16:18:27 
Модератор
Аватар пользователя

Карма: 158
Рейтинг сообщений: 1600
Зарегистрирован: Пт апр 28, 2006 15:26:07
Сообщений: 11940
Откуда: Россия.
Рейтинг сообщения: 0
Медали: 2
Мявтор 3-й степени (1) Лучший человек Форума 2017 (1)
Pavel1182 писал(а):
он завелся на 27.120, причем даже без коллекторного контура (сигнал с эмиттерного резистора снимал)
Я так понял 12,120 это описка?
Имели в виду 27,120

Значит кварц у вас не гармониковый и схему задающего генератора нужно взять другую. Это будет намного эффективнее.
Определитесь с модуляцией, тогда можно будет сказать схему.
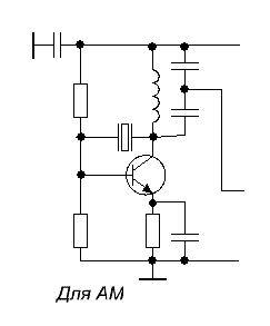
Если передатчик будет с АМ, то схему такую

Изображение

Если будет ЧМ, то схему лучше сделать по этой схеме.

Изображение


Вложения:
11.GIF [3.62 KiB]
Скачиваний: 1191
111.GIF [2.75 KiB]
Скачиваний: 1331
Вернуться наверх
 
Не в сети
 Заголовок сообщения: Re: Радиостанция СВ
СообщениеДобавлено: Сб июл 19, 2014 16:25:11 
Друг Кота

Карма: -1
Рейтинг сообщений: 77
Зарегистрирован: Вт мар 13, 2012 12:16:13
Сообщений: 8850
Откуда: .ru
Рейтинг сообщения: 0
Pavel1182 писал(а):
На кварце написано 27.120. Не знаю какой он если честно. Я просто воткнул его в схему и он завелся на 12.120
Скорее всего это простой стандартный гармониковый кварц 27.120. Такие кварцы встречаются в разных игрушках... Этот кварц никак не может завестись на частоте 12.120. :facepalm: Это противоречит законам физики. Кварц может работать на основной частоте или на не четных гармониках, т.е. на частотах, которые отличаются в разы (т.е. целое число раз). В вашей схеме кварц будет работать на частоте 9,040 Мгц (27,12 / 3 = 9,040). Но никак не 12.120 :facepalm: У Вас ошибка измерения или ... не знаю.
Этот же кварц может заводиться и на других частотах (не четных гармониках):
1- 9,040 Мгц - первая гармоника.
2- 27.120 Мгц - третья гармоника.
3- 45,200 МГЦ - пятая гармоника.
4- 63,280 Мгц - седьмая гармоника.
Это легко можно проверить по этой схеме http://radiobooka.ru/uploads/images/tr16_2.jpg Я сам лично это проверял. На более высоких частотах завести кварц будет сложно, хотя возможно. На других частотах, кроме не четных гармоник, ваш кварц работать не может. Закон физики. :tea:


Последний раз редактировалось roman.com Сб июл 19, 2014 16:33:24, всего редактировалось 2 раз(а).

Вернуться наверх
 
Не в сети
 Заголовок сообщения: Re: Радиостанция СВ
СообщениеДобавлено: Сб июл 19, 2014 16:31:43 
Открыл глаза

Зарегистрирован: Чт май 17, 2012 16:22:57
Сообщений: 72
Рейтинг сообщения: 0
roman.com писал(а):
У Вас ошибка измерения или ... не знаю.

Разумеется. Я очепятался :( Осцилл 27.120 показывает


Вернуться наверх
 
Не в сети
 Заголовок сообщения: Re: Радиостанция СВ
СообщениеДобавлено: Сб июл 19, 2014 16:33:46 
Друг Кота

Карма: -1
Рейтинг сообщений: 77
Зарегистрирован: Вт мар 13, 2012 12:16:13
Сообщений: 8850
Откуда: .ru
Рейтинг сообщения: 0
Кстате для АМ лучше всего использовать эту схему: http://radiobooka.ru/uploads/images/tr16_2.jpg
Для ЧМ лучше использовать мою схему: http://radiokot.ru/circuit/analog/receiv_transmit/30/
Разумееться возможны модификации под конкретные задачи. Но в качестве базовых схем лучше я ничего не видел. :tea:


Вернуться наверх
 
Не в сети
 Заголовок сообщения: Re: Радиостанция СВ
СообщениеДобавлено: Сб июл 19, 2014 19:49:17 
Открыл глаза

Зарегистрирован: Чт май 17, 2012 16:22:57
Сообщений: 72
Рейтинг сообщения: 0
Собрал вот это.

Изображение

На нагрузке 50 Ом размах сигнала около 4В.
Плохо?


Вернуться наверх
 
Не в сети
 Заголовок сообщения: Re: Радиостанция СВ
СообщениеДобавлено: Сб июл 19, 2014 19:56:05 
Модератор
Аватар пользователя

Карма: 158
Рейтинг сообщений: 1600
Зарегистрирован: Пт апр 28, 2006 15:26:07
Сообщений: 11940
Откуда: Россия.
Рейтинг сообщения: 0
Медали: 2
Мявтор 3-й степени (1) Лучший человек Форума 2017 (1)
Pavel1182 писал(а):
На нагрузке 50 Ом размах сигнала около 4В.
Плохо?
Это 160 мвт
Плохо или хорошо, это от требований зависит.
Больше из этой схемы вряд ли вытянешь. Если нужно больше, то придется ставить еще один каскад на более мощном транзисторе. На выходе этого мощного лучше П-контур уже поставить.
Можно еще R9 подобрать, только не превысить ток через выходной транзистор.
Я сделал выходное напряжение на 51 ом три вольта, т.е. мощность порядка 100 мвт.
Больше не стал, т.к. выходной транзистор при длительной работе начинает греться, да и добивался я дальности всего лишь в несколько сотен метров с антенной длиной 45 см.


Вернуться наверх
 
Показать сообщения за:  Сортировать по:  Вернуться наверх
Начать новую тему Ответить на тему  [ Сообщений: 2069 ]     ... , , , 26, , , ...  

Часовой пояс: UTC + 3 часа


Кто сейчас на форуме

Сейчас этот форум просматривают: нет зарегистрированных пользователей и гости: 28


Вы не можете начинать темы
Вы не можете отвечать на сообщения
Вы не можете редактировать свои сообщения
Вы не можете удалять свои сообщения
Вы не можете добавлять вложения

Найти:
Перейти:  


Powered by phpBB © 2000, 2002, 2005, 2007 phpBB Group
Русская поддержка phpBB
Extended by Karma MOD © 2007—2012 m157y
Extended by Topic Tags MOD © 2012 m157y