Например TDA7294

Форум РадиоКот • Просмотр темы - УКВ приемник средней сложности.
Форум РадиоКот
Здесь можно немножко помяукать :)

Текущее время: Вт фев 24, 2026 06:25:13

Часовой пояс: UTC + 3 часа


ПРЯМО СЕЙЧАС:



Начать новую тему Ответить на тему  [ Сообщений: 613 ]     ... , , , 27, , , ,  
Автор Сообщение
 Заголовок сообщения: Re: УКВ приемник средней сложности.
СообщениеДобавлено: Вс май 06, 2018 10:43:28 
Грызет канифоль
Аватар пользователя

Карма: 3
Рейтинг сообщений: 24
Зарегистрирован: Вт мар 15, 2016 23:30:43
Сообщений: 292
Откуда: Краснодарский край
Рейтинг сообщения: 0
olegue
Самое интересное начнётся когда захочешь перейти на частоты повыше и надоест переменник крутить.


Вернуться наверх
 
 Заголовок сообщения: Re: УКВ приемник средней сложности.
СообщениеДобавлено: Пн май 07, 2018 15:39:58 
Собутыльник Кота
Аватар пользователя

Карма: 14
Рейтинг сообщений: 121
Зарегистрирован: Сб май 21, 2016 11:04:52
Сообщений: 2977
Откуда: Беларусь
Рейтинг сообщения: 0
недавно вот довелось ремонтировать магнитолку, настройка энкодером. ТАк и хотелось сказать , да какой идиот это придумал. Когда настройка пролетает за 3 сек весь диапазон и едва успееш ее остановить на нужной частоте. Может это как-то можно исправить. А второй вариант - дергаю энкодер по 0.5 мгц за раз и выставляю нужную частоту. Чуть передиржал - полетела частота куда-т непонятно куда. Меня бы устроил обычный переменник с синтезатором. ЗАчем такие сложности?

Поставил в Пч еще один транзистор. Ну да, теперь эта констукция сильно похожа на нормальный приемник. Несколько станций (не местных, отдаленных) принимаются вообще от пинцета (изолированного). Хочу побороть плавающую настройку. Сколько делал приемников никогда так частота не плавала. Настройился на станцию - отошло на минут и уже потихоньку другая станция на чинает звучать. Заметил что у меня подключение варикапа сделано не как в схеме AENa, а как-то по турецки.

Вот схема АЕН. Кое-где у меня сделано по другму
Изображение

а вот оригинальная схема, с которой я начинал. Обратите внимание как тут подключены варикапы
Изображение

Добавлено after 2 minutes 42 seconds:
мне кажется это подключение виновато в том что частота плавает.

Я уже делал на ПС1 приемник, простойший, там сразу звуковую через ФНЧ выделяли. Но там так частота гетеродина не плавала. И подключение варикапов былло как на первой схеме.

Добавлено after 1 minute 12 seconds:
микросхему даже менял, думал из-за нее проблема, стабилитрон присутствует, по моему на 6.2 вольта -импортный поставил. НеА, не помогло.


Вернуться наверх
 
 Заголовок сообщения: Re: УКВ приемник средней сложности.
СообщениеДобавлено: Пн май 07, 2018 21:51:35 
Грызет канифоль
Аватар пользователя

Карма: 3
Рейтинг сообщений: 24
Зарегистрирован: Вт мар 15, 2016 23:30:43
Сообщений: 292
Откуда: Краснодарский край
Рейтинг сообщения: 0
В оригинальном варианте просто есть апч, но её можно убрать. В ВЕГЕ ещё проще было сделано.

Добавлено after 45 minutes 22 seconds:
И дополнить чем-то таким...
Изображение


Вложения:
вега_рм_252с.jpg [193.38 KiB]
Скачиваний: 1000
m2.jpg [43.34 KiB]
Скачиваний: 974
j.jpg [23.07 KiB]
Скачиваний: 965
Вернуться наверх
 
 Заголовок сообщения: Re: УКВ приемник средней сложности.
СообщениеДобавлено: Пн май 07, 2018 23:59:06 
Модератор
Аватар пользователя

Карма: 158
Рейтинг сообщений: 1600
Зарегистрирован: Пт апр 28, 2006 15:26:07
Сообщений: 11940
Откуда: Россия.
Рейтинг сообщения: 0
Медали: 2
Мявтор 3-й степени (1) Лучший человек Форума 2017 (1)
Вот схема АЕН. Кое-где у меня сделано по другму
Изображение
При рисовании схемы там сделали по невнимательности ошибку и уже исправили.
Керамический фильтр нужно подклюсить так, т.е. к коллектору VT2.

Изображение

Теперь про УПЧЗ-1м

Не нужно один к одному брать схему на К174УР3 и схему на УПЧЗ-1м.
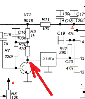
Для того что бы в схему на УПЧЗ-1м ввести АПЧ, что бы настройка не "уходила" нужно определить с какого выхода УПЧЗ-1м нужно брать сигнал для АПЧ.
Если выход выбрали не правильный, то цепь подстройки частоты будет работать наоборот, т.е. "выталкивать" настройкуна станцию.
Для определения нужного выхода нужно собрать такую схему.

Изображение

Изначально эта схема без АПЧ.
Теперь ищем нужный выход.
1. Для этого соединяем точку "1" и точку "2"
2. Настраиваемся на мощную станцию.
3. Медленно подносим палец к катушке гетеродина L3.
Можно подносить феррит. Подносить нужно настолько, что бы станция не пропадала совсем.
Смотрим на показания вольтметра.
Если выход выбран правильный, то при поднесении пальца или феррита напряжение должно уменьшаться.
Если оно увеличивается, то соединяем точку "1" и точку "3" затем снова проверяем, как написано выше.
Если уменьшение напряжения происходит при соединении точки "1" и "2", то собираем такую схему, где сигнал АПЧ берется с "5" вывода УПЧЗ-1м

Изображение

Если "уменьшение" происходит когда соединены точки "1" и "3", то сигнал для АПЧ берем с вывода "7", т.е. R16 подключаем к 7 выводу.

Микросхема К174УР4 не совсем удобна для введения АПЧ. У неё на выходе довольно большая постоянноя составляющая, поэтому в схему ввел делитель R16, R17 который уменьшае уровеь постоянной составляющей, но к сожалению и снижает полосу удержания АПЧ.
Хотя можно поиграться резистором R17 увеличив его раза в два. Это увеличит полосу удержания, но к сожалению увеличит и постоянную составляющую, которая снизит частоту генерации и пределы перестройки.

Вместо этого делителя конечно можно поставить схему "сдвига уровня", например на стабилитроне, но для этого нужны практические испытания для подбора деталей, а проверить не не на чем. УПЧЗ-1м у меня нет.
Второй путь, это увеличивать напряжение на варикапе на величину постоянного смещения идущего с УПЧЗ-1м. Я думаю оно там порядка 4 - 5 вольт.
Это смещение можно определить по показанию вольтметра при точной настройке на станцию, когда будете определять к какому выходу подключать АПЧ.


Вложения:
ФАПЧ.GIF [16.17 KiB]
Скачиваний: 3636
АПЧ.GIF [17.84 KiB]
Скачиваний: 3741
1.GIF [10.94 KiB]
Скачиваний: 4413
Вернуться наверх
 
Эиком - электронные компоненты и радиодетали
 Заголовок сообщения: Re: УКВ приемник средней сложности.
СообщениеДобавлено: Чт июн 13, 2019 10:08:53 
Собутыльник Кота
Аватар пользователя

Карма: 14
Рейтинг сообщений: 121
Зарегистрирован: Сб май 21, 2016 11:04:52
Сообщений: 2977
Откуда: Беларусь
Рейтинг сообщения: 0
Изображение

а если напряжение на входе будет скажем всего 7.2 вольта от лития, ято как это отразится на выходном напрояжении?


Вернуться наверх
 
 Заголовок сообщения: Re: УКВ приемник средней сложности.
СообщениеДобавлено: Чт июн 13, 2019 10:28:27 
Поставщик валерьянки для Кота
Аватар пользователя

Карма: 29
Рейтинг сообщений: 354
Зарегистрирован: Вс июл 11, 2010 14:39:04
Сообщений: 2458
Откуда: Россия.
Рейтинг сообщения: 0
На выходе можно получить любое напряжение при любом входном. Изменится только степень умножения и количество транзисторов в стабилизаторе.
Исходная схема здесь.
И. А. Нечаев, Массовая Радио Библиотека (МРБ), Выпуск 1172, 1992 год.
http://radiostorage.net/1291-preobrazov ... kapov.html
Цитата из книжки.
При необходимости выходное напряжение преобразователя можно поднять путем увеличения звеньев умножителя напряжения и числа транзисторов в параметрическом стабилизаторе.

А вообще можно сделать преобразователь по любой другой схеме, но та, что выше самая простая.
https://www.google.ru/search?q=%D0%BF%D ... rc=_&vet=1


Вернуться наверх
 
 Заголовок сообщения: Re: УКВ приемник средней сложности.
СообщениеДобавлено: Чт июн 13, 2019 12:16:42 
Собутыльник Кота
Аватар пользователя

Карма: 14
Рейтинг сообщений: 121
Зарегистрирован: Сб май 21, 2016 11:04:52
Сообщений: 2977
Откуда: Беларусь
Рейтинг сообщения: 0
насчет использования "любой КМОП" микросхемы. В схеме указана микросехма к176ла7 (4 элемента И), а у меня есть к561ле5 (4 элемента 2или Не)
Что-то надо менять по схеме?


Вернуться наверх
 
 Заголовок сообщения: Re: УКВ приемник средней сложности.
СообщениеДобавлено: Чт июн 13, 2019 12:18:24 
Поставщик валерьянки для Кота
Аватар пользователя

Карма: 29
Рейтинг сообщений: 354
Зарегистрирован: Вс июл 11, 2010 14:39:04
Сообщений: 2458
Откуда: Россия.
Рейтинг сообщения: 0
Что-то надо менять по схеме?
Нет.


Вернуться наверх
 
 Заголовок сообщения: Re: УКВ приемник средней сложности.
СообщениеДобавлено: Чт июн 13, 2019 21:37:06 
Собутыльник Кота
Аватар пользователя

Карма: 14
Рейтинг сообщений: 121
Зарегистрирован: Сб май 21, 2016 11:04:52
Сообщений: 2977
Откуда: Беларусь
Рейтинг сообщения: 0
А что это за хитрое включение двух транзисторов на выходе, коллектор в воздухе висит. Это стабилизатор вместо стабилитронов?


Вернуться наверх
 
 Заголовок сообщения: Re: УКВ приемник средней сложности.
СообщениеДобавлено: Чт июн 13, 2019 22:27:51 
Сверлит текстолит когтями
Аватар пользователя

Карма: 16
Рейтинг сообщений: 62
Зарегистрирован: Сб апр 21, 2007 10:40:53
Сообщений: 1292
Рейтинг сообщения: 0
Здесь же про это все написано.
Исходная схема здесь.
И. А. Нечаев, Массовая Радио Библиотека (МРБ), Выпуск 1172, 1992 год.
http://radiostorage.net/1291-preobrazov ... kapov.html


Вернуться наверх
 
 Заголовок сообщения: Re: УКВ приемник средней сложности.
СообщениеДобавлено: Пт июн 14, 2019 14:02:15 
Собутыльник Кота
Аватар пользователя

Карма: 14
Рейтинг сообщений: 121
Зарегистрирован: Сб май 21, 2016 11:04:52
Сообщений: 2977
Откуда: Беларусь
Рейтинг сообщения: 0
да, все как я и думал


Вернуться наверх
 
 Заголовок сообщения: Re: УКВ приемник средней сложности.
СообщениеДобавлено: Пт июн 21, 2019 13:22:22 
Собутыльник Кота
Аватар пользователя

Карма: 14
Рейтинг сообщений: 121
Зарегистрирован: Сб май 21, 2016 11:04:52
Сообщений: 2977
Откуда: Беларусь
Рейтинг сообщения: 0
собрал, но работает как-то интересно. Сразу мультимер показывает даже 14 вольт, а потом напряжение резко падает до напрояжение питания. Это связано с низкой нагрузочной способностью?


Вернуться наверх
 
 Заголовок сообщения: Re: УКВ приемник средней сложности.
СообщениеДобавлено: Пт июн 21, 2019 13:31:12 
Сверлит текстолит когтями
Аватар пользователя

Карма: 16
Рейтинг сообщений: 62
Зарегистрирован: Сб апр 21, 2007 10:40:53
Сообщений: 1292
Рейтинг сообщения: 0
Это связано с низкой нагрузочной способностью?
Да.
Читаем здесь.
https://radiokot.ru/start/analog/practice/19/
Можно например варикапы запитать через преобразователь напряжения, что кстати я для интереса тоже попробовал.

Изображение

Можно применить любые КМОП инверторы. Я ставил К561ЛА9. В принципе третий инвертор даже лишний, но куда его было девать? Поэтому поставил. Транзисторы VT1 и VT2 играют роль стабилитронов. Напряжение стабилизации подобного стабилитрона порядка 7 вольт. Они хороши в данном случае в том, что у них режим стабилизации наступает при токах в десятки микроампер.
При работе с этим преобразователем, резистор настройки нужно увеличить до 100 кОм.


Вернуться наверх
 
 Заголовок сообщения: Re: УКВ приемник средней сложности.
СообщениеДобавлено: Чт июн 27, 2019 10:06:01 
Собутыльник Кота
Аватар пользователя

Карма: 14
Рейтинг сообщений: 121
Зарегистрирован: Сб май 21, 2016 11:04:52
Сообщений: 2977
Откуда: Беларусь
Рейтинг сообщения: 0
Все понял, но!
Я измеряю напрояжение на выходе dt-830.У него входной совпротивление 1Мом (мегаом). Если даже резистор настройки увеличить до 100к , это ж ничего не меняет.
как только прикоснулся прибором напрояжение - 14-15вольт и сразу идет вниз. На выходе поставил даже электролит.

Или это так и должно быть?


Вернуться наверх
 
 Заголовок сообщения: Re: УКВ приемник средней сложности.
СообщениеДобавлено: Чт июн 27, 2019 10:24:53 
Сверлит текстолит когтями
Аватар пользователя

Карма: 16
Рейтинг сообщений: 62
Зарегистрирован: Сб апр 21, 2007 10:40:53
Сообщений: 1292
Рейтинг сообщения: 0
Или это так и должно быть?
Нет.
Нагрузку 100 кОм должен держать и вольтметр при двух транзисторах, как на схеме должен четко показывать порядка 14 вольт.
Данная схема на практике проверялась не один раз.
Ищите ошибку в вашей спаянной схеме, хотя кроме диодов там нечего проверять.


Вернуться наверх
 
 Заголовок сообщения: Re: УКВ приемник средней сложности.
СообщениеДобавлено: Чт июн 27, 2019 12:55:46 
Собутыльник Кота
Аватар пользователя

Карма: 14
Рейтинг сообщений: 121
Зарегистрирован: Сб май 21, 2016 11:04:52
Сообщений: 2977
Откуда: Беларусь
Рейтинг сообщения: 0
фиг иво знает, проверил. Вроде все на месте и правильно.


Вернуться наверх
 
 Заголовок сообщения: Re: УКВ приемник средней сложности.
СообщениеДобавлено: Пт июл 12, 2019 13:20:09 
Собутыльник Кота
Аватар пользователя

Карма: 14
Рейтинг сообщений: 121
Зарегистрирован: Сб май 21, 2016 11:04:52
Сообщений: 2977
Откуда: Беларусь
Рейтинг сообщения: 0
генератор неправильно собрал. Эту схематичную схему это понял слишком схематично

а надо было вот как тут
Изображение


Вернуться наверх
 
 Заголовок сообщения: Re: УКВ приемник средней сложности.
СообщениеДобавлено: Пт июл 12, 2019 13:45:35 
Мудрый кот
Аватар пользователя

Карма: 35
Рейтинг сообщений: 279
Зарегистрирован: Сб июл 30, 2011 08:40:10
Сообщений: 1713
Откуда: Россия
Рейтинг сообщения: 0
А в чем тут отличия в схеме генератора?
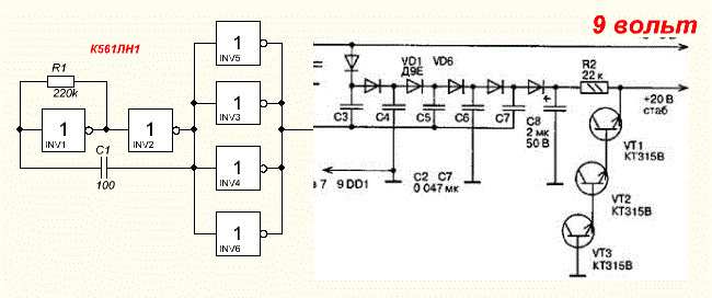
У меня генератор такой не из за того, что лучше, а просто из за того, что К651ЛН1 у меня много. После этого я стал искать резистор на сотни килоом. Мне под руку попался 220 кОм и я к нему подобрал конденсатор 100 пф, что бы частота осталась, как в оригинале, хотя особой точности и не нужно.

Изображение

Лишние инверторы просто соединил параллельно, что бы не пропадали.
С тремя транзисторами при нагрузке 62 кОм получилось 22 вольта. Без нагрузки всего на 10 мВ больше.
Диоды в умножителе в принципе можно поставить также и кремниевые, только в этом случае R2 лучше уменьшить до 15 кОм


Вложения:
1.gif [28.61 KiB]
Скачиваний: 7533
Вернуться наверх
 
 Заголовок сообщения: Re: УКВ приемник средней сложности.
СообщениеДобавлено: Пт июл 12, 2019 13:59:33 
Собутыльник Кота
Аватар пользователя

Карма: 14
Рейтинг сообщений: 121
Зарегистрирован: Сб май 21, 2016 11:04:52
Сообщений: 2977
Откуда: Беларусь
Рейтинг сообщения: 0
я соединил только 1-3.5-4.12, а про 2,6,13 - забыл.


Вернуться наверх
 
 Заголовок сообщения: Re: УКВ приемник средней сложности.
СообщениеДобавлено: Пт июл 12, 2019 22:19:49 
Грызет канифоль
Аватар пользователя

Карма: 3
Рейтинг сообщений: 24
Зарегистрирован: Вт мар 15, 2016 23:30:43
Сообщений: 292
Откуда: Краснодарский край
Рейтинг сообщения: 0
А как в м45 преобразователь - не проще?
Изображение
причём там прекрасно работают диоды 1N4148 и транзистор BC547


Вложения:
mini-45.jpg [27.65 KiB]
Скачиваний: 2525
Вернуться наверх
 
Показать сообщения за:  Сортировать по:  Вернуться наверх
Начать новую тему Ответить на тему  [ Сообщений: 613 ]     ... , , , 27, , , ,  

Часовой пояс: UTC + 3 часа


Вы не можете начинать темы
Вы не можете отвечать на сообщения
Вы не можете редактировать свои сообщения
Вы не можете удалять свои сообщения
Вы не можете добавлять вложения

Найти:
Перейти:  


Powered by phpBB © 2000, 2002, 2005, 2007 phpBB Group
Русская поддержка phpBB
Extended by Karma MOD © 2007—2012 m157y
Extended by Topic Tags MOD © 2012 m157y