Например TDA7294

Форум РадиоКот • Просмотр темы - Мелкие вопросы по радиотехнике
Форум РадиоКот
Здесь можно немножко помяукать :)

Текущее время: Пт фев 06, 2026 00:06:09

Часовой пояс: UTC + 3 часа


ПРЯМО СЕЙЧАС:



Начать новую тему Ответить на тему  [ Сообщений: 8095 ]     ... , , , 299, , , ...  
Автор Сообщение
Не в сети
 Заголовок сообщения: Re: Мелкие вопросы по радиотехнике
СообщениеДобавлено: Пн апр 04, 2016 15:53:01 
Прорезались зубы

Зарегистрирован: Вс авг 24, 2014 21:40:11
Сообщений: 247
Рейтинг сообщения: 0
aen
Понятно, а где можно будет узнать когда Вы напишите очередную статью?
Вы их тут публикуете? Я в "обучалке" и "статьях" не видел Ваших статей


Вернуться наверх
 
Не в сети
 Заголовок сообщения: Re: Мелкие вопросы по радиотехнике
СообщениеДобавлено: Вс апр 10, 2016 18:50:44 
Нашел транзистор. Понюхал.
Аватар пользователя

Карма: 4
Рейтинг сообщений: 27
Зарегистрирован: Ср июл 23, 2014 16:59:57
Сообщений: 174
Откуда: владикавказ, россия
Рейтинг сообщения: 0
можно ли применить пьезофильтры на 6,5 мгц в схеме приемника на tea 5711 download/file.php?id=105340 соответственно
подстроив контура.


Вернуться наверх
 
Не в сети
 Заголовок сообщения: Re: Мелкие вопросы по радиотехнике
СообщениеДобавлено: Вс апр 10, 2016 19:07:55 
Держит паяльник хвостом
Аватар пользователя

Карма: 42
Рейтинг сообщений: 393
Зарегистрирован: Ср июн 27, 2007 17:09:12
Сообщений: 970
Рейтинг сообщения: 0
Самое главное, что дискриминатор придется делать на контуре с катушкой, т.к. керамических дискриминаторов на 6,5 МГц я что то не видел, хотя возможно они и есть.
Это тот, что к "5" ноге подвешен.

А так в принципе можно. Работать будет, но вот если у вас там станций много и сигнал сильный то например для приема частоты 90 МГц гетеродин должен быть настроен на частоту 96,5 МГц.
При этом частота зеркального канала получается 103 МГц и если на этой частоте тоже работает радиостанция, то сами понимаете, что произойдет.

Т.о. ПЧ равная 10,7 МГц, это минимальная частота ПЧ, что позволяет не опасаться помех по зеркальному каналу в диапазоне 88 - 108 МГц от других радиостанций этого диапазона.
В этом случае если даже взять частоту 88 МГц, то зеркальная частота будет на частоте 109,4 МГц, т.е. за границей диапазона 88 - 108 МГц.


Вернуться наверх
 
Не в сети
 Заголовок сообщения: Re: Мелкие вопросы по радиотехнике
СообщениеДобавлено: Вс апр 10, 2016 19:37:44 
Нашел транзистор. Понюхал.
Аватар пользователя

Карма: 4
Рейтинг сообщений: 27
Зарегистрирован: Ср июл 23, 2014 16:59:57
Сообщений: 174
Откуда: владикавказ, россия
Рейтинг сообщения: 0
а моточные данные катушек изменятся при применении фильтров на 6,5 мгц?
А станций ниже 102 мгц у нас нет, а выше всего 7, с минимальной разницей в частоте 800 кгц.


Вернуться наверх
 
Эиком - электронные компоненты и радиодетали
Не в сети
 Заголовок сообщения: Re: Мелкие вопросы по радиотехнике
СообщениеДобавлено: Вс апр 10, 2016 20:08:37 
Держит паяльник хвостом
Аватар пользователя

Карма: 42
Рейтинг сообщений: 393
Зарегистрирован: Ср июн 27, 2007 17:09:12
Сообщений: 970
Рейтинг сообщения: 0
киракосян ашот писал(а):
данные катушек изменятся
Можно L2 виток добавить, да и то думаю можно сердечником вытянуть.
Там главное придется искать керамический дискриминатор на 6,5 МГц или вместо него ставить контур настроенный на 6,5 МГц, но это стандартно и можно посмотреть как это сделано хотя бы в ТА2003 и вот именно настройка этого контура дискриминатора довольно тонкая вещь.
Но про это много в этой теме писали.
viewtopic.php?f=25&t=15142
И данный вопрос там просто "разжевали"


Вернуться наверх
 
Не в сети
 Заголовок сообщения: Re: Мелкие вопросы по радиотехнике
СообщениеДобавлено: Вс апр 10, 2016 20:40:24 
Нашел транзистор. Понюхал.
Аватар пользователя

Карма: 4
Рейтинг сообщений: 27
Зарегистрирован: Ср июл 23, 2014 16:59:57
Сообщений: 174
Откуда: владикавказ, россия
Рейтинг сообщения: 0
а в микросхеме tea5711 есть внутренняя апч? А то настройка будет с помощью кпе 2,2-16 пф двухсекционного


Вернуться наверх
 
Не в сети
 Заголовок сообщения: Re: Мелкие вопросы по радиотехнике
СообщениеДобавлено: Вс апр 10, 2016 21:41:44 
Держит паяльник хвостом
Аватар пользователя

Карма: 42
Рейтинг сообщений: 393
Зарегистрирован: Ср июн 27, 2007 17:09:12
Сообщений: 970
Рейтинг сообщения: 0
киракосян ашот писал(а):
а в микросхеме tea5711 есть внутренняя апч?
Есть.


Вернуться наверх
 
Не в сети
 Заголовок сообщения: Re: Мелкие вопросы по радиотехнике
СообщениеДобавлено: Вс апр 10, 2016 22:07:26 
Нашел транзистор. Понюхал.
Аватар пользователя

Карма: 4
Рейтинг сообщений: 27
Зарегистрирован: Ср июл 23, 2014 16:59:57
Сообщений: 174
Откуда: владикавказ, россия
Рейтинг сообщения: 0
спасибо,Денис, вы очень помогли мне.


Вернуться наверх
 
Не в сети
 Заголовок сообщения: Re: Мелкие вопросы по радиотехнике
СообщениеДобавлено: Пн апр 11, 2016 11:04:57 
Мучитель микросхем
Аватар пользователя

Карма: 4
Рейтинг сообщений: 16
Зарегистрирован: Пт янв 14, 2011 15:30:21
Сообщений: 412
Рейтинг сообщения: 0
Помогите разобраться с режимом работы тр-ра VT1, указанных напряжений добиться никак не удается. (Детали исправны ошибок нет)
Второй каскад с VT2 практически идентичный первому - с ним всё в порядке и напряжения соответствуют, так почему же на эмитере VT1 проставлено 7.2в !? Что б такое получить приходится R1 не 91к ставить, а "мегоом" но так чувствительность падает.
В общем у меня на эммитерах по 3в, а у них на схеме:
VT1 - э-7.2 б-6.5 к-0.8
VT2 - э-2.7 б-2.0 к-0.0


Вложения:
Scan.jpg [237.23 KiB]
Скачиваний: 463
Вернуться наверх
 
Не в сети
 Заголовок сообщения: Re: Мелкие вопросы по радиотехнике
СообщениеДобавлено: Пн апр 11, 2016 14:25:35 
Держит паяльник хвостом
Аватар пользователя

Карма: 42
Рейтинг сообщений: 393
Зарегистрирован: Ср июн 27, 2007 17:09:12
Сообщений: 970
Рейтинг сообщения: 0
Maklesha писал(а):
Что б такое получить приходится R1 не 91к ставить, а "мегоом" но так чувствительность падает.
Так мы не видим и не знаем, что там за схема, какое её предназначение и почему там выбраны такие странные режимы и соответственно детали.
Все, что мы видим, это из схемы следует всего лишь, что ток первого транзистора должен быть
Iк1=(9 - 7,2).R3+R4=1,8/3=0,6 ма
А ток второго транзистора
Iк2=(9 - 2,7)/R6+R7=6,3/16=0,4 ма
В виду того, что ни назначения схемы мы не знаем, ни её полную схему не видим, больше по вашему вопросу ответить ничего не можем если там в схеме даже существует какой либо "ляп".

Почему Вы считаете, что схема на 100% правильная?
Я вот когда даже свои схемы рисую такого сказать не могу, т.к. бывает, что ненамеренно где то напутаешь, то запятую забудешь поставить, то нолик где нибудь в номиналах забудешь написать.

Чужие схемы нужно повторять исходя из логики, а не полного бездумного копирования.
Подсказать исходя из логики мы не можем, т.к. выше писал, не знаем ни полную схему, ни её предназначение.


Вернуться наверх
 
Не в сети
 Заголовок сообщения: Re: Мелкие вопросы по радиотехнике
СообщениеДобавлено: Пн апр 11, 2016 19:33:41 
Друг Кота
Аватар пользователя

Карма: 64
Рейтинг сообщений: 1102
Зарегистрирован: Ср ноя 17, 2010 23:10:55
Сообщений: 5837
Откуда: Ижевск LO66NU
Рейтинг сообщения: 0
Это явный ляп схемы - при 0.8В коллекторе VT1 (на R2=330) ток должен быть 2.4мА, тогда на эмиттере получается 9В-(0.0024х3000)=1.8В.

_________________
В начале жизнь мучает вопросами, в конце - ответами...


Вернуться наверх
 
Не в сети
 Заголовок сообщения: Re: Мелкие вопросы по радиотехнике
СообщениеДобавлено: Пн апр 11, 2016 19:59:32 
Мучитель микросхем
Аватар пользователя

Карма: 4
Рейтинг сообщений: 16
Зарегистрирован: Пт янв 14, 2011 15:30:21
Сообщений: 412
Рейтинг сообщения: 0
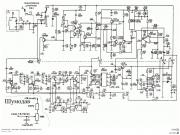
Денис, это схема портативной радиостанции. Забрал у товарища с целью повозиться. По сути это какая то некондиция плат, которую он приобрел в 90х годах, по 1руб за мешок, но музы не было за них взяться, так и валялись. Платы частично набиты элементами, так что для работы нужно было их до собрать. А идея у меня взять с них хотя бы приемник, шут с ним с передатчиком и перестроить его с 27.2мгц на 27,135мгц. С этим нет проблем, достаточно было кварц сменить и начало что то "прохрюкиваться" и временами довольно разборчиво. Понятно что нужен ВЧ генератор, но на рабочем месте его нет, но вообще на предприятии есть. Я хотел сначала вогнать в режимы тр-ры, а потом идти к нему, так как расстояние не близкое и особо не набегаешься. И вот мой камень преткновения - VT1, оставить как есть, или что то не так, хотя уже всё 100раз пересмотрел. :dont_know:
Вот полная схема, как есть:
Изображение


Вернуться наверх
 
Не в сети
 Заголовок сообщения: Re: Мелкие вопросы по радиотехнике
СообщениеДобавлено: Пн апр 11, 2016 20:14:18 
Мучитель микросхем
Аватар пользователя

Карма: 4
Рейтинг сообщений: 16
Зарегистрирован: Пт янв 14, 2011 15:30:21
Сообщений: 412
Рейтинг сообщения: 0
svic точно не помню, но кажется было: Э-3.5 Б-3.0 К-0.6 завтра гляну по лучше.


Вернуться наверх
 
Не в сети
 Заголовок сообщения: Re: Мелкие вопросы по радиотехнике
СообщениеДобавлено: Пн апр 11, 2016 20:20:37 
Потрогал лапой паяльник
Аватар пользователя

Карма: 11
Рейтинг сообщений: 53
Зарегистрирован: Вс янв 31, 2016 18:04:39
Сообщений: 383
Откуда: Montreal
Рейтинг сообщения: 0
С-хема стрёмная, чтоб по постоянке стабилизировать там два резистора надо вместо R1, а так она постоянно плавать будет от бета транзистора, от напруги и температуры и т.д.


Вернуться наверх
 
Не в сети
 Заголовок сообщения: Re: Мелкие вопросы по радиотехнике
СообщениеДобавлено: Пн апр 11, 2016 20:32:05 
Держит паяльник хвостом
Аватар пользователя

Карма: 42
Рейтинг сообщений: 393
Зарегистрирован: Ср июн 27, 2007 17:09:12
Сообщений: 970
Рейтинг сообщения: 0
Maklesha писал(а):
это схема портативной радиостанции
Ну тогда все как обычно. Установить токи транзисторов порядка 1 - 2 ма, хотя возможно самовозбуждение этой двухкаскадной схемы и токи придется снижать.
Вероятно с этим столкнулись и разработчики данной схемы, отсюда и все несуразности с режимами.

По правде говоря считаю схему совершенно безграмотной.
Самая грубая ошибка, это слишком большое усиление по ВЧ и маленькое по ПЧ, что снизит чувствительность, т.к. приемник забьется шумами.

Основное усиление в приемнике должно быть после ФОС, в данном случае после фильтров Т7 - Т10, а не в УВЧ.
Т.о. грамотнее будет в УВЧ оставить один каскад, а в УПЧ каскад добавить.
Поэтому лично я бы не стал радиостанцию восстанавливать именно по этой схеме, поэтому и про остальные несуразности в схеме не вижу смысла писать.

Схема по моему мнению по структуре должна быть примерно такая, что я описывал в этой теме.
viewtopic.php?p=2644776#p2644776
Т.е. УВЧ один каскад и дополнительный каскад в УПЧ перед К174УР7.

Изображение

В принципе она подобна вашей. Смеситель и гетеродин в ней можно сделать на К174ПС1, а вместо К173УР3 поставить К174УР7.
Во всяких случаях все мои попытки повысить усиление по ВЧ в подобных схемах приводили к противоположному результату, а именно к снижению реальной чувствительности приемника.

А их платы вероятно по причине того, что схема безграмотная и пошла "в мешок" после их попыток её запустить.


Вернуться наверх
 
Не в сети
 Заголовок сообщения: Re: Мелкие вопросы по радиотехнике
СообщениеДобавлено: Вт апр 12, 2016 12:24:56 
Друг Кота
Аватар пользователя

Карма: 64
Рейтинг сообщений: 1102
Зарегистрирован: Ср ноя 17, 2010 23:10:55
Сообщений: 5837
Откуда: Ижевск LO66NU
Рейтинг сообщения: 0
MagicianT писал(а):
чтоб по постоянке стабилизировать там два резистора надо вместо R1
Не надо двух, в змиттере аж 3к - застолбит не слабо, номинал R1 тут мало будет влиять на режим, думаю 51...180к почти никак не скажется.
Такие УРЧ применяли на наших первых промышленных СБ-шках, например
Изображение
http://forum.cxem.net/index.php?showtopic=120745
стабильность весьма не дурная.
Цитата:
svic точно не помню, но кажется было: Э-3.5 Б-3.0 К-0.6 завтра гляну по лучше.

Это правильные значения.

_________________
В начале жизнь мучает вопросами, в конце - ответами...


Последний раз редактировалось svic Вт апр 12, 2016 14:09:56, всего редактировалось 1 раз.

Вернуться наверх
 
Не в сети
 Заголовок сообщения: Re: Мелкие вопросы по радиотехнике
СообщениеДобавлено: Вт апр 12, 2016 14:07:37 
Опытный кот
Аватар пользователя

Карма: 1
Рейтинг сообщений: 14
Зарегистрирован: Вт сен 09, 2014 20:39:46
Сообщений: 846
Откуда: Приютово/Белебей
Рейтинг сообщения: 0
здравствуйте!
извините заранее за, возможно, глупый вопрос.
имеется вот такой перендатчик от беспроводных наушников. в сети есть информация, но вот НА КАКОЙ ЧАСТОТЕ он работает - такого не нашел. можно ли как то это определить по деталям внутри? :oops:
СпойлерИзображение

_________________
нельзя ВСЕМ дать ВСЁ. потому что ВСЕХ много, а ВСЕГО мало!
❝ А сейчас надо обязательно дунуть. Если не дунуть — никакого чуда не произойдет! ❞ ©


Вернуться наверх
 
Не в сети
 Заголовок сообщения: Re: Мелкие вопросы по радиотехнике
СообщениеДобавлено: Вт апр 12, 2016 18:45:55 
Родился

Зарегистрирован: Вт апр 12, 2016 18:39:58
Сообщений: 5
Рейтинг сообщения: 0
Помогите опознать зверя .Нашел дома провод медный (или он медненный ) диаметром 5 мм заполненные графитом , может кто знает где их используют ? Как-то мне подсказывали что это антенный кабель секретный военный :) Или это какая-то высоковольтка особая ?


Вернуться наверх
 
Не в сети
 Заголовок сообщения: Re: Мелкие вопросы по радиотехнике
СообщениеДобавлено: Вт апр 12, 2016 22:33:51 
Друг Кота
Аватар пользователя

Карма: 107
Рейтинг сообщений: 1031
Зарегистрирован: Пт дек 17, 2010 15:07:50
Сообщений: 12364
Откуда: Крымский Федеральный Округ
Рейтинг сообщения: 0
У меня был 5мм медный со стальной сердцевиной. То от трамвайных электроцепей, как мне рассказали. С графитом не видел..

_________________
Изображение
И ты врёшь!!! © Vladisman
Изображение


Вернуться наверх
 
Не в сети
 Заголовок сообщения: Re: Мелкие вопросы по радиотехнике
СообщениеДобавлено: Ср апр 13, 2016 07:40:06 
Друг Кота
Аватар пользователя

Карма: 139
Рейтинг сообщений: 2953
Зарегистрирован: Чт янв 10, 2008 22:01:02
Сообщений: 24794
Откуда: Московская область, Фрязино
Рейтинг сообщения: 5
Arhein писал(а):
Помогите опознать зверя .Нашел дома провод медный (или он медненный ) диаметром 5 мм заполненные графитом , может кто знает где их используют ? Как-то мне подсказывали что это антенный кабель секретный военный :) Или это какая-то высоковольтка особая ?

Это высоковольтный провод для систем зажигания ДВС.
Сердечник не совсем из графита. Это синтетическая основа заполненная графитом.
Сверху графитовой жилы может быть упрочняющая и контактная оболочка из меди.

http://www.autoopt.ru/articles/products/1645923/


Вернуться наверх
 
Показать сообщения за:  Сортировать по:  Вернуться наверх
Начать новую тему Ответить на тему  [ Сообщений: 8095 ]     ... , , , 299, , , ...  

Часовой пояс: UTC + 3 часа


Кто сейчас на форуме

Сейчас этот форум просматривают: нет зарегистрированных пользователей и гости: 6


Вы не можете начинать темы
Вы не можете отвечать на сообщения
Вы не можете редактировать свои сообщения
Вы не можете удалять свои сообщения
Вы не можете добавлять вложения

Найти:
Перейти:  


Powered by phpBB © 2000, 2002, 2005, 2007 phpBB Group
Русская поддержка phpBB
Extended by Karma MOD © 2007—2012 m157y
Extended by Topic Tags MOD © 2012 m157y