Например TDA7294

Форум РадиоКот • Просмотр темы - Усилители и передатчики FM на лампах.
Форум РадиоКот
Здесь можно немножко помяукать :)

Текущее время: Чт окт 16, 2025 17:00:00

Часовой пояс: UTC + 3 часа


ПРЯМО СЕЙЧАС:



Начать новую тему Ответить на тему  [ Сообщений: 151 ]    , , , 4, , , ,  
Автор Сообщение
Не в сети
 Заголовок сообщения: Re: Мелкие вопросы по радиотехнике
СообщениеДобавлено: Ср июл 31, 2013 18:15:19 
Потрогал лапой паяльник
Аватар пользователя

Карма: 8
Рейтинг сообщений: 3
Зарегистрирован: Сб авг 18, 2012 14:28:37
Сообщений: 308
Рейтинг сообщения: 0
Ооо, спасибо большое за информацию, просто транзисторы дорогие для этой частоты, а сегодня вспомнил про коробки с лампами. Сейчас отберу подходящие.


Вернуться наверх
 
Не в сети
 Заголовок сообщения: Re: Мелкие вопросы по радиотехнике
СообщениеДобавлено: Ср июл 31, 2013 22:54:55 
Держит паяльник хвостом
Аватар пользователя

Карма: -1
Рейтинг сообщений: 120
Зарегистрирован: Пт май 20, 2011 10:14:14
Сообщений: 945
Откуда: Киев
Рейтинг сообщения: 0
Не такие уж дорогие КТ907А, КТ913В позволят легко получить 3-4 Вт, которые практически невозможно получить на этих частотах от ламп, применяемых в приемниках и телевизорах. А специальные мощные генераторные лампы обойдутся дороже транзисторов.


Вернуться наверх
 
Не в сети
 Заголовок сообщения: Re: Мелкие вопросы по радиотехнике
СообщениеДобавлено: Ср июл 31, 2013 23:21:06 
Модератор
Аватар пользователя

Карма: 158
Рейтинг сообщений: 1600
Зарегистрирован: Пт апр 28, 2006 15:26:07
Сообщений: 11940
Откуда: Россия.
Рейтинг сообщения: 0
Медали: 2
Мявтор 3-й степени (1) Лучший человек Форума 2017 (1)
Я по предыдущим сообщения понял, что он и на 0,5 вт согласен.
Пусть пробует. Вероятно можно что либо отсюда взять, хотя я бы сейчас на лампах тоже не стал делать.
Все таки каменный век закончился не из за того, что на Земле кончились камни. :)
http://radiostorage.net/?area=news/1772
http://www.radiolamp.ru/shem/transmitter/3/
http://www.radiolamp.ru/shem/transmitter/1/

СпойлерИзображение

Изображение


Вернуться наверх
 
Не в сети
 Заголовок сообщения: Re: Мелкие вопросы по радиотехнике
СообщениеДобавлено: Чт авг 01, 2013 01:08:05 
Потрогал лапой паяльник
Аватар пользователя

Карма: 8
Рейтинг сообщений: 3
Зарегистрирован: Сб авг 18, 2012 14:28:37
Сообщений: 308
Рейтинг сообщения: 0
Все эти схемы я уже видел, мне бы хотелось просто УМВЧ на лампе, генератор у меня на транзисторе (кт368) . Большая мощность не нужна - хватит порядка 0,5-1 ватт, мне больше не надо, для выхода в эфир у меня собирается шарманка на 100 м , а это просто интересно поиграть, пока нет трансформатора для шарманки(просто там нужно 3 БП: генератор, буффер и питание модулятора ) . Вот и хочется для интереса пока что-то простенькое собрать. А передатчик не хочу на лампах городить не хочу, УМВЧ будет достаточно.


Вернуться наверх
 
Эиком - электронные компоненты и радиодетали
Не в сети
 Заголовок сообщения: Re: Мелкие вопросы по радиотехнике
СообщениеДобавлено: Пт авг 02, 2013 15:17:35 
Потрогал лапой паяльник
Аватар пользователя

Карма: 8
Рейтинг сообщений: 3
Зарегистрирован: Сб авг 18, 2012 14:28:37
Сообщений: 308
Рейтинг сообщения: 0
Так. Посмотрел таблицы, перебрал свои лампы. Получается такая ситуация :

Есть 6н3п - 600 МГц

Есть 6н23п - 300 МГц

Есть 6ф1п - 200-300 МГц

Видел схемы УКВ на 6п15п, они вроде как нормально работают, судя по отзывам.


Вернуться наверх
 
Не в сети
 Заголовок сообщения: Re: Мелкие вопросы по радиотехнике
СообщениеДобавлено: Пт авг 02, 2013 19:36:35 
Держит паяльник хвостом
Аватар пользователя

Карма: -1
Рейтинг сообщений: 120
Зарегистрирован: Пт май 20, 2011 10:14:14
Сообщений: 945
Откуда: Киев
Рейтинг сообщения: 0
Схема - фигня, ламповые схемы все простые. На 100 МГц главное - конструкция. Ищи с чертежами, рисунками, фото. Если опыта нет, по схеме сделанное не заработает.


Вернуться наверх
 
Не в сети
 Заголовок сообщения: Re: Мелкие вопросы по радиотехнике
СообщениеДобавлено: Пт авг 02, 2013 19:41:23 
Модератор
Аватар пользователя

Карма: 158
Рейтинг сообщений: 1600
Зарегистрирован: Пт апр 28, 2006 15:26:07
Сообщений: 11940
Откуда: Россия.
Рейтинг сообщения: 0
Медали: 2
Мявтор 3-й степени (1) Лучший человек Форума 2017 (1)
На предыдущей странице как раз для того, что бы посмотреть конструкции ламповых УКВ аппаратов давали ссылку на книжку.
https://sunduk.radiokot.ru/loadfile/?load_id=1371535898
Имеет смысл её почитать и посмотреть как все это конструктивно делается.


Вернуться наверх
 
Не в сети
 Заголовок сообщения: Re: Мелкие вопросы по радиотехнике
СообщениеДобавлено: Пт авг 02, 2013 23:56:02 
Потрогал лапой паяльник
Аватар пользователя

Карма: 8
Рейтинг сообщений: 3
Зарегистрирован: Сб авг 18, 2012 14:28:37
Сообщений: 308
Рейтинг сообщения: 0
Да смотрел уже и читал, но там нет конкретных схем УМВЧ, только готовые передатчики.
Думал взять усилительные каскады для себя из тех схем, но они там большой мощности и мне не подходят.


Вернуться наверх
 
Не в сети
 Заголовок сообщения: Re: Мелкие вопросы по радиотехнике
СообщениеДобавлено: Сб авг 03, 2013 12:02:06 
Модератор
Аватар пользователя

Карма: 158
Рейтинг сообщений: 1600
Зарегистрирован: Пт апр 28, 2006 15:26:07
Сообщений: 11940
Откуда: Россия.
Рейтинг сообщения: 0
Медали: 2
Мявтор 3-й степени (1) Лучший человек Форума 2017 (1)
Swamp_Dok писал(а):
Да смотрел уже и читал, но там нет конкретных схем УМВЧ
Так речь шла не о схемах, а о том, что бы посмотреть конструктивное исполнение.
И по моему не нужно комбинировать задающий генератор на транзисторе и УМ мощностью 0,5 вт на лампе. Это не облегчит задачу, а наоборот усложнит.
Если выбрали в УМ лампу, то целесообразнее всю схему сделать на лампах.


Вернуться наверх
 
Не в сети
 Заголовок сообщения: Re: Мелкие вопросы по радиотехнике
СообщениеДобавлено: Сб авг 03, 2013 12:46:07 
Потрогал лапой паяльник
Аватар пользователя

Карма: 8
Рейтинг сообщений: 3
Зарегистрирован: Сб авг 18, 2012 14:28:37
Сообщений: 308
Рейтинг сообщения: 0
Понятно, спасибо за помощь, буду думать.


Вернуться наверх
 
Не в сети
 Заголовок сообщения: Re: Усилители и передатчики FM на лампах.
СообщениеДобавлено: Сб авг 03, 2013 14:06:38 
Друг Кота

Карма: -2
Рейтинг сообщений: 65
Зарегистрирован: Вт мар 13, 2012 12:16:13
Сообщений: 8654
Откуда: .ru
Рейтинг сообщения: 0
Swamp_Dok писал(а):
буду думать

На сегодняшний день радиолампы используют только там где это действительно необходимо- там где не могут работать транзисторы: СВЧ генераторы или усилители большой мощности (более 1кВт) или высококачественные усилители низкой частоты (для гурманов :tea: ). Даже на телецентрах уже везде стоят транзисторные усилители в передатчиках (10 кВт и более..). При мощности 0,5 ватт для связи я не советую использовать лампы, с ними много мороки. :(


Вернуться наверх
 
Не в сети
 Заголовок сообщения: Re: Усилители и передатчики FM на лампах.
СообщениеДобавлено: Сб авг 03, 2013 14:08:22 
Друг Кота
Аватар пользователя

Карма: 72
Рейтинг сообщений: 1153
Зарегистрирован: Чт ноя 20, 2008 04:20:48
Сообщений: 8066
Откуда: КурскЪ
Рейтинг сообщения: 0
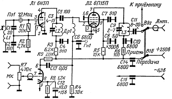
Вот ламповый передатчик на 144мГц.
Вложение:
tx_144.gif [18.8 KiB]
Скачиваний: 1041

Оттуда можно взять УМ на 6П15П.
Вложение:
УМ 6П15П 1.GIF [9.89 KiB]
Скачиваний: 1541



Евгений прав.Будет проблема состыковать транзисторный каскад с ламповым.


Вложения:
tx_144.gif [18.8 KiB]
Скачиваний: 673

_________________
Принимаю вас 595+40db на уровне шумов на кухонный приёмник,антенна наружка-магнитная катушка..работает "Акация",вот такая информация.Роман.73!!!
"50 КСВ 075", UA3112SWL
Изображение
Вернуться наверх
 
Не в сети
 Заголовок сообщения: Re: Усилители и передатчики FM на лампах.
СообщениеДобавлено: Сб авг 03, 2013 14:47:58 
Говорящий с текстолитом
Аватар пользователя

Карма: 17
Рейтинг сообщений: 181
Зарегистрирован: Пт дек 12, 2008 21:12:14
Сообщений: 1604
Откуда: Moscow
Рейтинг сообщения: 0
В таких мощностях смысла нету ,, на транзисторах получается мощнее а выгодно только на металло керрамике
эт лампы такие профф. тамм от 100вт и выше только проблемма включения и выключения да срок службы не большой.

_________________
Еси хочешь чтоб комп был быстрым - ставь Пингвин,- он будет чистым


Вернуться наверх
 
Не в сети
 Заголовок сообщения: Re: Усилители и передатчики FM на лампах.
СообщениеДобавлено: Сб авг 03, 2013 14:51:19 
Друг Кота
Аватар пользователя

Карма: 72
Рейтинг сообщений: 1153
Зарегистрирован: Чт ноя 20, 2008 04:20:48
Сообщений: 8066
Откуда: КурскЪ
Рейтинг сообщения: 0
У кого, у ГИ-7б небольшой срок?? :))

_________________
Принимаю вас 595+40db на уровне шумов на кухонный приёмник,антенна наружка-магнитная катушка..работает "Акация",вот такая информация.Роман.73!!!
"50 КСВ 075", UA3112SWL
Изображение


Вернуться наверх
 
Не в сети
 Заголовок сообщения: Re: Усилители и передатчики FM на лампах.
СообщениеДобавлено: Сб авг 03, 2013 14:51:47 
Сверлит текстолит когтями
Аватар пользователя

Карма: 22
Рейтинг сообщений: 110
Зарегистрирован: Вс сен 25, 2005 10:07:31
Сообщений: 1219
Откуда: Россия.
Рейтинг сообщения: 0
int4880053 писал(а):
В таких мощностях смысла нету
Так нет у него транзисторов, а попробовать хочется.
Пусть попробует. Работать же будет.


Вернуться наверх
 
Не в сети
 Заголовок сообщения: Re: Усилители и передатчики FM на лампах.
СообщениеДобавлено: Сб авг 03, 2013 20:47:54 
Потрогал лапой паяльник
Аватар пользователя

Карма: 8
Рейтинг сообщений: 3
Зарегистрирован: Сб авг 18, 2012 14:28:37
Сообщений: 308
Рейтинг сообщения: 0
Вот для этого УМ download/file.php?id=158368 какая входная мощность нужна - 100 мВт хватит?
И каковы параметры катушки и от какого витка отвод на антенну делать?


Вернуться наверх
 
Не в сети
 Заголовок сообщения: Re: Усилители и передатчики FM на лампах.
СообщениеДобавлено: Сб авг 03, 2013 20:50:00 
Друг Кота
Аватар пользователя

Карма: 72
Рейтинг сообщений: 1153
Зарегистрирован: Чт ноя 20, 2008 04:20:48
Сообщений: 8066
Откуда: КурскЪ
Рейтинг сообщения: 0
Мало.
Ему хотяб 500мвт подать.

Пересчитай контурные катушки при помощи программы Coil32.

_________________
Принимаю вас 595+40db на уровне шумов на кухонный приёмник,антенна наружка-магнитная катушка..работает "Акация",вот такая информация.Роман.73!!!
"50 КСВ 075", UA3112SWL
Изображение


Вернуться наверх
 
Не в сети
 Заголовок сообщения: Re: Усилители и передатчики FM на лампах.
СообщениеДобавлено: Сб авг 03, 2013 21:18:17 
Потрогал лапой паяльник
Аватар пользователя

Карма: 8
Рейтинг сообщений: 3
Зарегистрирован: Сб авг 18, 2012 14:28:37
Сообщений: 308
Рейтинг сообщения: 0
Эту программу знаю, пользуюсь. Частота контура УМ должна быть равна частоте генератора?
А на счет 500 мВт:
Я так понимаю, что кт368 тут мало будет. Может еще каскад на 6н3п перед 6п15п ? Для 6н3п вроде должно хватить 100 мВт. Или предпочтительнее пентод 6ж1п ?


Вернуться наверх
 
Не в сети
 Заголовок сообщения: Re: Усилители и передатчики FM на лампах.
СообщениеДобавлено: Вс авг 04, 2013 00:03:46 
Друг Кота
Аватар пользователя

Карма: 72
Рейтинг сообщений: 1153
Зарегистрирован: Чт ноя 20, 2008 04:20:48
Сообщений: 8066
Откуда: КурскЪ
Рейтинг сообщения: 0
Да.Без умножения частоты.
6Н3П хватит вполне.

_________________
Принимаю вас 595+40db на уровне шумов на кухонный приёмник,антенна наружка-магнитная катушка..работает "Акация",вот такая информация.Роман.73!!!
"50 КСВ 075", UA3112SWL
Изображение


Вернуться наверх
 
Не в сети
 Заголовок сообщения: Re: Усилители и передатчики FM на лампах.
СообщениеДобавлено: Ср авг 07, 2013 14:07:17 
Потрогал лапой паяльник
Аватар пользователя

Карма: 8
Рейтинг сообщений: 3
Зарегистрирован: Сб авг 18, 2012 14:28:37
Сообщений: 308
Рейтинг сообщения: 0
Вот накидал транзисторную часть:
Изображение

Генератор взял, который я собирал несколько раз и знакомым советовал, получалось очень стабильно, даже, если касался катушки или антенны, частота не уходила( это при хорошем монтаже, а при плохом конечно уходила), он работал метров на 15 на китайский приемник даже с кт315. А вот на счет каскада усиления не очень уверен - взял из схемы одного УМ'а.
Схема рабочая или "ужос" ?
Жду критики и советов.
К пинанию морально готов.


Вернуться наверх
 
Показать сообщения за:  Сортировать по:  Вернуться наверх
Начать новую тему Ответить на тему  [ Сообщений: 151 ]    , , , 4, , , ,  

Часовой пояс: UTC + 3 часа


Кто сейчас на форуме

Сейчас этот форум просматривают: Слесарь, NikuVic и гости: 19


Вы не можете начинать темы
Вы не можете отвечать на сообщения
Вы не можете редактировать свои сообщения
Вы не можете удалять свои сообщения
Вы не можете добавлять вложения

Найти:
Перейти:  


Powered by phpBB © 2000, 2002, 2005, 2007 phpBB Group
Русская поддержка phpBB
Extended by Karma MOD © 2007—2012 m157y
Extended by Topic Tags MOD © 2012 m157y