Например TDA7294

Форум РадиоКот • Просмотр темы - УКВ-ЧМ тюнер на К174ХА34 (TDA7021)
Форум РадиоКот
Здесь можно немножко помяукать :)

Текущее время: Ср ноя 19, 2025 16:08:57

Часовой пояс: UTC + 3 часа


ПРЯМО СЕЙЧАС:



Начать новую тему Ответить на тему  [ Сообщений: 735 ]     ... , , , 31, , , ...  
Автор Сообщение
Не в сети
 Заголовок сообщения: Re: УКВ-ЧМ тюнер на К174ХА34 (TDA7021)
СообщениеДобавлено: Чт авг 17, 2017 08:39:18 
Встал на лапы
Аватар пользователя

Зарегистрирован: Чт дек 23, 2010 12:17:25
Сообщений: 100
Откуда: Зауралье
Рейтинг сообщения: 0
Прошу сильно не ругать :)
Пошерстил по закромам, проехал по нашим радиолавкам и не нашел другого варианта, как лепить приемник на ХА34. С радиодеталями у нас туго, если ТЕА5710 в продаже есть, то слово дискриминатор к ней у продавца ассоциируется с матерным ругательством! Это проблема наверное любой провинции - в продаже только востребованный ширпотреб по конским ценам!
Зато нашел в закромах платку приемника на ХА34 из радиоконструктора, и она даже работает, правда чувствительность никудышная.
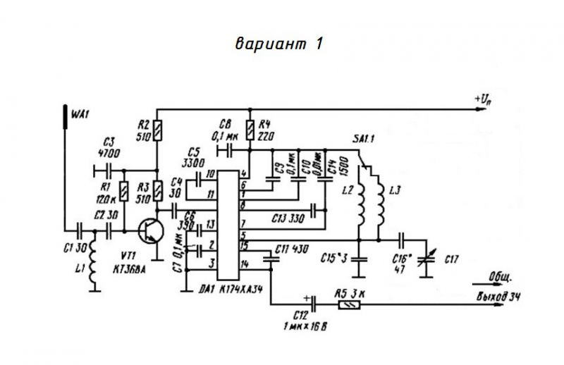
На основе приведенной мною схемы подготовил две схемы приемника, с последовательным и параллельным контурами настройки.
Изображение Изображение
Не смотрите на коммутацию двух катушек, диапазон будет один - ФМ, на АМ и слушать-то нечего :(
Методику настройки (растягивания) одного из диапазонов тоже нашел.
Как по вашему, какая схема предпочтительнее?
Собирать пока буду на макетке, потом по результатам, а может и получше приемник соберу, если дискриминатор достану, планирую отрисовать и вытравить плату в размеры и форму оригинальной платы приемника РП8330.
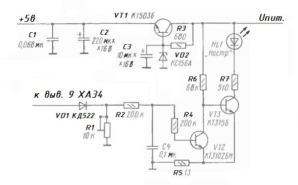
Так-же прикинул стабилизатор для микросхемы и индикатор настройки.
Изображение


Вернуться наверх
 
Не в сети
 Заголовок сообщения: Re: УКВ-ЧМ тюнер на К174ХА34 (TDA7021)
СообщениеДобавлено: Чт авг 17, 2017 14:02:52 
Собутыльник Кота
Аватар пользователя

Карма: 47
Рейтинг сообщений: 911
Зарегистрирован: Ср дек 04, 2013 14:37:35
Сообщений: 2879
Откуда: Санкт Петербург
Рейтинг сообщения: 0
гдв2002б

Во всех случаях, желательно делать контур параллельным - у него добротность выше, чем у последовательного.
Если делать последовательный контур, то нужно внимательно печатную плату разводить, чтобы трек ВЧ токов в контуре, был минимальным, замыкающимся через проходной конденсатор большой ёмкости.

И ещё нюанс. Входное сопротивление радиотракта ХА34 - 700 - 900 Ом. Это значит, что выходное сопротивление внешнего УРЧ должно быть на порядок ниже.
По ссылке подборка материалов по приёмникам на К174ХА34 и смежным темам. Посмотри УРЧ приёмника Бархан, на странице 2. ИМХО - очень грамотно сделан. LC фильтр на входе, для согласования с антенной и трансформаторная связь на выходе, задействующая оба входа дифференциального УРЧ внутри ИС. :solder:
http://files.domcxem.ru/infocenter/%D0% ... 0%9034.doc

_________________
С уважением, ВикторС.


Вернуться наверх
 
Не в сети
 Заголовок сообщения: Re: УКВ-ЧМ тюнер на К174ХА34 (TDA7021)
СообщениеДобавлено: Чт авг 17, 2017 14:16:05 
Потрогал лапой паяльник
Аватар пользователя

Карма: 12
Рейтинг сообщений: 169
Зарегистрирован: Ср сен 21, 2016 17:21:32
Сообщений: 353
Откуда: Россия
Рейтинг сообщения: 2
две схемы приемника, с последовательным и параллельным контурами настройки
Нет там ни на одной из схем никаких последовательных контуров, да и в принципе здесь их быть не может.
На обеих схемах контура параллельные.

Изображение

Когда смотрите на схему, то нужно учитывать все компоненты, в том числе и блокировочные конденсаторы. В данном случае на первой схеме конденсатор С6.


Вложения:
2.PNG [68.9 KiB]
Скачиваний: 5008

_________________
Подпись пока не придумал.
Вернуться наверх
 
Не в сети
 Заголовок сообщения: Re: УКВ-ЧМ тюнер на К174ХА34 (TDA7021)
СообщениеДобавлено: Чт авг 17, 2017 14:34:12 
Собутыльник Кота
Аватар пользователя

Карма: 47
Рейтинг сообщений: 911
Зарегистрирован: Ср дек 04, 2013 14:37:35
Сообщений: 2879
Откуда: Санкт Петербург
Рейтинг сообщения: 0
На рисунке 1, контур замыкается через конденсатор C6. Я позволю себе считать такое включение последовательным, в данном контексте.

_________________
С уважением, ВикторС.


Вернуться наверх
 
Эиком - электронные компоненты и радиодетали
Не в сети
 Заголовок сообщения: Re: УКВ-ЧМ тюнер на К174ХА34 (TDA7021)
СообщениеДобавлено: Сб авг 19, 2017 11:46:02 
Сверлит текстолит когтями
Аватар пользователя

Карма: 22
Рейтинг сообщений: 110
Зарегистрирован: Вс сен 25, 2005 10:07:31
Сообщений: 1219
Откуда: Россия.
Рейтинг сообщения: 0
Я позволю себе считать такое включение последовательным, в данном контексте.
Даже если по своей безграмотности будете этот контур считать перпендикулярным, он все равно, как был параллельным, так им и останется.


Вернуться наверх
 
Не в сети
 Заголовок сообщения: Re: УКВ-ЧМ тюнер на К174ХА34 (TDA7021)
СообщениеДобавлено: Пн ноя 13, 2017 09:40:53 
Встал на лапы
Аватар пользователя

Карма: -3
Рейтинг сообщений: -20
Зарегистрирован: Пт окт 16, 2015 13:19:40
Сообщений: 129
Рейтинг сообщения: 0
автор догнал ха34 до 200мгц ?


Вернуться наверх
 
Не в сети
 Заголовок сообщения: Re: УКВ-ЧМ тюнер на К174ХА34 (TDA7021)
СообщениеДобавлено: Пн ноя 13, 2017 12:58:56 
Собутыльник Кота
Аватар пользователя

Карма: 47
Рейтинг сообщений: 911
Зарегистрирован: Ср дек 04, 2013 14:37:35
Сообщений: 2879
Откуда: Санкт Петербург
Рейтинг сообщения: 0
автор догнал ха34 до 200мгц ?


По паспорту, ХА34 работает от 1,5 до 110МГц. Выше этого можно только с двойным преобразованием частоты работать, чтобы ХА34 работала на ПЧ внутри своего диапазона.

_________________
С уважением, ВикторС.


Вернуться наверх
 
Не в сети
 Заголовок сообщения: Re: УКВ-ЧМ тюнер на К174ХА34 (TDA7021)
СообщениеДобавлено: Ср ноя 15, 2017 10:21:08 
Встал на лапы
Аватар пользователя

Карма: -3
Рейтинг сообщений: -20
Зарегистрирован: Пт окт 16, 2015 13:19:40
Сообщений: 129
Рейтинг сообщения: 0
Мне широкополосный ГУН на ней нужен и только


Вернуться наверх
 
Не в сети
 Заголовок сообщения: Re: УКВ-ЧМ тюнер на К174ХА34 (TDA7021)
СообщениеДобавлено: Ср ноя 15, 2017 11:39:06 
Собутыльник Кота
Аватар пользователя

Карма: 47
Рейтинг сообщений: 911
Зарегистрирован: Ср дек 04, 2013 14:37:35
Сообщений: 2879
Откуда: Санкт Петербург
Рейтинг сообщения: 0
Просто ГУН, без смесителя?
А почему ГУН на транзисторах не собрать тогда или на 531ГГ1 или аналоге?
С гетеродина ХА34 сигнал снимать - запара - на 200МГц будет очень большая потеря добротности из за внутренней нагрузки со стороны смесителя, не рассчитанного на такие высокие частоты.

_________________
С уважением, ВикторС.


Вернуться наверх
 
Не в сети
 Заголовок сообщения: Re: УКВ-ЧМ тюнер на К174ХА34 (TDA7021)
СообщениеДобавлено: Ср ноя 15, 2017 12:03:59 
Встал на лапы
Аватар пользователя

Карма: -3
Рейтинг сообщений: -20
Зарегистрирован: Пт окт 16, 2015 13:19:40
Сообщений: 129
Рейтинг сообщения: 0
не вижу связи между 531гг1 и 200мгц


Вернуться наверх
 
Не в сети
 Заголовок сообщения: Re: УКВ-ЧМ тюнер на К174ХА34 (TDA7021)
СообщениеДобавлено: Ср ноя 15, 2017 12:17:21 
Собутыльник Кота
Аватар пользователя

Карма: 47
Рейтинг сообщений: 911
Зарегистрирован: Ср дек 04, 2013 14:37:35
Сообщений: 2879
Откуда: Санкт Петербург
Рейтинг сообщения: 0
Я для примера написал - специализированная ИС ГУН.
ИМХО - ХА34 как ГУН на 200 МГц пытаться включить - пустая трата времени.

_________________
С уважением, ВикторС.


Вернуться наверх
 
Не в сети
 Заголовок сообщения: Re: УКВ-ЧМ тюнер на К174ХА34 (TDA7021)
СообщениеДобавлено: Сб дек 30, 2017 22:38:06 
Это не хвост, это антенна
Аватар пользователя

Карма: 35
Рейтинг сообщений: 239
Зарегистрирован: Пт сен 30, 2016 20:52:15
Сообщений: 1303
Откуда: Белгородская область.
Рейтинг сообщения: 0
Ха34!!! Блин ностальгия!!! Сколько приёмников я на ней учился делать!!! Ух были времена ждал ее как ворон крови :)) бывало что в наличии ее не было. По памяти с катушками индуктивности воевал чуть раздвигаешь витки частота ушла... и вроде настроил залил порофином на следующий день опять настраивать...


Вернуться наверх
 
Не в сети
 Заголовок сообщения: Re: УКВ-ЧМ тюнер на К174ХА34 (TDA7021)
СообщениеДобавлено: Вс дек 31, 2017 19:32:51 
Собутыльник Кота
Аватар пользователя

Карма: 47
Рейтинг сообщений: 911
Зарегистрирован: Ср дек 04, 2013 14:37:35
Сообщений: 2879
Откуда: Санкт Петербург
Рейтинг сообщения: 0
У меня два кухонных приёмника, не К174ХА34 до сих пор работают. Тот, что у родителей остался, с переключателем станций на галетнике, а следующий уже с квазисенсорным переключателем от телика, на УСУ-15, на 8 фиксированных настроек. Двухдиапазонный. Только теперь с нашего УКВ диапазона совсем ушёл - тоска там смертная.

_________________
С уважением, ВикторС.


Вернуться наверх
 
Не в сети
 Заголовок сообщения: Re: УКВ-ЧМ тюнер на К174ХА34 (TDA7021)
СообщениеДобавлено: Вс дек 31, 2017 19:46:36 
Это не хвост, это антенна
Аватар пользователя

Карма: 35
Рейтинг сообщений: 239
Зарегистрирован: Пт сен 30, 2016 20:52:15
Сообщений: 1303
Откуда: Белгородская область.
Рейтинг сообщения: 0
:) Помню один приёмник учителю физики подарил. Но потом он ушёл в другую школу преподавать, а к нам поставили учительниЦу, так у меня и перестала физика интерпретироваться... 2ки 3ки и иногда 4ки, а были одни 5ки и иногда 4ки. Так дальнейшую историю приемника я и не знаю....


Вернуться наверх
 
Не в сети
 Заголовок сообщения: Re: УКВ-ЧМ тюнер на К174ХА34 (TDA7021)
СообщениеДобавлено: Вс дек 31, 2017 19:56:42 
Собутыльник Кота
Аватар пользователя

Карма: 47
Рейтинг сообщений: 911
Зарегистрирован: Ср дек 04, 2013 14:37:35
Сообщений: 2879
Откуда: Санкт Петербург
Рейтинг сообщения: 0
Кроме знания предмета, ещё и преподавать нужно уметь. Иногда, это посложнее наука выходит.

_________________
С уважением, ВикторС.


Вернуться наверх
 
Не в сети
 Заголовок сообщения: Re: УКВ-ЧМ тюнер на К174ХА34 (TDA7021)
СообщениеДобавлено: Вс дек 31, 2017 20:17:05 
Это не хвост, это антенна
Аватар пользователя

Карма: 35
Рейтинг сообщений: 239
Зарегистрирован: Пт сен 30, 2016 20:52:15
Сообщений: 1303
Откуда: Белгородская область.
Рейтинг сообщения: 0
:) Вроде она и как учительница была хорошая, но я ее не понимал, а возможно не хотел понимать. С Физиком мы были можно сказать как друзья, после уроков иногда ченить ему помогал да и просто беседовали :).
эх помню как проэктор ему подчинил, :idea: . так он потом вообще в пример всем меня ставил :oops: .
ВСЕХ С НАСТУПАЮЩИМ!!!! :beer:


Вернуться наверх
 
Не в сети
 Заголовок сообщения: Re: УКВ-ЧМ тюнер на К174ХА34 (TDA7021)
СообщениеДобавлено: Вт янв 02, 2018 13:57:35 
Модератор
Аватар пользователя

Карма: 159
Рейтинг сообщений: 4064
Зарегистрирован: Пт янв 23, 2009 19:20:05
Сообщений: 45117
Рейтинг сообщения: 0
Медали: 1
Получил миской по аватаре (1)
Кроме знания предмета, ещё и преподавать нужно уметь. Иногда, это посложнее наука выходит.

Вспоминается моя первая учительница физики... Захотелось ей зачем-то меня высмеять перед всем классом, и даже почти получилось - после чего я послал её в пешее эротическое путешествие, прямо перед всем классом... Получил пару и предложение на уроках более не появляться... :dont_know:
В конце четверти училку разбирали на педсовете, а по окончанию учебного года она уволилась... :)
(а чего удивительного, если к тому времени у меня уже было несколько грамот на районных физических олимпиадах, а тут вдруг - двойка... :))) )


Вернуться наверх
 
Не в сети
 Заголовок сообщения: Re: УКВ-ЧМ тюнер на К174ХА34 (TDA7021)
СообщениеДобавлено: Ср янв 10, 2018 18:57:04 
Встал на лапы
Аватар пользователя

Карма: -5
Рейтинг сообщений: -7
Зарегистрирован: Пн апр 25, 2016 17:33:19
Сообщений: 114
Рейтинг сообщения: 0
есть приёмник на К174ХА34 , помню что эта микра работала со временем хуже . Как по качеству китайская TDA7021 ? Насколько лучше такой приёмник
кака приведенный ниже ?
http://i.piccy.info/i9/43039565573d6d12 ... /sh202.jpg


Вернуться наверх
 
Не в сети
 Заголовок сообщения: Re: УКВ-ЧМ тюнер на К174ХА34 (TDA7021)
СообщениеДобавлено: Ср янв 10, 2018 19:47:56 
Это не хвост, это антенна
Аватар пользователя

Карма: 35
Рейтинг сообщений: 239
Зарегистрирован: Пт сен 30, 2016 20:52:15
Сообщений: 1303
Откуда: Белгородская область.
Рейтинг сообщения: 0
Tda как то по устойчивей была, не так частота уплывала. Наверное и нашей ха34 уже не найти...


Вернуться наверх
 
Не в сети
 Заголовок сообщения: Re: УКВ-ЧМ тюнер на К174ХА34 (TDA7021)
СообщениеДобавлено: Вс янв 14, 2018 05:38:54 
Модератор
Аватар пользователя

Карма: 159
Рейтинг сообщений: 4064
Зарегистрирован: Пт янв 23, 2009 19:20:05
Сообщений: 45117
Рейтинг сообщения: 0
Медали: 1
Получил миской по аватаре (1)
Почему "не найти"? Их ещё полно кругом валяется... :)) Просто и в самом деле "советский" УКВ-диапазон практически опустел, а на "импортном" ХА34 способна работать не всегда...
(а чтобы частота не уплывала - делайте единственный контур приемника из качественных деталей, глядишь, ничего и плавать не будет... :))) )


Вернуться наверх
 
Показать сообщения за:  Сортировать по:  Вернуться наверх
Начать новую тему Ответить на тему  [ Сообщений: 735 ]     ... , , , 31, , , ...  

Часовой пояс: UTC + 3 часа


Кто сейчас на форуме

Сейчас этот форум просматривают: нет зарегистрированных пользователей и гости: 16


Вы не можете начинать темы
Вы не можете отвечать на сообщения
Вы не можете редактировать свои сообщения
Вы не можете удалять свои сообщения
Вы не можете добавлять вложения

Найти:
Перейти:  


Powered by phpBB © 2000, 2002, 2005, 2007 phpBB Group
Русская поддержка phpBB
Extended by Karma MOD © 2007—2012 m157y
Extended by Topic Tags MOD © 2012 m157y