Например TDA7294

Форум РадиоКот • Просмотр темы - Не работает жучок.
Форум РадиоКот
Здесь можно немножко помяукать :)

Текущее время: Пн янв 26, 2026 23:23:05

Часовой пояс: UTC + 3 часа


ПРЯМО СЕЙЧАС:



Начать новую тему Ответить на тему  [ Сообщений: 1239 ]     ... , , , 38, , , ...  
Автор Сообщение
Не в сети
 Заголовок сообщения: Re: Не работает жучок
СообщениеДобавлено: Сб ноя 10, 2012 23:41:23 
Грызет канифоль

Карма: 2
Рейтинг сообщений: 3
Зарегистрирован: Чт мар 15, 2012 21:05:25
Сообщений: 271
Рейтинг сообщения: 0
Спасибо, обязательно почитаю.

Так всё-таки имелось в виду, что частота генерации предположительно слишком высокая? И увеличивая количество витков (и, соответственно, индуктивность) нужно её снизить?

_________________
When in deadly danger, when beset by doubt, run in little circles, wave your arms and shout.


Вернуться наверх
 
Не в сети
 Заголовок сообщения: Re: Не работает жучок
СообщениеДобавлено: Вс ноя 11, 2012 00:52:55 
Друг Кота
Аватар пользователя

Карма: 72
Рейтинг сообщений: 1153
Зарегистрирован: Чт ноя 20, 2008 04:20:48
Сообщений: 8084
Откуда: КурскЪ
Рейтинг сообщения: 0
Так давай тогда в исходное.
Конденсаторы ВЧ части ставь керамические.Это контурный,ПОС и блокировочный что в цепи базы VT2.
Контурный конденсатор 25пф.Катушка Ф 5мм(стержень от гелевой ручки) 3витка проводом 0.5мм.
Пробуй принять в диапазоне 100-108мгц.
Изображение
Вложение:
Передатчик 2транза ёмк св.JPG [34.31 KiB]
Скачиваний: 1660

Как только добьёмся нормальной мощности и необходимой частоты,займёмся модулятором.

_________________
Принимаю вас 595+40db на уровне шумов на кухонный приёмник,антенна наружка-магнитная катушка..работает "Акация",вот такая информация.Роман.73!!!
"50 КСВ 075", UA3112SWL
Изображение


Вернуться наверх
 
Не в сети
 Заголовок сообщения: Re: Не работает жучок
СообщениеДобавлено: Вс ноя 11, 2012 15:09:36 
Модератор
Аватар пользователя

Карма: 158
Рейтинг сообщений: 1600
Зарегистрирован: Пт апр 28, 2006 15:26:07
Сообщений: 11940
Откуда: Россия.
Рейтинг сообщения: 0
Медали: 2
Мявтор 3-й степени (1) Лучший человек Форума 2017 (1)
RA3WSI писал(а):
Контурный конденсатор 25пф
Да не путайте автора такими цифрами, а то он опять подстроечники начнет ставить. :)
Erling писал(а):
R3 поставил 35 кОм, правда, чип-резистора с нужным номиналом под рукой не было, пришлось припаять подстроечный.
Для автора.
Там написано некорректно. Писать и ставить нужно из стандартного ряда, т.е. в первом случае резистор на 36 ком или на 33 ком или на 39 ком, а во втором конденсатор на 24 пф или на 27 пф.


Вернуться наверх
 
Не в сети
 Заголовок сообщения: Re: Не работает жучок
СообщениеДобавлено: Пн ноя 12, 2012 08:22:50 
Друг Кота
Аватар пользователя

Карма: 72
Рейтинг сообщений: 1153
Зарегистрирован: Чт ноя 20, 2008 04:20:48
Сообщений: 8084
Откуда: КурскЪ
Рейтинг сообщения: 0
А что разве нет конденсатора на 25пф? :shock:
Вот только что нашел трубчатый.

_________________
Принимаю вас 595+40db на уровне шумов на кухонный приёмник,антенна наружка-магнитная катушка..работает "Акация",вот такая информация.Роман.73!!!
"50 КСВ 075", UA3112SWL
Изображение


Вернуться наверх
 
Эиком - электронные компоненты и радиодетали
Не в сети
 Заголовок сообщения: Re: Не работает жучок
СообщениеДобавлено: Пн ноя 12, 2012 22:46:15 
Грызет канифоль

Карма: 2
Рейтинг сообщений: 3
Зарегистрирован: Чт мар 15, 2012 21:05:25
Сообщений: 271
Рейтинг сообщения: 0
Что сделал:
1. Заменил C3 на керамический (остальные и так керамические).
2. Контурный конденсатор поставил 27 пф.
3. Поставил постоянный R3 33 кОм.
4. Поставил L1 4 витка проводом 0,3 мм, намотанным на жале от паяльника (диаметр около 3.5 мм), после намотки катушку с жала снял.

Теперь жук неплохо ловится даже из конца в конец трёхкомнатной квартиры. Из-за стен и расстояния возникают помехи-шумы, поэтому приёмник приходится поднастраивать по мере передвижения, иногда приходится выбирать высоту, на которой чище всего принимает. Слушаю в наушниках, положение их провода также влияет на приём. Иногда слышно хорошо, хорошо, хорошо, потом влезает какая-нибудь станция. Частота, если верить ползунку приёмника, около 80 МГц.

Но в целом звук громкий и отчётливый. Чувствительность у жука хорошая: слышу в наушниках сам себя, когда не слишком громко говорю что-нибудь, находясь в противоположном от жука конце комнаты (около 6 метров).

Спасибо всем за советы и наставления, вы мне очень помогли :)

aen, ну я потенциометр ставил не из-за того, что в стандартном ряду SMT нет ровно 35 кОм, а просто из-за того, что в магазин сгонять не было возможности, а под рукой был подстроечник :)

Но если посоветуете, как улучшить результат, то я буду только рад. Не хочу останавливаться на достигнутом.

_________________
When in deadly danger, when beset by doubt, run in little circles, wave your arms and shout.


Вернуться наверх
 
Не в сети
 Заголовок сообщения: Re: Не работает жучок
СообщениеДобавлено: Пн ноя 12, 2012 23:04:22 
Поставщик валерьянки для Кота
Аватар пользователя

Карма: 29
Рейтинг сообщений: 354
Зарегистрирован: Вс июл 11, 2010 14:39:04
Сообщений: 2458
Откуда: Россия.
Рейтинг сообщения: 0
Erling писал(а):
Но если посоветуете, как улучшить результат
Здесь не смотрели?
viewtopic.php?f=28&t=41327
В данной теме проверяют работоспособность жуков на FM диапазон разной сложности.
Печаток там нет, но есть жуки на любой вкус и под любые требования с низким напряжением питания.
Там перепробовали разные комбинации под разные требования в которых в одном случае делали упор на простоту, в другом на стабильность, в третьем дальность и т.д.
aen писал(а):
Четыре жучка разной сложности сделанных на макете просто для того, что бы посмотреть как они работают.
Первый по структурной схеме 100% жука, только удвоитель по другой схеме для получения большей мощности модулятор на двух транзисторах для получения большой чувствительности по микрофону. Хотя возможно мне просто плохой микрофон попался.
От третьего добивался максимум мощности. При этом пришлось пожертвовать стабильностью частоты.
Четвертый кварцованный и довольно мощный. Применено включение двух кварцев в параллель для увеличения резонансного промежутка и получения большой перестройке по частоте.
Когда пробовал с одним кварцем, то до широкополосной модуляции такой генератор не раскачивался.


Вернуться наверх
 
Не в сети
 Заголовок сообщения: Передатчик пищит
СообщениеДобавлено: Вт дек 18, 2012 20:25:40 
Родился

Зарегистрирован: Пн дек 17, 2012 23:29:21
Сообщений: 6
Откуда: Беларусь,г.Ружаны
Рейтинг сообщения: 0
Собрал передатчик по вот этой схеме:
http://kazus.ru/shemes/showpage/0/190/1.html
Cпаял навесом. Включил, словил не подключая микрофон.Норм словил, шумит тихонько...
Подключаю микрофон...И НАЧАЛИСЬ СВИСТОПЛЯСКИ!
Звук не передаёт, только пищит, как будто я генератор писка делал...
Отключаю микро-всё ок.
Транзюки поменял на 3102.
Что не так?
Прошу подсказать какие точно надписи должны быть на кондерах(английским), и как подключить другой источник сигнала, плеер например



Сюда перенес.
У Вас вероятно просто акустическая обратная связь.
Нужно уменьшать громкость на приемнике и отходить с жуком подальше от него.

Как подключить плеер можно посмотреть в этой теме.
viewtopic.php?f=28&t=61814

aen


Вернуться наверх
 
Не в сети
 Заголовок сообщения: Re: Не работает жучок
СообщениеДобавлено: Вт дек 18, 2012 21:47:29 
Родился

Зарегистрирован: Пн дек 17, 2012 23:29:21
Сообщений: 6
Откуда: Беларусь,г.Ружаны
Рейтинг сообщения: 0
Этот гундёж можно регулировать. я вместо 270к поставил переменный резюк, так вот им можно менять частоту этого, пардон, пердежа. Кондеры вроде все как надо, монтаж правильный. Может транз негодный, незнаю.

_________________
I'm dj VaVaNOk.
Обожаю канифоль=)


Вернуться наверх
 
Не в сети
 Заголовок сообщения: Re: Передатчик пищит
СообщениеДобавлено: Вт дек 18, 2012 21:51:48 
Модератор
Аватар пользователя

Карма: 158
Рейтинг сообщений: 1600
Зарегистрирован: Пт апр 28, 2006 15:26:07
Сообщений: 11940
Откуда: Россия.
Рейтинг сообщения: 0
Медали: 2
Мявтор 3-й степени (1) Лучший человек Форума 2017 (1)
Вы делали то, что Вам выше посоветовали?
aen писал(а):
Нужно уменьшать громкость на приемнике и отходить с жуком подальше от него.


Вернуться наверх
 
Не в сети
 Заголовок сообщения: Re: Передатчик пищит
СообщениеДобавлено: Вт дек 18, 2012 22:37:03 
Родился

Зарегистрирован: Пн дек 17, 2012 23:29:21
Сообщений: 6
Откуда: Беларусь,г.Ружаны
Рейтинг сообщения: 0
Да, отходил. Не помогло.

_________________
I'm dj VaVaNOk.
Обожаю канифоль=)


Вернуться наверх
 
Не в сети
 Заголовок сообщения: Re: Не работает жучок
СообщениеДобавлено: Пт дек 21, 2012 15:02:53 
Грызет канифоль

Карма: 2
Рейтинг сообщений: 3
Зарегистрирован: Чт мар 15, 2012 21:05:25
Сообщений: 271
Рейтинг сообщения: 0
ctrannik, я делал по этой же схеме, только несколько изменённой:
http://radiokot.ru/forum/download/file.php?id=125919

В модифицированной схеме между микрофоном и плюсом питания резистор 3к. Может, дело в том, что в твоей схеме он отсутствует?

_________________
When in deadly danger, when beset by doubt, run in little circles, wave your arms and shout.


Вернуться наверх
 
Не в сети
 Заголовок сообщения: Re: Не работает жучок
СообщениеДобавлено: Пт дек 21, 2012 16:40:58 
Модератор
Аватар пользователя

Карма: 158
Рейтинг сообщений: 1600
Зарегистрирован: Пт апр 28, 2006 15:26:07
Сообщений: 11940
Откуда: Россия.
Рейтинг сообщения: 0
Медали: 2
Мявтор 3-й степени (1) Лучший человек Форума 2017 (1)
Erling писал(а):
Может, дело в том, что в твоей схеме он отсутствует?
Так у вас микрофоны разные. В схеме нарисован трехвыводной, а ему никакой резиситор не нужен.
Резистор ставят в двухвыводном микрофоне.


Вернуться наверх
 
Не в сети
 Заголовок сообщения: Re: Не работает жучок
СообщениеДобавлено: Пт дек 21, 2012 18:39:06 
Грызет канифоль

Карма: 2
Рейтинг сообщений: 3
Зарегистрирован: Чт мар 15, 2012 21:05:25
Сообщений: 271
Рейтинг сообщения: 0
Точно.

_________________
When in deadly danger, when beset by doubt, run in little circles, wave your arms and shout.


Вернуться наверх
 
Не в сети
 Заголовок сообщения: Re: Не работает жучок
СообщениеДобавлено: Пн фев 25, 2013 22:49:12 
Грызет канифоль

Карма: 2
Рейтинг сообщений: 3
Зарегистрирован: Чт мар 15, 2012 21:05:25
Сообщений: 271
Рейтинг сообщения: 0
Столкнулся с непонятным явлением.

У моего передатчика телескопическая антенна.

Пробую передатчик, стою в паре метров, принимаю сигнал. Подхожу, чуть-чуть (где-то на сантиметр) удлиняю антенну, отхожу - по-прежнему слышно (частота чуть снижается, но это понятно). Повторяю операцию - всё равно слышно. И в какой-то момент, после очередного удлинения сигнал теряется. Совсем, то есть не частота уходит, а вообще передатчик не ловится.

С чем это может быть связано?

Частота, на которой слышно - где-то 79 МГц.

P.S. Почему-то с транзисторами C9018, КТ368 (я их пробовал раньше) в корпусе TO-92 такой фигни нет, а с SMDшками (BFR93A, BFS17P) появляется.

_________________
When in deadly danger, when beset by doubt, run in little circles, wave your arms and shout.


Вернуться наверх
 
Не в сети
 Заголовок сообщения: Re: Не работает жучок
СообщениеДобавлено: Пн фев 25, 2013 23:27:29 
Поставщик валерьянки для Кота
Аватар пользователя

Карма: 29
Рейтинг сообщений: 354
Зарегистрирован: Вс июл 11, 2010 14:39:04
Сообщений: 2458
Откуда: Россия.
Рейтинг сообщения: 0
Схему нужно выкладывать.
Если схема представляет из себя задающий генератор и сразу антенна, то не нужно там антенной манипулировать. Настроили с какой либо и больше не трогайте.
Делать лучше двухкаскадные жуки со слабой связью между каскадами. Два каскада делают не для увеличения мощности, а в основном, что бы развязать антенну и задающий генератор.
Схем подобных жуков на сайте полно.

В Вашем случае можно попробовать подбирать резистор отвечающий за смещение и увеличивать ток через транзистор, хотя без схемы сказать трудно.


Вернуться наверх
 
Не в сети
 Заголовок сообщения: Re: Не работает жучок
СообщениеДобавлено: Вт фев 26, 2013 09:40:10 
Грызет канифоль

Карма: 2
Рейтинг сообщений: 3
Зарегистрирован: Чт мар 15, 2012 21:05:25
Сообщений: 271
Рейтинг сообщения: 0
Схема вот эта: download/file.php?id=105552 Только без УНЧ, на вход через конденсатор подаю сигнал с плеера.

Я вообще сейчас занимаюсь двухкаскадными передатчиками, но этот однотранзисторный у меня как бы отладочный (например, работоспособность транзисторов проверяю).

R3 у меня 36 кОм, питание 6 В.

А это явление может быть связано с коэффициентом усиления? Например, у C9018 и КТ368 он 39 и 50 соответственно, а у моих SMDшек - всего 25 и 20. Может быть такое, что антенна "съедает" слишком много энергии, из-за чего генератор глохнет?
Например, BFS17P (hFe = 25) нормально работает при почти полностью вытянутой антенне (глохнет только при вытянутой на 100%), а BFR93A (hFe = 20) работает только если выдвинуто не более одного сегмента.

Просто очень хочется использовать SMD - дёшево и компактно.

Цитата:
то не нужно там антенной манипулировать. Настроили с какой либо и больше не трогайте.
Почему-то передатчик с транзистором, который "тянет" более длинную антенну, работает лучше.
Я просто сидел и пробовал разные транзисторы, по очереди их впаивая в схему. Внезапно на одном из транзисторов схема споткнулась и перестала работать. А потом я "укоротил антенну", и схема снова заработала. Мне стало интересно, что это - глюки или физическое явление. Вот и стал изучать взаимосвязь.

Цитата:
В Вашем случае можно попробовать подбирать резистор отвечающий за смещение и увеличивать ток через транзистор, хотя без схемы сказать трудно.
Схему выложил. Стоит R3 уменьшить?

_________________
When in deadly danger, when beset by doubt, run in little circles, wave your arms and shout.


Вернуться наверх
 
Не в сети
 Заголовок сообщения: Re: Не работает жучок
СообщениеДобавлено: Вт фев 26, 2013 10:24:28 
Друг Кота
Аватар пользователя

Карма: 64
Рейтинг сообщений: 1102
Зарегистрирован: Ср ноя 17, 2010 23:10:55
Сообщений: 5837
Откуда: Ижевск LO66NU
Рейтинг сообщения: 0
Мрак. А где L2? Если антенна подсоединяется через конденсатор, то она и должна быть "штырек 25см". Конденсаторы С7 и 0.1, который рядом, установлены?
(R3 уменьшить стОит).

_________________
В начале жизнь мучает вопросами, в конце - ответами...


Вернуться наверх
 
Не в сети
 Заголовок сообщения: Re: Не работает жучок
СообщениеДобавлено: Вт фев 26, 2013 10:39:50 
Грызет канифоль

Карма: 2
Рейтинг сообщений: 3
Зарегистрирован: Чт мар 15, 2012 21:05:25
Сообщений: 271
Рейтинг сообщения: 0
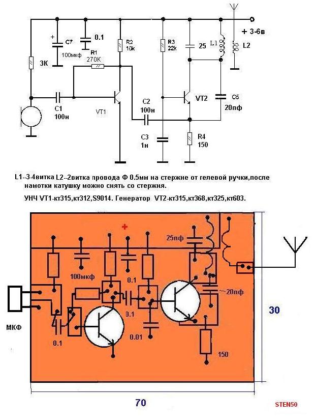
svic, упоминание об L2 осталось от схемы, из которой перерисовывалась данная схема :)) Мопед не мой - я её в таком виде и нашёл в этой теме, и там было пояснение, что никакой L2 на самом деле нет.

И C7, и 0.1 мкФ установлены, причём точно так, как на схеме - в непосредственной близости от разъёма питания.

R3 попробую уменьшить.

Вообще схема для такой простой работает вполне кучеряво, только вот с одним из ВЧ транзисторов спотыкается об антенну. А мне этот транзистор мил (у меня его много, поэтому хочется приспособить).

Цитата:
Если антенна подсоединяется через конденсатор, то она и должна быть "штырек 25см".
Почему-то с более длинной антенной схема работает лучше (с другими транзисторами).

_________________
When in deadly danger, when beset by doubt, run in little circles, wave your arms and shout.


Вернуться наверх
 
Не в сети
 Заголовок сообщения: Re: Не работает жучок
СообщениеДобавлено: Вт фев 26, 2013 16:43:39 
Друг Кота
Аватар пользователя

Карма: 72
Рейтинг сообщений: 1153
Зарегистрирован: Чт ноя 20, 2008 04:20:48
Сообщений: 8084
Откуда: КурскЪ
Рейтинг сообщения: 0
Вот держи с L2/
Вложение:
Передатчик 2 транза инд.JPG [70.82 KiB]
Скачиваний: 392

_________________
Принимаю вас 595+40db на уровне шумов на кухонный приёмник,антенна наружка-магнитная катушка..работает "Акация",вот такая информация.Роман.73!!!
"50 КСВ 075", UA3112SWL
Изображение


Вернуться наверх
 
Не в сети
 Заголовок сообщения: Re: Не работает жучок
СообщениеДобавлено: Вт фев 26, 2013 21:00:24 
Друг Кота
Аватар пользователя

Карма: 64
Рейтинг сообщений: 1102
Зарегистрирован: Ср ноя 17, 2010 23:10:55
Сообщений: 5837
Откуда: Ижевск LO66NU
Рейтинг сообщения: 0
Erling писал(а):
Почему-то с более длинной антенной схема работает лучше (с другими транзисторами)
Потому, что чем длиннее антенна, тем выше эффективность излучения и приёма. Кроме того её размеры приближаются к оптимальным. ФМ это примерно 3м и при длине антенны 75см она начинает работать в резонансе.
Erling писал(а):
Может быть такое, что антенна "съедает" слишком много энергии, из-за чего генератор глохнет?
Увеличивается её емкость, добротность контура при этом падает, падает и амплитуда в нем, тока в цепи обратной связи становится недостаточно для поддержания генерации. Уменьшайте номинал R3.
Erling писал(а):
C7, и 0.1 мкФ установлены, причём точно так, как на схеме - в непосредственной близости от разъёма питания.
0.1 должен соединять верхний конец контура и нижний вывод конденсатора С3. Можно просто перепаять нижний вывод С3 на верхний конец контура. В данном случае общим проводом для ВЧ является плюсовая шина питания т.к. эмиттер генератора не имеет непосредственной блокировки на земляную шину.

_________________
В начале жизнь мучает вопросами, в конце - ответами...


Вернуться наверх
 
Показать сообщения за:  Сортировать по:  Вернуться наверх
Начать новую тему Ответить на тему  [ Сообщений: 1239 ]     ... , , , 38, , , ...  

Часовой пояс: UTC + 3 часа


Кто сейчас на форуме

Сейчас этот форум просматривают: нет зарегистрированных пользователей и гости: 14


Вы не можете начинать темы
Вы не можете отвечать на сообщения
Вы не можете редактировать свои сообщения
Вы не можете удалять свои сообщения
Вы не можете добавлять вложения

Найти:
Перейти:  


Powered by phpBB © 2000, 2002, 2005, 2007 phpBB Group
Русская поддержка phpBB
Extended by Karma MOD © 2007—2012 m157y
Extended by Topic Tags MOD © 2012 m157y