Например TDA7294

Форум РадиоКот • Просмотр темы - Радиоуправление. Переходим на МК.
Форум РадиоКот
Здесь можно немножко помяукать :)

Текущее время: Пт мар 13, 2026 21:07:02

Часовой пояс: UTC + 3 часа


ПРЯМО СЕЙЧАС:



Начать новую тему Ответить на тему  [ Сообщений: 870 ]    , , , , 5, , , ...  
Автор Сообщение
 Заголовок сообщения: Re: Радиоуправление. Переходим на МК.
СообщениеДобавлено: Вс ноя 30, 2014 09:11:36 
Потрогал лапой паяльник
Аватар пользователя

Карма: 13
Рейтинг сообщений: 43
Зарегистрирован: Ср мар 31, 2010 11:45:58
Сообщений: 307
Откуда: Славянск
Рейтинг сообщения: 0
mixon46 посмотрите здесь: http://chipenable.ru/index.php/programm ... tsiya.html
есть пример для кодевижена.


Вернуться наверх
 
 Заголовок сообщения: Re: Радиоуправление. Переходим на МК.
СообщениеДобавлено: Вс ноя 30, 2014 09:33:34 
Говорящий с текстолитом
Аватар пользователя

Карма: 10
Рейтинг сообщений: 16
Зарегистрирован: Сб фев 18, 2012 15:42:29
Сообщений: 1644
Откуда: Курск
Рейтинг сообщения: 0
вот вот. то что нужно :)) правда до массивов я еще не дошел. не знаю как ими пользоваться :o а схема в протеусе. простая схема но довольно сложная программа. блин сложно понять все эти операторы переменные, массивы и таймеры. трудно


Вернуться наверх
 
 Заголовок сообщения: Re: Радиоуправление. Переходим на МК.
СообщениеДобавлено: Вс ноя 30, 2014 16:02:18 
Друг Кота

Карма: 1
Рейтинг сообщений: 91
Зарегистрирован: Вт мар 13, 2012 12:16:13
Сообщений: 9039
Откуда: .ru
Рейтинг сообщения: 0
mixon46 писал(а):
если подашь питание на PD.O то светодиод загорится и не потухнет через определенное время.
))) ты долго держиш кнопку. там нужно кратковременно нажимать кнопку, намного менее 0,2 секунды... если не упееш то диод будет продолжать гореть... это просто программа-образец. В реале всё нужно делать подругому. :tea:
программирование - интересная наука, развивает логику))

MASIK вы там уже кораблик собрали ? пульт уже на подходе... :)


Вернуться наверх
 
 Заголовок сообщения: Re: Радиоуправление. Переходим на МК.
СообщениеДобавлено: Вс ноя 30, 2014 17:45:46 
Говорящий с текстолитом
Аватар пользователя

Карма: 10
Рейтинг сообщений: 16
Зарегистрирован: Сб фев 18, 2012 15:42:29
Сообщений: 1644
Откуда: Курск
Рейтинг сообщения: 0
ну понял понял.

вывод на сигментники выходит просто


void main (void)
{


while (1)

{
PORTB=0bxxxxxxxx; \\ 0
delay_ms (100);
PORTB=0bxxxxxxxx; \\1
delay_ms (100);
PORTB=0bxxxxxxxx; \\2
delay_ms (100);
PORTB=0bxxxxxxxx; \\3
delay_ms (100);
PORTB=0bxxxxxxxx; \\4
delay_ms (100);
PORTB=0bxxxxxxxx; \\5
delay_ms (100);
PORTB=0bxxxxxxxx; \\6
delay_ms (100);
PORTB=0bxxxxxxxx; \\7
delay_ms (100);
PORTB=0bxxxxxxxx; \\8
delay_ms (100);
PORTB=0bxxxxxxxx; \\9
delay_ms (100);
}
}

это перебор цифр на сигментниках. цифры выводятся через каждые 0.1 сек. под 0bxxxxxxxx записана нужная цифра. это проще некуда. а вот потом каждую 1 сек нужно прибавлять следующий десяток. первый сигмент справа считает десятую секунды. второй считает единицы секунд. третий десятки секунд (по достижении каждых 60 сек начинает прибавлять единицы минут.) всего 4 сигмента. (максимальный счет 9 мин. 59 сек. 0.9 сек) тут еще должна быть кнопка которая при первом нажатии запускает счет. при втором нажатии счет приостанавливает. и третье нажатие сбрасывает на ноль все сигменты. индикация динамическая так как не хватит ног у тини 2313 на 4 семисигментника


Вернуться наверх
 
Эиком - электронные компоненты и радиодетали
 Заголовок сообщения: Re: Радиоуправление. Переходим на МК.
СообщениеДобавлено: Вс ноя 30, 2014 21:26:58 
Грызет канифоль

Карма: 5
Рейтинг сообщений: 2
Зарегистрирован: Пн авг 12, 2013 21:24:55
Сообщений: 291
Рейтинг сообщения: 0
«Орешек знаний тверд, но все же, мы не привыкли отступать …..», оказывается подводных камней больше чем ожидал. Нашел четыре шаговых двигателя и не одного на 12В , 24в—27в—28в, победить можно преобразователем DC/DC. Поиск парных кварцев не увенчался успехом, также просмотр интернет магазинов, вскрыл две машинки, в одной RX -2 и ТХ-2 на 27 мГц, вторая на каком то модуле с наклейкой 49 мГц. Предлагаю вот такое решение, ка Вы думаете работать будет. Корпус пульта выклеивать придется самому из стекловолокна, на регуляторы скорости и поворот поставим колесики с пружинкой для возврата в среднее положение. Заканчиваю болванку для вклейки корпуса, перевел кучу пенопласта и нервов. Хочу спросить, по схеме шифратора можно делать печатку. Если да то вырисовываю полную схему и рисую печатку. До весны все будет готово.


Вернуться наверх
 
 Заголовок сообщения: Re: Радиоуправление. Переходим на МК.
СообщениеДобавлено: Вс ноя 30, 2014 23:09:45 
Друг Кота

Карма: 1
Рейтинг сообщений: 91
Зарегистрирован: Вт мар 13, 2012 12:16:13
Сообщений: 9039
Откуда: .ru
Рейтинг сообщения: 0
для шаговых двигателей придётся менять схему. Впринципе двигатель на 24V может работать и от 12V...
Поиск кварцев - трудная задача. Поэтому проще найти парочку с разносом частот 300...500 кГц, поставить пару катушек в ФСС и не париться))) Вот, пара кварцев 27 мГц от старых машинок в передатчик у нас уже есть. К ним нужно найти ещё парочку: 27,300...27,500 Мгц.
А зачем такой сложный регулятор - колесики с пружинкой ? Можно и обычные резисторы поставить. На работу пульта это не влияет. :roll:
Печатку ещё рано делать... хочу получше параметры. :tea:
Такая схема мне не нравится.Изображение1-Слишком сложно. 2-Стабильность простого генератора на 455 кГц всеравно хуже чем кварца. Делать высокостабильный генератор 455 кГц без кварца - размер пульта будет большим... 3-Фильтр тоже не супер... Короче, слишком всё мудрёно для простого кораблика :facepalm:
До весны - долго)) На Новый Год под ёлку! :beer:


Вернуться наверх
 
 Заголовок сообщения: Re: Радиоуправление. Переходим на МК.
СообщениеДобавлено: Пн дек 01, 2014 18:39:33 
Грызет канифоль

Карма: 5
Рейтинг сообщений: 2
Зарегистрирован: Пн авг 12, 2013 21:24:55
Сообщений: 291
Рейтинг сообщения: 0
Давайте остановимся на чем то одном, для гребного винта эл двигатель коллекторный с шим регулятором, а на управлении рулем можем сообразить самодельное серво или шаговый двигатель, шаговый пообещали на 12в. Смотрите сами что проще по программе и ли что уже готово, на Ваш выбор. С кварцами тоже есть идея, берем с теликов на 8867 кГц возбуждаем на 3 гармонике 26601кГц и с машинки 27145 кГц итого ПЧ 544кгц довольно таки приемлемо, с учетом разброса телевизионных кварцев, можно выбрать их в наличии около двух десятков. Регулятор на пульте, это просто колесико одетое на вал резистора. Без пружинки есть вероятность при транспортировке крутнуть колесико и при включении питания что то включится, а с пружинкой все будет стоять в среднем положении. Можно без пружинки , делаем риску в среднем положении, и крутим в одну или другую сторону как на приемниках или магнитофонах. Хочется использовать все 270 градусов резистора, весь диапазон регулировки и плавность шим регулятора.


Вернуться наверх
 
 Заголовок сообщения: Re: Радиоуправление. Переходим на МК.
СообщениеДобавлено: Вт дек 02, 2014 18:17:42 
Друг Кота

Карма: 1
Рейтинг сообщений: 91
Зарегистрирован: Вт мар 13, 2012 12:16:13
Сообщений: 9039
Откуда: .ru
Рейтинг сообщения: -3
Остановимся пока на простом варианте:
1-для гребного винта эл двигатель коллекторный с шим регулятором. - ШИМ уже готово.
2-для управлении рулем сообразим самодельное серво. - АЦП уже готово.
По программе впринципе не важно коллекторный или шаговый. Недостаток шагового - нужно использовать 4 вывода МК для управления, вместо 2 для коллекторного:
Изображение- это образец схемы.
Будем использовать все 270 градусов резистора. - это уже готово. Пружинка - это уже на Ваше усмотрение.
Кварцы: Будем использовать мою рацию, проверенную. :roll: Кварц 8867 кГц ставим в приёмник и возбуждаем на 3 гармонике 26601кГц. Главное чтобы кварц был нормальный. С хорошей добротностью кварцы легко возбуждаются на 3-гармонике. В передатчик поставим кварц с машинки 27145 кГц - это гармониковый кварц. Во всех китайских игрушках используют гармониковые кварцы. Мне других ещё не попадалось. В моем передатчике лучше всего работают гармониковые кварцы на гармониках. Кварц 27145 кГц у нас будет работать на частоте 27130 кГц. Итого получим ПЧ: 529 кГц +/- 10 кГц. Короче ПЧ (округленно) 530 кГц. Нормально. :tea:
Итак...
Схема пульта:
Изображение
Схема собрана на макетке. Работает в тестовом режиме:
Изображение
Нижнии 4 диода показывают напряжение аккумулятора пульта. Верхнии пока не подключены.
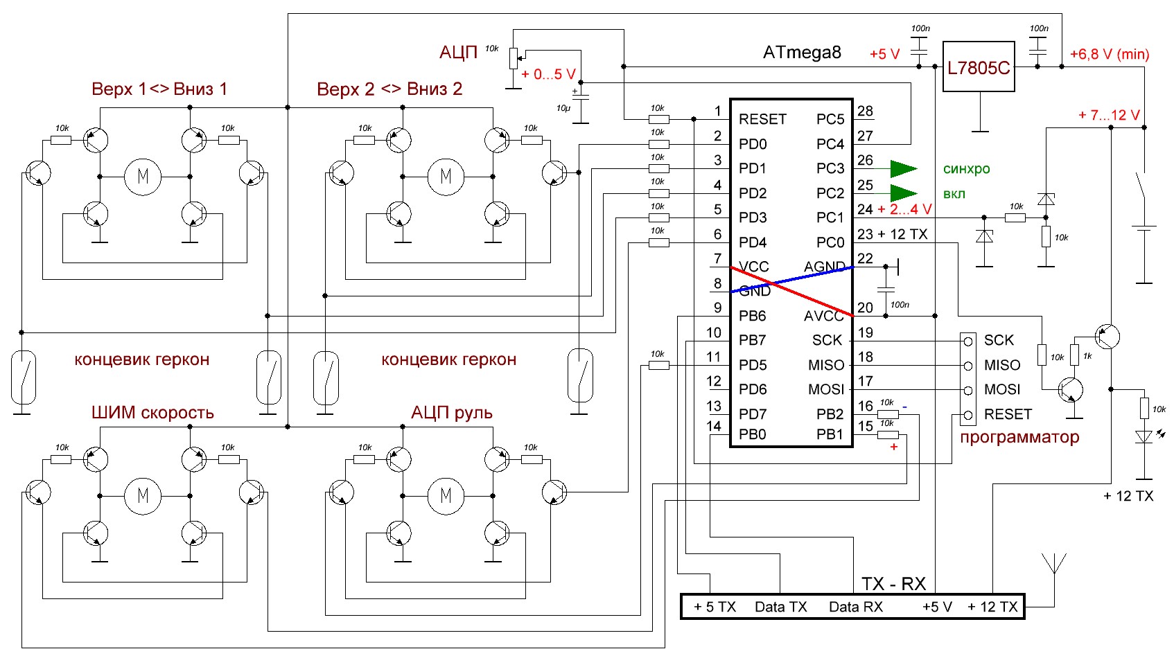
Схема блока управления модели "кораблик":
Изображение
Макетка: Вместо сервомоторчиков пока стоят светодиоды.
Изображение
Схема блока RX модели "кораблик":
Изображение
Макетка блока RX:
Изображение
Программа специально адаптирована под "кораблик". Это базовая программа. Машинка "переделанная" в "кораблик". :))) Потом её "подкрутим" в процессе усовершенствования схемы. 8) .
Краткое описание: Переда идет пакетами как и в машинке. Включили пульт, крутим скорость (вперед-30 скорости, назад-30 скорости), крутим руль(влево-32 деления руля, вправо-32 деления руля). Нажимаем кнопки "верх1<>вниз1", "верх2<>вниз2" в любой последовательности. Кнопки с фиксацией. Достаточно кратковременного нажатия. Далее серво работают пока не дойдут до герконев-концевиков. Можно поставить два переключателя или сделать 4 отдельных кнопки.
Кораблик отслеживает пакеты АЦП и ШИМ. Если нет ни АЦП ни ШИМ пакета белее 1 секунды, кораблик останавливается, все сервомашинки выключаются, кроме руля. Сервомашинка руля продолжает работать при пропадании сигнала, пока не установит точное положение руля по последнему принятому пакету. Т.е. возврата в нейтральное положение нет. Это сделано специально, чтобы при появлении сигнала кораблик продолжил движение в заданном направлении. Для остановки крутим скорость или просто выключили пульт.
Ну примерно так. Осталось уточнить мелкие вопросы... :roll:


Вложения:
Комментарий к файлу: прошивка блока управления модели "кораблик"
RX1.hex [4.21 KiB]
Скачиваний: 469
Комментарий к файлу: прошивка пульт.
TX1 - 8.hex [4.76 KiB]
Скачиваний: 448
Комментарий к файлу: Схема блока управления модели "кораблик"
модель1-1.JPG [220.67 KiB]
Скачиваний: 760
Комментарий к файлу: схема пульта
пульт1.JPG [211.25 KiB]
Скачиваний: 575
Вернуться наверх
 
 Заголовок сообщения: Re: Радиоуправление. Переходим на МК.
СообщениеДобавлено: Вт дек 02, 2014 21:18:41 
Друг Кота
Аватар пользователя

Карма: 64
Рейтинг сообщений: 1102
Зарегистрирован: Ср ноя 17, 2010 23:10:55
Сообщений: 5837
Откуда: Ижевск LO66NU
Рейтинг сообщения: 0
Немножко напрягает полярность транзюков в оконечнике НЧ Rx - 390Ком получается вроде как ПОС?
В исходнике корректнее.
Изображение

_________________
В начале жизнь мучает вопросами, в конце - ответами...


Вернуться наверх
 
 Заголовок сообщения: Re: Радиоуправление. Переходим на МК.
СообщениеДобавлено: Вт дек 02, 2014 22:13:24 
Грызет канифоль

Карма: 5
Рейтинг сообщений: 2
Зарегистрирован: Пн авг 12, 2013 21:24:55
Сообщений: 291
Рейтинг сообщения: 0
Все понял приступаю к изготовлению серво привода. Просмотрите схему пульта, нарисовал общую и по пробовал добавить коммутацию. Может на полевики добавить брайвера. Особо обратите внимание там где выделено красным, мог и на путать. :roll: Прошу сильно не пинать, как понимал так и рисовал. Проект получается шикарный но не самый простой. В дешифраторе понравелось решение с концевиками , управляющее напряжение на корпус раз , и все стало , очень оригинально. Может вместо би полярных применить полевики в мостах двигателей у них сопротивление перехода меньше. Удивляюсь когда Вы все успеваете. :beer:


Вернуться наверх
 
 Заголовок сообщения: Re: Радиоуправление. Переходим на МК.
СообщениеДобавлено: Вт дек 02, 2014 23:49:12 
Друг Кота

Карма: 1
Рейтинг сообщений: 91
Зарегистрирован: Вт мар 13, 2012 12:16:13
Сообщений: 9039
Откуда: .ru
Рейтинг сообщения: 0
svic писал(а):
напрягает полярность транзюков в оконечнике...

:))) Вот сразу видно пришёл специалист и своим зорким глазом нашёл ошибку в схеме. Ну естественно я напутал. :oops: Естественно транзисторы нужно поменять местами. Иначе через открытие переходы будет К.З. ... и большой бах! )))
Впрочем, сейчас это уже и не важно. Это была идея сделать "пульт-рация". Два в одном. Переключая МК<>динамик (и микрофон в передатчике), можно былобы пользоваться радиостанцией и как рацией и как пультом. Но если рация нам не нужна, то тогда лучше переделать. Поставить простой компаратор на 3-x транзисторах... :roll:
Изображение
MASIK писал(а):
Просмотрите схему пульта, нарисовал общую...

Эх...много нюансов... Но давайте всё по порядку. :tea:
1-зачем столько стабилизаторов? Вся схема должна работать от одного стабилизатора +5V.
2-ВЧ часть - много нюансов.

Вопрос: приёмник будем собирать на К174ХА6 или на транзисторах или на какой-нибудь МС3361 и т.д... ? У меня микрухи закончились :)))


Вернуться наверх
 
 Заголовок сообщения: Re: Радиоуправление. Переходим на МК.
СообщениеДобавлено: Ср дек 03, 2014 07:50:19 
Говорящий с текстолитом
Аватар пользователя

Карма: 10
Рейтинг сообщений: 16
Зарегистрирован: Сб фев 18, 2012 15:42:29
Сообщений: 1644
Откуда: Курск
Рейтинг сообщения: 0
на tda7021 собери. микруха маленькая. у меня модуль получился меньше спичечного коробка. но он на фм диапазон. хотел совместить с передатчиком. и как нарошно его расстроил. не могу теперь настроить. не нахожу волну. пробником проверяю, напряжение есть на выходе а частоту найти не могу. потерял


Вернуться наверх
 
 Заголовок сообщения: Re: Радиоуправление. Переходим на МК.
СообщениеДобавлено: Ср дек 03, 2014 16:56:09 
Друг Кота

Карма: 1
Рейтинг сообщений: 91
Зарегистрирован: Вт мар 13, 2012 12:16:13
Сообщений: 9039
Откуда: .ru
Рейтинг сообщения: -3
Опять эти приёмники с низкой ПЧ ... КР174ХА34, зарубежный аналог TDA7021... чёто не нравятся мне они. Не лежит у меня душа к ним :)))
А ты на кварце приёмник собирал? У нас схема на кварцах. У нас система радиоуправления на фиксированной частоте, без подстроек.

кораблик. Внес изменения в схему. Выкидываем лишнии детали.))
Блок управления корабликом: Убираем диоды - ограничители... УНЧ ...
Изображение
Блок RX кораблика. Компаратор на 3-х транзисторах. Помоему так проще.
Изображение
УПЧ Т.к. пары кварцев у нас нет, то собираем по схеме с ПЧ 530 кГц. Для этого просто выкидываем ФСС. Естественно избирательность резко уменьшается. Чувствительность практически такая же, теперь она определяется полосой пропускания одного контура в смесителе. Если управлять корабликом по деревне, где никто не работает на соседнем канале нашего кораблика, то нормально. Избирательность определяет единственный контур в смесителе.
Компаратор Подстроечником подкрутили импульсы на выходе так, чтобы длительность и пауза были одинаковыми. Впринципе высокая точность не требуется. Достаточно просто "на глаз". МК потом сам посчитает )).
Индикатор уровня - по нему удобно настраивать контура приёмника. Но использовать его для определения сигнала не получится. Точность вообще никакая. Зависит от расстройки антенны... и т.д. и т.п... :facepalm:
Стабилизатор Для нормальной работы МК требуется довольно стабильное питание. Темболее МК без кварца. Вся схема питается от одного стабилизатора L7805 (от старого блока питания компьютера). Кушает стабилизатор около 4 mA - нормально. Даёт стабильно 5 V при входном напряжении от 7 V (минимум 6,8 V). Вот тут проблема. С таким стабилизатором нужен аккумулятор в пульт с нимимальным напряжением 7 V. Две литионки по 3,6 V не пойдут. Они дают 7,2 V - это среднее напряжение при 50 % разряда... Т.е. или ставить 3 банки аккумуляторов (что не очень хочется) или использовать две банки только на половину ёмкости (часто заряжать)...
Второй вариант - самодельный стабилизатор на транзисторах, работающий при меньшем напряжении, от 6 V. :roll:
MASIK писал(а):
Просмотрите схему пульта, нарисовал общую...

Вообщем всё плохо.
1-не рекомендуется просто соединять вместе две антенны от передатчика и от приёмника. Нужен простенький коммутатор. Иначе сигнал передатчика ослабит УВЧ приёмника... и самомму УВЧ приёмника не очень будет "приятно" когда на него подадут не слабенький (около 5...7 вольт амплитуда) сигнал от передатчика.
2-ошибка схемы стабилизатора. Это компенсационный стабилизатор. Забыли диоды. Они вместо стабилитрона. Нижний транзистор сравнивает напряжение с диодов и с делителя и управляет верхним транзистором... верхний меняет сопротивление... напряжение стабилизируется. Кстате этот стабилизатор работает и при 6 V. Минимум около 5,7...5,8 V. Правда чуть хуже стабильность чем у заводского L7805.
3- если хотите дополнительный контур в УПЧ, то лучше включить так же как и в смесителе - с отводом.
Изображение
А вообще конечно RX работать будет по этой схеме. :)
4-Зачем в передатчике отдельный стабилизатор?
5-В передатчике генератор и буфер работают в связке. Буфер устраняет влияние последующих каскадов на генератор. Поэтому они настраиваются вместе один раз и больше их не трогаем. Если оторвать эмиттер буфера, то частота генератора изменится примерно на несколько килогерц - это не допустимо! Для этого даже специально выбраны малые токи генератора и буфера. У нас высокостабильная система. Управлять мощностью передатчиком можно меняя режим выходного каскада (усилителя мощности). При этом частота не меняется.
Изображение
Вы забыли ? У нас всепогодный военный корабль! ))) Он должен работать в любых климатических условиях! :))) Зимой минус 30 и летом плюс 40... частота передатчика будет "уходить" не более чем на 400 Герц. Т.е. на работу радиолинии погода не влияет.


Вложения:
RX-1_cr.jpg [186.33 KiB]
Скачиваний: 687


Последний раз редактировалось roman.com Ср дек 03, 2014 21:48:25, всего редактировалось 4 раз(а).
Вернуться наверх
 
 Заголовок сообщения: Re: Радиоуправление. Переходим на МК.
СообщениеДобавлено: Ср дек 03, 2014 19:17:22 
Друг Кота
Аватар пользователя

Карма: 75
Рейтинг сообщений: 623
Зарегистрирован: Ср дек 24, 2008 09:58:58
Сообщений: 3775
Рейтинг сообщения: 0
Медали: 3
Мявтор 1-й степени (1) Мявтор 2-й степени (1) Мявтор 3-й степени (1)
Роман, я хорошо понимаю Ваше желание познать на практике что как работает. Похоже, этот этап Вы уже прошли, разработав рацию на дискретных компонентах и ее применение для управления моделями. Но использовать сегодня результаты Ваших опытов в реальных, пусть даже любительских, изделиях и тем более советовать другим повторять их - это как минимум откат в далёкое прошлое.

Я вижу, Вы уже "выросли" от дискретной логики до микроконтроллеров. Что мешает перейти на следующий этап - собрать радиоуправление на современных микросхемах приемников/передатчиков, управляемых микроконроллерами, например
http://radiokot.ru/circuit/digital/game/20/ или
http://radiokot.ru/circuit/digital/security/33/
Их (в частности, начинающим) и собирать проще, особенно первую конструкцию без мелких деталей. Налаживание радиочасти у них сводится к программированию. Дроссели можно заменить готовыми SMD, пары кварцев подбирать не надо, и работать- все будет от 3.6В, т.е. от одной литиевой банки даже без стабилизаторов. Да и параметры по чувствительности/избирательности, обеспечиваемые встроенной DSP, будут просто несоизмеримыми со транзисторными схемами на тройке контуров.

По Вашей схеме приемника: вместо H-мостов на 24 транзисторах советую применить 2 микросхемы драйверов DC моторов, например DRV8833. Одна такая микра может управлять двумя моторами. А вместо 7805 использовать LDO, например, из серии MCP1703 с током потребления 2 мкА и падением напряжения от 0.6в.


Вернуться наверх
 
 Заголовок сообщения: Re: Радиоуправление. Переходим на МК.
СообщениеДобавлено: Ср дек 03, 2014 22:21:39 
Друг Кота

Карма: 1
Рейтинг сообщений: 91
Зарегистрирован: Вт мар 13, 2012 12:16:13
Сообщений: 9039
Откуда: .ru
Рейтинг сообщения: 0
Эх... всё правильно Вы говорите. В основе рации была схема из журнала ещё начала 90-х :solder:
С современными микросхемами приемников/передатчиков я ещё не работал, но думаю скоро дойдём и до них. Самодельные радиомодули на дискретных элементах я делаю больше для интереса. Тут сайт радиолюбителей. Может комуто будет тоже интересно собрать всё самому, включая простые радиомодули. Понятно что самодельные модули не могут конкурировать с заводскими. Поэтому я и не пытаюсь делать сложные передатчики и супергетеродины с двойным-тройным преобразованием... никто не будет их собирать, когда есть готовые. А собрать простенький передатчик на 3-х транзисторах и простенький супергетеродин с одним преобразованием, без точного подбора кварцев, без сложных фильтров (1 катушка УПЧ + 1 катушка детектор)... думаю желающие найдутся.
Результат моих опытов - это микроконтроллер с программой и алгоритмы его работы по радиоканалу. Собственно из-за этого я и затеял тут всё. Думаю всё это не ограничится простыми игрушками.)) Все схемы блочные. В любой момент модули можно поменять на заводские.
Следующий этап ? Вы спешите... я ещё и МК не до конца освоил. )))
Для H-мостов на 24 транзисторах... у меня есть коробка транзисторов, которые незнаю куда деть, выкинуть жалко ))).
Ладно. Сейчас ещё поэкспериментируем. Упростим для новичков :))) и пойдём дальше... :tea:
Ссылки почитаем. 8)
Если у Вас есть опыт работы с радиомодулями, можите представить свой вариант схемы. Будет несколько вариантов схемы. :)


Вернуться наверх
 
 Заголовок сообщения: Re: Радиоуправление. Переходим на МК.
СообщениеДобавлено: Чт дек 04, 2014 00:59:58 
Друг Кота
Аватар пользователя

Карма: 75
Рейтинг сообщений: 623
Зарегистрирован: Ср дек 24, 2008 09:58:58
Сообщений: 3775
Рейтинг сообщения: 0
Медали: 3
Мявтор 1-й степени (1) Мявтор 2-й степени (1) Мявтор 3-й степени (1)
Да, я Вас и на этот раз хорошо понял (в смысле пп.5 касательно души). Насчет монтажа, я и сам раньше боялся за СВЧ браться. Но оказалось, что делать СВЧ приемники/передатчики на дискретных компонентах с нуля и на специализированных микросхемах - это 2 **большие** разницы. В последнем случае микросхемы требуют минимальной обвязки в радиотракте, и если сделать разводку как указано в статьях, проблем не будет никаких. Это полностью нигелирует пп.1-3. Насчет прямой видимости, на частотах до 1000 мгц она для надежной связи в пределах 100-200м не требуется, почитайте статью по второй ссылке выше и части 2,3 к ней (ссылки см. у меня в профиле).

А вот насчет сборки устройств на транзисторах начинающими - ведь для работы с микросхемами их не требуется сначала на транзисторах собирать. Кроме того, далеко не все кто изготавливает аппаратуру для радиоуправления хотят стать специалистами в связи. Те, кто захотят скорее всего пойдут по Вашему пути, но мне кажется эта тема форума не ликбез в плане радиосвязи, а ориентирована скорее на создания работающего практического устройства управления моделями. Хотя, это Ваша тема. Насчет радиолампы - радиолюбители более старого поколения чем мы собирали детекторные приемники на вариометрах и работали телеграфом, но предлагать сегодня начинающим пройти весь их путь мягко говоря не сработает. Короче, не ищите во мне врага - я на Вашей стороне, поэтому и пытаюсь подсказать Вам что-то.


Вернуться наверх
 
 Заголовок сообщения: Re: Радиоуправление. Переходим на МК.
СообщениеДобавлено: Чт дек 04, 2014 18:50:27 
Мудрый кот
Аватар пользователя

Карма: 19
Рейтинг сообщений: 166
Зарегистрирован: Сб окт 10, 2009 17:16:58
Сообщений: 1732
Откуда: Россия.
Рейтинг сообщения: 0
Ser60 писал(а):
но мне кажется эта тема форума не ликбез в плане радиосвязи, а ориентирована скорее на создания работающего практического устройства управления моделями.
Здесь Вы по моему ошибаетесь.
Здесь в теме именно ликбез, а для тех, кому нужна законченная кострукция, то идут читать книжки в которых описаны уже готовые конструкции или ищут в статьях.
Кстати слежу за вашими статьями и очень много почерпнул из них.
Занимался системами радиоуправления лет 30 - 40 назад и довольно хорошо знаю состояние дел на тот период, а вот с современными системами знаком слабо и меня интересует главный по моему вопрос в подобных современных системах, что практически не раскрыт, если я читаю описание какой либо современной конструкции, хотя бы те, что Вы привели по ссылкам.
Это принципы кодирования в этих системах. Имеется в виду методы помехоустойчивого кодирования команд.
Принципы конечно известны, но интересует именно те, что применяют на практике.
Был бы признателен, если бы Вы ответилию хотя бы кратко или дали ссылки, если они Вам известны.


Вернуться наверх
 
 Заголовок сообщения: Re: Радиоуправление. Переходим на МК.
СообщениеДобавлено: Чт дек 04, 2014 19:47:34 
Друг Кота
Аватар пользователя

Карма: 75
Рейтинг сообщений: 623
Зарегистрирован: Ср дек 24, 2008 09:58:58
Сообщений: 3775
Рейтинг сообщения: 0
Медали: 3
Мявтор 1-й степени (1) Мявтор 2-й степени (1) Мявтор 3-й степени (1)
Вполне возможно, что я ошибаюсь - тема не моя и может я неверно понял намерения ТС, так что не настаиваю на своем понимании темы. Люди в теме общаются, делают совместно устройство, чему-то учатся, и это уже хорошо. Им только куратора не хватает, но я на себя такую роль не возьму.

Насчет помехоустойчивого кодирования, я раньше работал в этой области в АН СССР/РАН, но это были скорее теоретические исследования. В практичеком применении этих принципов к управлению я, к сожалению, специалистом не являюсь. Спасибо за теплые слова в адрес моих статей, готовлю новые.


Вернуться наверх
 
 Заголовок сообщения: Re: Радиоуправление. Переходим на МК.
СообщениеДобавлено: Чт дек 04, 2014 21:44:30 
Друг Кота

Карма: 1
Рейтинг сообщений: 91
Зарегистрирован: Вт мар 13, 2012 12:16:13
Сообщений: 9039
Откуда: .ru
Рейтинг сообщения: -3
Ser60 писал(а):
Что мешает перейти на следующий этап - собрать радиоуправление на современных микросхемах приемников/передатчиков, управляемых микроконроллерами...

Ну собственно к этому все идёт. Только не так быстро... Почитал Вашу статью. http://radiokot.ru/circuit/digital/security/33/ Интересно. Впринципе всё понятно. Осталось скачать даташит и углубиться в схемы... :roll: Но чуть позже. Сначала хочу доделать свою схему. Контрольные суммы CRC... полиномы... это используют в современной заводской схеме радиоуправления моделями. Пока представляю в общих чертах, только в теории. До этого ещё не дошёл...
Здесь в теме именно ликбез получился.
MASIK писал(а):
Все понял приступаю к изготовлению серво привода...

Ну как успехи? Когда уже будет торжественный спуск на воду? :)))
Вообщем из всего выше сказанного, решил что лучше собрать из двух отдельных модулей: 1-блок управления. 2-радиомодуль. Чтобы можно было менять радиомодули отдельно. :) Вообщем схема будет такая.
Пульт:
Изображение
Модель:
Изображение
Радиомодули будут одинаковые, в пульте и модели, самодельные, взаимозаменяемые. На выбор.
Радиомодуль вариант 1 На микросхеме.
Изображение
Микросхема впринципе любая, от ЧМ приёмника.
Радиомодуль вариант 2 На транзисторах. На случай если нет под рукой микросхемы. Никакой ))
Изображение
Все параметры у модулей практически одинаковые.
Радиомодуль вариант 3 Использование готовых модулей. Это в перспективе.
.......

Я понимаю что использование дробного детектора совместно с микроконтроллером выглядит несколько необычно... но подойдите к этому креативно :)))
Осталось дело за малым. Собрать и написать программу. :roll:


Вложения:
TX-RX ДД.JPG [187.37 KiB]
Скачиваний: 577
TX-RX ХА6.JPG [182.48 KiB]
Скачиваний: 666
модель1.JPG [240.25 KiB]
Скачиваний: 696
пульт1.JPG [173.71 KiB]
Скачиваний: 706
Вернуться наверх
 
 Заголовок сообщения: Re: Радиоуправление. Переходим на МК.
СообщениеДобавлено: Чт дек 04, 2014 22:58:31 
Друг Кота
Аватар пользователя

Карма: 75
Рейтинг сообщений: 623
Зарегистрирован: Ср дек 24, 2008 09:58:58
Сообщений: 3775
Рейтинг сообщения: 0
Медали: 3
Мявтор 1-й степени (1) Мявтор 2-й степени (1) Мявтор 3-й степени (1)
Хотите использовать в своей программе CRC - см. сюда:
http://www.ti.com/lit/swra111
Там есть готовый код на С, всего с десяток строчек.


Вернуться наверх
 
Показать сообщения за:  Сортировать по:  Вернуться наверх
Начать новую тему Ответить на тему  [ Сообщений: 870 ]    , , , , 5, , , ...  

Часовой пояс: UTC + 3 часа


Вы не можете начинать темы
Вы не можете отвечать на сообщения
Вы не можете редактировать свои сообщения
Вы не можете удалять свои сообщения
Вы не можете добавлять вложения

Найти:
Перейти:  


Powered by phpBB © 2000, 2002, 2005, 2007 phpBB Group
Русская поддержка phpBB
Extended by Karma MOD © 2007—2012 m157y
Extended by Topic Tags MOD © 2012 m157y