Например TDA7294

Форум РадиоКот • Просмотр темы - увеличить дальность действия пду вертолета
Форум РадиоКот
Здесь можно немножко помяукать :)

Текущее время: Ср окт 08, 2025 18:07:07

Часовой пояс: UTC + 3 часа


ПРЯМО СЕЙЧАС:



Начать новую тему Ответить на тему  [ Сообщений: 13 ] 
Автор Сообщение
Не в сети
 Заголовок сообщения: увеличить дальность действия пду вертолета
СообщениеДобавлено: Чт июл 31, 2014 15:37:54 
Родился

Зарегистрирован: Чт июл 31, 2014 15:26:01
Сообщений: 5
Рейтинг сообщения: 0
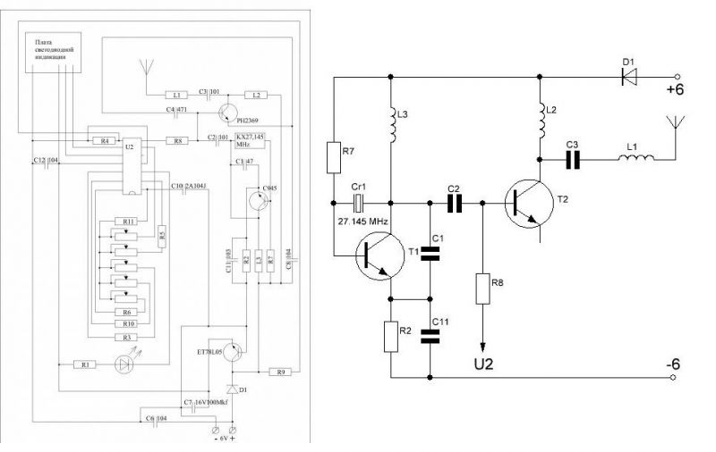
друг купил игрушку вертолет. все бы хорошо. но радиус действия управления около трех метров. поиски в инете по решению проблемы не помогли. как увеличить мощность передатчика пду простым способом? с паяльником знакомы . схемы читаем но и только. схему пду прилогаю Изображение


Вернуться наверх
 
Не в сети
 Заголовок сообщения: Re: увеличить дальность действия пду вертолета
СообщениеДобавлено: Чт июл 31, 2014 18:33:18 
Друг Кота
Аватар пользователя

Карма: 64
Рейтинг сообщений: 1099
Зарегистрирован: Ср ноя 17, 2010 23:10:55
Сообщений: 5837
Откуда: Ижевск LO66NU
Рейтинг сообщения: 0
Чушь какая-то. Два кондюка в эмиттере - один в базу, другой в плюс и больше ничего.... :dont_know:

_________________
В начале жизнь мучает вопросами, в конце - ответами...


Вернуться наверх
 
Не в сети
 Заголовок сообщения: Re: увеличить дальность действия пду вертолета
СообщениеДобавлено: Чт июл 31, 2014 18:45:58 
Друг Кота
Аватар пользователя

Карма: 107
Рейтинг сообщений: 1031
Зарегистрирован: Пт дек 17, 2010 15:07:50
Сообщений: 12364
Откуда: Крымский Федеральный Округ
Рейтинг сообщения: 0
Там на некоторых "резисторах" обозначение катушек. Воот. Но эмиттер по постоянному току всё равно в воздухе.

_________________
Изображение
И ты врёшь!!! © Vladisman
Изображение


Вернуться наверх
 
Не в сети
 Заголовок сообщения: Re: увеличить дальность действия пду вертолета
СообщениеДобавлено: Чт июл 31, 2014 18:54:13 
Родился

Зарегистрирован: Чт июл 31, 2014 15:26:01
Сообщений: 5
Рейтинг сообщения: 0
меня самого это с толку сбивает. я начал заниматься электроникой еще при лампах. потом запустил. но . как работает данная схема я не понимаю. но бог с ним. если возможность сделать что то типа ретранслятора. простого. для усиление сигнала пду? и если да. то помогите со схемой


Вернуться наверх
 
Не в сети
 Заголовок сообщения: Re: увеличить дальность действия пду вертолета
СообщениеДобавлено: Чт июл 31, 2014 18:58:42 
Друг Кота
Аватар пользователя

Карма: 107
Рейтинг сообщений: 1031
Зарегистрирован: Пт дек 17, 2010 15:07:50
Сообщений: 12364
Откуда: Крымский Федеральный Округ
Рейтинг сообщения: 0
Ретрансялор это неправильный выход. это во-первых приёмник настроить, во-вторых передатчик. Ещё и синхронизировать всё. Плюс отдельное питание...

Проще обычный УВЧ. Но для этого сначала надо понять это "творчество". А для этого хотя бы перерисовать этот абстракционизм в "консервативном", классическом течении.

_________________
Изображение
И ты врёшь!!! © Vladisman
Изображение


Вернуться наверх
 
Не в сети
 Заголовок сообщения: Re: увеличить дальность действия пду вертолета
СообщениеДобавлено: Чт июл 31, 2014 19:03:16 
Друг Кота
Аватар пользователя

Карма: 64
Рейтинг сообщений: 1099
Зарегистрирован: Ср ноя 17, 2010 23:10:55
Сообщений: 5837
Откуда: Ижевск LO66NU
Рейтинг сообщения: 0
Да схема классическая - кварцевик+УМ, должно тянуть нормально (а SMD катушки и выглядят как резюки и УГО такое допускают. Короче не суть), а вот эмиттер УМ к земле гальванически подцеплен быть обязан - ищите резюк на плате. Сделайте простецкий индикатор поля (их тут море в этом разделе форума) и поглядите излучение. Но скорее всего туп приемник - в этом направлении и следует рыть.
Изображение

_________________
В начале жизнь мучает вопросами, в конце - ответами...


Вернуться наверх
 
Не в сети
 Заголовок сообщения: Re: увеличить дальность действия пду вертолета
СообщениеДобавлено: Пт авг 01, 2014 15:24:34 
Открыл глаза

Зарегистрирован: Пт авг 01, 2014 15:16:43
Сообщений: 51
Откуда: Королев
Рейтинг сообщения: 0
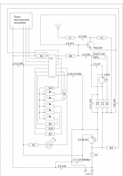
Здравствуйте. Я тот самый "друг, который купил игрушку". Сразу хочу извиниться, действительно, схему составил неправильно - потерял одну дорожку. Вот верный вариант. Благодарю старожилов за советы, внимательно изучу все.
Изображение

И кусочек подправленный, соответственно:
[img][url=http://img.radiokot.ru/files/99103/medium/ep8hj7ra2.jpg][img][/img]


Вернуться наверх
 
Не в сети
 Заголовок сообщения: Re: увеличить дальность действия пду вертолета
СообщениеДобавлено: Пт авг 01, 2014 20:05:34 
Открыл глаза

Зарегистрирован: Пт авг 01, 2014 15:16:43
Сообщений: 51
Откуда: Королев
Рейтинг сообщения: 0
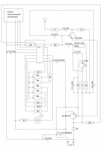
Чего-то кусочек не прицепился. Вот:
[img][url=http://img.radiokot.ru/files/99103/medium/ep8hj7ra2.jpg][img][/img]

Изображение


Вернуться наверх
 
Не в сети
 Заголовок сообщения: Re: увеличить дальность действия пду вертолета
СообщениеДобавлено: Ср авг 06, 2014 08:22:38 
Открыл глаза

Зарегистрирован: Пт авг 01, 2014 15:16:43
Сообщений: 51
Откуда: Королев
Рейтинг сообщения: 0
Поискал индикаторы поля, их тут такое разнообразие! Подскажите, какой из этих проще и лучше подойдет под частоту 27,145МГц?

http://radiokot.ru/forum/viewtopic.php?f=28&t=89110&p=1667558&hilit=%D0%B8%D0%BD%D0%B4%D0%B8%D0%BA%D0%B0%D1%82%D0%BE%D1%80+%D0%BF%D0%BE%D0%BB%D1%8F#p1667558


Вернуться наверх
 
Не в сети
 Заголовок сообщения: Re: увеличить дальность действия пду вертолета
СообщениеДобавлено: Ср авг 06, 2014 08:49:55 
Поставщик валерьянки для Кота
Аватар пользователя

Карма: 29
Рейтинг сообщений: 354
Зарегистрирован: Вс июл 11, 2010 14:39:04
Сообщений: 2458
Откуда: Россия.
Рейтинг сообщения: 0
Любой.
Вот отрывок из ненаписанной пока еще статьи.
Вложение:
индикатор.doc [28.5 KiB]
Скачиваний: 334


Вернуться наверх
 
Не в сети
 Заголовок сообщения: Re: увеличить дальность действия пду вертолета
СообщениеДобавлено: Ср авг 06, 2014 10:28:44 
Друг Кота
Аватар пользователя

Карма: 64
Рейтинг сообщений: 1099
Зарегистрирован: Ср ноя 17, 2010 23:10:55
Сообщений: 5837
Откуда: Ижевск LO66NU
Рейтинг сообщения: 0
Technik79 писал(а):
действительно, схему составил неправильно - потерял одну дорожку. Вот верный вариант.
Теперь всё срастается
Изображение
Только 7805 это не транзистор, а микросхема - стабилизатор на 5 вольт.....

_________________
В начале жизнь мучает вопросами, в конце - ответами...


Вернуться наверх
 
Не в сети
 Заголовок сообщения: Re: увеличить дальность действия пду вертолета
СообщениеДобавлено: Чт авг 07, 2014 08:09:15 
Открыл глаза

Зарегистрирован: Пт авг 01, 2014 15:16:43
Сообщений: 51
Откуда: Королев
Рейтинг сообщения: 0
То-то в даташите на него вместо коллектор-эмиттер "инпут-аутпут"...


Вернуться наверх
 
Не в сети
 Заголовок сообщения: Re: увеличить дальность действия пду вертолета
СообщениеДобавлено: Чт авг 07, 2014 08:53:52 
Открыл глаза

Зарегистрирован: Пт авг 01, 2014 15:16:43
Сообщений: 51
Откуда: Королев
Рейтинг сообщения: 0
Lazy писал(а):
Любой.
Вот отрывок из ненаписанной пока еще статьи.
Вложение:
индикатор.doc


Спасибо. Я правильно понял, что собирать мне надо индикатор поля, а ВЧ головка мне не нужна?


Вернуться наверх
 
Показать сообщения за:  Сортировать по:  Вернуться наверх
Начать новую тему Ответить на тему  [ Сообщений: 13 ] 

Часовой пояс: UTC + 3 часа


Кто сейчас на форуме

Сейчас этот форум просматривают: нет зарегистрированных пользователей и гости: 13


Вы не можете начинать темы
Вы не можете отвечать на сообщения
Вы не можете редактировать свои сообщения
Вы не можете удалять свои сообщения
Вы не можете добавлять вложения

Найти:
Перейти:  


Powered by phpBB © 2000, 2002, 2005, 2007 phpBB Group
Русская поддержка phpBB
Extended by Karma MOD © 2007—2012 m157y
Extended by Topic Tags MOD © 2012 m157y