Например TDA7294

Форум РадиоКот • Просмотр темы - УКВ приемник с ЦШ.
Форум РадиоКот
Здесь можно немножко помяукать :)

Текущее время: Пн дек 15, 2025 14:48:53

Часовой пояс: UTC + 3 часа


ПРЯМО СЕЙЧАС:



Начать новую тему Ответить на тему  [ Сообщений: 28 ]  1,  
Автор Сообщение
Не в сети
 Заголовок сообщения: УКВ приемник с ЦШ.
СообщениеДобавлено: Пт дек 04, 2015 00:34:34 
Первый раз сказал Мяу!
Аватар пользователя

Зарегистрирован: Вс ноя 15, 2015 15:25:39
Сообщений: 28
Рейтинг сообщения: 0
Где ещё можно посмотреть даташиты на samsung s227c это ам фм радио было. В инете не чего не нашёл.


Вернуться наверх
 
Не в сети
 Заголовок сообщения: Re: УКВ радиоприемник для начинающих.
СообщениеДобавлено: Пт дек 04, 2015 08:31:20 
Поставщик валерьянки для Кота
Аватар пользователя

Карма: 22
Рейтинг сообщений: 77
Зарегистрирован: Ср апр 01, 2009 12:32:13
Сообщений: 2024
Откуда: СПб
Рейтинг сообщения: 0
Насчет "samsung s227c" ничего не понял...


Вернуться наверх
 
Не в сети
 Заголовок сообщения: Re: УКВ радиоприемник для начинающих.
СообщениеДобавлено: Пт дек 04, 2015 11:03:32 
Первый раз сказал Мяу!
Аватар пользователя

Зарегистрирован: Вс ноя 15, 2015 15:25:39
Сообщений: 28
Рейтинг сообщения: 0
Был приёмник ам фм на микро схеме samsung s227c хотел найти в инете про неё хоть что то, не нашл. И поиск по дадашиту тоже нетчего не дал, не у вас на сайте не натдругих. Вот и спросил где можно найти про неё.


Вернуться наверх
 
Не в сети
 Заголовок сообщения: Re: УКВ радиоприемник для начинающих.
СообщениеДобавлено: Пт дек 04, 2015 13:47:06 
Поставщик валерьянки для Кота
Аватар пользователя

Карма: 22
Рейтинг сообщений: 77
Зарегистрирован: Ср апр 01, 2009 12:32:13
Сообщений: 2024
Откуда: СПб
Рейтинг сообщения: 0
Чего не знаю - того не знаю. Вообще, как мне кажется, это не полная маркировка ИМС... либо её кусок, либо это вообще что-то другое (партия/серия/дата и т.д.).
И у меня сайта нет, это всего лишь ЖЖ.


Вернуться наверх
 
Эиком - электронные компоненты и радиодетали
Не в сети
 Заголовок сообщения: Re: УКВ радиоприемник для начинающих.
СообщениеДобавлено: Пт дек 04, 2015 17:42:12 
Друг Кота
Аватар пользователя

Карма: 46
Рейтинг сообщений: 590
Зарегистрирован: Вт май 19, 2009 09:27:30
Сообщений: 3258
Откуда: Украина
Рейтинг сообщения: 0
Есть и у меня интересная задумка, и даже почти рабочий образец.
СпойлерИзображение
Изображение
Держит частоту стабильно. Приёмник сам на TA2003, кусок платы от автомагнитолы. КПЕ выброшен, на его место впаяны варикапы. Сигнал гетеродина подаётся на платку, что на фото, с платки - напряжение управляющее варикапами. И всё бы хорошо, но на некоторых частотах появляется "цифровая" помеха, производимая данной платкой. Планировал развести новую плату, да так пока руки не доходят. Хотя если б знать, что это ещё кому-то интересно кроме меня... А так пока проект заброшен.


Вернуться наверх
 
Не в сети
 Заголовок сообщения: Re: УКВ радиоприемник для начинающих.
СообщениеДобавлено: Пт дек 04, 2015 17:48:46 
Первый раз сказал Мяу!
Аватар пользователя

Зарегистрирован: Вс ноя 15, 2015 15:25:39
Сообщений: 28
Рейтинг сообщения: 0
ИМС целая) фото правда не айс, но видно что целая.
Там есть и второй ряд цыфр
Вложение:
IMG_20151204_173423.JPG [78.71 KiB]
Скачиваний: 1017

SAMSUNG s227c
S1A0426C02-SC

Не думаю что вторая строчка относится к маркировке. Хотя х.з

Нашёл что за радио было по плате))) оказалась китайское KIPO и судя по инету там не только SAMSUNG ставили, но и SONY SXA 1691BM
Получается они аналоги друг другу.


Вернуться наверх
 
Не в сети
 Заголовок сообщения: Re: УКВ радиоприемник для начинающих.
СообщениеДобавлено: Пт дек 04, 2015 19:57:19 
Поставщик валерьянки для Кота
Аватар пользователя

Карма: 22
Рейтинг сообщений: 77
Зарегистрирован: Ср апр 01, 2009 12:32:13
Сообщений: 2024
Откуда: СПб
Рейтинг сообщения: 0
ELcat писал(а):
...И всё бы хорошо, но на некоторых частотах появляется "цифровая" помеха, производимая данной платкой...

Синтезатор вообще желательно бы экранировать полностью.
Плюс разнести питание цифровой и аналоговой части, хотя бы на отдельные вторичные обмотки-мосты-стабилизаторы трансформатора питания.
Если хотите развести что-то новое, то лучше бы выбрать другую "однокристаллку". Например, ТЕА5710+стереодекодер (если он нужен) или СХА1538.
Мне очень нравится первая, ТЕА5710. У неё очень простая "обвязка" (за счет пьезокерамических фильтров) и всего 2 контура (ну, 3 с антенным). Вот тут немного про неё:
http://vitsserg.livejournal.com/48198.html


Кошара писал(а):
Нашёл что за радио было по плате))) оказалась китайское KIPO и судя по инету там не только SAMSUNG ставили, но и SONY SXA 1691BM
Получается они аналоги друг другу.

Эт хорошо, что удалось самому разобраться! :beer:


Вернуться наверх
 
Не в сети
 Заголовок сообщения: Re: УКВ радиоприемник для начинающих.
СообщениеДобавлено: Вс дек 06, 2015 14:08:30 
Друг Кота
Аватар пользователя

Карма: 46
Рейтинг сообщений: 590
Зарегистрирован: Вт май 19, 2009 09:27:30
Сообщений: 3258
Откуда: Украина
Рейтинг сообщения: 0
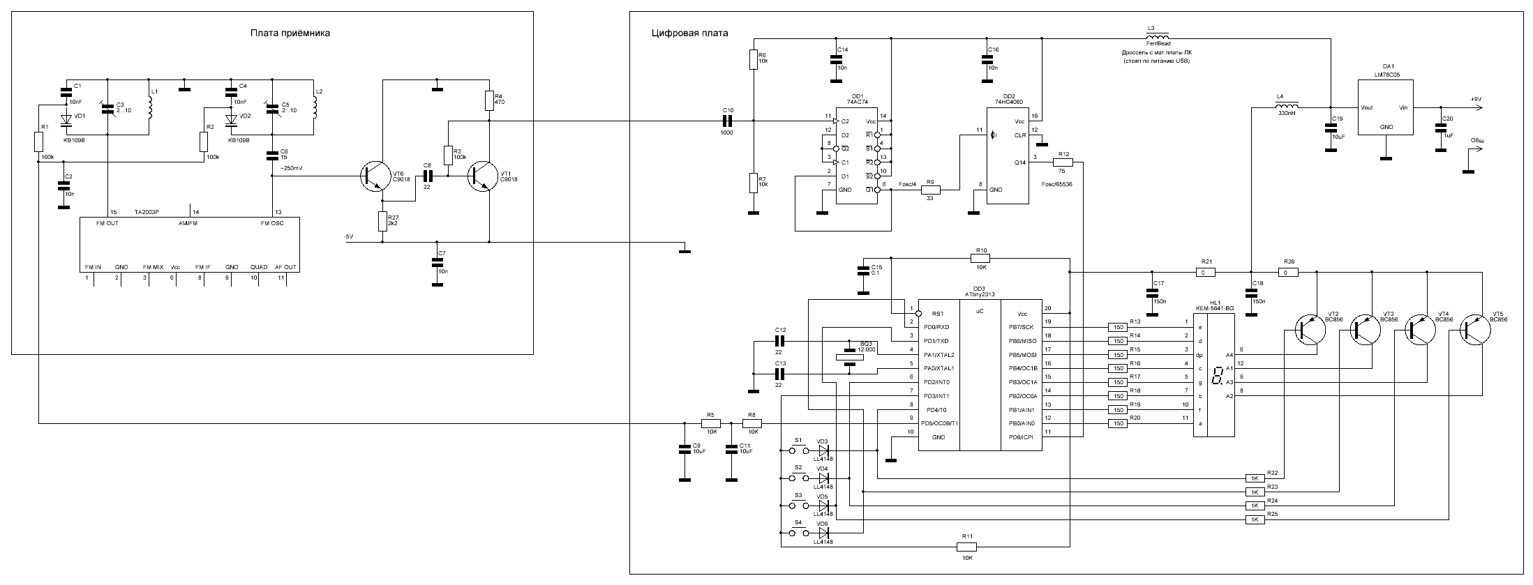
SergVi, спасибо за совет на счёт экранирования. Вы рекомендуете очень хорошие микросхемы, но к сожалению у нас в Украине настолько тяжёлая обстановка, что и некоторых ходовых элементов не сыскать. Не ходовые отказываются возить даже под заказ и с предоплатой. Всё что мне удалось - это выгрести остатки 2003-х в одном из магазинов. Стереодекодеры я нашёл на отдельных чипах, но пока их не задействовал. Так что приходится довольствоваться тем что есть.
СпойлерПока схема выглядит приблизительно так.
Вложение:
Temporary.GIF [40.46 KiB]
Скачиваний: 159
Там у меня не совсем синтезатор в привычном понимании. Просто делитель частоты 1/64к на логике и микроконтроллер, который считает частоту и генерирует ШИМ для управления варикапами. Кн 1 и 4 задаётся частота кратностью 1МГц, кн 2 и 3 - по 50кГц. Возможно что-то лезет по управляющему сигналу, может и по питанию (правда стабилизаторы 7805 отдельные, каждый на своей плате) или "по воздуху". Гетеродин развязан эмиттерным повторителем.

Кошара, мой прошлый смартфон снимал так же, поскольку в его 2МП камере не было автофокуса. Обзаведитесь парой-тройкой линз с разным фокусным расстоянием. Накрываете камеру линзой, далее приближая-отдаляя телефон находите точку с самой высокой чёткостью и снимаете. Из личного опыта, у вас получатся вполне чёткие фото.


Вернуться наверх
 
Не в сети
 Заголовок сообщения: Re: УКВ радиоприемник для начинающих.
СообщениеДобавлено: Вс дек 06, 2015 17:03:57 
Поставщик валерьянки для Кота
Аватар пользователя

Карма: 22
Рейтинг сообщений: 77
Зарегистрирован: Ср апр 01, 2009 12:32:13
Сообщений: 2024
Откуда: СПб
Рейтинг сообщения: 0
Я бы сказал шЫрше: ИМС "однокристалльных" приёмников вообще стало трудно найти, поскольку они древние, как мир... :) Сейчас основной их источник - старые магнитолы и автомагнитолы. В подавляющем большинстве случаев, они там "живые". Заодно можно оттуда и КПЕ, и контуры "тиснуть".
Могу поделиться платкой от радиотелефонов, там применялась ТА2111 в планаре (фото).
А вот тут хорошо описан приёмник на её основе (на болгарском языке):

http://www.kn34pc.com/construct/v_terzi ... sis_4.html

Изображение

Ещё один источник - старые ISA-платы FM-тюнеров. Например, у меня есть вот такая (фото). Тюнер на ТЕА5712, плюс синтезатор LM7000 и УНЧ на ТЕА2025 в придачу (фото). Была даже идея сделать управление синтезатором на МК, "отпилить" лишнее и получился бы готовый УКВ приёмник...

Изображение


Вернуться наверх
 
Не в сети
 Заголовок сообщения: Re:
СообщениеДобавлено: Пн дек 07, 2015 01:04:08 
Первый раз сказал Мяу!
Аватар пользователя

Зарегистрирован: Вс ноя 15, 2015 15:25:39
Сообщений: 28
Рейтинг сообщения: 0
ELcat, я так и делаю, через линзу фоткаю, только на планшет) но линза видать слабенькая.

SergVi писал(а):
А в смысле простоты - можно на ТЕА5710 (моно) или ТЕА5711(стерео). Я собирал в свое время на первой (см. фото), из этой же книги, только добавил буферный каскад для цифровой шкалы и стабилизатор 78L06. Работает без проблем. Вообще-то из "однокристалок" мне больше всего нравится СХА1238 (1538). Но это дело вкуса. Повторюсь, они все практически одинаковые.


SergVi, А схемки не сохранилось буферного каскада для цифровой шкалы?


Вернуться наверх
 
Не в сети
 Заголовок сообщения: Re: УКВ радиоприемник для начинающих.
СообщениеДобавлено: Пн дек 07, 2015 08:43:29 
Поставщик валерьянки для Кота
Аватар пользователя

Карма: 22
Рейтинг сообщений: 77
Зарегистрирован: Ср апр 01, 2009 12:32:13
Сообщений: 2024
Откуда: СПб
Рейтинг сообщения: 0
Чуть выше есть ссылка на статью в ЖЖ... там всё есть... Но если трудно кликнуть, то вот схема:

Изображение

Красным обведен буфер для ЦШ. Через С12 он подключается к гетеродину приёмника. Естественно, при этом мы внесём дополнительную ёмкость и частота настройки гетеродина "уплывёт" вниз. Соответственно, потребуется подстройка.
К выходу истокового повторителя (Fosc) подключается вход ЦШ. Питание буфера +5 В.

Можно попробовать "бесконтактный" способ подключения. С транзисторными не пробовал, а с ламповыми блоками УКВ работает без проблем. Для этого на хвостовике сверла 4,0 мм мотаем примерно 10...12 витков провода ПЭЛ или ПЭЛШО примерно 0,5 мм диаметром. С помощью кусочка коаксиального кабеля подключаем эту катушку (ессно, без сверла :))) ) ко входу ЦШ. Саму катушку подносим параллельно контуру гетеродина на 2 ... 5 мм. Если гетеродин работает, то на индикаторах ЦШ увидим частоту станции.
Такой способ почти не влияет на настройку контура гетеродина. Проверял это с ЦШ на основе LB3500-LC7265. Примерно так:

Изображение


Вернуться наверх
 
Не в сети
 Заголовок сообщения: Re: УКВ радиоприемник для начинающих.
СообщениеДобавлено: Пн дек 07, 2015 10:42:20 
Первый раз сказал Мяу!
Аватар пользователя

Зарегистрирован: Вс ноя 15, 2015 15:25:39
Сообщений: 28
Рейтинг сообщения: 0
Извините, я наверное не так спросил. Мне нужна схема всего, радио уже есть, и хочется к нему сделать что бы цыферки показывало, чистоту. Как у ELcat на фото в его посте за 4 декабря.


Вернуться наверх
 
Не в сети
 Заголовок сообщения: Re: УКВ радиоприемник для начинающих.
СообщениеДобавлено: Пн дек 07, 2015 11:03:13 
Поставщик валерьянки для Кота
Аватар пользователя

Карма: 22
Рейтинг сообщений: 77
Зарегистрирован: Ср апр 01, 2009 12:32:13
Сообщений: 2024
Откуда: СПб
Рейтинг сообщения: 0
Мда...
Вы для начала разберитесь, что хотите. Можно сделать просто ЦШ - это одно. Можно сделать синтезатор частоты - это другое. А "циферки будут бегать" в обоих случаях. :)))


Вернуться наверх
 
Не в сети
 Заголовок сообщения: Re: УКВ радиоприемник для начинающих.
СообщениеДобавлено: Пн дек 07, 2015 20:31:07 
Друг Кота
Аватар пользователя

Карма: 46
Рейтинг сообщений: 590
Зарегистрирован: Вт май 19, 2009 09:27:30
Сообщений: 3258
Откуда: Украина
Рейтинг сообщения: 0
SergVi писал(а):
Я бы сказал шЫрше: ИМС "однокристалльных" приёмников вообще стало трудно найти, поскольку они древние, как мир... :) Сейчас основной их источник - старые магнитолы и автомагнитолы.
Меня стандартный УКВ ЧМ мало интересовал. Изначально искал узкополосные МС3361 или 3372, поскольку планировал разработать что-то типа "народной Си-Би портативки" с дальностью до 5км и делать комплекты для самостоятельной сборки. Естественно, планировал закупиться ими основательно, но так и обломался, не найдя ни самих микросхем, ни тех, кто бы согласился их поставлять по разумной цене.
Поскольку с портативкой не сложилось, решил сделать FM цифровой сканер, опять же для выпуска комплектов на его основе. И тут та же беда - доставаемость микросхем в количествах.
А жаль, сколько народу можно было бы приобщить к чему-то более серьёзному, чем сборка КИТов мигалок/свистелок/перделок...
Ну а на счёт вашей ISA FM карточки, думаю, пилить её было бы крайне не разумно. Данный протокол открыт, прост и многими уже покорён. Ну а если сами не хотите делать эмулятор шины - выставьте её на сайте коллекционеров всяких "винрарных" компутерных цацок. С руками оторвут, ещё и озолотят маленько. :)


Вернуться наверх
 
Не в сети
 Заголовок сообщения: Re: УКВ радиоприемник для начинающих.
СообщениеДобавлено: Пн дек 07, 2015 22:10:58 
Поставщик валерьянки для Кота
Аватар пользователя

Карма: 22
Рейтинг сообщений: 77
Зарегистрирован: Ср апр 01, 2009 12:32:13
Сообщений: 2024
Откуда: СПб
Рейтинг сообщения: 0
Понятно. Что могу сказать, поздновато спохватились, время этих ИМС - увы - уже прошло...
Делать приёмник прямого усиления на СВ/ДВ сейчас вообще не актуально. Вот и остаются свистелки-моргалки...

За совет по ISA FM тюнеру спасибо, но этим я точно заниматься не буду. Мне как раз наоборот, интересен стандартный УКВ-ЧМ. На лампах. :)


Вернуться наверх
 
Не в сети
 Заголовок сообщения: Re: УКВ радиоприемник для начинающих.
СообщениеДобавлено: Вт дек 08, 2015 11:19:00 
Первый раз сказал Мяу!
Аватар пользователя

Зарегистрирован: Вс ноя 15, 2015 15:25:39
Сообщений: 28
Рейтинг сообщения: 0
SergVi, мне цифровую шкалу ЦШ если я правильно разшыфровал. :)


Вернуться наверх
 
Не в сети
 Заголовок сообщения: Re: УКВ радиоприемник для начинающих.
СообщениеДобавлено: Вт дек 08, 2015 20:59:29 
Поставщик валерьянки для Кота
Аватар пользователя

Карма: 22
Рейтинг сообщений: 77
Зарегистрирован: Ср апр 01, 2009 12:32:13
Сообщений: 2024
Откуда: СПб
Рейтинг сообщения: 0
"Жи" и "ши" пиши через "и". А так всё правильно :)

1. Готовая шкала - конструктор "КЕ325" на основе LB3500 - LC7267. От шкалы на LC7265 отличается тем, что здесь ещё и часы встроены. Цоколёвка у этих ИМС не совпадает. Из недостатков - общий мощный токоограничивающий резистор на все сегменты всех 4-х индикаторов. В результате - сегменты имеют разную яркость свечения (кому как - меня сильно раздражает).

http://www.radiokonstruktor.ru/Raznoe/KE325/

2. Готовая шкала "NT5002"от "Мастер-Кит" на основе ИМС SC3610. Есть часы и таймер. Индикация - ЖКИ. Гуглится легко.

3. Самодельная шкала на основе LB3500 - LC7265. Схему взял из datasheet и немного "подогнал" под свои потребности. Проверенная и хорошо работающая. Разработал 3 варианта РСВ: плата индикатора впаивается перпендикулярно основной плате, индикатор - на выносной плате, соединяются шлейфом от FDD и вариант, где часть элементов - SMD. Основное преимущество - отдельный резистор на каждый сегмент. Ну и плюс отдельные регулируемые стабилизаторы для LB3500 и LC7265. Бывает полезно, поскольку не все экземпляры этих ИМС хорошо работают от + 5,0 В.


Вернуться наверх
 
Не в сети
 Заголовок сообщения: Re: УКВ радиоприемник для начинающих.
СообщениеДобавлено: Вт дек 08, 2015 23:31:44 
Первый раз сказал Мяу!
Аватар пользователя

Зарегистрирован: Вс ноя 15, 2015 15:25:39
Сообщений: 28
Рейтинг сообщения: 0
Извините за ошибки, это т9 в планшете, не привык к нему.

Покупать не то, хочется самому собрать. Вы про это?
http://radiokot.ru/circuit/digital/measure/08/
Вопроса два, по поводу дисплея, он так и называется в магазине Цифровой дисплей 4-х разрядный на АЛС324Б что то сомневаюсь что в магазине есть.
И второй вопрос, в схеме 33 резистора 470 Ом?


Вернуться наверх
 
Не в сети
 Заголовок сообщения: Re: УКВ радиоприемник для начинающих.
СообщениеДобавлено: Ср дек 09, 2015 09:22:26 
Друг Кота
Аватар пользователя

Карма: 46
Рейтинг сообщений: 590
Зарегистрирован: Вт май 19, 2009 09:27:30
Сообщений: 3258
Откуда: Украина
Рейтинг сообщения: 0
А комплект для самостоятельной сборки вы бы приобрели?
LB3500 и LC7265 сейчас в дефиците, особенно первая.


Вернуться наверх
 
Не в сети
 Заголовок сообщения: Re: УКВ радиоприемник для начинающих.
СообщениеДобавлено: Ср дек 09, 2015 11:02:14 
Первый раз сказал Мяу!
Аватар пользователя

Зарегистрирован: Вс ноя 15, 2015 15:25:39
Сообщений: 28
Рейтинг сообщения: 0
Да, вы правы, прайс лист сайта магазина не нашёл таких схем. Может под заказ получится.
А дисплей из старой магнитолы может подойти?
Вложение:
IMG_20151209_104739.JPG [221.69 KiB]
Скачиваний: 940

Вложение:
IMG_20151209_105619.JPG [191.68 KiB]
Скачиваний: 594


Вернуться наверх
 
Показать сообщения за:  Сортировать по:  Вернуться наверх
Начать новую тему Ответить на тему  [ Сообщений: 28 ]  1,  

Часовой пояс: UTC + 3 часа


Кто сейчас на форуме

Сейчас этот форум просматривают: нет зарегистрированных пользователей и гости: 30


Вы не можете начинать темы
Вы не можете отвечать на сообщения
Вы не можете редактировать свои сообщения
Вы не можете удалять свои сообщения
Вы не можете добавлять вложения

Найти:
Перейти:  


Powered by phpBB © 2000, 2002, 2005, 2007 phpBB Group
Русская поддержка phpBB
Extended by Karma MOD © 2007—2012 m157y
Extended by Topic Tags MOD © 2012 m157y