Попала мне в руки микросхема однокристального приемника TDA7000 и я решил поэкспериментировать с ней. Понятно, что для начала спаял радиовещательный приемник УКВ по схеме из даташита и понятно, что он заработал, но потом прочитав, что данную микросхему можно перевести в режим узкополосного приема, решил проверить это. Про данный режим можно почитать в ж. Радио 2-1997 год. При этом гетеродин приемника делается внешний на кварце. Полоса пропускания приемника сужается изменением некоторых конденсаторов входящих в схему активных RC фильтров, что стоят в составе УПЧ данного приемника. Там предлагают сделать ПЧ порядка 4,5 кгц. Я же выбрал для своих экспериментов ПЧ величиной порядка 10 кгц.
Также попробовал сделать схему на 60 МГц. Отличие схемы только в том, что в гетеродине поставил кварц на 20 МГц возбуждаемый на третьей гармонике и убрал подстроечный конденсатор C30, т.к. перестраивать кварц работающий на механической гармонике нет смысла. Само собой изменились параметры катушек и некоторых конденсаторов в схеме задающего генератора, да и транзистор поставил более высокочастотный, но про это потом.
Для начала на основе этого узкополосного приемника решил сделать простенькую радиостанцию, а также попробовать на его основе сделать систему радиоуправления.
Схема этой простенькой радиостанции получилась такая.

Кварцы в радиостанции на основную гармонику 27 МГц. Можно конечно применить и гармониковые кварцы на 27 МГц или просто кварцы на 9 МГц, но это немного усложнит схему передатчика, т.к. для получения той же мощности придется делать передатчик трехкаскадный. Также делать разницу на 10 кгц в этом случае между частотой передатчика и частотой гетеродина в приемнике придется только с помощью сдвига частоты в передатчике с помощью подстройки катушки L8, хотя это и осуществимо.
УНЧ можно по любой схеме. Я поставил на MC34119. Передатчик по стандартной схеме. Задающий генератор в передатчике и гетеродин в приемнике сделан по схеме Колпитца. Кварц в передатчике такой же, что и в приемнике, только частота генерации у него сдвинута на 10 кгц ниже, чем в приемнике. Этой разницы добиваются с помощью конденсатора С30 в приемнике и настройкой катушки L8 в передатчике. Можно конечно в радиостанции оставить только один кварц и переключать его при приеме и передаче, но слишком уж много получается переключений.
При испытании радиостанции выявился тот недостаток, что если подносить микрофон близко и говорить слова начинающие с согласных звуков, т.е. например: «Два-два», то происходит перемодуляция и появляются искажения, но этот недостаток присущ всем простым ЧМ радиостанциям, поэтому приходится уменьшать девиацию, что снижает параметры радиостанции. Что бы избавиться от этого в схему модулятора вводят ограничитель сигнала и ФНЧ. В данном случае сигнал с модулятора нужно ограничить на уровне 2 вольта. Я перепробовал несколько схем ограничителей и компрессоров сигнала и мне всех больше понравился фазовый ограничитель сигнала. Про него можно почитать в ж. Радио 3-1980 год. Разница только в том, что вместо ФНЧ на LC я поставил активный ФНЧ на транзисторе. С подобным модулятором громкость мало зависит от того, как говорить в микрофон и на каком расстоянии его держать, а главное практически нет слышимых искажений.

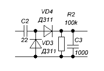
Принцип работы данного ограничителя можно почитать в ж. Радио, а структура и так понятна. Сигнал с микрофона усиливается транзисторами VT1, VT2, ограничивается диодами VD1, VD2, подается на фазовращатель VT3, затем идет второй ограничитель на VD3, VD4. После него идет ФНЧ на транзисторе VT4. Каскад на VT5 в данном случае доводит уровень звукового сигнала до нужной величины для получения нужной девиации частоты и подается на варикап. Как говорил, у меня оно получилось ~2V, поэтому подбирая резистор R19 устанавливаем напряжение звуковой частоты на выходе порядка ~2V т.е. ~4V от пика до пика.
Принцип можно понять глядя на картинку.

Реальный сигнал с микрофона имеет большие выбросы, т.е. имеет большой динамический диапазон, а основная информация о голосе находится внутри области ограниченной красными линиями. Для большей эффективности нам нужно отрезать то, что нам не важно и нужную часть усилить до требуемой величины, т.е. получить то, что на картинке справа. Если лишнее обрезать просто обычным двухсторонним ограничителем, то в полученном сигнале появятся сильные искажения, а вот схема, что показана выше как раз и делает о, что мы нужный участок вырезаем и при этом искажения сигнала приводим к минимуму. Таким приемом пользуются рекламщики при передаче рекламы по ТВ. Мы часто замечаем, что при передаче рекламы по ТВ у нас громкость как бы возрастает. На самом деле громкость остается прежней. Просто они тоже делаю подобное, что сделали и мы. Делать ли подобный модулятор зависит от вас, но он сильно повышает эффективность радиостанции.
Настройка довольно простая.
Подбираем R3, что бы на эмиттере VT2 была половина питания. Говорим в микрофон «Раз, два, три, четыре, пять, вышел зайчик погулять» и подбирая резистор R5, выставляем напряжение звуковой частоты порядка 1,5 вольта. У меня резистор получился ноль Ом, т.е. просто его закоротил. Это во многом зависит от микрофона. Дальше говоря ту же фразу, выставляем на выходе звуковое напряжение с помощью R19 2 вольта.
В принципе выходное напряжение звуковой частоты может быть другим, а как оно определяется написано в ч.3 и ч.4 данной темы, т.к. от его величины зависит девиация.
Под конец подбираем резистор R16, что бы напряжение на коллекторе VT5 было близко к половине напряжения питания. Еще можно VD1 и VD2 заменить на диоды с большим напряжение отсечки. Я поставил КД503, но это необязательно, но по моему работает лучше.
Я делал, что микрофон нужно подносить близко. Если нужна более высокая чувствительность микрофона, то вместо VT1 и VT2 поставить брлее чувствительный усилитель.
Теперь собственно настройка приемника и передатчика.
Базу транзистора выходного каскада передатчика VT2 отключаем от катушки связи. Сердечник L8 для начала выкручиваем. Крутим сердечник L7 и добиваемся генерации задающего генератора. Дальше закручиваем сердечник L8 и проводим те же действия, что описаны в ч.4, т.е. отсутствие паразитных колебаний, определяем какое напряжение звуковой частоты нужно подавать на варикап, что бы получить девиацию порядка ±5 кгц. Как говорил у меня получилjсь, что нужно подавать ~2V.
Если схему модулятора сделали без ограничения, то говорите в микрофон и подбором резистора R27 установите нужное напряжение звуковой частоты, т.е. что бы было и громко и не было искажений при пиках. Если модулятор с ограничителям, то его настройка уже описана выше.
К коллектору задающего генератора, т.е. VT3 подключите провод порядка 10 см. Это будет антенна. На вход модулятора подайте какой либо звуковой сигнал. Я просто делаю генератор на логике и подаю.

Отодвиньте передатчик на полметра и берите другой комплект радиостанции и приступим к настройке приемника.
Подстроечный конденсатор С30 ставим в среднее положение. Крутим сердечник катушки L3 и добиваемся генерации гетеродина. К коллектору транзистора можно подключить диодный пробник и настроится на максимум.

Имеет смысл последовательно с С2 в пробнике включить конденсатор 5,1 пф, что бы пробник меньше влиял на работу гетеродина.
В принципе должны услышать «писк», что передает передатчик, а может и не услышим, но это не важно. Можно покрутить подстроечный конденсатор С30, а также покрутить катушку L8 в передатчике. Если добьемся разницы частот передатчика и гетеродина приемника, то писк будет слышен. Нужно добиться максимальной громкости. Я к выводу «2» микросхемы TDA7000 подключал осциллограф и смотрел. Можно подключить мультиметр в режиме измерения переменного напряжения. Крутим L8 и С30 добиваясь максимума. Если при этом L8 крутили намного, то придется еще уточнить напряжение подаваемое на варикап, как это описано в ч.4 данной статьи, что бы девиация была порядка ±5 кгц.
Я настраивал с помощью осциллографа.
На вход модулятора нужно подать синусоидальный сигнал. Подобный генератор можно сделать самому. Схему генератора можно взять хотя бы отсюда.
http://radiokot.ru/circuit/analog/games/24/А можно просто и прямоугольные импульсы подать с генератора на логике, что выше приводил. Просто на выходе его поставить RC цепочку, что бы превратить их в подобие треугольных. Хотя, если модулятор с ограничителем, то они и без RC цепочки будут уже такие. При этом в модуляторе нужно отключить второй диодный ограничитель. Можно просто С10 отпаять. Я как раз так и сделал.
На вывод «2» подключаем осциллограф.

На осциллографе 0,5V/дел. Сначала с генератора ничего не подаем. С помощью катушки L8 в передатчике и подстроечного конденсатора С30 в приемнике устанавливаем напряжение на выводе «2» 1,3 вольта. После этого увеличиваем напряжение звуковой частоты с генератора и на выводе «2» уже видим картинку, что выше. Сделайте так, что бы импульсы на выводе «2» были порядка 0,5V, т.е. одна клеточка. Катушкой L8 и конденсатором С30 подстраиваем так, что бы картинка располагалась в промежутке 1 – 1,5 вольта, что и видно на картинке.
Так можно и величину девиации проверить. Что интересно, то амплитуда этих импульсов на выводе «2» будут уменьшаться не только, если девиация слишком мала, а и если она слишком большая. Поэтому нужно проверить. Постепенно увеличивая уровень звуковой частоты на входе модулятора видим, что на выводе «2» амплитуда импульсов увеличивается. Нужно довести их, что на картинке и посмотреть напряжение на варикапе. Это и будет максимальное звуковое напряжение, что можно подавать на варикап. Можно проверить потом, когда будет возможность говорить в микрофон.
Дальше настроим входной контур L1. Звуковой генератор в передатчике отключаем. Осциллограф через резистор в несколько килом подключаем к выводу «12» TDA7000 и крутим сердечник L1 добиваясь максимума. Там будет синусоида частотой около 10 кгц. Если нет осциллографа, то к выводу «12» подключаем диодный пробник. Только конденсатор С1 в нем нужно припаять порядка 0,01 мкф и тоже находим максимум. Так уровень где то десятые доли вольта. Чем дальше отодвинем передатчик, тем точнее будет настройка.
Теперь нужно настроить передатчик на максимальную мощность, а потом настроить антенну. Настройка ничем не отличается от настройки радиостанции описанной в ч.1 данной статьи. У меня на эквиваленте антенны, т.е. на резисторе 51 Ом получилось ВЧ напряжение порядка 4 вольта.
Данные катушек.
Катушки намотаны на каркасах диаметром 5,5 мм с карбонильными сердечниками.
L1 содержит 15 витков проводом 0,4 мм
L2 содержит 12 витков проводом 0,4 мм
L3 намотана поверх L2, содержит 3 витка любого тонкого провода. У меня ПЭЛШО 0,15 мм
L4 намотана проводом 0,15 мм. Количество витков зависит от длины антенны. Данные этой катушки можно взять из радиостанции, что описана в Ч.1 данной статьи.
L5 8 витков провода 0,4 мм
L6 7 витков тонкого провода. Намотана поверх катушки L7
L7 15 витков провода 0,4 мм
L8 36 витков провода 0,1 – 0,15 мм. Намотана секциями. Количество секций три, т.е. 3х12 витков.
Дроссель Др.1 стоит ДПМ-01. Индуктивность не критична и может быть в пределах 10 – 50 мкгн
Теперь попробую сделать такую же радиостанцию, но на частоту 60 МГц.