Например TDA7294

Форум РадиоКот • Просмотр темы - Китайский передатчик CZH-15A
Форум РадиоКот
Здесь можно немножко помяукать :)

Текущее время: Ср янв 28, 2026 16:34:28

Часовой пояс: UTC + 3 часа


ПРЯМО СЕЙЧАС:



Начать новую тему Ответить на тему  [ Сообщений: 25 ]  1,  
Автор Сообщение
Не в сети
 Заголовок сообщения: Китайский передатчик CZH-15A
СообщениеДобавлено: Вт июн 28, 2011 18:00:01 
Открыл глаза

Зарегистрирован: Пн янв 17, 2011 08:54:55
Сообщений: 43
Откуда: Юрюзань
Рейтинг сообщения: 0
Коты, доброго всем времени суток. надеюсь поможете. копаясь в сети, случайно увидал это:
http://fmpirate.org/product/komplekt-fm-peredatchik-15vt-v1-0-fm-stereo-pll-antenna-14-volny-156/
Параметры:
Фазовая автоподстройка частоты (PLL)
Рабочая частота :88MHz~108MHz
Мощность: 15Вт
Шаг настройки частоты: 100khz
Стабильность частоты: В±5ppm
Аудио вход: 3.5mm mini jack
Подавление гармоник (чистый сигнал)

вопрос в том, общался ли кто нибудь с форума с ними или что нибудь слышали о них.
понятное дело, что китай, качество плохое. но всё же, может можно с них вещать? :oops: :dont_know:


Вложения:
Передатчик.jpg [19.21 KiB]
Скачиваний: 1419

_________________
Всё кроме нас.
Сильнее в сотни раз.
Вернуться наверх
 
Не в сети
 Заголовок сообщения: Re: Китайский передатчик CZH-15A
СообщениеДобавлено: Вт июн 28, 2011 19:49:14 
Вымогатель припоя
Аватар пользователя

Карма: 2
Рейтинг сообщений: 1
Зарегистрирован: Ср дек 12, 2007 21:46:06
Сообщений: 508
Откуда: Георгиевск
Рейтинг сообщения: 0
Нормальное у них качество, ( у меня есть рация любительского диапазона)я бы такое покупал сразу у китайцев (например ebay.com). Будет дешевле. Вещать возможно, но нелязя (администативно/ уголовно наказуемо). На радиовещание нужна ЛИЦЕНЗИЯ. (по поводу а у меня тут деревня, город маленький никто не приедет, никому не надо, скажу что приедут и надают по мозгам, рано или поздно всеравно приедут.) Лучше не рисковать. Только не гугайтесь, я совсем не против радиопиратства, я сам понемножку пират. я вас предупреждаю, чтобы в тюрягу не попали. :o вещать можно и нужно на удаленных территорях-дачных поселках, туристических лагерях, деревнях, поселках. Но есть одно но : могут сдать свои же недоброжелатели. Я сам бы прикупил подобную FM шарманочку, но пока нет вышеописанной среды вещания (живу в городе 70 тыс. человек., это не много, но всеже.). Шарманщикам салют! :beer:

_________________
Нет повести печальнее на свете чем повесть о заклинившем ресете


Вернуться наверх
 
Не в сети
 Заголовок сообщения: Re: Китайский передатчик CZH-15A
СообщениеДобавлено: Вт июн 28, 2011 19:57:33 
Открыл глаза

Зарегистрирован: Пн янв 17, 2011 08:54:55
Сообщений: 43
Откуда: Юрюзань
Рейтинг сообщения: 0
спасибо за ответ, надеюсь будут ещё))
что касаемо "Вещать возможно, но нелязя (администативно/ уголовно наказуемо). На радиовещание нужна ЛИЦЕНЗИЯ.", я в этом, простите, "тёртый калач")))) 2 года вещал в своём городе. понемножку смс присылали, заявки принимал. вобщем никто ко мне не приходил)) а сейчас просто захотелось качество получше да и радиус

_________________
Всё кроме нас.
Сильнее в сотни раз.


Вернуться наверх
 
Не в сети
 Заголовок сообщения: Re: Китайский передатчик CZH-15A
СообщениеДобавлено: Вт июн 28, 2011 20:04:54 
Вымогатель припоя
Аватар пользователя

Карма: 2
Рейтинг сообщений: 1
Зарегистрирован: Ср дек 12, 2007 21:46:06
Сообщений: 508
Откуда: Георгиевск
Рейтинг сообщения: 0
интересно о чем вещаешь, какая аудитория. Связывайся со мной, могу по радиотехнике расказать многое, т.к. радиолюбитель. какой позывной думаю уже понял.

_________________
Нет повести печальнее на свете чем повесть о заклинившем ресете


Вернуться наверх
 
Эиком - электронные компоненты и радиодетали
Не в сети
 Заголовок сообщения: Re: Китайский передатчик CZH-15A
СообщениеДобавлено: Вт июн 28, 2011 22:58:35 
Мучитель микросхем
Аватар пользователя

Карма: 1
Рейтинг сообщений: 13
Зарегистрирован: Вс дек 05, 2010 23:41:46
Сообщений: 400
Откуда: 33
Рейтинг сообщения: 0
kirushen писал(а):
спасибо за ответ, надеюсь будут ещё))
что касаемо "Вещать возможно, но нелязя (администативно/ уголовно наказуемо). На радиовещание нужна ЛИЦЕНЗИЯ.", я в этом, простите, "тёртый калач")))) 2 года вещал в своём городе. понемножку смс присылали, заявки принимал. вобщем никто ко мне не приходил)) а сейчас просто захотелось качество получше да и радиус

Ну раз речь пошла про качество, то с китаем его точно не будет. 100% он ни грамма не лучше того, на чём вещаете сейчас. BH1415 - основа этого передатчика, по качеству звука находится на низшем уровне, благодаря мультиплексорной схеме, построенной на меандре, так же низкая перегрузочная способность, сокращение дальности итд., подробнее тут. Ну на выходе полевик, дубовый, был случай ремонта выходного конденсатора, корпус хороший да антенна смешная.


Вернуться наверх
 
Не в сети
 Заголовок сообщения: Re: Китайский передатчик CZH-15A
СообщениеДобавлено: Ср июн 29, 2011 08:05:21 
Вымогатель припоя
Аватар пользователя

Карма: 2
Рейтинг сообщений: 1
Зарегистрирован: Ср дек 12, 2007 21:46:06
Сообщений: 508
Откуда: Георгиевск
Рейтинг сообщения: 0
Да, все эти передатчики на одной и той же микре
Eger писал(а):
BH1415 - основа этого передатчика,
, Качество звука за их цену пойдет, всеравно чтобы различить звучание китая и проффесианального передатчика нужен будет НЕ китайский приемник :)) . А какие у наших слушателей приемники... Больше 100$ такой передатчик стоить не может (при мощности до 10-15Вт, дальше-дороже).
Вот ссылки на ebay, на те что мне понравились. Выбирайте тот что по вкусу и по карману, ибо переплачивать за ето смысла нет.
ссылка 1
ссылка 2
ссылка 3
ссылка 4
ссылка 5
ссылка 6

_________________
Нет повести печальнее на свете чем повесть о заклинившем ресете


Вернуться наверх
 
Не в сети
 Заголовок сообщения: Re: Китайский передатчик CZH-15A
СообщениеДобавлено: Ср июн 29, 2011 12:26:33 
Мучитель микросхем
Аватар пользователя

Карма: 1
Рейтинг сообщений: 13
Зарегистрирован: Вс дек 05, 2010 23:41:46
Сообщений: 400
Откуда: 33
Рейтинг сообщения: 0
Насчёт некитайского приёмника это вы зря.
Сигнал формируемый этой микрой занимает более широкую полосу, поэтому громкость вашей станции будет всегда ниже соседей. На определённом расстоянии при ослаблении сигнала такого передатчика высокие будут жутко забивать остальные частоты, так что слушать будет невозможно. Эти микры хороши в модуляторе авто прикуривателя, да и то - si 4711 и аналоги гораздо живее по звуку.
http://r-ks.ru/INSTRUCTION/FM2.htm.
ps я покупал у китайцев через ибей эмулятор, - так и лежит потому что не работоспособный (хз что там напихали), а обратиться не к кому (продавец не отвечает).


Вернуться наверх
 
Не в сети
 Заголовок сообщения: Re: Китайский передатчик CZH-15A
СообщениеДобавлено: Ср июн 29, 2011 13:10:55 
Вымогатель припоя
Аватар пользователя

Карма: 2
Рейтинг сообщений: 1
Зарегистрирован: Ср дек 12, 2007 21:46:06
Сообщений: 508
Откуда: Георгиевск
Рейтинг сообщения: 0
Да, тот передатчик получше китайских будет.
PS а чем BA1404 не угодила?

_________________
Нет повести печальнее на свете чем повесть о заклинившем ресете


Вернуться наверх
 
Не в сети
 Заголовок сообщения: Re: Китайский передатчик CZH-15A
СообщениеДобавлено: Ср июн 29, 2011 14:34:39 
Мучитель микросхем
Аватар пользователя

Карма: 1
Рейтинг сообщений: 13
Зарегистрирован: Вс дек 05, 2010 23:41:46
Сообщений: 400
Откуда: 33
Рейтинг сообщения: 0
А тем же что и bh1415. Они аналогичны по принципу действия.
я их раньше юзал но когда поменял кодер - звук стал просто офигенный(в т.ч. по отзывам слушателей :)) ), дальность возросла, исчезли искажения, проще стало настроить звук, да и вообще как то передатчик стал чем то вроде включил-и-забыл. С ба постоянно что то лазил-подстраивал-регулировал, вобщем не устраивала.
Сделали бы китайци эти передатчики моно, - и то бы лучше было, можно стерео, рдс, формировать звуковой картой или внешним кодером. А так покупать чтобы его потом неизменно дербанить - глупо.


Вернуться наверх
 
Не в сети
 Заголовок сообщения: Re: Китайский передатчик CZH-15A
СообщениеДобавлено: Ср июн 29, 2011 17:03:26 
Вымогатель припоя
Аватар пользователя

Карма: 2
Рейтинг сообщений: 1
Зарегистрирован: Ср дек 12, 2007 21:46:06
Сообщений: 508
Откуда: Георгиевск
Рейтинг сообщения: 0
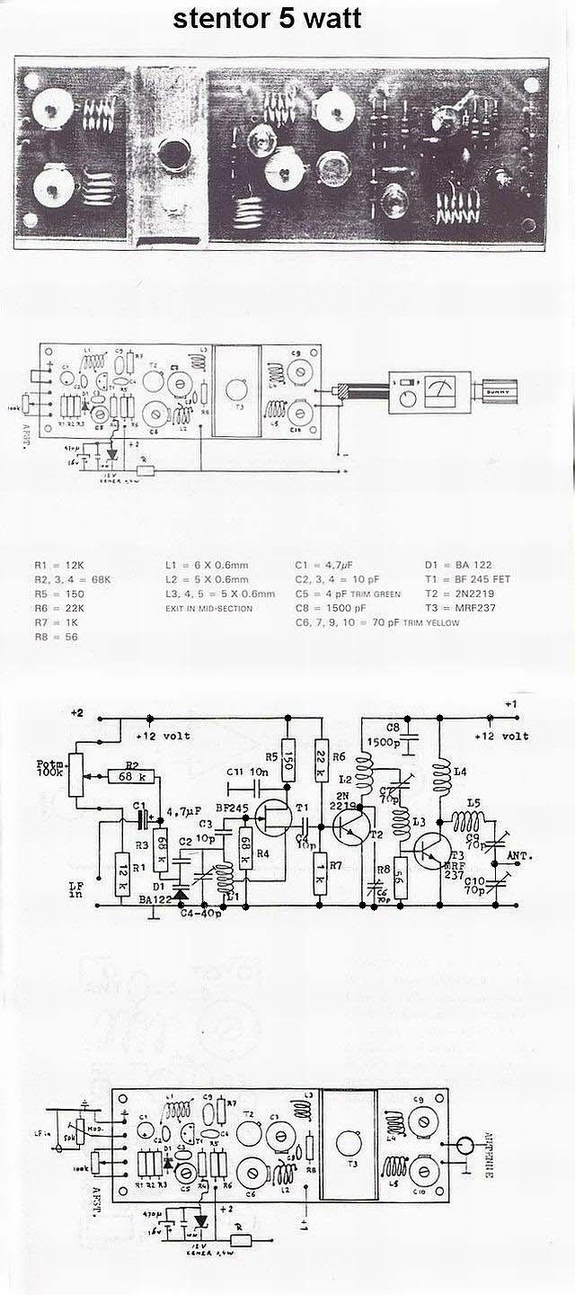
Да, за ту цену меня совсем не устраивает, лучше собрать самодельный (лучше конечно с цифровым управлением и кварцованный) можно и такой или Веронику


Вложения:
281_Stentor_5watt.jpg [143.45 KiB]
Скачиваний: 1540

_________________
Нет повести печальнее на свете чем повесть о заклинившем ресете
Вернуться наверх
 
Не в сети
 Заголовок сообщения: Re: Китайский передатчик CZH-15A
СообщениеДобавлено: Ср июн 29, 2011 17:50:32 
Открыл глаза

Зарегистрирован: Пн янв 17, 2011 08:54:55
Сообщений: 43
Откуда: Юрюзань
Рейтинг сообщения: 0
ну впринципе что хотел услышал. теперь другой вопрос. можно ли найти передатчик, сделанный, но моно, и без рдс. скажем так чтоб без особых заморочек?
ну и соответственно, как итог, что всё же лучше взять. из Эбай или http://r-ks.ru/INSTRUCTION/FM2.htm.

_________________
Всё кроме нас.
Сильнее в сотни раз.


Вернуться наверх
 
Не в сети
 Заголовок сообщения: Re: Китайский передатчик CZH-15A
СообщениеДобавлено: Ср июн 29, 2011 19:04:20 
Вымогатель припоя
Аватар пользователя

Карма: 2
Рейтинг сообщений: 1
Зарегистрирован: Ср дек 12, 2007 21:46:06
Сообщений: 508
Откуда: Георгиевск
Рейтинг сообщения: 0
я за самодельный пока, если нет других промышленных или китай-подобных подешевле

_________________
Нет повести печальнее на свете чем повесть о заклинившем ресете


Вернуться наверх
 
Не в сети
 Заголовок сообщения: Re: Китайский передатчик CZH-15A
СообщениеДобавлено: Ср июн 29, 2011 19:52:53 
Открыл глаза

Зарегистрирован: Пн янв 17, 2011 08:54:55
Сообщений: 43
Откуда: Юрюзань
Рейтинг сообщения: 0
угу.. а что Eger ответит, хотелось бы услышать? может у него готовое что нибудь есть?

_________________
Всё кроме нас.
Сильнее в сотни раз.


Вернуться наверх
 
Не в сети
 Заголовок сообщения: Re: Китайский передатчик CZH-15A
СообщениеДобавлено: Чт июн 30, 2011 08:20:28 
Мучитель микросхем
Аватар пользователя

Карма: 1
Рейтинг сообщений: 13
Зарегистрирован: Вс дек 05, 2010 23:41:46
Сообщений: 400
Откуда: 33
Рейтинг сообщения: 0
Я за r-ks
Хоть какая то поддержка, и качество.
двух ватт достаточно чтобы поднять одним каскадом и 70 и 300 ватт.
Если надо моно могу сделать 5 ватт за 2000 даже в корпусе - синтезатор, кнопки, дисплей, вход под КСС (внешний стереокодер будет работать без проблем). Вобщем пишите в личку или заходите ко мне на сайт, там есть схемы и координаты для связи, так же на подходе стерео на DSP от 3000р.


Последний раз редактировалось Eger Чт июл 14, 2011 15:10:31, всего редактировалось 1 раз.

Вернуться наверх
 
Не в сети
 Заголовок сообщения: Re: Китайский передатчик CZH-15A
СообщениеДобавлено: Чт июн 30, 2011 18:58:55 
Открыл глаза

Зарегистрирован: Пн янв 17, 2011 08:54:55
Сообщений: 43
Откуда: Юрюзань
Рейтинг сообщения: 0
всем спасибо за ответы и помощь, очень помогли!

_________________
Всё кроме нас.
Сильнее в сотни раз.


Вернуться наверх
 
Не в сети
 Заголовок сообщения: Re: Китайский передатчик CZH-15A
СообщениеДобавлено: Пт янв 27, 2023 19:37:53 
Родился

Зарегистрирован: Пт янв 27, 2023 19:19:22
Сообщений: 6
Откуда: Южный Федеральный
Рейтинг сообщения: 0
Доброго всем времени суток ! подниму старую тему , поиск только к вам привел , я счастливый обладатель такого точно девайся CZH-15A , на плате надпись ST-15B V3.0 2013-10-05 , аппарат пролежал много лет в кладовке и подключался при покупке для проверки , я выкупил его у знакомого , пробно включил на штатную антенну GP 1/4 , все завелось и работало , сигнал принимался в радиусе 7-9 км от места установки , снимал кожух верхний с передатчика и контролил как греется радиатор выходного транзистора , он был чуть теплый и полностью холодный блок питания , но потом случайно , во время очередной проверки , обнаружил что радиатор очень горячий , руки не удержать , при этом зона приема уменьшается до 800м-1 км , и блок питания становиться заметно теплым , так вот я понимаю что это гадание на кофейной гуще но может подскажите что проверить , посмотреть ? дело в том что живу в провинции и аппарат сей включаю у себя в колхозе , телемастера так сказать нет , к кому обратиться за помощью , повторюсь аппарат работал изначально и не грелся , правда уточню на тот момент в помещении было +4+8 градусов , сейчас холоднее -4-2 , может еще какая информация нужна пишите , рад буду любому ответу !


Вернуться наверх
 
Не в сети
 Заголовок сообщения: Re: Китайский передатчик CZH-15A
СообщениеДобавлено: Пт янв 27, 2023 21:03:56 
Друг Кота

Карма: 49
Рейтинг сообщений: 547
Зарегистрирован: Чт фев 20, 2014 18:57:55
Сообщений: 19494
Рейтинг сообщения: 0
антенна, кабель, проверка давайса на специальную нагрузку

_________________
"Вся военная пропаганда, все крики, ложь и ненависть исходят от людей, которые на эту войну не пойдут !" / Джордж Оруэлл /
"Война - это,когда за интересы других,гибнут совершенно безвинные люди." / Уинстон Черчилль /


Вернуться наверх
 
Не в сети
 Заголовок сообщения: Re: Китайский передатчик CZH-15A
СообщениеДобавлено: Пт янв 27, 2023 22:06:21 
Родился

Зарегистрирован: Пт янв 27, 2023 19:19:22
Сообщений: 6
Откуда: Южный Федеральный
Рейтинг сообщения: 0
антенна, кабель,

Принял , понял , заказал прибор NANO VNA на алике , жду , думаю с его помощью проясню кое какие моменты по антенне , а вот
проверка давайса на специальную нагрузку

с этим сложнее , потому как специальную нагрузку наверно не найду , еще один момент , обратил внимание что вместе с радиатором сильно нагреваются индуктивности которые стоят рядом с антенным выходом , на фото пометил красным .
Изображение


Вернуться наверх
 
Не в сети
 Заголовок сообщения: Re: Китайский передатчик CZH-15A
СообщениеДобавлено: Сб янв 28, 2023 17:20:51 
Друг Кота
Аватар пользователя

Карма: 72
Рейтинг сообщений: 1153
Зарегистрирован: Чт ноя 20, 2008 04:20:48
Сообщений: 8087
Откуда: КурскЪ
Рейтинг сообщения: 0
Это ФНЧ,с частотой среза чуть выше 108мгц.Его задача подавлять гармоники все что выше 108мгц.
А греются катушки так как высокое значение КСВ в кабеле.

_________________
Принимаю вас 595+40db на уровне шумов на кухонный приёмник,антенна наружка-магнитная катушка..работает "Акация",вот такая информация.Роман.73!!!
"50 КСВ 075", UA3112SWL
Изображение


Вернуться наверх
 
Не в сети
 Заголовок сообщения: Re: Китайский передатчик CZH-15A
СообщениеДобавлено: Сб янв 28, 2023 18:06:06 
Родился

Зарегистрирован: Пт янв 27, 2023 19:19:22
Сообщений: 6
Откуда: Южный Федеральный
Рейтинг сообщения: 0
А греются катушки так как высокое значение КСВ в кабеле.

Т.е. причина общего нагрева в кабеле ? я сегодня снял антенну промерил просто тестером на предмет кз и наоборот хорошего контакта все части , от передатчика и до антенны все звониться без лишнего сопротивления , нигде короткого и на массу нет , прямо на улице опять включил передатчик и термометром контролировал , минуты за 3-4 температура транзистора поднялась до 80 градусов , и я его выключил .


Вернуться наверх
 
Показать сообщения за:  Сортировать по:  Вернуться наверх
Начать новую тему Ответить на тему  [ Сообщений: 25 ]  1,  

Часовой пояс: UTC + 3 часа


Кто сейчас на форуме

Сейчас этот форум просматривают: нет зарегистрированных пользователей и гости: 18


Вы не можете начинать темы
Вы не можете отвечать на сообщения
Вы не можете редактировать свои сообщения
Вы не можете удалять свои сообщения
Вы не можете добавлять вложения

Найти:
Перейти:  


Powered by phpBB © 2000, 2002, 2005, 2007 phpBB Group
Русская поддержка phpBB
Extended by Karma MOD © 2007—2012 m157y
Extended by Topic Tags MOD © 2012 m157y