Например TDA7294

Форум РадиоКот • Просмотр темы - Рыбаки, ау!
Форум РадиоКот
Здесь можно немножко помяукать :)

Текущее время: Чт дек 11, 2025 12:08:03

Часовой пояс: UTC + 3 часа


ПРЯМО СЕЙЧАС:



Начать новую тему Ответить на тему  [ Сообщений: 398 ]     ... , , , 7, , , ...  
Автор Сообщение
Не в сети
 Заголовок сообщения: Re: Рыбаки, ау!
СообщениеДобавлено: Вт июн 07, 2011 13:12:16 
Родился

Зарегистрирован: Вт июн 07, 2011 10:02:01
Сообщений: 10
Рейтинг сообщения: 0
Всем Привет! Ознакомился с веткой- прикольно у Вас получаеться! Я ещё года 3 назад конструировал сигнализаторы и за основу брал датчик удара с сигналки автомобильной . Сейчас у меня готовых семь штук и их работа меня вполне устраивает.
Вот только пейджера нехватает:) Советую пересмотреть конструкцию датчика движения лески-очень много недостатков (зависимость от освещения, постоянно включенный светодиод, пыль ,влага и т. д.) хотя я сначала тоже хотел идти по этому принципу. Сейчас я использую пьезоизлучатель с напаянной стальной проволочкой 0.5мм - чуствительность очень высокая и ложных срабатываний не бывает и ветер не помеха ,а тем более солнце. И ещё советую пересмотреть конструкцию динамика-очень много энергии на него тратиться впустую-я применяю 12в пьезопищалку ( с транзистором внутри ) - очень громкий звук и минимум потребления.
Пока всё - жду комментариев автора.


Вернуться наверх
 
Не в сети
 Заголовок сообщения: Re: Рыбаки, ау!
СообщениеДобавлено: Вт июн 07, 2011 13:37:13 
Встал на лапы
Аватар пользователя

Зарегистрирован: Пн фев 07, 2011 17:50:41
Сообщений: 103
Рейтинг сообщения: 0
а можно по подробнее: СХЕМУ, ФОТО, ПЕЧАТКУ И Т.Д, плиз! :tea:


Вернуться наверх
 
Не в сети
 Заголовок сообщения: Re: Рыбаки, ау!
СообщениеДобавлено: Вт июн 07, 2011 15:47:33 
Родился

Зарегистрирован: Вт июн 07, 2011 10:02:01
Сообщений: 10
Рейтинг сообщения: 0
santilla писал(а):
а можно по подробнее: СХЕМУ, ФОТО, ПЕЧАТКУ И Т.Д, плиз! :tea:

Схемы и печатки нет в принципе , потому что я просто "дорабатываю датчик удара" . К каждому датчику свой подход-два одинаковых не попадалось. В родной корпус всё впихиваю по возможности.
А фотки постараюсь вечером выложить.


Вернуться наверх
 
Не в сети
 Заголовок сообщения: Re: Рыбаки, ау!
СообщениеДобавлено: Вт июн 07, 2011 18:30:34 
Встал на лапы
Аватар пользователя

Карма: 1
Рейтинг сообщений: 0
Зарегистрирован: Ср дек 29, 2010 17:30:34
Сообщений: 130
Рейтинг сообщения: 0
Ванька писал(а):
Пока всё - жду комментариев автора.

А комментарии такие:
В качестве датчика можно подключать все, что в голову придет. Лишь бы оно генерировало импульсы с амплитудой, достаточной для возникновения прерывания у процессора.
Мне понравились мышиные. 360 микроампер и никакой зависимости от освещенности (в разумных пределах).
В закрытом корпусе на солнце будут работать отлично. В фирменных используются герконовые. Тоже подойдет.
Если конструкция с пьезиком сможет вырабатывать импульсы, пропорциональные интенсивности поклевки, то почему бы и не использовать? Не вижу противопоказаний.
В качестве источника звука - дело вкуса. Процессор выдаст сигнал на включение. Включайте то, что Вам понравится. Вот только 12В в сигнализаторе? Это уже (имхо) лишнее. И лишнее потому, что питать процессор от 12 нельзя. Придется стабилизатор ставить. А он скушает более 50% энергии. При батарейном питании это чрезмерная роскошь.


Вернуться наверх
 
Эиком - электронные компоненты и радиодетали
Не в сети
 Заголовок сообщения: Re: Рыбаки, ау!
СообщениеДобавлено: Вт июн 07, 2011 18:41:04 
Родился

Зарегистрирован: Вт июн 07, 2011 10:02:01
Сообщений: 10
Рейтинг сообщения: 0
Вот что получилось сфоткать. Прошу прощения за качество.
Питание - три элемента по 1.5в ток в дежурке 0,73мА


Вложения:
Фото039.jpg [22.98 KiB]
Скачиваний: 933
Фото023.jpg [85.72 KiB]
Скачиваний: 996
Фото0266.jpg [33.6 KiB]
Скачиваний: 861
Фото0166.jpg [58.34 KiB]
Скачиваний: 704
Фото0133.jpg [40.28 KiB]
Скачиваний: 647
Вернуться наверх
 
Не в сети
 Заголовок сообщения: Re: Рыбаки, ау!
СообщениеДобавлено: Вт июн 07, 2011 18:58:13 
Родился

Зарегистрирован: Вт июн 07, 2011 10:02:01
Сообщений: 10
Рейтинг сообщения: 0
aleksey_gregul писал(а):
Ванька писал(а):
Пока всё - жду комментариев автора.

А комментарии такие:
В качестве датчика можно подключать все, что в голову придет.

Ну скажем так -пока ничего внятного ,кроме "мышкиных внуренностей, не было предложено. Пьез - лучшая альтернатива! Попробуйте-будете удивлены результатами.

[/quote]В качестве источника звука - дело вкуса. Процессор выдаст сигнал на включение. Включайте то, что Вам понравится. Вот только 12В в сигнализаторе? Это уже (имхо) лишнее. И лишнее потому, что питать процессор от 12 нельзя. Придется стабилизатор ставить. А он скушает более 50% энергии. При батарейном питании это чрезмерная роскошь.[/quote]
Я по моему не говорил ни про какие стабилизаторы , а тем более о питании в 12в. Просто на пищалке написано 12в , а пищит она даже от щупов цифрового тестера и даже от 1вольта. Экономичней девайса с такой громкостью я ещё не встречал. С моими тремя часовыми батарейками это очень важно.


Вернуться наверх
 
Не в сети
 Заголовок сообщения: Re: Рыбаки, ау!
СообщениеДобавлено: Вт июн 07, 2011 20:36:50 
Встал на лапы
Аватар пользователя

Зарегистрирован: Пн фев 07, 2011 17:50:41
Сообщений: 103
Рейтинг сообщения: 0
Ванька писал(а):
Вот что получилось сфоткать. Прошу прощения за качество.
Питание - три элемента по 1.5в ток в дежурке 0,73мА

интересно получилось! :) мне этот вариант более понравился! вот только не понял что к чему? :? (просто взят датчик с сигналки, выключатель и пещалка) и всё?


Вернуться наверх
 
Не в сети
 Заголовок сообщения: Re: Рыбаки, ау!
СообщениеДобавлено: Вт июн 07, 2011 22:50:02 
Потрогал лапой паяльник
Аватар пользователя

Зарегистрирован: Пн мар 16, 2009 23:35:42
Сообщений: 383
Откуда: Украина Новоднестровск
Рейтинг сообщения: 0
А меня фотки не вставили, вот схему бы глянуть, тогда и разговор можно вести.

_________________
Всем известно что любая микросхема работает на дыме, и если волшебный дым из неё вышел то она перестает работать.


Вернуться наверх
 
Не в сети
 Заголовок сообщения: Re: Рыбаки, ау!
СообщениеДобавлено: Вт июн 07, 2011 23:23:15 
Встал на лапы

Карма: 5
Рейтинг сообщений: 5
Зарегистрирован: Вс ноя 15, 2009 20:15:46
Сообщений: 107
Откуда: Украина
Рейтинг сообщения: 0
кручу верчу сигнализатор по этой схеме, в дежурке потребление стремиться к "0"
Изображение
Но вот незадача, пьезоизлучатель как-то тихо пищит. Намотал повышающий трансформатор (2 обмотки, 10 и 250 витков, первичка и вторичка, соответственно), а как его подключить ума не приложу.
Подскажете ? :)
Спасибо.


Вернуться наверх
 
Не в сети
 Заголовок сообщения: Re: Рыбаки, ау!
СообщениеДобавлено: Вт июн 07, 2011 23:40:35 
Родился

Зарегистрирован: Вт июн 07, 2011 10:02:01
Сообщений: 10
Рейтинг сообщения: 0
santilla писал(а):
Ванька писал(а):
Вот что получилось сфоткать. Прошу прощения за качество.
Питание - три элемента по 1.5в ток в дежурке 0,73мА

интересно получилось! :) мне этот вариант более понравился! вот только не понял что к чему? :? (просто взят датчик с сигналки, выключатель и пещалка) и всё?

Вы правы- всё без затей:)
Датчик удара-готовый сигнализатор с индикацией и сигнальными ключами.


Вернуться наверх
 
Не в сети
 Заголовок сообщения: Re: Рыбаки, ау!
СообщениеДобавлено: Вт июн 07, 2011 23:46:46 
Родился

Зарегистрирован: Вт июн 07, 2011 10:02:01
Сообщений: 10
Рейтинг сообщения: 0
nibiluk писал(а):
А меня фотки не вставили, вот схему бы глянуть, тогда и разговор можно вести.


Да нет готовых схем. Обычно девайс собран на каком-нибудь счетверённом операционнике с регулировкой чуствительности и индикацией. Зачастую он двухканальный, т.е. грубый удар и слабый.


Вернуться наверх
 
Не в сети
 Заголовок сообщения: Re: Рыбаки, ау!
СообщениеДобавлено: Вт июн 07, 2011 23:55:07 
Родился

Зарегистрирован: Вт июн 07, 2011 10:02:01
Сообщений: 10
Рейтинг сообщения: 0
Ещё фото-может попонятней будет.


Вложения:
2-blow-gauge.jpg [76.09 KiB]
Скачиваний: 661
Вернуться наверх
 
Не в сети
 Заголовок сообщения: Re: Рыбаки, ау!
СообщениеДобавлено: Ср июн 08, 2011 11:08:03 
Встал на лапы
Аватар пользователя

Карма: 1
Рейтинг сообщений: 0
Зарегистрирован: Ср дек 29, 2010 17:30:34
Сообщений: 130
Рейтинг сообщения: 0
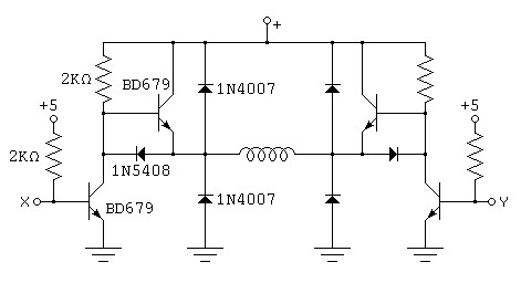
xronik писал(а):
пьезоизлучатель как-то тихо пищит.

Сам пьезик и будет тихо пищать. Чтобы получить громкость нужно его подключать параллельно дросселю либо через повышающий трансик. Перед трансформатором нужен усилитель тока.
Очень важную роль играет корпус устройства. Он в идеале должен резонировать на частоте , которую излучает пьезоизлучатель.
Вот такая схема будет способна порвать пьезик через трансформатор.
Изображение
(Не помешает включить первичку через емкость!)


Вложения:
Ключ.jpg [20.17 KiB]
Скачиваний: 2237
Вернуться наверх
 
Не в сети
 Заголовок сообщения: Re: Рыбаки, ау!
СообщениеДобавлено: Ср июн 08, 2011 11:21:14 
Встал на лапы
Аватар пользователя

Зарегистрирован: Пн фев 07, 2011 17:50:41
Сообщений: 103
Рейтинг сообщения: 0
Ванька писал(а):
santilla писал(а):
Ванька писал(а):
Вот что получилось сфоткать. Прошу прощения за качество.
Питание - три элемента по 1.5в ток в дежурке 0,73мА

интересно получилось! :) мне этот вариант более понравился! вот только не понял что к чему? :? (просто взят датчик с сигналки, выключатель и пещалка) и всё?

Вы правы- всё без затей:)
Датчик удара-готовый сигнализатор с индикацией и сигнальными ключами.

а где можно добыть такой датчик? :dont_know:


Вернуться наверх
 
Не в сети
 Заголовок сообщения: Re: Рыбаки, ау!
СообщениеДобавлено: Ср июн 08, 2011 18:25:34 
Родился

Зарегистрирован: Вт июн 07, 2011 10:02:01
Сообщений: 10
Рейтинг сообщения: 0
Можно спросить у автоэлектрика или на базаре.


Вернуться наверх
 
Не в сети
 Заголовок сообщения: Re: Рыбаки, ау!
СообщениеДобавлено: Ср июн 08, 2011 19:55:21 
Встал на лапы
Аватар пользователя

Зарегистрирован: Пн фев 07, 2011 17:50:41
Сообщений: 103
Рейтинг сообщения: 0
а примерно какой ценник за шт?


Вернуться наверх
 
Не в сети
 Заголовок сообщения: Re: Рыбаки, ау!
СообщениеДобавлено: Пн июн 27, 2011 17:35:19 
Потрогал лапой паяльник
Аватар пользователя

Зарегистрирован: Пн мар 16, 2009 23:35:42
Сообщений: 383
Откуда: Украина Новоднестровск
Рейтинг сообщения: 0
Просьба к Алексею, автору сигнализатора на тиньке. Скомпильте пожалуйста прошивки для сигнализаторов по последней схеме с радио, с номерами 1 , 2 , 3. Начал делать пейджер а компилить никак не получается.

_________________
Всем известно что любая микросхема работает на дыме, и если волшебный дым из неё вышел то она перестает работать.


Вернуться наверх
 
Не в сети
 Заголовок сообщения: Re: Рыбаки, ау!
СообщениеДобавлено: Чт июн 30, 2011 11:26:21 
Встал на лапы
Аватар пользователя

Карма: 1
Рейтинг сообщений: 0
Зарегистрирован: Ср дек 29, 2010 17:30:34
Сообщений: 130
Рейтинг сообщения: 0
три прошивки
Вложение:
R13_1_2_3.rar [3.23 KiB]
Скачиваний: 325


Вернуться наверх
 
Не в сети
 Заголовок сообщения: Re: Рыбаки, ау!
СообщениеДобавлено: Чт июн 30, 2011 12:30:46 
Потрогал лапой паяльник
Аватар пользователя

Зарегистрирован: Пн мар 16, 2009 23:35:42
Сообщений: 383
Откуда: Украина Новоднестровск
Рейтинг сообщения: 0
О спасибо огромное, когда сделаю отпишусь.

_________________
Всем известно что любая микросхема работает на дыме, и если волшебный дым из неё вышел то она перестает работать.


Вернуться наверх
 
Не в сети
 Заголовок сообщения: Re: Рыбаки, ау!
СообщениеДобавлено: Вт ноя 22, 2011 23:05:07 
Держит паяльник хвостом
Аватар пользователя

Карма: 17
Рейтинг сообщений: 24
Зарегистрирован: Вт янв 04, 2011 13:26:17
Сообщений: 962
Откуда: Лен.Обл.
Рейтинг сообщения: 0
Сделал на скорую руку - налим пошёл :hunger: и очень понравилось, для маленьких закидушек с инерционкой это получилось супер. И весь берег сбежался посмотреть, при поклёвке пищит, светится, а когда их стоит 10 штук, проблема с колокольчиком в том, что сразу не поймёшь, какая удочка клевала, а тут весь сервис :music:


Вложения:
P0.JPG [97.68 KiB]
Скачиваний: 871
P1.JPG [83.96 KiB]
Скачиваний: 628
P2.JPG [97.89 KiB]
Скачиваний: 668
P3.JPG [82.97 KiB]
Скачиваний: 821

_________________
Пишу с ошибками и опечатками.На это у меня есть разрешение и справка
Вернуться наверх
 
Показать сообщения за:  Сортировать по:  Вернуться наверх
Начать новую тему Ответить на тему  [ Сообщений: 398 ]     ... , , , 7, , , ...  

Часовой пояс: UTC + 3 часа


Кто сейчас на форуме

Сейчас этот форум просматривают: wladimir031054 и гости: 27


Вы не можете начинать темы
Вы не можете отвечать на сообщения
Вы не можете редактировать свои сообщения
Вы не можете удалять свои сообщения
Вы не можете добавлять вложения

Найти:
Перейти:  


Powered by phpBB © 2000, 2002, 2005, 2007 phpBB Group
Русская поддержка phpBB
Extended by Karma MOD © 2007—2012 m157y
Extended by Topic Tags MOD © 2012 m157y