Например TDA7294

Форум РадиоКот • Просмотр темы - Преобразователи для часов на газоразрядных индикаторах
Форум РадиоКот
Здесь можно немножко помяукать :)

Текущее время: Вт ноя 11, 2025 08:15:47

Часовой пояс: UTC + 3 часа


ПРЯМО СЕЙЧАС:



Начать новую тему Ответить на тему  [ Сообщений: 3034 ]     ... , , , 74, , , ...  
Автор Сообщение
Не в сети
 Заголовок сообщения: Re: Преобразователи для часов на газоразрядных индикаторах
СообщениеДобавлено: Пт мар 27, 2015 00:13:24 
Друг Кота
Аватар пользователя

Карма: 37
Рейтинг сообщений: 1977
Зарегистрирован: Пн окт 10, 2011 23:53:13
Сообщений: 5199
Откуда: 34rus
Рейтинг сообщения: 0
Слишком наворочено получится, ИМХО. Тогда уж проще блокинг - всего один транзистор и трансформатор.
А блокинг можно в принципе и на полевике сделать, тут уж можно и с высоким напряжением открывания. Только с запуском будет сложнее, но его можно реализовать, например, зарядом конденсатора через обмотку. Но это всё теория конечно, надо проверять.

Насчёт же 819-го несмотря на низкий h21э, КПД упомянутого преобразователя 3В→5В довольно высок, поэтому для группового преобразователя-блокинга всё-же годится. Другой вопрос, как он будет работать с выходом 200В. Тут уже нужен трансформатор.

К слову, вспомнился плазмашар, работающий от USB. Там тоже блокинг на одном транзисторе, причём трансформатор довольно компактный.

_________________
Теория — это когда всё известно, но ничего не работает. Практика — это когда всё работает, но никто не знает почему. Мы же объединяем теорию и практику: ничего не работает, и никто не знает почему! © А. Эйнштейн


Вернуться наверх
 
Не в сети
 Заголовок сообщения: Re: Преобразователи для часов на газоразрядных индикаторах
СообщениеДобавлено: Пт мар 27, 2015 06:01:10 
Опытный кот

Карма: 6
Рейтинг сообщений: 65
Зарегистрирован: Сб янв 05, 2013 22:27:00
Сообщений: 849
Откуда: новосиб
Рейтинг сообщения: 0
suslogon писал(а):
а реально управлять затвором полевика через маленький повышающий импульсный трансформатор, чтобы можно было поставить полевик с высоким напряжением сток-исток и обычным напряжением открывания на затворе?

я встречал схему, где для питания управлением полевика берется напряжение с доп обмотки. первые несколько циклов полевик работает в некомфортном режиме, потом конденсатор питания накачивается до нужного уровня и полевик начинает работать в правильном режиме


Вернуться наверх
 
Не в сети
 Заголовок сообщения: Re: Преобразователи для часов на газоразрядных индикаторах
СообщениеДобавлено: Вс мар 29, 2015 14:34:49 
Встал на лапы

Карма: 2
Рейтинг сообщений: 1
Зарегистрирован: Ср дек 12, 2012 20:08:08
Сообщений: 115
Рейтинг сообщения: 0
Добавил полудрайвер. Теперь полевик холодный, но безбожно греется КТ. На нем даже палец держать невозможно после 30 секунд и появились пульсации у лампы. Если это не какой-то легко определяемый синдром с которым товарищи коты смогли бы определенно подсказать, то тогда буду курить схему глубже и еще раз пересоберу, либо попробую чуть позже развести платку. Я так понимаю, что дело может быть в большом токе, раз греются только одни и те же участки схемы?

Спойлер
gessor писал(а):
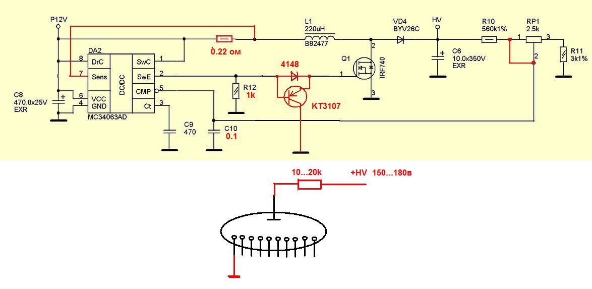
Это схема из Sunny Clock которые лежат на нашем сайте в статьях, но товарищ Iggis выложил ее доработанную с полудрйвером, как рассказывается на первой странице. Вот от нее я и отталкиваюсь Изображение


Сегодня пересобрал еще раз все по новой. Пока без полудрайвера и вместо резистора 0.22 поставил 0.33 который был в наличии.
Напряжение перестало скакать и стало без проблем регулироваться переменником от 140 до 190 В, как под нагрузкой так и без (только разница в 10 вольт на выходе с лампой/без). Входное напряжение 11.8 В, а ток до ограничивающего резистора на анод - 2.77 мА.
Но теперь, по-видимому, стала гудеть катушка, хотя на 180 В её еле слышно, а вот на 160 попискивает. Ну и транзистор греется хоть и слабее, но сильно. Прикрученный к нему радиатор (видно на фото) через минуту невероятно горячий. До расплавления ждать не стал, но это все равно не радует.
Изображение[/quote]


Вернуться наверх
 
Не в сети
 Заголовок сообщения: Re: Преобразователи для часов на газоразрядных индикаторах
СообщениеДобавлено: Вс мар 29, 2015 15:04:17 
Держит паяльник хвостом

Карма: 16
Рейтинг сообщений: 135
Зарегистрирован: Сб мар 07, 2015 20:48:22
Сообщений: 900
Откуда: Московская область
Рейтинг сообщения: 0
Вы объясните, что такое КТ, минуту пытался угадать. Сдаюсь.


Вернуться наверх
 
Эиком - электронные компоненты и радиодетали
Не в сети
 Заголовок сообщения: Re: Преобразователи для часов на газоразрядных индикаторах
СообщениеДобавлено: Вс мар 29, 2015 15:08:03 
Открыл глаза
Аватар пользователя

Карма: 2
Рейтинг сообщений: 6
Зарегистрирован: Вт дек 25, 2012 00:18:43
Сообщений: 50
Рейтинг сообщения: 0
kollaider писал(а):
Вы объясните, что такое КТ, минуту пытался угадать. Сдаюсь.

Походу кт3107, по схеме посмотри, решил зажарить. :))

_________________
Изображение


Вернуться наверх
 
Не в сети
 Заголовок сообщения: Re: Преобразователи для часов на газоразрядных индикаторах
СообщениеДобавлено: Вс мар 29, 2015 15:09:36 
Опытный кот

Карма: 6
Рейтинг сообщений: 65
Зарегистрирован: Сб янв 05, 2013 22:27:00
Сообщений: 849
Откуда: новосиб
Рейтинг сообщения: 0
Видимо тот биполярный транзистор кт3ххх что стоит между 34063 и мосфетом... Но с чего ему греться не пойму. Может номиналы резисторов перепутаны


Вернуться наверх
 
Не в сети
 Заголовок сообщения: Re: Преобразователи для часов на газоразрядных индикаторах
СообщениеДобавлено: Вс мар 29, 2015 15:14:35 
Держит паяльник хвостом

Карма: 16
Рейтинг сообщений: 135
Зарегистрирован: Сб мар 07, 2015 20:48:22
Сообщений: 900
Откуда: Московская область
Рейтинг сообщения: 0
Или транзистор не той проводимости, или ошибка в монтаже?


Вернуться наверх
 
Не в сети
 Заголовок сообщения: Re: Преобразователи для часов на газоразрядных индикаторах
СообщениеДобавлено: Вс мар 29, 2015 15:15:31 
Держит паяльник хвостом
Аватар пользователя

Карма: 15
Рейтинг сообщений: 328
Зарегистрирован: Пн мар 25, 2013 03:20:47
Сообщений: 947
Откуда: Tallinn
Рейтинг сообщения: 0
gessor писал(а):
безбожно греется КТ
А он исправен? Правильно подключен?
Резистор в его базе 1к? Может 100 ом случайно?
Диод 4148 тоже проверьте, и правильность подключения.
Попробуйте (после всех этих проверок) понизить частоту преобразования - поставьте кондер С9 (на 3-й ноге) 750-1000-1500-2000пф,

_________________
Правильно заданный вопрос - уже половина ответа. Не мучайте себя и других...
------
Полезный лайфхак - чтобы увидеть картинку в оригинальном размере, удалите из адреса слово medium/
Например:
http:///img.radiokot.ru/files/86369/medium/hi06i91ui.jpg


Изображение


Вернуться наверх
 
Не в сети
 Заголовок сообщения: Re: Преобразователи для часов на газоразрядных индикаторах
СообщениеДобавлено: Вс мар 29, 2015 17:08:30 
Друг Кота
Аватар пользователя

Карма: 37
Рейтинг сообщений: 1977
Зарегистрирован: Пн окт 10, 2011 23:53:13
Сообщений: 5199
Откуда: 34rus
Рейтинг сообщения: 0
Токи через затвор бегают нехилые, могут достигать сотен миллиампер и даже единиц ампер. КТ3102 слишком слаб для таких токов - максимальный ток коллектора 100 мА. Чего же вы от него хотите?
Да и диод как-то странно включен - если транзистор откроется, он замкнёт выход микросхемы через диод на массу.
Короче, я не понял, как эта схема работает. :oops:

З.Ы. Я даже где-то видел, что 250-миллиамперный выход ТЛ431 (КР1114) пытались "умощнить" 100-миллиамперными КТ315... :facepalm: :)))

_________________
Теория — это когда всё известно, но ничего не работает. Практика — это когда всё работает, но никто не знает почему. Мы же объединяем теорию и практику: ничего не работает, и никто не знает почему! © А. Эйнштейн


Вернуться наверх
 
Не в сети
 Заголовок сообщения: Re: Преобразователи для часов на газоразрядных индикаторах
СообщениеДобавлено: Вс мар 29, 2015 17:28:50 
Держит паяльник хвостом

Карма: 16
Рейтинг сообщений: 135
Зарегистрирован: Сб мар 07, 2015 20:48:22
Сообщений: 900
Откуда: Московская область
Рейтинг сообщения: 0
diesel170 писал(а):
Токи через затвор бегают нехилые, могут достигать сотен миллиампер и даже единиц ампер. КТ3102 слишком слаб для таких токов - максимальный ток коллектора 100 мА. Чего же вы от него хотите?
Да и диод как-то странно включен - если транзистор откроется, он замкнёт выход микросхемы через диод на массу.
Короче, я не понял, как эта схема работает. :oops:

З.Ы. Я даже где-то видел, что 250-миллиамперный выход ТЛ431 (КР1114) пытались "умощнить" 100-миллиамперными КТ315... :facepalm: :)))


Не замкнет ничего. КТ3107 откроется только при закрытой микросхеме.


Вернуться наверх
 
Не в сети
 Заголовок сообщения: Re: Преобразователи для часов на газоразрядных индикаторах
СообщениеДобавлено: Вс мар 29, 2015 17:32:20 
Держит паяльник хвостом

Карма: 16
Рейтинг сообщений: 135
Зарегистрирован: Сб мар 07, 2015 20:48:22
Сообщений: 900
Откуда: Московская область
Рейтинг сообщения: 0
to gessor

Собирайте часы целиком. И отлаживайте преобразователь на плате. 34063 капризная к разводке микросхема. Посмотрите на вашу макетку. Одни петли. Если все детали исправны и монтаж без ошибок - остается либо возбуд микросхемы либо падение или просадки на длинных проводах и контактах.


Вернуться наверх
 
Не в сети
 Заголовок сообщения: Re: Преобразователи для часов на газоразрядных индикаторах
СообщениеДобавлено: Вс мар 29, 2015 17:34:09 
Друг Кота
Аватар пользователя

Карма: 37
Рейтинг сообщений: 1977
Зарегистрирован: Пн окт 10, 2011 23:53:13
Сообщений: 5199
Откуда: 34rus
Рейтинг сообщения: 0
kollaider писал(а):
КТ3107 откроется только при закрытой микросхеме.

Тогда видимо, дело в токе через него. Ёмкостный ток затвора никто не отменял.

_________________
Теория — это когда всё известно, но ничего не работает. Практика — это когда всё работает, но никто не знает почему. Мы же объединяем теорию и практику: ничего не работает, и никто не знает почему! © А. Эйнштейн


Вернуться наверх
 
Не в сети
 Заголовок сообщения: Re: Преобразователи для часов на газоразрядных индикаторах
СообщениеДобавлено: Вт апр 07, 2015 13:10:32 
Первый раз сказал Мяу!

Зарегистрирован: Ср апр 01, 2015 20:55:07
Сообщений: 32
Откуда: Москва
Рейтинг сообщения: 0
Собрал преобразователь на MAX1771 по этой схеме, детали использовал те же, что и автор статьи, только дросселя не было в наличии в Digikey, поэтому купил вот этот. Вопрос заключается в том, что задает частоту преобразования? Дроссель издает тихое шипение, но слышно если поднести ухо в 10 см от него, в тихой комнате слышнее. Осциллографом намерил частоту ~42 кГц.


Вернуться наверх
 
Не в сети
 Заголовок сообщения: Re: Преобразователи для часов на газоразрядных индикаторах
СообщениеДобавлено: Ср апр 08, 2015 00:24:47 
Держит паяльник хвостом
Аватар пользователя

Карма: 15
Рейтинг сообщений: 328
Зарегистрирован: Пн мар 25, 2013 03:20:47
Сообщений: 947
Откуда: Tallinn
Рейтинг сообщения: 0
Femto писал(а):
что задает частоту преобразования?
Частота переменная, до 300кГц, в зависимости от тока нагрузки.
Femto писал(а):
купил вот этот
Хороший дроссель - большой ток, малое сопр., только индуктивность надо бы 150, а лучше 220мкГн, хотя и с этим должно работать.
Femto писал(а):
Дроссель издает тихое шипение
Да, они пищат, это нормально. Громко, тихо - зависит от качества сборки дросселя.

В целом-то схема как, работает?

_________________
Правильно заданный вопрос - уже половина ответа. Не мучайте себя и других...
------
Полезный лайфхак - чтобы увидеть картинку в оригинальном размере, удалите из адреса слово medium/
Например:
http:///img.radiokot.ru/files/86369/medium/hi06i91ui.jpg


Изображение


Вернуться наверх
 
Не в сети
 Заголовок сообщения: Re: Преобразователи для часов на газоразрядных индикаторах
СообщениеДобавлено: Сб апр 11, 2015 20:16:25 
Первый раз сказал Мяу!

Зарегистрирован: Сб апр 11, 2015 20:11:32
Сообщений: 20
Рейтинг сообщения: 0
Уважаемые господа.
Подскажите мне, почему данная схемка выдает мне только 145В максимум?Что надо поменять?Может биполярник поставить с большим коэффициентом усиления?У меня был в наличии КТ3107А, который я поставил вместо BC807 на схеме. И я почти уверен, что дело в этом, но хочу совета настоящих профи с форума.


Вложения:
netzteil.png [13.22 KiB]
Скачиваний: 591
Вернуться наверх
 
Не в сети
 Заголовок сообщения: Re: Преобразователи для часов на газоразрядных индикаторах
СообщениеДобавлено: Вс апр 12, 2015 06:59:23 
Мудрый кот
Аватар пользователя

Карма: 27
Рейтинг сообщений: 656
Зарегистрирован: Ср апр 04, 2012 09:55:53
Сообщений: 1789
Откуда: Северодонецк
Рейтинг сообщения: 0
Увеличите индуктивность, хотя бы, до 150мкГн(в схеме ошибка 330, вместо 33 :) ) и поставьте конденсатор 0.1мкФ между 5 ногой и землей.

_________________
У того, кто делает — получается редко. У того, кто не делает — не получается никогда.


Вернуться наверх
 
Не в сети
 Заголовок сообщения: Re: Преобразователи для часов на газоразрядных индикаторах
СообщениеДобавлено: Вс апр 12, 2015 08:05:02 
Держит паяльник хвостом

Карма: 16
Рейтинг сообщений: 135
Зарегистрирован: Сб мар 07, 2015 20:48:22
Сообщений: 900
Откуда: Московская область
Рейтинг сообщения: 0
RoboC правильно вам советует. И еще, если вы подаете питание 5 вольт как по схеме - не обольщайтесь. Подайте 9-12 для начала.


Вернуться наверх
 
Не в сети
 Заголовок сообщения: Re: Преобразователи для часов на газоразрядных индикаторах
СообщениеДобавлено: Вс апр 12, 2015 11:03:46 
Первый раз сказал Мяу!

Зарегистрирован: Сб апр 11, 2015 20:11:32
Сообщений: 20
Рейтинг сообщения: 0
RoboC писал(а):
Увеличите индуктивность, хотя бы, до 150мкГн(в схеме ошибка 330, вместо 33 :) ) и поставьте конденсатор 0.1мкФ между 5 ногой и землей.

да, я забыл написать, что пробовал с разными индуктивностями (33, 150, 300, 450) и конечно я поставил 300мкГ, т.к. с дальнейшим увеличением индуктивности напряжение не росло...Поставить конденсатор межде 5 ногой и землей я попробую. Но мне было интересно послушать опытных радиолюбителей именно на тему биполярника и коэффициента усиления, т.к. в моем биполярнике коэффициент 70-140, а на представленной схеме BC807 имеет 100-250. Может ли это влиять?
Ну а по поводу напряжения на входе нужно именно 4.5-5В, т.к. я собирал аналогичную схему только на полевике и на выходе было 180-220В при входном напряжении 5.5В. Но при снижении входного напряжения схема просто переставала работать, т.к. полевику не хватало напряжения. Теперь пробую схему с биполярником для раскачки полевика. Так что получить 200В от 5В вполне реально, загвоздка где-то в биполярнике мне кажется.


Вернуться наверх
 
Не в сети
 Заголовок сообщения: Re: Преобразователи для часов на газоразрядных индикаторах
СообщениеДобавлено: Вс апр 12, 2015 11:07:14 
Держит паяльник хвостом

Карма: 16
Рейтинг сообщений: 135
Зарегистрирован: Сб мар 07, 2015 20:48:22
Сообщений: 900
Откуда: Московская область
Рейтинг сообщения: 0
Банально полевику не будет хватать напряжения в затворе. Диод сжирает часть. Пробовать разные полевики.


Вернуться наверх
 
Не в сети
 Заголовок сообщения: Re: Преобразователи для часов на газоразрядных индикаторах
СообщениеДобавлено: Вс апр 12, 2015 11:15:41 
Первый раз сказал Мяу!

Зарегистрирован: Сб апр 11, 2015 20:11:32
Сообщений: 20
Рейтинг сообщения: 0
kollaider писал(а):
Банально полевику не будет хватать напряжения в затворе. Диод сжирает часть. Пробовать разные полевики.

Так если поставить биполярник с большим коэффициентом усиления, то может тогда хватит?Или думаете дело только в полевике?Найти подходящий полевик наверно будет сложно, т.к. нужно сочетать низкое напряжение на затворе и высокое на выходе, сложная комбинация.


Вернуться наверх
 
Показать сообщения за:  Сортировать по:  Вернуться наверх
Начать новую тему Ответить на тему  [ Сообщений: 3034 ]     ... , , , 74, , , ...  

Часовой пояс: UTC + 3 часа


Кто сейчас на форуме

Сейчас этот форум просматривают: нет зарегистрированных пользователей и гости: 80


Вы не можете начинать темы
Вы не можете отвечать на сообщения
Вы не можете редактировать свои сообщения
Вы не можете удалять свои сообщения
Вы не можете добавлять вложения

Найти:
Перейти:  


Powered by phpBB © 2000, 2002, 2005, 2007 phpBB Group
Русская поддержка phpBB
Extended by Karma MOD © 2007—2012 m157y
Extended by Topic Tags MOD © 2012 m157y