Например TDA7294

Форум РадиоКот • Просмотр темы - Преобразователи для часов на газоразрядных индикаторах
Форум РадиоКот
Здесь можно немножко помяукать :)

Текущее время: Чт фев 12, 2026 06:20:35

Часовой пояс: UTC + 3 часа


ПРЯМО СЕЙЧАС:



Начать новую тему Ответить на тему  [ Сообщений: 3038 ]     ... , , , 98, , , ...  
Автор Сообщение
Не в сети
 Заголовок сообщения: Re: Преобразователи для часов на газоразрядных индикаторах
СообщениеДобавлено: Пн фев 29, 2016 14:21:20 
Сверлит текстолит когтями

Карма: 7
Рейтинг сообщений: 38
Зарегистрирован: Вс янв 03, 2016 08:52:30
Сообщений: 1247
Рейтинг сообщения: 0
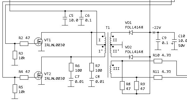
Снабберная цепь может быть одна, включить между стоками.


Вернуться наверх
 
Не в сети
 Заголовок сообщения: Re: Преобразователи для часов на газоразрядных индикаторах
СообщениеДобавлено: Пн фев 29, 2016 15:42:32 
Друг Кота
Аватар пользователя

Карма: 50
Рейтинг сообщений: 1400
Зарегистрирован: Пт авг 28, 2009 21:34:30
Сообщений: 7339
Откуда: 845-й км.
Рейтинг сообщения: 0
Медали: 1
Получил миской по аватаре (1)
Ха... там не снаббер. Там магнит. Однополупериодный выпрямитель тут не катит.


Вернуться наверх
 
Не в сети
 Заголовок сообщения: Re: Преобразователи для часов на газоразрядных индикаторах
СообщениеДобавлено: Пн фев 29, 2016 16:04:18 
Родился

Зарегистрирован: Вт фев 23, 2016 09:50:26
Сообщений: 14
Рейтинг сообщения: 0
uldemir писал(а):
Однополупериодный выпрямитель тут не катит.
Это почему не катит? Хотя изначально там и был двухполупериодный, мне лень было вторую полуобмотку мотать. Кому хочется с трансом подольше помучиться, милости просим домотайте вторую и дополнительный диод поставьте.


Вложения:
33.JPG [30.75 KiB]
Скачиваний: 481
Вернуться наверх
 
Не в сети
 Заголовок сообщения: Re: Преобразователи для часов на газоразрядных индикаторах
СообщениеДобавлено: Пн фев 29, 2016 16:08:09 
Друг Кота
Аватар пользователя

Карма: 50
Рейтинг сообщений: 1400
Зарегистрирован: Пт авг 28, 2009 21:34:30
Сообщений: 7339
Откуда: 845-й км.
Рейтинг сообщения: 0
Медали: 1
Получил миской по аватаре (1)
Лень мотать - поставь четыре диода мостом. А однополупериодный намагничивает сердечник постоянной составляющей. Можно, конечно, сослаться на то, что ток накала больше, чем анодный, но тем неменее.


Вернуться наверх
 
Эиком - электронные компоненты и радиодетали
Не в сети
 Заголовок сообщения: Re: Преобразователи для часов на газоразрядных индикаторах
СообщениеДобавлено: Пн фев 29, 2016 16:17:23 
Родился

Зарегистрирован: Вт фев 23, 2016 09:50:26
Сообщений: 14
Рейтинг сообщения: 0
uldemir писал(а):
однополупериодный намагничивает сердечник постоянной составляющей.
А ведь про это я и упустил, спасибо. Маловасто имел дел с импульсниками. А ежели поставить Ш-транс с воздушным зазором я обойдусь однополупериодным? Это для общего развития мне инфа. uldemir может помнишь навскидку какой ВЧ мостик, чтобы справочники не ковырять.


Вернуться наверх
 
Не в сети
 Заголовок сообщения: Re: Преобразователи для часов на газоразрядных индикаторах
СообщениеДобавлено: Пн фев 29, 2016 16:34:37 
Друг Кота
Аватар пользователя

Карма: 50
Рейтинг сообщений: 1400
Зарегистрирован: Пт авг 28, 2009 21:34:30
Сообщений: 7339
Откуда: 845-й км.
Рейтинг сообщения: 0
Медали: 1
Получил миской по аватаре (1)
Э... в такого типа преобразователях зазор не должен быть - это ухудшает эффективность трансформатора. Зазор нужен для обратноходовых преобразователей. Но там сосвсем другой прицип работы.

ВЧ мостик не подскажу. Советские типа КД906 не особо то и высочастотные. Я ставлю 4 штуки 1n4148


Последний раз редактировалось uldemir Пн фев 29, 2016 16:36:49, всего редактировалось 1 раз.

Вернуться наверх
 
Не в сети
 Заголовок сообщения: Re: Преобразователи для часов на газоразрядных индикаторах
СообщениеДобавлено: Пн фев 29, 2016 16:36:13 
Сверлит текстолит когтями

Карма: 7
Рейтинг сообщений: 38
Зарегистрирован: Вс янв 03, 2016 08:52:30
Сообщений: 1247
Рейтинг сообщения: 0
uldemir писал(а):
Ха... там не снаббер. Там магнит.

Да, на вторичку даж не глянул :)


Вернуться наверх
 
Не в сети
 Заголовок сообщения: Re: Преобразователи для часов на газоразрядных индикаторах
СообщениеДобавлено: Пн фев 29, 2016 16:44:57 
Родился

Зарегистрирован: Вт фев 23, 2016 09:50:26
Сообщений: 14
Рейтинг сообщения: 0
Вот я и имел в основном дело с ОХ. КД906 это я помню, использовал раньше, искал уже в закромах, не нашел. Позолоченные еще были. Наверно существуют сейчас какие ВЧ мосты, может даже Шоттки. Надо будет поискать. Изначально я хотел 28 вольт сделать на 34063. Но степ-ап положительный работает отлично, а отрицательный у меня МС греется даже на холостом. Хотя схему брал из ДШ на 34063


Вернуться наверх
 
Не в сети
 Заголовок сообщения: Re: Преобразователи для часов на газоразрядных индикаторах
СообщениеДобавлено: Пн фев 29, 2016 16:58:54 
Сверлит текстолит когтями

Карма: 7
Рейтинг сообщений: 38
Зарегистрирован: Вс янв 03, 2016 08:52:30
Сообщений: 1247
Рейтинг сообщения: 0
Флайбэк или простой прямоход здесь не прокатят. Для накала нужна переменка, причем со средней точкой, а это в симметричных схемах.

Шоттки на 40...50В вроде есть, если нет, на ультрафастах можно собрать мостик.


Вернуться наверх
 
Не в сети
 Заголовок сообщения: Re: Преобразователи для часов на газоразрядных индикаторах
СообщениеДобавлено: Пн фев 29, 2016 17:06:34 
Родился

Зарегистрирован: Вт фев 23, 2016 09:50:26
Сообщений: 14
Рейтинг сообщения: 0
Charon писал(а):
можно собрать мостик.
Можно, Шоток разных валом, но хотелось именно мостик SMD уже готовый поиметь.


Вернуться наверх
 
Не в сети
 Заголовок сообщения: Re: Преобразователи для часов на газоразрядных индикаторах
СообщениеДобавлено: Пн фев 29, 2016 17:18:44 
Сверлит текстолит когтями

Карма: 7
Рейтинг сообщений: 38
Зарегистрирован: Вс янв 03, 2016 08:52:30
Сообщений: 1247
Рейтинг сообщения: 0
Есть и мостики, MB16S-TP. Правда, он на 60В, это избыточно, но наверняка есть и на 40...50.

Что касается включения MC34063 как инвертирующего преобразователя, на ней не получится, нужно применять uA78S40.


Последний раз редактировалось Charon Пн фев 29, 2016 18:03:03, всего редактировалось 8 раз(а).

Вернуться наверх
 
Не в сети
 Заголовок сообщения: Re: Преобразователи для часов на газоразрядных индикаторах
СообщениеДобавлено: Пн фев 29, 2016 17:19:29 
Друг Кота
Аватар пользователя

Карма: 50
Рейтинг сообщений: 1400
Зарегистрирован: Пт авг 28, 2009 21:34:30
Сообщений: 7339
Откуда: 845-й км.
Рейтинг сообщения: 0
Медали: 1
Получил миской по аватаре (1)
Хм, параметрический поиск не получилось сделать - в магазине все мостики свалены в кучу, но попались на глаза BGX50A, BAS3007, BAS4002.


Вернуться наверх
 
Не в сети
 Заголовок сообщения: Re: Преобразователи для часов на газоразрядных индикаторах
СообщениеДобавлено: Пн фев 29, 2016 18:08:27 
Родился

Зарегистрирован: Вт фев 23, 2016 09:50:26
Сообщений: 14
Рейтинг сообщения: 0
Charon писал(а):
Есть и мостики, MB16S-
Спасибо Похоже то, что надо MB12, MB14 MB18 На разное напряжение по вкусу
Charon писал(а):
Что касается включения MC34063 как инвертирующего преобразователя, на ней не получится, нужно применять uA78S40.
Но ведь в ДШ прямо схема такого преобразователя имеется. Я привык как то доверять ДШ


Вернуться наверх
 
Не в сети
 Заголовок сообщения: Re: Преобразователи для часов на газоразрядных индикаторах
СообщениеДобавлено: Пн фев 29, 2016 18:11:44 
Сверлит текстолит когтями

Карма: 7
Рейтинг сообщений: 38
Зарегистрирован: Вс янв 03, 2016 08:52:30
Сообщений: 1247
Рейтинг сообщения: 0
Я тоже, но в них хоть и редко, бывают ошибки. Годная схема есть в AN920/D, рис. 15, стр. 16.
P.S. Извиняюсь за дезу, можно оказывается и на MC34064, они применили трюк, который я не сразу прочухал - землю микруха повесили на выходное напряжение, т.е. под землю. Ну, молодца, я б не додумался :)))
А я еще думаю - ну нафига они 4 ногу на минус то? :)))


Последний раз редактировалось Charon Пн фев 29, 2016 18:22:40, всего редактировалось 1 раз.

Вернуться наверх
 
Не в сети
 Заголовок сообщения: Re: Преобразователи для часов на газоразрядных индикаторах
СообщениеДобавлено: Пн фев 29, 2016 18:21:12 
Родился

Зарегистрирован: Вт фев 23, 2016 09:50:26
Сообщений: 14
Рейтинг сообщения: 0
Я от туда и брал, но естественно выбрал проще, рис 33, стр.36. Греется МС как утюг на холостом даже, хотя работает. Но меня нагрев такой сильный не устраивает.


Вернуться наверх
 
Не в сети
 Заголовок сообщения: Re: Преобразователи для часов на газоразрядных индикаторах
СообщениеДобавлено: Пн фев 29, 2016 18:24:06 
Сверлит текстолит когтями

Карма: 7
Рейтинг сообщений: 38
Зарегистрирован: Вс янв 03, 2016 08:52:30
Сообщений: 1247
Рейтинг сообщения: 0
Подредактировал предыдущий пост.

Щас гляну схему, попробую разобраться, почему греется.

По схеме судя, нормально все должно быть... Но вот вопрос - а какое было входное на этом преобразователе и какое выходное? Если вход был 12, выход -30, то предел по питанию уже превышен. Если же вход был 5, получается 35 - должно работать и не жужжать.

P.S. Да там об этом и прямо сказано:
With this configuration, the sum of Vin + Vout + Vf must not exceed 40V.

Схема на рис. 15 стр. 16 этому ограничению не подвержена - там земля микросхемы, это реально земля.


Последний раз редактировалось Charon Пн фев 29, 2016 18:59:46, всего редактировалось 1 раз.

Вернуться наверх
 
Не в сети
 Заголовок сообщения: Re: Преобразователи для часов на газоразрядных индикаторах
СообщениеДобавлено: Пн фев 29, 2016 18:57:49 
Родился

Зарегистрирован: Вт фев 23, 2016 09:50:26
Сообщений: 14
Рейтинг сообщения: 0
Вход 5в выход 27 вольт. Греется, ошибок естесно нет, поднимал, опускал частоту, особой разницы нет. Не стал я ломать голову. Может микры не фонтан, у меня всего две штуки из одной партии. Я как то давно купил на ЕБЕЕ пару десятков 34063 они грелись не реально в испытанной схеме, выбросил все.


Последний раз редактировалось VIT125 Пн фев 29, 2016 19:09:45, всего редактировалось 1 раз.

Вернуться наверх
 
Не в сети
 Заголовок сообщения: Re: Преобразователи для часов на газоразрядных индикаторах
СообщениеДобавлено: Пн фев 29, 2016 19:02:57 
Сверлит текстолит когтями

Карма: 7
Рейтинг сообщений: 38
Зарегистрирован: Вс янв 03, 2016 08:52:30
Сообщений: 1247
Рейтинг сообщения: 0
Тогда это странно. Все должно быть нормально.


Вернуться наверх
 
Не в сети
 Заголовок сообщения: Re: Преобразователи для часов на газоразрядных индикаторах
СообщениеДобавлено: Вт мар 01, 2016 02:25:22 
Друг Кота
Аватар пользователя

Карма: 37
Рейтинг сообщений: 1977
Зарегистрирован: Пн окт 10, 2011 23:53:13
Сообщений: 5199
Откуда: 34rus
Рейтинг сообщения: 0
uldemir писал(а):
Лень мотать - поставь четыре диода мостом.

Почему бы не использовать удвоитель вместо моста? И витков во вторичке вдвое меньше понадобится... :dont_know:

_________________
Теория — это когда всё известно, но ничего не работает. Практика — это когда всё работает, но никто не знает почему. Мы же объединяем теорию и практику: ничего не работает, и никто не знает почему! © А. Эйнштейн


Вернуться наверх
 
Не в сети
 Заголовок сообщения: Re: Преобразователи для часов на газоразрядных индикаторах
СообщениеДобавлено: Вт мар 01, 2016 05:07:35 
Сверлит текстолит когтями

Карма: 7
Рейтинг сообщений: 38
Зарегистрирован: Вс янв 03, 2016 08:52:30
Сообщений: 1247
Рейтинг сообщения: 0
Раз уж трансформатор все равно приходится мотать самому, то лучше намотать в два раза больше витков, чем удвоитель ставить.


Вернуться наверх
 
Показать сообщения за:  Сортировать по:  Вернуться наверх
Начать новую тему Ответить на тему  [ Сообщений: 3038 ]     ... , , , 98, , , ...  

Часовой пояс: UTC + 3 часа


Кто сейчас на форуме

Сейчас этот форум просматривают: нет зарегистрированных пользователей и гости: 19


Вы не можете начинать темы
Вы не можете отвечать на сообщения
Вы не можете редактировать свои сообщения
Вы не можете удалять свои сообщения
Вы не можете добавлять вложения

Найти:
Перейти:  


Powered by phpBB © 2000, 2002, 2005, 2007 phpBB Group
Русская поддержка phpBB
Extended by Karma MOD © 2007—2012 m157y
Extended by Topic Tags MOD © 2012 m157y