Например TDA7294

Форум РадиоКот • Просмотр темы - Часы на газоразрядных индикаторах
Форум РадиоКот
Здесь можно немножко помяукать :)

Текущее время: Пт ноя 21, 2025 23:30:51

Часовой пояс: UTC + 3 часа


ПРЯМО СЕЙЧАС:



Начать новую тему Ответить на тему  [ Сообщений: 48923 ]     ... , , , 1127, , , ...  
Автор Сообщение
Не в сети
 Заголовок сообщения: Re: Часы на газоразрядных индикаторах
СообщениеДобавлено: Вс янв 20, 2013 20:06:19 
Друг Кота
Аватар пользователя

Карма: 81
Рейтинг сообщений: 1377
Зарегистрирован: Пн май 11, 2009 14:15:00
Сообщений: 3059
Откуда: СПб
Рейтинг сообщения: 0
Медали: 1
Мявтор 3-й степени (1)
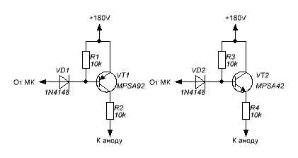
Я тут придумал пару схемок анодных ключей:
Изображение
Как думаете, работать будут?


Вложения:
123.GIF [3.44 KiB]
Скачиваний: 1632

_________________
Этот пост оказался полезен? Не поленись, нажми Изображение слева!
:) :)) :)))
Куплю индикаторы ИТС-1А, ИТС-1Б, ИГВ1-8х5Л, ИГПС1-222/7, ИГПС1-111/7 и подобные.
Вернуться наверх
 
 Заголовок сообщения: Re: Часы на газоразрядных индикаторах
СообщениеДобавлено: Вс янв 20, 2013 20:09:33 
Я думаю, что нет. :(


Вернуться наверх
   
 
Не в сети
 Заголовок сообщения: Re: Часы на газоразрядных индикаторах
СообщениеДобавлено: Вс янв 20, 2013 20:11:20 
Друг Кота
Аватар пользователя

Карма: 81
Рейтинг сообщений: 1377
Зарегистрирован: Пн май 11, 2009 14:15:00
Сообщений: 3059
Откуда: СПб
Рейтинг сообщения: 0
Медали: 1
Мявтор 3-й степени (1)
Жаль...

_________________
Этот пост оказался полезен? Не поленись, нажми Изображение слева!
:) :)) :)))
Куплю индикаторы ИТС-1А, ИТС-1Б, ИГВ1-8х5Л, ИГПС1-222/7, ИГПС1-111/7 и подобные.


Вернуться наверх
 
Не в сети
 Заголовок сообщения: Re: Часы на газоразрядных индикаторах
СообщениеДобавлено: Вс янв 20, 2013 20:12:34 
Друг Кота
Аватар пользователя

Карма: 50
Рейтинг сообщений: 1398
Зарегистрирован: Пт авг 28, 2009 21:34:30
Сообщений: 7316
Откуда: 845-й км.
Рейтинг сообщения: 0
Медали: 1
Получил миской по аватаре (1)
Самый главный вопрос, а от чего питается МК? Хотя в любом случае - не будет работать. Хочется обойтись одним транзистором - RC цепочка решит эту проблему. См. бюллетень про панаплексы (мы тогда обсуждали токозадающий резистор в катодном ключе).

_________________
А люди посмотрят и скажут: "Собаки летят. Вот и осень."


Вернуться наверх
 
Эиком - электронные компоненты и радиодетали
Не в сети
 Заголовок сообщения: Re: Часы на газоразрядных индикаторах
СообщениеДобавлено: Вс янв 20, 2013 20:23:34 
Опытный кот

Карма: 6
Рейтинг сообщений: 65
Зарегистрирован: Сб янв 05, 2013 22:27:00
Сообщений: 849
Откуда: новосиб
Рейтинг сообщения: 0
uldemir писал(а):
Ээээ, у меня там еще одно условие, под транзистором дорожки не должны идти. Поставил перемычки. под 0805 DRC не разрешает провести, а 1206 DRC не разрешает дорожку еще засунуть.

поменяй паттерны резисторов.
я сразу зазор между падами 0805 и 1206 увеличил. в результате под 0805 пролазит до 2 дорожек, под 1206 до 4х


Вернуться наверх
 
Не в сети
 Заголовок сообщения: Re: Часы на газоразрядных индикаторах
СообщениеДобавлено: Вс янв 20, 2013 21:13:31 
Друг Кота
Аватар пользователя

Карма: 27
Рейтинг сообщений: 33
Зарегистрирован: Пн ноя 22, 2010 00:57:15
Сообщений: 6296
Откуда: Ukraine
Рейтинг сообщения: 0
uldemir писал(а):
Самый главный вопрос, а от чего питается МК? Хотя в любом случае - не будет работать. Хочется обойтись одним транзистором - RC цепочка решит эту проблему. См. бюллетень про панаплексы (мы тогда обсуждали токозадающий резистор в катодном ключе).

этот резистор будет дыметь(греться) как паровоз :wink:

_________________
Tell Me The Truth


Вернуться наверх
 
Не в сети
 Заголовок сообщения: Re: Часы на газоразрядных индикаторах
СообщениеДобавлено: Вс янв 20, 2013 22:38:35 
Сверлит текстолит когтями
Аватар пользователя

Карма: 10
Рейтинг сообщений: 127
Зарегистрирован: Пт май 20, 2011 09:13:02
Сообщений: 1121
Откуда: Украина
Рейтинг сообщения: 0
uldemir писал(а):
Сегодня занимался регулировкой точности часов. Сделал вот такую платку с DS32khz.

Выход с BNC разъёма завёл на вход синхронизации осциллографа. Осциллограф, разумеется, на внешнюю синхронизацию и смотрел клоки часов. Конечно, надо дать некоторое время дс-ке "прогреться". Ну а потом подстраиваем подстроечный конденсатор часов, пока фаза перестанет бежать. Это означает, что часы с дс-кой засинхронизировались. Одним часам пришлось припаять еще по 15пФ кондёрчики, чтобы вогнать в "диапазон". Думаю, что так я получил уже достаточную точность.

p.s. Афигеть! во, сколько народу (хотя часть явно роботы) эту тему просматривают. За пол-суток 1300 скачиваний.


За идею спасибо,сам хотел сделать чего-то маленькое и мобильное и на ДСке,уж и схему нашел,но у Вас все проще.Все новое это хорошо забытое старое,в смысле мерять осциллом биения частот.

По поводу скачиваний,просто у всех точность часов хромает и видать нехило,раз кинулись на это :)) :)) :))


Вернуться наверх
 
Не в сети
 Заголовок сообщения: Re: Часы на газоразрядных индикаторах
СообщениеДобавлено: Пн янв 21, 2013 03:13:25 
Сверлит текстолит когтями
Аватар пользователя

Карма: 12
Рейтинг сообщений: 252
Зарегистрирован: Пн апр 14, 2008 12:54:35
Сообщений: 1288
Откуда: Город ГЕРОЙ Ленинград
Рейтинг сообщения: 0
А кстати, если мерять осциллом частоту непосредственно на кварце DS1307-подобной микросхемы, сопротивление/емкость щупа будет искажать картину? Сопротивление щупов 10М (с делителем), емкость не помню, здесь указано что 25пф

_________________
Опыт приходит сразу после того, как он был нужен...


Вернуться наверх
 
Не в сети
 Заголовок сообщения: Re: Часы на газоразрядных индикаторах
СообщениеДобавлено: Пн янв 21, 2013 03:42:50 
Друг Кота

Карма: 64
Рейтинг сообщений: 1017
Зарегистрирован: Пт мар 07, 2008 06:54:43
Сообщений: 4362
Откуда: Ижевск
Рейтинг сообщения: 0
uldemir писал(а):
Сегодня занимался регулировкой точности часов... Осциллограф, разумеется, на внешнюю синхронизацию и смотрел клоки часов.
Здравствуйте. uldemir, а как подключался осциллограф к "клокам часов"? У Вас есть буферированный выход 32'768Гц?


Вернуться наверх
 
Не в сети
 Заголовок сообщения: Re: Часы на газоразрядных индикаторах
СообщениеДобавлено: Пн янв 21, 2013 10:19:54 
Потрогал лапой паяльник
Аватар пользователя

Карма: 3
Рейтинг сообщений: 87
Зарегистрирован: Чт фев 10, 2011 10:22:20
Сообщений: 311
Откуда: Беларусь
Рейтинг сообщения: 0
У DS1307 есть выход с открытым стоком - FT/OUT, на который можно вывести частоту 32768Гц. Так же выход 32768Гц есть у DS3231. Другие часовые ИМС (М41Т54, M41T00, DS1340 и тп) дают частоту 512Гц.


Вернуться наверх
 
Не в сети
 Заголовок сообщения: Re: Часы на газоразрядных индикаторах
СообщениеДобавлено: Пн янв 21, 2013 10:23:20 
Друг Кота
Аватар пользователя

Карма: 50
Рейтинг сообщений: 1398
Зарегистрирован: Пт авг 28, 2009 21:34:30
Сообщений: 7316
Откуда: 845-й км.
Рейтинг сообщения: 0
Медали: 1
Получил миской по аватаре (1)
Ну, разумеется, я использовал буферизованный выход. Оба настраиваемых были "Простые часы на ГРИ", где тактовый генератор сделан на 4060:
Изображение
Частоту контролировал на 9 выводе. Там был красивый прямоугольник. На десятом что-то отдалённо напоминающее синусоиду. Но по этому выводу тоже можно было контролировать - когда тыкал туда осциллографом фаза убегать не начинала. На 11-м выводе был похожий сигнал, только меньшей амплитуды, но за несколько секунд после подключения осциллографа туда, амплитуда падала и превращалась в прямую линию (похоже генерация срывалась), что, впрочем, и не удивительно. Насчет контроля частоты у DS1302 ждёт облом. А у DS1307 можно выход SQW настроить на выдачу частоты 32кГц и там контролировать. На кварц же в любом случае садиться не стоит, так как щуп, даже с 6пФ нагрузкой будет очень сильно влиять на частоту. Так же не представляю, как контролировать частоту у ПИКов. У MSP430 можно один выход тоже настроить как выход генератора ACLK. Про АВР-ы - совсем ничего не знаю.

По поводу напряжения - действительно изменение напряжения с 3в до 5в изменяет частоту, но по моим прикидкам это изменение сравнимо с температурной стабильностью кварца. Так что в большинстве случаев - можно не заморачиваться.

FreshMan писал(а):
этот резистор будет дыметь(греться) как паровоз
Как ни странно - нет. Основная мощность будет рассеиваться на транзисторе. (хотя и не понял про какой резистор идёт речь)

_________________
А люди посмотрят и скажут: "Собаки летят. Вот и осень."


Вернуться наверх
 
Не в сети
 Заголовок сообщения: Re: Часы на газоразрядных индикаторах
СообщениеДобавлено: Пн янв 21, 2013 11:34:03 
Друг Кота

Карма: 64
Рейтинг сообщений: 1017
Зарегистрирован: Пт мар 07, 2008 06:54:43
Сообщений: 4362
Откуда: Ижевск
Рейтинг сообщения: 0
Спасибо за ответ. У схем на микроконтроллерах, по мне, проще контролировать период. Я, например, всегда пишу тестовую программу с выводом секундного интервала и выводом на индикацию секундомера. Таким образом могу использовать любой кварц. Правда, настраиваю по приборам. Так быстрее. Но можно и на слух по сигналам точного времени, но уже значительно дольше.


Вернуться наверх
 
Не в сети
 Заголовок сообщения: Re: Часы на газоразрядных индикаторах
СообщениеДобавлено: Пн янв 21, 2013 11:45:09 
Держит паяльник хвостом
Аватар пользователя

Карма: 11
Рейтинг сообщений: 43
Зарегистрирован: Вс май 23, 2010 13:55:42
Сообщений: 908
Откуда: Украина, Александрия
Рейтинг сообщения: 0
uldemir писал(а):
...Про АВР-ы - совсем ничего не знаю.

У многих AVR тоже можно вывести тактовую, у мега 8 помоиму это вывод XCK.

_________________
«И всё-таки она вертится!»


Вернуться наверх
 
Не в сети
 Заголовок сообщения: Re: Часы на газоразрядных индикаторах
СообщениеДобавлено: Пн янв 21, 2013 18:43:30 
Друг Кота

Карма: 17
Рейтинг сообщений: 166
Зарегистрирован: Пт авг 25, 2006 09:26:19
Сообщений: 5232
Откуда: Москва
Рейтинг сообщения: 0
uldemir писал(а):
Ну, разумеется, я использовал буферизованный выход. Оба настраиваемых были "Простые часы на ГРИ", где тактовый генератор сделан на 4060:
....... А у DS1307 можно выход SQW настроить на выдачу частоты 32кГц и там контролировать. На кварц же в любом случае садиться не стоит, так как щуп, даже с 6пФ нагрузкой будет очень сильно влиять на частоту. Так же не представляю, как контролировать частоту у ПИКов. У MSP430 можно один выход тоже настроить как выход генератора ACLK. Про АВР-ы - совсем ничего не знаю.

Получается, что DS1307 ,будет работать не точнее обычного часового кварцованого генератора на CD4060,который сам не идеал...точнее будет обычным частотомером настроить. Стоило ли заморачиваться???Или я что то не понял?


Вернуться наверх
 
Не в сети
 Заголовок сообщения: Re: Часы на газоразрядных индикаторах
СообщениеДобавлено: Пн янв 21, 2013 19:31:56 
Друг Кота
Аватар пользователя

Карма: 46
Рейтинг сообщений: 977
Зарегистрирован: Ср май 28, 2008 00:32:54
Сообщений: 7616
Откуда: г. Россия
Рейтинг сообщения: 0
А чо мучиться ?
И лезть в такие дебри.
Хочешь точность хода - ставишь DS32KHZ.
И никакого гемора.
Ну будет дороже на 150р, зато пару лет не надо будет часики подводить.
:) :)) :)))

_________________
Очень нравится неон
:) :)) :))) :)) :)
Мой проектик часиков с термометром на любых 6ти газоразрядных лампах + куча функций
Ещё один - попроще
:) :)) :))) :)) :)
Светодиодный проект
:))) :)) :) :)) :)))

My video on youtube nic SLvik78


Вернуться наверх
 
Не в сети
 Заголовок сообщения: Re: Часы на газоразрядных индикаторах
СообщениеДобавлено: Пн янв 21, 2013 19:47:33 
Друг Кота
Аватар пользователя

Карма: 50
Рейтинг сообщений: 1398
Зарегистрирован: Пт авг 28, 2009 21:34:30
Сообщений: 7316
Откуда: 845-й км.
Рейтинг сообщения: 0
Медали: 1
Получил миской по аватаре (1)
Боюсь сморозить какую-нибудь пошлость, но 1307 как "прецизионный RTC" и не позиционируется. Единственное, что, возможно, по сравнению с 4060 мощность генератора у нее меньше (хотя в 4060 именно для этой цели пол-мегаома и ставят), что как бы увеличивает стабильность кварцевого генератора (но в то же время снижает помехозащищенность). Но это догадки, реальные измерения не проводились и базируются только на субъективных ощущениях от чтения даташитов. И главный плюс 1307 в том, что не надо заморачиваться с реализацией дежурного режима при отключении основного питания - там оно уже встроено.
С другой стороны, как ему подстраивать частоту? Он уже настроен на кварц расчитанный под нагрузку 12.5пФ (кстати, 1302 - на 6пФ так что прежде читать даташиты). Попытка удлиннить цепи чтобы подрубить подстроечник с минимальной ёмкостью 5пФ - уже и так затормозит генератор и будет хроническое отставание. Вместо рассчетного кварца поставить на18пФ? и повесить подстроечник 5-10пФ и 6пФ? Вариант, конечно.

_________________
А люди посмотрят и скажут: "Собаки летят. Вот и осень."


Вернуться наверх
 
Не в сети
 Заголовок сообщения: Re: Часы на газоразрядных индикаторах
СообщениеДобавлено: Пн янв 21, 2013 21:56:40 
Это не хвост, это антенна
Аватар пользователя

Карма: 48
Рейтинг сообщений: 366
Зарегистрирован: Пт июн 22, 2012 20:51:16
Сообщений: 1370
Откуда: Россия
Рейтинг сообщения: 0
В продаже небольшие SMD подстроечники имеются.
По chip-nn.ru емкостью
1.4 - 3 пФ
2 - 6 пФ
6.5 - 30 пФ
8.5 - 40 пФ
Изображение


Вернуться наверх
 
Не в сети
 Заголовок сообщения: Re: Часы на газоразрядных индикаторах
СообщениеДобавлено: Пн янв 21, 2013 22:08:33 
Сверлит текстолит когтями
Аватар пользователя

Карма: 10
Рейтинг сообщений: 127
Зарегистрирован: Пт май 20, 2011 09:13:02
Сообщений: 1121
Откуда: Украина
Рейтинг сообщения: 0
Так оно все хорошо,но даже если поставить подстроечники частота плавать все равно будет.ДС32 все же рулит,ведь она под это заточена.


Вернуться наверх
 
Не в сети
 Заголовок сообщения: Re: Часы на газоразрядных индикаторах
СообщениеДобавлено: Пн янв 21, 2013 23:01:00 
Друг Кота
Аватар пользователя

Карма: 38
Рейтинг сообщений: 549
Зарегистрирован: Пн июл 14, 2008 21:28:00
Сообщений: 10688
Откуда: Москва
Рейтинг сообщения: 0
подстроечники от температуры плывут хуже любых постоянных... :cry:

_________________
Ищу тиратрон ТХИ1-2000/4, ГРИ ИН-23, ФЭУ-103; 134; 135, 138, 155, 157, лампу ИСШ-7.
Любые ГИС серий 203, 225, 233, 244, 250, 296, 801, 838 в любом состоянии. Компоненты и детали от миниатюрных твердотельных лазеров.


Вернуться наверх
 
Не в сети
 Заголовок сообщения: Re: Часы на газоразрядных индикаторах
СообщениеДобавлено: Пн янв 21, 2013 23:24:51 
Поставщик валерьянки для Кота

Карма: 5
Рейтинг сообщений: 21
Зарегистрирован: Пт авг 29, 2008 16:28:19
Сообщений: 2108
Откуда: Киев
Рейтинг сообщения: 0
Тут на предыдущей странице под транзистором дорожку не могли провести...
ИзображениеИзображение

Плёночный фоторезист, DRC OK на 0,3мм мин. зазор и 0,37мм мин. дорожка (если память не изменяет).

Правда это ключ для ВЛИ. Для ГРИ 170 В вместе с землёй с таким маленьким зазором я бы не проводил, прошьет наверняка.


Вложения:
CIMG2367.JPG [11.06 KiB]
Скачиваний: 1382
146.png [5.38 KiB]
Скачиваний: 1530

_________________
Giggity giggity goo!
Вернуться наверх
 
Показать сообщения за:  Сортировать по:  Вернуться наверх
Начать новую тему Ответить на тему  [ Сообщений: 48923 ]     ... , , , 1127, , , ...  

Часовой пояс: UTC + 3 часа


Кто сейчас на форуме

Сейчас этот форум просматривают: нет зарегистрированных пользователей и гости: 45


Вы не можете начинать темы
Вы не можете отвечать на сообщения
Вы не можете редактировать свои сообщения
Вы не можете удалять свои сообщения
Вы не можете добавлять вложения

Найти:
Перейти:  


Powered by phpBB © 2000, 2002, 2005, 2007 phpBB Group
Русская поддержка phpBB
Extended by Karma MOD © 2007—2012 m157y
Extended by Topic Tags MOD © 2012 m157y