Например TDA7294

Форум РадиоКот • Просмотр темы - Часы на газоразрядных индикаторах
Форум РадиоКот
Здесь можно немножко помяукать :)

Текущее время: Сб окт 18, 2025 05:52:14

Часовой пояс: UTC + 3 часа


ПРЯМО СЕЙЧАС:



Начать новую тему Ответить на тему  [ Сообщений: 48919 ]     ... , , , 2032, , , ...  
Автор Сообщение
Не в сети
 Заголовок сообщения: Re: Часы на газоразрядных индикаторах
СообщениеДобавлено: Вт мар 07, 2017 13:45:21 
Родился
Аватар пользователя

Зарегистрирован: Вт июн 09, 2015 10:13:59
Сообщений: 13
Откуда: Москва
Рейтинг сообщения: 0
Доделал Элизу 8-2.
Не держит время без питания. На батарейке 3,05 на ножке контроллера 2,92. Сбрасывается время через 20 минут.
Вздуваются конденсаторы 10х400 . уже второй за неделю. 167 вольт на них. Какая частота идёт на затвор.? Смотрел осциллографом не могу засинхронизироватся. Идут импульсы по три штуки. То ли 16 то ли 32 Кгц.
И вот ещё. Куда нажать при передачи сигналов точного времени чтоб начало "Начало шестого сигнала......", ну вы поняли.
Часы отстают на 2 минуты в неделю. Конденсаторы 18пф(это критично?). Кварц с материнки серверной.


Вернуться наверх
 
Не в сети
 Заголовок сообщения: Re: Часы на газоразрядных индикаторах
СообщениеДобавлено: Вт мар 07, 2017 14:12:36 
Вымогатель припоя
Аватар пользователя

Карма: 17
Рейтинг сообщений: 118
Зарегистрирован: Вс июл 17, 2016 04:38:20
Сообщений: 635
Откуда: Минск
Рейтинг сообщения: 0
RA3ADR писал(а):
Не держит время без питания

Напряжение на батарейке низковато для запуска кварца. Поставьте либо другой кварц, либо другую батарейку (4.5 В допустим)
RA3ADR писал(а):
Сбрасывается время через 20 минут.

С питанием или без?
RA3ADR писал(а):
Вздуваются конденсаторы 10х400

Поставьте трансформаторный преобразователь. Он работает без конденсатора, имеет высокий КПД и у него напряжение на выходе более предсказуемо
RA3ADR писал(а):
Часы отстают на 2 минуты в неделю. Конденсаторы 18пф(это критично?). Кварц с материнки серверной.

Поставьте один подстроечный конденсатор. Потом с помощью ослика/частотомера подгоняем частоту кварца. Всё.

_________________
память не сверло
Имея один мультиметр, можно измерить всё, кроме платы самого мультиметра.
Имея два мультиметра, можно измерить вообще всё.


Вернуться наверх
 
Не в сети
 Заголовок сообщения: Re: Часы на газоразрядных индикаторах
СообщениеДобавлено: Вт мар 07, 2017 14:45:23 
Родился
Аватар пользователя

Зарегистрирован: Вт июн 09, 2015 10:13:59
Сообщений: 13
Откуда: Москва
Рейтинг сообщения: 0
Dr.Tr. писал(а):
С питанием или без?

Питание 5в снято, а батарейка 2032 работает.
Dr.Tr. писал(а):
Он работает без конденсатора

Это какой такой преобразователь?
Dr.Tr. писал(а):
ослика/частотомера

Частотомер знаю, а кто такой ослик?
Dr.Tr. писал(а):
низковато для запуска кварца

Много народа собирало по этой схеме и всё работает.


Вернуться наверх
 
Не в сети
 Заголовок сообщения: Re: Часы на газоразрядных индикаторах
СообщениеДобавлено: Вт мар 07, 2017 14:58:29 
Вымогатель припоя
Аватар пользователя

Карма: 17
Рейтинг сообщений: 118
Зарегистрирован: Вс июл 17, 2016 04:38:20
Сообщений: 635
Откуда: Минск
Рейтинг сообщения: 0
RA3ADR писал(а):
Это какой такой преобразователь?

Любой трансформаторный. Тут недавно обсуждали такой преобразователь. В схеме конденсатор есть, но можно и без него: частота преобразования больше 30 кГц, на выходе практически меандр. С конденсатором яркость ламп может и возрастёт, но только процентов на 10, не больше
RA3ADR писал(а):
Частотомер знаю, а кто такой ослик?

Жаргонное название осциллографа
RA3ADR писал(а):
Dr.Tr. писал(а):
низковато для запуска кварца

Много народа собирало по этой схеме и всё работает.

Ну значит кварц такой. Либо прошивка такая. Попробуйте либо поставить отдельный генератор (их легче настраивать, они устойчивее etc.), либо
Dr.Tr. писал(а):
Поставьте другой кварц

_________________
память не сверло
Имея один мультиметр, можно измерить всё, кроме платы самого мультиметра.
Имея два мультиметра, можно измерить вообще всё.


Вернуться наверх
 
Эиком - электронные компоненты и радиодетали
Не в сети
 Заголовок сообщения: Re: Часы на газоразрядных индикаторах
СообщениеДобавлено: Вт мар 07, 2017 17:48:59 
Грызет канифоль

Карма: 9
Рейтинг сообщений: 384
Зарегистрирован: Пн авг 29, 2011 19:40:22
Сообщений: 282
Рейтинг сообщения: 5
По-настоящему тёплые ламповые часы - наручные накальные
Первоисточник

Изображение

Изображение


_________________
Нажмите кнопочку www под этим сообщением, если возникли вопросы.


Вернуться наверх
 
Не в сети
 Заголовок сообщения: Re: Часы на газоразрядных индикаторах
СообщениеДобавлено: Вт мар 07, 2017 22:58:33 
Друг Кота
Аватар пользователя

Карма: 38
Рейтинг сообщений: 549
Зарегистрирован: Пн июл 14, 2008 21:28:00
Сообщений: 10686
Откуда: Москва
Рейтинг сообщения: 0
А с накальными то классно выглядит!
Что за индикаторы применены?

_________________
Ищу тиратрон ТХИ1-2000/4, ГРИ ИН-23, ФЭУ-103; 134; 135, 138, 155, 157, лампу ИСШ-7.
Любые ГИС серий 203, 225, 233, 244, 250, 296, 801, 838 в любом состоянии. Компоненты и детали от миниатюрных твердотельных лазеров.


Вернуться наверх
 
Не в сети
 Заголовок сообщения: Re: Часы на газоразрядных индикаторах
СообщениеДобавлено: Ср мар 08, 2017 06:35:50 
Встал на лапы
Аватар пользователя

Карма: 3
Рейтинг сообщений: 4
Зарегистрирован: Вс июн 10, 2012 10:40:38
Сообщений: 102
Откуда: Магдебург, DE
Рейтинг сообщения: 0
Поправка... По кривым сегментам узнаваемо - ИВ-16.


Последний раз редактировалось crackintosh Ср мар 08, 2017 12:19:29, всего редактировалось 1 раз.

Вернуться наверх
 
Не в сети
 Заголовок сообщения: Re: Часы на газоразрядных индикаторах
СообщениеДобавлено: Ср мар 08, 2017 08:02:59 
Поставщик валерьянки для Кота
Аватар пользователя

Карма: 34
Рейтинг сообщений: 819
Зарегистрирован: Вт ноя 01, 2005 17:32:22
Сообщений: 1946
Откуда: Москва
Рейтинг сообщения: 0
ИВ-16. Они меньше чем ИВ-9 по высоте, так как в них нет запятой. Зато с ними удалось сделать плату минимального размера, диаметр 38мм.


Вернуться наверх
 
Не в сети
 Заголовок сообщения: Re: Часы на газоразрядных индикаторах
СообщениеДобавлено: Ср мар 08, 2017 21:16:43 
Первый раз сказал Мяу!

Зарегистрирован: Чт янв 07, 2016 21:05:18
Сообщений: 23
Откуда: Москва
Рейтинг сообщения: 0
RA3ADR писал(а):
Доделал Элизу 8-2.
Не держит время без питания. На батарейке 3,05 на ножке контроллера 2,92. Сбрасывается время через 20 минут.
Вздуваются конденсаторы 10х400 .

фото платы покажите для начала, детали поставили по схеме?
дорожки проверили, соплей нет, вчера проверял платы пионЭров замыкание + на кондеры 15пФ, все работало, только минута укладывалась в 40 секунд.


Вернуться наверх
 
Не в сети
 Заголовок сообщения: Re: Готовые проекты на ГРИ и ВЛИ и их обсуждение.
СообщениеДобавлено: Чт мар 09, 2017 21:34:42 
Мудрый кот
Аватар пользователя

Карма: 27
Рейтинг сообщений: 656
Зарегистрирован: Ср апр 04, 2012 09:55:53
Сообщений: 1789
Откуда: Северодонецк
Рейтинг сообщения: 0
Кто выложит схему в картинке,чтобы телефоном можно было глянуть?

_________________
У того, кто делает — получается редко. У того, кто не делает — не получается никогда.


Вернуться наверх
 
Не в сети
 Заголовок сообщения: Re: Готовые проекты на ГРИ и ВЛИ и их обсуждение.
СообщениеДобавлено: Пт мар 10, 2017 05:21:43 
Нашел транзистор. Понюхал.

Карма: 7
Рейтинг сообщений: 64
Зарегистрирован: Ср янв 26, 2011 19:17:39
Сообщений: 174
Откуда: Минск
Рейтинг сообщения: 2
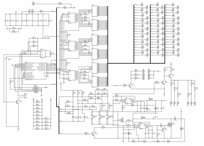
RoboC писал(а):
Кто выложит схему в картинке...?

Если эту схему то вот она:Изображение


Вернуться наверх
 
Не в сети
 Заголовок сообщения: Re: Готовые проекты на ГРИ и ВЛИ и их обсуждение.
СообщениеДобавлено: Пт мар 10, 2017 11:36:56 
Друг Кота
Аватар пользователя

Карма: 50
Рейтинг сообщений: 1398
Зарегистрирован: Пт авг 28, 2009 21:34:30
Сообщений: 7314
Откуда: 845-й км.
Рейтинг сообщения: 0
Медали: 1
Получил миской по аватаре (1)
Переход база-эмиттер Q3 неплохо бы зашунтировать диодом... или как в классике, поставить последовательно с эмиттером диод. А то, неровен час, из-за паразитных емкостей к этому переходу приложится высокое обратное напряжение в момент открывания транзистора предыдущего каскада... При динамике, наверняка, уже давно бы выбило.

_________________
А люди посмотрят и скажут: "Собаки летят. Вот и осень."


Вернуться наверх
 
Не в сети
 Заголовок сообщения: Re: Готовые проекты на ГРИ и ВЛИ и их обсуждение.
СообщениеДобавлено: Пт мар 10, 2017 12:32:25 
Друг Кота
Аватар пользователя

Карма: 40
Рейтинг сообщений: 608
Зарегистрирован: Вс янв 24, 2010 13:14:02
Сообщений: 4682
Откуда: Омск
Рейтинг сообщения: 0
Ничего там не выбьет. Там должны стоять MMBTA42LT1G. Их просто нет в протеусе.


Вернуться наверх
 
Не в сети
 Заголовок сообщения: Re: Готовые проекты на ГРИ и ВЛИ и их обсуждение.
СообщениеДобавлено: Пт мар 10, 2017 15:00:46 
Друг Кота
Аватар пользователя

Карма: 50
Рейтинг сообщений: 1398
Зарегистрирован: Пт авг 28, 2009 21:34:30
Сообщений: 7314
Откуда: 845-й км.
Рейтинг сообщения: 0
Медали: 1
Получил миской по аватаре (1)
Может выбить:
Изображение

_________________
А люди посмотрят и скажут: "Собаки летят. Вот и осень."


Вернуться наверх
 
Не в сети
 Заголовок сообщения: Re: Готовые проекты на ГРИ и ВЛИ и их обсуждение.
СообщениеДобавлено: Пт мар 10, 2017 15:21:45 
Друг Кота
Аватар пользователя

Карма: 40
Рейтинг сообщений: 608
Зарегистрирован: Вс янв 24, 2010 13:14:02
Сообщений: 4682
Откуда: Омск
Рейтинг сообщения: 0
uldemir, даже не знаю :shock: . Может просветите, при каком условии БЭ обратной полярности может превысить 6 вольт? Или хотя бы появиться любой величины.


Вернуться наверх
 
Не в сети
 Заголовок сообщения: Re: Готовые проекты на ГРИ и ВЛИ и их обсуждение.
СообщениеДобавлено: Пт мар 10, 2017 15:39:24 
Друг Кота
Аватар пользователя

Карма: 50
Рейтинг сообщений: 1398
Зарегистрирован: Пт авг 28, 2009 21:34:30
Сообщений: 7314
Откуда: 845-й км.
Рейтинг сообщения: 0
Медали: 1
Получил миской по аватаре (1)
Уже писал:
uldemir писал(а):
из-за паразитных емкостей к этому переходу приложится высокое обратное напряжение в момент открывания транзистора предыдущего каскада...
Представьте конденсатор (паразитная ёмкость, ёмксть монтажных проводов) параллельно лампе. Когда лампа светится этот конденсатор заряжен до +145-180в (145в в случае резисторов около транзисторов, 180 - в случае, если резисторы стоят у ламп). На базе +180. Теперь, хочем погасить: МК выдаёт лог.1, транзистор открывается и на базе напряжение близкое к Uнас предыдущего транзистора, а на эмиттере, за счет этой паразистной ёмкости, +145-180в. Вот вам и превышен этот параметр. ЧТД.

_________________
А люди посмотрят и скажут: "Собаки летят. Вот и осень."


Вернуться наверх
 
Не в сети
 Заголовок сообщения: Re: Готовые проекты на ГРИ и ВЛИ и их обсуждение.
СообщениеДобавлено: Пт мар 10, 2017 16:35:24 
Друг Кота
Аватар пользователя

Карма: 40
Рейтинг сообщений: 608
Зарегистрирован: Вс янв 24, 2010 13:14:02
Сообщений: 4682
Откуда: Омск
Рейтинг сообщения: 0
Согласен, до идиотизма можно довести любую ситуацию. Хотя бы прикиньте арифметику. Например
uldemir писал(а):
(паразитная ёмкость, ёмксть монтажных проводов)
эту величину. Я не буду рассуждать про время закрытия, время разряда этой емкости, энергию пробоя, обратимый пробой и прочее. Да и вообще на эту тему. Не первый год практика говорит обратное.

ЗЫ Не стал сразу писать, но что бы поставить точку в этом вопросе: регулировка яркости индикаторов осуществляется ШИМом как раз через эту пару транзисторов. И заполнение не бывает 100%.


Вернуться наверх
 
Не в сети
 Заголовок сообщения: Re: Часы на газоразрядных индикаторах
СообщениеДобавлено: Сб мар 11, 2017 01:43:52 
Поставщик валерьянки для Кота

Карма: 34
Рейтинг сообщений: 313
Зарегистрирован: Вс ноя 15, 2009 23:13:59
Сообщений: 2106
Откуда: Харьков
Рейтинг сообщения: 0
Цитата:
Вздуваются конденсаторы 10х400

Полярность правильная? И что на них творится при работе? Конденсаторы обычные или low ESR?

_________________
Иногда мой питомец уходит в такую спячку, что разбудить его можно только щелчком по первой ноге...


Вернуться наверх
 
Не в сети
 Заголовок сообщения: Re: Часы на газоразрядных индикаторах
СообщениеДобавлено: Сб мар 11, 2017 02:16:45 
Родился
Аватар пользователя

Зарегистрирован: Вт июн 09, 2015 10:13:59
Сообщений: 13
Откуда: Москва
Рейтинг сообщения: 0
alfa2 писал(а):
Полярность правильная?
Полярнось правильная,просто они были от старых энергосбергаек и своё уже отработали,а во время наладки без нагрузки на них было до 550 вольт, вот и поплыла парочка. А LOW ESR высоковольтные ни разу не встречал.


Вернуться наверх
 
Не в сети
 Заголовок сообщения: Re: Часы на газоразрядных индикаторах
СообщениеДобавлено: Сб мар 11, 2017 14:46:34 
Потрогал лапой паяльник
Аватар пользователя

Карма: 5
Рейтинг сообщений: 80
Зарегистрирован: Вс фев 03, 2013 00:47:59
Сообщений: 349
Откуда: Киев
Рейтинг сообщения: 0
Поделитесь футпринтом для ИН-12 для Altium, пожалуйста.


Вернуться наверх
 
Показать сообщения за:  Сортировать по:  Вернуться наверх
Начать новую тему Ответить на тему  [ Сообщений: 48919 ]     ... , , , 2032, , , ...  

Часовой пояс: UTC + 3 часа


Кто сейчас на форуме

Сейчас этот форум просматривают: нет зарегистрированных пользователей и гости: 30


Вы не можете начинать темы
Вы не можете отвечать на сообщения
Вы не можете редактировать свои сообщения
Вы не можете удалять свои сообщения
Вы не можете добавлять вложения

Найти:
Перейти:  


Powered by phpBB © 2000, 2002, 2005, 2007 phpBB Group
Русская поддержка phpBB
Extended by Karma MOD © 2007—2012 m157y
Extended by Topic Tags MOD © 2012 m157y