Например TDA7294

Форум РадиоКот • Просмотр темы - Подскажите схемку ключа с задержкой
Форум РадиоКот
Здесь можно немножко помяукать :)

Текущее время: Сб янв 17, 2026 17:58:10

Часовой пояс: UTC + 3 часа


ПРЯМО СЕЙЧАС:



Начать новую тему Ответить на тему  [ Сообщений: 693 ]    , , , 4, , , ...  
Автор Сообщение
Не в сети
 Заголовок сообщения: Re: Подскажите схемку ключа с задержкой включения
СообщениеДобавлено: Чт сен 02, 2010 18:56:08 
Друг Кота
Аватар пользователя

Карма: 28
Рейтинг сообщений: 267
Зарегистрирован: Ср сен 27, 2006 16:18:57
Сообщений: 3459
Рейтинг сообщения: 0
ublhjnt писал(а):
...ждущие мультивибраторы нестабильны...
Это, конечно, спорное утверждение...
В прикошаченном файле проект схемы без одновибраторов. Две задержки на триггерах Шмидта. Одна на 2 секунды, другая на 3 секунды. Из разницы между ними формируется импульс. Если вместо К561ЛА7 применить К561ТЛ1 с триггерами Шмидта на входе, то будет ещё проще :)


Вложения:
delay_pulse.gif [6.99 KiB]
Скачиваний: 1655
Вернуться наверх
 
Не в сети
 Заголовок сообщения: Re: Подскажите схемку ключа с задержкой включения
СообщениеДобавлено: Пт сен 03, 2010 08:39:07 
Друг Кота
Аватар пользователя

Карма: 31
Рейтинг сообщений: 129
Зарегистрирован: Вт мар 02, 2010 17:05:19
Сообщений: 4446
Откуда: Белоруссия, Минск
Рейтинг сообщения: 0
Цитата:
Если вместо К561ЛА7 применить К561ТЛ1 с триггерами Шмидта на входе, то будет ещё проще

Вполне нормальная схема. если особая точность длительности паузы и сигнала не важна.
По моему подсказали достаточно. Дальше паяльник в руки и творчество. :))

_________________
Всё можно наладить,если вертеть в руках достаточно долго!


Вернуться наверх
 
Не в сети
 Заголовок сообщения: Re: Подскажите схемку ключа с задержкой включения
СообщениеДобавлено: Пт сен 03, 2010 11:45:05 
Друг Кота
Аватар пользователя

Карма: 43
Рейтинг сообщений: 167
Зарегистрирован: Вс янв 25, 2009 21:16:04
Сообщений: 35639
Откуда: Москва
Рейтинг сообщения: 0
Это верно, а если нужна точность: кварцевый генератор, делитель (до периода 1 секунда) и счетчик типа ИЕ8 с самоторможением, и сбросом в ноль при подаче питания. Будет исключительная точность и... надежность.

_________________
А поболтать?


Вернуться наверх
 
Не в сети
 Заголовок сообщения: Re: Подскажите схемку ключа с задержкой включения
СообщениеДобавлено: Пт сен 03, 2010 12:43:50 
Друг Кота
Аватар пользователя

Карма: 31
Рейтинг сообщений: 129
Зарегистрирован: Вт мар 02, 2010 17:05:19
Сообщений: 4446
Откуда: Белоруссия, Минск
Рейтинг сообщения: 0
Согласен. Об этом писал в самом начале, но это почему то отвергли?

_________________
Всё можно наладить,если вертеть в руках достаточно долго!


Вернуться наверх
 
Эиком - электронные компоненты и радиодетали
Не в сети
 Заголовок сообщения: Re: Подскажите схемку ключа с задержкой включения
СообщениеДобавлено: Пт сен 03, 2010 13:30:24 
Друг Кота
Аватар пользователя

Карма: 43
Рейтинг сообщений: 167
Зарегистрирован: Вс янв 25, 2009 21:16:04
Сообщений: 35639
Откуда: Москва
Рейтинг сообщения: 0
А ведь схемка то несложная: генератор на К176ИЕ5(с часовым кварцем 32 кГц) и К561 ИЕ8 со сбросом в ноль и обратной связью на "стоп". Схема примитивная. Если ИЕ5 нет, то мигающий светодиод выдает 2 Гц(простейший и достаточно точный генератор).

_________________
А поболтать?


Вернуться наверх
 
Не в сети
 Заголовок сообщения: Re: Подскажите схемку ключа с задержкой включения
СообщениеДобавлено: Пт сен 03, 2010 13:50:57 
Друг Кота
Аватар пользователя

Карма: 31
Рейтинг сообщений: 129
Зарегистрирован: Вт мар 02, 2010 17:05:19
Сообщений: 4446
Откуда: Белоруссия, Минск
Рейтинг сообщения: 0
Цитата:
Схема примитивная.

И можно получить любую комбинацию сигналов, а также построить любой распределитель.

_________________
Всё можно наладить,если вертеть в руках достаточно долго!


Вернуться наверх
 
Не в сети
 Заголовок сообщения: Re: Подскажите схемку ключа с задержкой включения
СообщениеДобавлено: Ср сен 08, 2010 12:20:16 
Первый раз сказал Мяу!

Зарегистрирован: Пн июн 21, 2010 11:54:22
Сообщений: 25
Рейтинг сообщения: 0
Доброе утро, уважаемые коты! :)

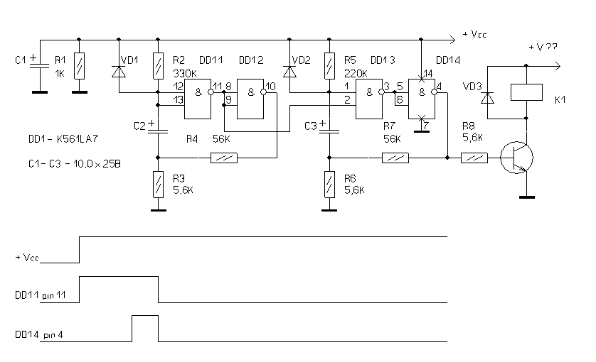
Вчера вечером спаял схему на CD4098, которую обсуждали с Jemchugом. Работает, но не совсем так, как требуется. А именно - при включении оба мультивибратора запускаются сразу, затем останавливается второй (т.к. R3C3 для второго задает импульс короче, чем R2C2 для первого, это нормально), далее останавливается первый, снова запуская второй задним фронтом. На втором снова появляется импульс (вот только он один то мне и нужен!), который немного короче предыдущего, видимо потому что конденсатор C3 ещё не успел до конца разрядиться. (см. прикошаченный рисунок)

И ещё одно наблюдение - если питание выключить на секунду, и включить снова, первый импульс заметно короче, видимо конденсаторы не успевают разрядиться до конца.

В связи с этим, позвольте задать несколько (глупых?) вопросов:
1. почему второй мультивибратор стартует сразу? Что-то не так с resetом? Может повесить отдельные RC цепочки на каждый из resetов?
2. как грамотно приделать диоды для быстрого разряда конденсаторов? И вообще, нормально ли ставить электролиты, или лучше поискать неполярные конденсаторы?

Спасибо заранее за Ваши комментарии.

З.Ы. На всякий случай поясню - никакого отдельного импульса на запуск нет, всё должно запускаться автоматически при подаче питания на схему. При пропадании питания хотя бы на доли секунды, схема должна сбрасываться (конденсаторы резенько так разряжаться :) ) и при подаче питания снова генерировать импульс.


Вложения:
imp.JPG [7.42 KiB]
Скачиваний: 1520
Вернуться наверх
 
Не в сети
 Заголовок сообщения: Re: Подскажите схемку ключа с задержкой включения
СообщениеДобавлено: Ср сен 08, 2010 14:53:31 
Мудрый кот
Аватар пользователя

Карма: 19
Рейтинг сообщений: 166
Зарегистрирован: Сб окт 10, 2009 17:16:58
Сообщений: 1732
Откуда: Россия.
Рейтинг сообщения: 0
Цитата:
При пропадании питания хотя бы на доли секунды, схема должна сбрасываться (конденсаторы резенько так разряжаться :) ) и при подаче питания снова генерировать импульс.
Это конечно опять все немного путает. Вероятно Вам нужно как то по другому пути пойти. Надо подумать.


Вложения:
1.JPG [37.25 KiB]
Скачиваний: 1601
Вернуться наверх
 
Не в сети
 Заголовок сообщения: Re: Подскажите схемку ключа с задержкой включения
СообщениеДобавлено: Чт сен 09, 2010 12:15:42 
Первый раз сказал Мяу!

Зарегистрирован: Пн июн 21, 2010 11:54:22
Сообщений: 25
Рейтинг сообщения: 0
Доброе утро, уважаемые коты!

Всё, наконец-то разобрался! Получил именно то, что нужно на схеме с CD4098 (в приложении реально работающая схема).

Решил увеличить ёмкости конденсаторов на reset (C0 1мкф вместо 0,1) и на запуск (С1 4,7мкф вместо 1), и всё сразу заработало корректно... но только один раз. При повторной подаче питания схема отказывалась запускаться категорически, пока не разрядить C1. Поэтому решено было поставить диод VD1 и резистор R6, через который пусковой конденсатор C1 разряжается при отключении питания. Схема работает достаточно стабильно, даже при пропадании питания на доли секунды снова корректно отрабатывает после восстановления питания. Вчера даже напаял её сверху на блок управления сушителем - всё работает! :))

Единственное смущает, правильно ли я сделал, поставив ограничивающий резистор R5 3.6k, чтобы запитаться от имеющихся 25 вольт? В результате на схему идёт 10 вольт, ток около 2mA. Не совсем понятно, нужно ли стабилизировать напряжение после резистора, вроде при таком маленьком токе никаких просадок незаметно.
Вложение:
4098.JPG [40.69 KiB]
Скачиваний: 2040


З.Ы. Вот, добавил рисунок печатной платы, если кому интересно :)


Вложения:
Комментарий к файлу: Рисунок печатной платы, готовый к распечатке на плёнку.
Layout4p.doc [46.5 KiB]
Скачиваний: 705
Комментарий к файлу: Рисунок платы с указанием элементов.
Layout4.doc [43 KiB]
Скачиваний: 688
Вернуться наверх
 
Не в сети
 Заголовок сообщения: Простейший выключатель с таймером
СообщениеДобавлено: Пт ноя 26, 2010 20:11:55 
Родился

Зарегистрирован: Пт ноя 26, 2010 20:01:57
Сообщений: 1
Рейтинг сообщения: 0
Я новичок в радиотехнике, подскажите пожалуйста, как можно просто и быстро сделать (желательно компактный) выключатель с задержкой, т.е. нажал кнопку, выключатель открылся, через некоторое время, через минуту например, все это дело автоматически выключилось и разомкнуло цепь, как это можно сделать?
подкиньте пожалуйста схемки и дайте советов :)
напряжение 220в, ток где то 1 ампер,
можно ли это сделать как нибудь на полевике или на симисторе, или все таки лучше применить реле?

Заранее большое спасибо :)

кстати, заранее извиняюсь перед модераторами, скорее всего топик запихал не в тот раздел :oops:


Вернуться наверх
 
Не в сети
 Заголовок сообщения: Re: Простейший выключатель с таймером
СообщениеДобавлено: Пт ноя 26, 2010 22:50:56 
Друг Кота

Карма: 19
Рейтинг сообщений: 470
Зарегистрирован: Чт апр 29, 2010 07:39:15
Сообщений: 3227
Откуда: Молдова Бельцы
Рейтинг сообщения: 0
Вот например -
http://wapdata.narod.ru/switchdelay.htm
http://electronic.vladbazar.com/bitovay ... F2%E0.html
http://www.dinistor.net.ru/prostoe-rele ... 7-min.html
http://www.radio-portal.ru/index.php/la ... 4-04-48-46


Вернуться наверх
 
Не в сети
 Заголовок сообщения: Re: Простейший выключатель с таймером
СообщениеДобавлено: Сб ноя 27, 2010 00:12:33 
Собутыльник Кота
Аватар пользователя

Карма: 6
Рейтинг сообщений: 59
Зарегистрирован: Вт янв 12, 2010 21:11:22
Сообщений: 2602
Откуда: Волжский Волгоградской обл.
Рейтинг сообщения: 0
Медали: 1
Получил миской по аватаре (1)
Поиск ваш друг, вот первое что попалось
http://www.shemki.ru/readarticle.php?article_id=763
http://valeriysan.ucoz.ru/publ/prochie_ ... 26-1-0-480

_________________
Собрали и смело включайте, лишнее выгорит!


Вернуться наверх
 
Не в сети
 Заголовок сообщения: Re: Подскажите схемку ключа с задержкой
СообщениеДобавлено: Вс ноя 28, 2010 22:27:28 
Родился

Зарегистрирован: Ср июл 29, 2009 15:15:36
Сообщений: 19
Откуда: Минск
Рейтинг сообщения: 0
Извините, может не в ту тему.
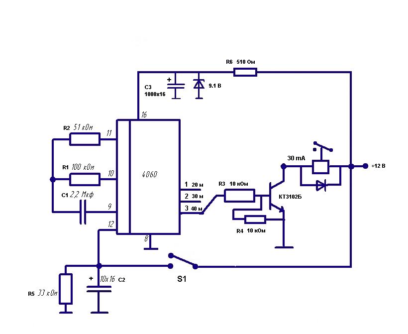
Нужно включать нагрузку кратковременным нажатием выключателя S1 без фиксации где-то на 30 минут . Затем реле отключается. Если нажать на S1 когда 30мин не истекло, отсчет начинается заново или прекращается (еще не определился).
Составил схему из отрывков других схем в интернете. Ток реле мерял сам, около 30 мА . Номиналы резисторов и конденсатором условные. Помогите разобраться и навести порядок.


Вложения:
Таймер на 30 минут.jpg [34.2 KiB]
Скачиваний: 1023
Вернуться наверх
 
Не в сети
 Заголовок сообщения: Задержка включения и выключения реле
СообщениеДобавлено: Ср дек 08, 2010 20:20:19 
Родился

Зарегистрирован: Ср дек 08, 2010 19:37:47
Сообщений: 1
Рейтинг сообщения: 0
Помогите сделать простую схему включения и выключения двух реле с задержками 5 секунд относительно друг друга(желательно на 555 таймере или парочке транзисторов)
Включение должно происходить с помощью подачи +12В
Какое реле включается или выключаетя с задержкой неважно.
Реле автомобильные 12В, ток обмотки 120мА
Заранее благодарен "знатокам"!!!!!


Вернуться наверх
 
Не в сети
 Заголовок сообщения: Помогите набросать схемку задержки включения (12 вольт)
СообщениеДобавлено: Сб дек 11, 2010 18:58:37 
Родился

Зарегистрирован: Сб дек 11, 2010 18:47:28
Сообщений: 1
Рейтинг сообщения: 0
есть обычная 5-ти контактная 12 вольтовая релюшка, управляющая электронасосом. Мне нужно сделать так, чтобы управляющий + на этой релюшке появлялся через какое то время после появления основного питания: 10-100 секунд задержки.

Спасибо!


Вернуться наверх
 
Не в сети
 Заголовок сообщения: Re: Помогите набросать схемку задержки включения (12 вольт)
СообщениеДобавлено: Сб дек 11, 2010 21:11:02 
Грызет канифоль
Аватар пользователя

Карма: 1
Рейтинг сообщений: 20
Зарегистрирован: Ср мар 04, 2009 00:06:38
Сообщений: 256
Откуда: Черновцы
Рейтинг сообщения: 0
555 таймер с транзисторным ключом.


Вернуться наверх
 
Не в сети
 Заголовок сообщения: Re: Мелкие вопросы по аналоговой технике.
СообщениеДобавлено: Пт фев 04, 2011 18:50:01 
Родился

Зарегистрирован: Пт фев 04, 2011 18:40:29
Сообщений: 4
Рейтинг сообщения: 0
всем добрый день, маленький вопрос, Как можно сделать включение питания на 5сек. Смысл такой, при подаче питания на оптореле, оно должно защёлкнуться на 5 секунд и после разомкнуться, при выключении питания реле должно оставаться выключенным.
Главное условие - в схеме должно быть минимум компанентов, оптореле будет заменять триггер.

Сюда перенес.
Здесь в теме по моему уже все есть.


aen


Вернуться наверх
 
Не в сети
 Заголовок сообщения: Re: Мелкие вопросы по аналоговой технике.
СообщениеДобавлено: Пт фев 04, 2011 19:32:12 
Опытный кот

Карма: 4
Рейтинг сообщений: 84
Зарегистрирован: Чт сен 23, 2010 18:40:51
Сообщений: 724
Откуда: Санкт-Петербург
Рейтинг сообщения: 0
Одновибратор

_________________
С уважением, Вячеслав.


Вернуться наверх
 
Не в сети
 Заголовок сообщения: Re: Подскажите схемку ключа с задержкой
СообщениеДобавлено: Пт фев 04, 2011 20:14:03 
Родился

Зарегистрирован: Пт фев 04, 2011 18:40:29
Сообщений: 4
Рейтинг сообщения: 0
Спасибо за ответ, я нашёл одновибратор К155АГ1 но сама схема очень крупная и не вместится туда куда это всё нужно вставить, есть ли какие либо варианты dip6-8 + конденсатор + резисторы? (уже нашёл вариант на ne555)


Вернуться наверх
 
Не в сети
 Заголовок сообщения: Re: Подскажите схемку ключа с задержкой
СообщениеДобавлено: Пт фев 04, 2011 20:31:39 
Опытный кот

Карма: 4
Рейтинг сообщений: 84
Зарегистрирован: Чт сен 23, 2010 18:40:51
Сообщений: 724
Откуда: Санкт-Петербург
Рейтинг сообщения: 0
Таймер 555, ОУ (см схему №12), пара кт 315 :) - вариантов масса, в т.ч. в этой теме ;)

_________________
С уважением, Вячеслав.


Вернуться наверх
 
Показать сообщения за:  Сортировать по:  Вернуться наверх
Начать новую тему Ответить на тему  [ Сообщений: 693 ]    , , , 4, , , ...  

Часовой пояс: UTC + 3 часа


Кто сейчас на форуме

Сейчас этот форум просматривают: нет зарегистрированных пользователей и гости: 20


Вы не можете начинать темы
Вы не можете отвечать на сообщения
Вы не можете редактировать свои сообщения
Вы не можете удалять свои сообщения
Вы не можете добавлять вложения

Найти:
Перейти:  


Powered by phpBB © 2000, 2002, 2005, 2007 phpBB Group
Русская поддержка phpBB
Extended by Karma MOD © 2007—2012 m157y
Extended by Topic Tags MOD © 2012 m157y